欢迎来到第壹文秘! | 帮助中心 分享价值,成长自我!
第壹文秘
全部分类
  • 幼儿/小学教育>
  • 中学教育>
  • 高等教育>
  • 研究生考试>
  • 外语学习>
  • 资格/认证考试>
  • 论文>
  • IT计算机>
  • 法律/法学>
  • 建筑/环境>
  • 通信/电子>
  • 医学/心理学>
  • ImageVerifierCode 换一换
    首页 第壹文秘 > 资源分类 > DOCX文档下载
    分享到微信 分享到微博 分享到QQ空间

    危险源控制措施清单.docx

    • 资源ID:1246080       资源大小:22.57KB        全文页数:8页
    • 资源格式: DOCX        下载积分:5金币
    快捷下载 游客一键下载
    账号登录下载
    三方登录下载: 微信开放平台登录 QQ登录
    下载资源需要5金币
    邮箱/手机:
    温馨提示:
    快捷下载时,如果您不填写信息,系统将为您自动创建临时账号,适用于临时下载。
    如果您填写信息,用户名和密码都是您填写的【邮箱或者手机号】(系统自动生成),方便查询和重复下载。
    如填写123,账号就是123,密码也是123。
    支付方式: 支付宝    微信支付   
    验证码:   换一换

    加入VIP,免费下载
     
    账号:
    密码:
    验证码:   换一换
      忘记密码?
        
    友情提示
    2、PDF文件下载后,可能会被浏览器默认打开,此种情况可以点击浏览器菜单,保存网页到桌面,就可以正常下载了。
    3、本站不支持迅雷下载,请使用电脑自带的IE浏览器,或者360浏览器、谷歌浏览器下载即可。
    4、本站资源下载后的文档和图纸-无水印,预览文档经过压缩,下载后原文更清晰。
    5、试题试卷类文档,如果标题没有明确说明有答案则都视为没有答案,请知晓。

    危险源控制措施清单.docx

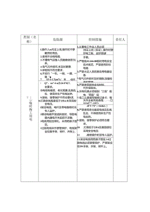
    类别(名称)危险源控制措施责任人-)临时怖工用电ZfvI.操作人m无证上岗,操作时不穿戴劳防用品。2 .使用不合格电箱.3 .不懂电气设备人员随意使用'玩弄。4 .电气元件损坏,未及时更攒.5 .保险税不符合要求,6,不实行“一机、一刚、一漏、一箱“71F-I-1.Tpn%/H-Q1I1,从事电工作业人员必须持证上岗(双证),操作时穿好电工鞋、蚁好绝缘手套。2.严格按JGJ4688临时用电安全技术规范,严禁使用非标电箱.3.严禁尢证人员的意动用电器设备.4电气元件损坏及时调换.加强检杳和管理./Q”,n“4-n水J4FM八全要求。&电线有破损、老化现象,乱拖乱拉,使用非生产性电加热.9.接地、接零保护不符合要I求,0.灯具安独高度低于2米4.未采用安全电压。I架设电线、电杆及带电维修时无专人监护。1移动电箱平放或斜放时,导致电箱内漏电开关起踪不灵敏.1电统用铅丝绑扎,未用绝缘子固定。1过跖电线未作穿管保护,电线架设在脚手架、树杆、井架上.5.严禁使用其他金加材料代件保险丝。6 .所有机具必须做到“三级”配电,“两级”保7 .电工认真填写维修记录卡;每天作业前先检杳海ff/.口rrn2*41¼-fV7T*.=I44k1.)8,严禁使用老化破皮电线及乱拖乱拉,不得使用非生产性电加热。9 .接地、接零保护必须符合要求。10 .灯具低于2米4及潮湿部位采用安全电压.11 .维修操作时派专人监护。12 .移动电箱应垂直放置。13.架设电线用绝缘子固定.14过路电线必须穿管保护,严禁架设在IW手架、井架、树杆上。类别(名称)危险源控制措施责任人-)脚手架搭拆/Iv1 .搭拆人员无证上岗,上拆时不戴劳防用品,酒后作业.2 .搭拆时未设置警戒区域,无专人监护.3 .搭拆时米用不合格钢管、扣件进行搭设.4 .搭拆时搬运杆件与周围电线、机具等碰撞,无保护措施,5 .脚手架未配合施工进度搭设,一次搭设高度也过相邻连墙件以上两步。6 .未按施工方窠进行搭拆,由章作业.7 .上下垂直同时临工,向下乱1,搭拆人员必须持证上岗,上岗前穿战好劳防用品,产禁酒后作业。2 .搭拆时要设置警戒区域,严禁他人随意进入,派专人监护.3 .搭拆时采用合格钢管、拉件进行搭设,搭设前材料进行脸收。4 .搭拆时搬运杆件当心与周围电线'机具等碰撞,要米取“底保护措施.5 .脚手架配合好施工进度搭设.一次搭设的高度不得超过相邻连堵件以上两步。6 .严格按施工方案进行搭拆,严禁违章作业,野蛮施工.7 .尽G避免上下垂直同时抛乱去材料.8 .中途停歇,下班前未采取临时加固措施,留有松动扣件、杆件.9 .遇卜雨(智)、大风天气后,上诣前未进行检包、清理.1拆除时未由上而下母层四周贯通拆除,而以立面进行拆除.I拆除时将连墙杆全部拆除,未来取临时加固措施,I拆下材料未及时清理、堆放整齐.施工,否则应米取隔岗防护,产猱向下乱抛乱去材itIfrrH8 .中途停京下班前要采取临时加固措施,不得留有松动扣件、杆件。9 .遇下雨(雪)、大风天气后,上岗前应进行检查、清理后,方可上去作业,10 .拆除时必须由上而卜却层四周贯通拆除,严禁以立面或踏步式进行拆除.I1.拆除时不得将连墙杆全部拆除,并采取幅时环固措施(如抛措)。12 .拆下材料应及时清理,并分类堆放整齐。类别(名称危险源控制措施责任人(二)梯板I程1 .作业面孔涧及临边作业、处作业,在无防护设施情况下,未系安全带.2 .未按专项方案进行施工3 .未设置警戒区域.无当人监护.4 .制、拆模间隙停总,卜班时未采取临时加固措施,留有松动模板、杆件05 .不宜周空作业人员,进行局空作业.6 .脚手架上堆放大批恢板.7 .拆模前,混凝土强度未达到设计要求.8 .拆除时将顶掉一次拆除,由卓作业,9 .拆校不M底,留有悬空模板,仃朝火灯.I作业人员无可靠立足点,在同一垂出面上工作。1采用50X100木料、钢模作立人板、顶掠.I拆下模板未及时清理、归类堆放.1.作业面孔洞及临边作业、而处作业,在无防护设施时,必须系好安全带,作JP>.I-.应设立人技支设3米以上柱模,四周设斜推并设操作平台。2,模板制拆必须按专项方案进行施工。3 .必须设置警戒区域.并澈专人监护。4,制、拆模间隙停息,下班时要采取时加固措施.不得留有松动模板、杆件。5 .不宜高空作业人员,不得进行高空作业。6 .脚手架上严禁堆放大批模板7 .拆模前,混凝土强度必须达到设计要求,并经审批,8 .拆除时应分批拆除,严禁违章作业。拆模要彻底,不得褶有总以空模板,及时消除朝天打。IO.作业人员有可指立足点,不得在阿一垂直而上工作。严禁采用50X100木料、钢模作立人板、顶掾.12.拆卜模板必须及时清理、归类堆放。类别(名称危险源控制措施责任人(三)动火过程1 .动火前未羟审批,遇节钱动火未升级动火,无专人护。2 .作%人员无证上岗,违章业“3 动火时未配备足修灭火器材,周固有易燃物。4 .刨花'木周等易燃物未及清理.5 .宿舍内使用电炉、电加热。6 .电煤机未配法专用降压进出线无防护罩,完工后切断电源.7 .电焊的火花与气瓶距离太近,无防护措施。&焊工清除焊渣时,面部对焊纹,焊渣溅入眼内。9.乱拉电线,电源线未采取护措施,1 .动火前必缭由施工负费人审批,遇节假11动火升级动火,报公司主管门,动火时派专人监护.2 .作业人员持证上岗,严违章作业。3 .动火时要配备足野灭火器材,周围无易燃物.4 .创花、木屑等易燃物必及时清理.5 .宿舍内严禁使用电炉、加热.6 .电焊机需配备当用降乐箱,进出线配备防护军,完工后要切断电源。7 .电焊的火花与气瓶距离IO米以上,并设置防护措施.8 焊工清除焊渣时,面部不得对准焊纹.防止饵渣溅入眼内.9 .产禁乱拉电线.电源线须采取保护措施。(架空或穿管保护).安2-10类别(名称)危险源控制措施责任人七井架搭拆z(xI.搭拆人员无证上岗,搭拆时不戴好劳防用品,穿硬底鞋。2 .派经医生认为不宜高空作业人员上去搭拆,酒后作业。3 .搭拆时未设置警戒区域,无专人监护,4 .A设时米用不合格材料进行搭设,5 .搭拆时垂由运输杆件与周用电视、机具等碰撞时,无保护措施,一芦的吊钩、链条、轮轴传动不灵活,强行拉动.6 .上面搭拆人员无可靠立足点,向卜乱推乱丢材料、±具。7 .未严格按苑工方案娈求进行搭拆,违章作业.8 .中途停歌或下班前未米取临时加固措施,留有松动螺丝、杆件等。9 .井架缆风绳、夹头、附墙等未按要求设S1.I遇卜雨(齿)、大风天气后上汽前未进行检点、清理,1拆除时将井架平拉、斜撑、畿风蝇随意拆除,未采取临时加固措施.I拆下材料未及时清理、堆放整齐.I,搭拆人员必须持证上闵,上一前穿戴好劳防用品,特别是安全带,2 .严禁酒后上去搭拆,身体不宜者不得高空作业.3 .搭拆时要设四警戒区域,严禁他人随意进入.派专人监护。4 .搭设时系用合格材料进行搭设,搭设前进行验收把关5 .搭拆时乖在运输杆件当心与周因电线、机具等磋撞,要米取隔离保护措斯,保证起用初芦灵活可旅.6 .上面搭拆人员必须行可立足点,牢固可靠,产禁向卜乱抛乱丢材料、I具.7 .严格按族工方案要求进行搭拆,严禁违章作业,野苗族工。8 .中途停歇或卜.班前要米取临时加固措施,不得留有松动螺统、杆件等,9,井架缢风绳、夹头、附墙等必须按要求设置,不得漏设.10.遇卜雨(雪)、大风天气后上岗上应进行检忙消理后方可上去作业,.拆除时,井架平撑、斜探、缆风翎严禁随意拆除,并采取临时加固描能.12.拆下材料应及时清理,分类堆放整齐、保养完好,类别(名称)危险源控制措施责任人(五)临边工程防护1 .掂坑、料台、平台周边,未设置防护栏杆或设置的不合格。2 .防护材料不合格及不牢固.3 .无防护设施情况下不使用安全带。4 .防护设施搭拆过程中无专人监护,上下同时操作。5 .颇意拆除、搬动防护设施.6 .未设龙安全警示标志.7 .未严格按专项技术措施成定进行搭设,1 .对施工现场出现基坑、料台、平台周边,要及时设置防护栏杆(二道,高度米2,2 .防护材疝融合格且牢固可集,地角必须焊牢,3 .无防护3施情况下必筑使用安全带.4 .防护设施搭拆过程中派专人监护,严禁上下同时操作。5 .不得随意拆除、振动防护设施。6 .防护部位必须设置安全警示标志。7 .必须严格按专项技术指施规定进行搭班.危1.源控制清电类别(名称)危险源控制措施责任人(四)施工机具1 .机械老化,安全防护装设不全。2 .电源线老化,绝缘性差。3 .带病作业,缺少保养。4 .临工人员随意使用,无证上冈.5 .未做到三缎配电、两级保护。6 .机械无接地,使用倒顺开关.1 .施工机具在使用前必须经过验收,胎收合格后方可使用。2 .机具设得性能良好.安全装设齐全,严禁带病运转.3 .族工前对机具设备进行绝缘测试.4 .定人、定机、定时保养.5 .严格按“一机、一闸、一漏、-ffi,6 .开机人员持证上岗,他人不得随JS操作。7 .机械接地良好,使用点动开关。

    注意事项

    本文(危险源控制措施清单.docx)为本站会员(p**)主动上传,第壹文秘仅提供信息存储空间,仅对用户上传内容的表现方式做保护处理,对上载内容本身不做任何修改或编辑。 若此文所含内容侵犯了您的版权或隐私,请立即通知第壹文秘(点击联系客服),我们立即给予删除!

    温馨提示:如果因为网速或其他原因下载失败请重新下载,重复下载不扣分。




    关于我们 - 网站声明 - 网站地图 - 资源地图 - 友情链接 - 网站客服 - 联系我们

    copyright@ 2008-2023 1wenmi网站版权所有

    经营许可证编号:宁ICP备2022001189号-1

    本站为文档C2C交易模式,即用户上传的文档直接被用户下载,本站只是中间服务平台,本站所有文档下载所得的收益归上传人(含作者)所有。第壹文秘仅提供信息存储空间,仅对用户上传内容的表现方式做保护处理,对上载内容本身不做任何修改或编辑。若文档所含内容侵犯了您的版权或隐私,请立即通知第壹文秘网,我们立即给予删除!

    收起
    展开