欢迎来到第壹文秘! | 帮助中心 分享价值,成长自我!
第壹文秘
全部分类
  • 幼儿/小学教育>
  • 中学教育>
  • 高等教育>
  • 研究生考试>
  • 外语学习>
  • 资格/认证考试>
  • 论文>
  • IT计算机>
  • 法律/法学>
  • 建筑/环境>
  • 通信/电子>
  • 医学/心理学>
  • ImageVerifierCode 换一换
    首页 第壹文秘 > 资源分类 > DOCX文档下载
    分享到微信 分享到微博 分享到QQ空间

    储罐焊接工艺卡...docx

    • 资源ID:1210713       资源大小:53.89KB        全文页数:10页
    • 资源格式: DOCX        下载积分:5金币
    快捷下载 游客一键下载
    账号登录下载
    三方登录下载: 微信开放平台登录 QQ登录
    下载资源需要5金币
    邮箱/手机:
    温馨提示:
    快捷下载时,如果您不填写信息,系统将为您自动创建临时账号,适用于临时下载。
    如果您填写信息,用户名和密码都是您填写的【邮箱或者手机号】(系统自动生成),方便查询和重复下载。
    如填写123,账号就是123,密码也是123。
    支付方式: 支付宝    微信支付   
    验证码:   换一换

    加入VIP,免费下载
     
    账号:
    密码:
    验证码:   换一换
      忘记密码?
        
    友情提示
    2、PDF文件下载后,可能会被浏览器默认打开,此种情况可以点击浏览器菜单,保存网页到桌面,就可以正常下载了。
    3、本站不支持迅雷下载,请使用电脑自带的IE浏览器,或者360浏览器、谷歌浏览器下载即可。
    4、本站资源下载后的文档和图纸-无水印,预览文档经过压缩,下载后原文更清晰。
    5、试题试卷类文档,如果标题没有明确说明有答案则都视为没有答案,请知晓。

    储罐焊接工艺卡...docx

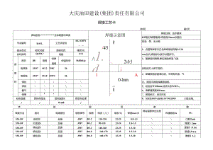
    大庆油田建设(集团)责任有限公司焊接工艺卡共9页第1页焊域名称:*生体殿壁环焊境焊缝示意图焊接过程、技术要求K焊前仔细清理城U两侧各20mm愆围内节点编号H-O1.工艺评定号SK-XDPX8的油、愕、水分等.1.,1I/45/1.dt/2±0.5接头型式板状对接焊接位罚.横岸2G2、点固饵焊条以正衣焊焊条相同每15-20材料牌号Q235C/规格=8mm左右,焊接依次按节点图所示。焊接材名称牌/规格烘烤温度保温时间SkfihKg)3、留意层间清理,婢后消除焊渣.飞波.电焊条J5O73.2350CIh、i自检后打上焊工铜印。电焊条J5O74.05501CIh18AO-Imm4、焊缱表面应园滑过渡,不得有夹渣,气焊丝孔,背面不得有焊痛等缺陷.焊剂5、咬边应WOBmm,且总长应WI0%。翻气6、谏娜健高度8IOmm.铐棒ItY一7、焊接依次:由左向右较热温度预热保温法层间淑股C焊后热处理8、X探伤100%按JB,T473022005川级合格,/W200/W按规范参数饵接方法层次电源极性煌利牌号规格电流(八)电乐(V)焊速mn(S焊命留棒伸出长度环婕提前Ja19«SMAW定位炸反接J50732110-13022-250.8-1.5(?度22n0SMAW打底层I反接J5073.290-11022-241.0-1.5厚度2mnSMAW填充层2反接J5073.2140-16022-251.5-10厚度311mSMAW填充层3反接J5074.0160-17022-251.5-2.0限度3311nSMAW填充层4反接J5074.0160-17022-251.5-20厚度3三SMAw填充层5反接J5074.016017022-251.5-2.0M度N2mn大庆油田建设(集团)责任有限公司焊接工艺卡共9页第2页烁缱名称:“*«*«”>*主体拚壁环锦缱焊缝示意图焊接过程、技术要求1、焊前仔细满理坡口两侧各20mm范围内节点编号H-02工艺评定号SK-XDPXM-OOI8的油、锈、水分等。45/7y/y/2±0.5接头型式板状对接焊接位同横焊2G2.点固焊焊条正式焊焊条相同每15-20材料牌号Q235C猊格=8/10mm左右.焊接依次按节点图所示.年接材料名称邢;规格烘烤温度保温时间Iftfit(Kg)3、用总层间治理,燥后消除即渣,飞溅.电焊条A073.2350七Ih自检后打上饵工钢印.电地条J5074.035O,CIh4.理逊表面应园沼过渡,不得行夹滋,气,/J10V0Inim焊统孔,背向不得有焊病等缺陷.焊剂5.咬边应W0.5mm.且总长向总10%.翻气6.该烁舞高度10-12mm.铐棒7、焯接依次r由左向右预热温度预热保湿法层间湿度C焊后热处理8、X探伤100%按JB.T4730.2-2005H檄合格、f/200焊接规范参教焊接方法层次电源极性焊材牌号规格电流()电压(V)焊速mn,S煤丝/钙棒伸出长度环侬提前及厚度SMAW定位焊反接J5O7寺3.211013022-250.8-1.5X厚度32必SMAW打底层I反接J5O73.29011022-241.0-1.5X螟度2tunSMAW填充层2反接J5O73.2140-16()22-251.5-2.0厚度SMnnISMAW填充层3反接J5O74.0160-17022-251.5-2.0厚度S=3mSMAW填充层4反接J5O74.0160-17022-251.5-2.0厚度23mSMAW埴充层5反接J5O74.016017022-251.5-2.0厚度N3m大庆油田建设(集团)责任有限公司焊接工艺卡共9页第3页烁健名称:海水淡化系统水箱主体济壁立焊缝焊缝示意图焊接过程、技术要求1、焊前仔细满理坡口两侧各20mm范围内节点编号H-03工艺评定号SK-XDPXM-OOI60±5°的油、锈、水分等。接头型式板状对接焊接位置立焊3G、2.点固焊焊条与正式焊焊条相同每25-30材料牌号Q235C猊格6=81.丁、mm左右.焊接依次按节点图所示.年名称邢;规格烦痔温度保温时间Iftfit(Kg)1.W1.,8,1.3、用总层间治理,燥后消除焊渣,飞溅.电焊条A073.2350tIh!1f自检后打上饵工钢印.接2-3-11_0-51imT电地条J5073.235OCIh4.理逊表面应园滑过渡,不得行夹滋,气材焊统孔,背面不褥有焊病等缺陷.焊剂5.咬边应W0.5mm.且总长向10%.翻气6.该烁舞高度8Iomm.铐棒7、焊接依次,山下向上预热温度预热保湿法层间湿度C焊后热处理8、X探伤100%按JB.T4730.2-2005H檄合格、/£200/焊接视他参数焊接方法层次电源极性焊材睥号姬格电流(八)电巾(V)焊速mw'S焊绚日柞伸出长度环筵提前a厚度SMAW定位停反接J5O73211013022-250.8-1.2厚度二211nSMAW打底层I反接J5O73.290-11022-241.27.5厚度N3rnnSMAW填充层2反接J5O703.215016022-252.O-2.5X厚-3wnSMAW埴充层3反接J5O7X215016022-252.025厚度妾4tm大庆油田建设(集团)责任有限公司焊接工艺卡共9页第4页辉健名称:海水淡化系统水箱主体部壁立焊缝焊缝示意图60±5°/、焊接过程、技术要求1、焊前仔细满理坡口两侧各20mm范围内节点编号H-04工艺评定号SK-XDPXM-OOI的油、锈、水分等。接头型式板状对接焊接位同立焊3G2.点固焊焊条勺正式焊焊条相同每25-30材料牌号Q235C猊格=10mm左右.焊接依次按节点图所示.年接材料名称邢;规格烘烤温度保温时间Iftfit(Kg)3、用总层间治理,燥后消除即渣,飞溅.电焊条J4223.25orIh一14-,自检后打上饵工钢印.电地条1.02.5mmA0.8-1.511n14.理逊表面应园沼过渡,不得行夹滋,气焊统孔,背向不得有焊病等缺陷.焊剂5.咬边应W0.5mm.且总长向总10%.翻气6.该烁舞高度10-12mm.铐棒7、焯接依次,由下向上预热温度预热保湿法层间湿度C焊后热处理8、X探伤100%按JB.T4730.2-2005H檄合格、/200/焊接视他参数焊接方法层次电源极性焊材牌号姬格电流(八)电巾(V)焊速mw'S蜉由鸨柞伸出长度环筵提前a厚度SMAW定位焊反接J4223211013022-250.8-1.2厚度二211nSMAW打底层I反接J4223.290-11022-241.27.5厚度N3rnnSMAW填充层2反接J42203.215017022-252.O-2.5X厚度SMAW埴充层3反接J422X2150-17022-252.025厚度妾4tm大庆油田建设(集团)责任有限公司焊接工艺卡共9页第5页焊健名称:海水淡化系统主体顶板搭接角m焊缝示意图焊接过程、技术要求1、焊前仔细满理坡口两侧各20mm范围内节点编号H-05工艺评定号SK-XDPXM-OOI影Ji的油、锈、水分等。接头型式板状对接焊接位置横焊2F2.点固焊焊条与正式焊焊条相同每30-35材料牌号Q235C城格6=8mm左右.焊接依次按节点图所示.年接材料名称邢;规格烘将温度保温时间Iftfit(Kg)5-6mn.、OOI3、用总层间治理,燥后消除焊渣,飞溅.电焊条J422小105orIhA,自检后打上饵工钢印.电地条4.理逊表面应园滑过渡,不得行夹滋,气焊统孔,背面不褥有焊病等缺陷.焊剂5.咬边应W0.5mm.且总长向10%.翻气6.该焊舞高度6-8mm.铐棒

    注意事项

    本文(储罐焊接工艺卡...docx)为本站会员(p**)主动上传,第壹文秘仅提供信息存储空间,仅对用户上传内容的表现方式做保护处理,对上载内容本身不做任何修改或编辑。 若此文所含内容侵犯了您的版权或隐私,请立即通知第壹文秘(点击联系客服),我们立即给予删除!

    温馨提示:如果因为网速或其他原因下载失败请重新下载,重复下载不扣分。




    关于我们 - 网站声明 - 网站地图 - 资源地图 - 友情链接 - 网站客服 - 联系我们

    copyright@ 2008-2023 1wenmi网站版权所有

    经营许可证编号:宁ICP备2022001189号-1

    本站为文档C2C交易模式,即用户上传的文档直接被用户下载,本站只是中间服务平台,本站所有文档下载所得的收益归上传人(含作者)所有。第壹文秘仅提供信息存储空间,仅对用户上传内容的表现方式做保护处理,对上载内容本身不做任何修改或编辑。若文档所含内容侵犯了您的版权或隐私,请立即通知第壹文秘网,我们立即给予删除!

    收起
    展开