欢迎来到第壹文秘! | 帮助中心 分享价值,成长自我!
第壹文秘
全部分类
  • 幼儿/小学教育>
  • 中学教育>
  • 高等教育>
  • 研究生考试>
  • 外语学习>
  • 资格/认证考试>
  • 论文>
  • IT计算机>
  • 法律/法学>
  • 建筑/环境>
  • 通信/电子>
  • 医学/心理学>
  • ImageVerifierCode 换一换
    首页 第壹文秘 > 资源分类 > DOCX文档下载
    分享到微信 分享到微博 分享到QQ空间

    产品外观检验标准 设计模板.docx

    • 资源ID:1207553       资源大小:40.89KB        全文页数:3页
    • 资源格式: DOCX        下载积分:5金币
    快捷下载 游客一键下载
    账号登录下载
    三方登录下载: 微信开放平台登录 QQ登录
    下载资源需要5金币
    邮箱/手机:
    温馨提示:
    快捷下载时,如果您不填写信息,系统将为您自动创建临时账号,适用于临时下载。
    如果您填写信息,用户名和密码都是您填写的【邮箱或者手机号】(系统自动生成),方便查询和重复下载。
    如填写123,账号就是123,密码也是123。
    支付方式: 支付宝    微信支付   
    验证码:   换一换

    加入VIP,免费下载
     
    账号:
    密码:
    验证码:   换一换
      忘记密码?
        
    友情提示
    2、PDF文件下载后,可能会被浏览器默认打开,此种情况可以点击浏览器菜单,保存网页到桌面,就可以正常下载了。
    3、本站不支持迅雷下载,请使用电脑自带的IE浏览器,或者360浏览器、谷歌浏览器下载即可。
    4、本站资源下载后的文档和图纸-无水印,预览文档经过压缩,下载后原文更清晰。
    5、试题试卷类文档,如果标题没有明确说明有答案则都视为没有答案,请知晓。

    产品外观检验标准 设计模板.docx

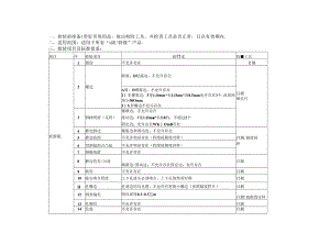
    一、检验前准备I带好劳保用品,取出检险工具,并检查工具是否正常,且在有效期内.二、适用范围:适用于所有“A级/特级”产品.三、检验项目及标准要求:项目序检险项目检I1求检工具表面顺,1裂纹不允许存在目测2爆边特级:D松露边:不允许存在目测钢且尺A级:D裸露边:不允许存在2)非裸第边:3宽1.Omm*长1.Omn*深0.5mm允许存在3个.此间距须50Omm3)Y形爆边不允许存在3倒13残留(克班)裸歌边:不允许存在滑动边:W宽1.Om*长5.0的,不超过2个固定边:允许总长WK)OmB存在4磨边斜边裸眼边和滑动边:不允许存在目测/限度封样5磨边波浪不允许明显存在(程度按限度对样)6切割起始点凸起不允许明显存在(程度按限度封样)7倒极残留不允许存在8磨边色差/污迹微露边/滑动边:不允许存在固定边:允许存在目测9缺用不允许存在目测10接头吻合程度上下孔接头必须吻合,上下孔倒角须对称目测H孔爆边孔周边均匀光滑,不允许有密集小爆边(参照限度样片)目测12倒角偏差倒向深度0.30.5三m目测!按限度讨样13孔裂纹不允许存在目测14发毒不允许存在目测三、检验项目及后h准要求:(铁)项目序检Ift项目检收要求检窝工具表面质,15原片气泡特级:dO.5三m,不允许密集存在(变形程度按时样)目测块陷比对样片钢直尺A级:d0.8mn.不允许密集存在(变形程度按封样)16原片疵点特级:d0.5三n,不允许密集存在A级:dW0.8m,不允许密集存在17玻璃碎特级:dW0.3mn(限形态呈阴形颗粒状),允许I个A级:dW0.5m(限形态呈BI形颗粒状,允许1个18色斑特级:d0.3m11.不允许密集存在A级:dW0.5wn,不允许密集存在19原片锡点特级:d0.3rnn,不允许密集存在A级:d0.5mn,不允许密集存在20原片结石不允许存在21型划伤(用手指甲容易察觉到的划伤)特级:不允许存在A级:中央区:不允许存在周边区IW宽0,2mm*K5a,允许3个,且缺陷间隔须大于300am22轻划伤(用手指甲察觉不到的划伤)特级:在规定检验条件下.任意方向不可见A级:中央区:不允许存在周边区:E宽0.2mn*长20rm,且块陷间隔须大干30Omn23线道不允许存在24表面污迹表面干净、无水迹、粉尘25烘干程度干燥、无水溃四、检顺序I周边质量(左滑动边一棵露边一右滑动边一固定边)一怙孔质量一表血质量.五、产品质量等SK划分、外观中央区、周边区分区、主要缺陷定义弁照,EYWD/QA-HI->025.六、缺陷弁照缺陷类型参照缺陷样板):七、注意*项:1 .同产品、同位置、同缺陷连续出现三片,须停止生产,并立即通知当班班氏或主任。2 .外观检验条件:光线垂直照射玻璃表面,光照度21OOO1.X,距玻璃表面300E处用肉眼垂直观察,检视持续时间1015秒3 .除上述各缺陷的间距有具体规定外,其它任何类型缺陷之间的距离不允许密集存在。4 .任何类型缺陷之间的距高不允许密集存在。(密集的定义:指任何类型缺陷的间距小于200nn),客户有更高(或特殊)要求时,按客户要求,具体按产品专用检验标准.

    注意事项

    本文(产品外观检验标准 设计模板.docx)为本站会员(p**)主动上传,第壹文秘仅提供信息存储空间,仅对用户上传内容的表现方式做保护处理,对上载内容本身不做任何修改或编辑。 若此文所含内容侵犯了您的版权或隐私,请立即通知第壹文秘(点击联系客服),我们立即给予删除!

    温馨提示:如果因为网速或其他原因下载失败请重新下载,重复下载不扣分。




    关于我们 - 网站声明 - 网站地图 - 资源地图 - 友情链接 - 网站客服 - 联系我们

    copyright@ 2008-2023 1wenmi网站版权所有

    经营许可证编号:宁ICP备2022001189号-1

    本站为文档C2C交易模式,即用户上传的文档直接被用户下载,本站只是中间服务平台,本站所有文档下载所得的收益归上传人(含作者)所有。第壹文秘仅提供信息存储空间,仅对用户上传内容的表现方式做保护处理,对上载内容本身不做任何修改或编辑。若文档所含内容侵犯了您的版权或隐私,请立即通知第壹文秘网,我们立即给予删除!

    收起
    展开