欢迎来到第壹文秘! | 帮助中心 分享价值,成长自我!
第壹文秘
全部分类
  • 幼儿/小学教育>
  • 中学教育>
  • 高等教育>
  • 研究生考试>
  • 外语学习>
  • 资格/认证考试>
  • 论文>
  • IT计算机>
  • 法律/法学>
  • 建筑/环境>
  • 通信/电子>
  • 医学/心理学>
  • ImageVerifierCode 换一换
    首页 第壹文秘 > 资源分类 > DOCX文档下载
    分享到微信 分享到微博 分享到QQ空间

    伺服驱动器外部接线及详细说明.docx

    • 资源ID:1200446       资源大小:116.91KB        全文页数:17页
    • 资源格式: DOCX        下载积分:5金币
    快捷下载 游客一键下载
    账号登录下载
    三方登录下载: 微信开放平台登录 QQ登录
    下载资源需要5金币
    邮箱/手机:
    温馨提示:
    快捷下载时,如果您不填写信息,系统将为您自动创建临时账号,适用于临时下载。
    如果您填写信息,用户名和密码都是您填写的【邮箱或者手机号】(系统自动生成),方便查询和重复下载。
    如填写123,账号就是123,密码也是123。
    支付方式: 支付宝    微信支付   
    验证码:   换一换

    加入VIP,免费下载
     
    账号:
    密码:
    验证码:   换一换
      忘记密码?
        
    友情提示
    2、PDF文件下载后,可能会被浏览器默认打开,此种情况可以点击浏览器菜单,保存网页到桌面,就可以正常下载了。
    3、本站不支持迅雷下载,请使用电脑自带的IE浏览器,或者360浏览器、谷歌浏览器下载即可。
    4、本站资源下载后的文档和图纸-无水印,预览文档经过压缩,下载后原文更清晰。
    5、试题试卷类文档,如果标题没有明确说明有答案则都视为没有答案,请知晓。

    伺服驱动器外部接线及详细说明.docx

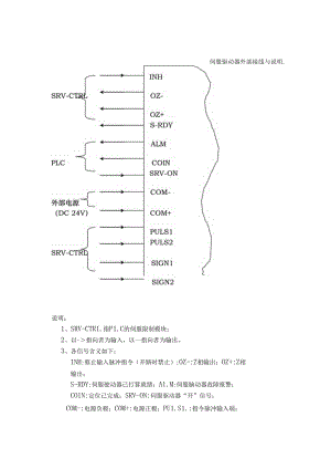
    伺服驱动器外部接线与说明.说明:1、SRV-CTR1.指P1.C的伺服限制模块;2、以-指向者为输入,以一指向者为输出。3、各信号含义如下:INH:蔡止输入脉冲指令(开路时禁止);OZ-:Z相输出;OZ+:Z相输出;S-RDY:伺服驶动器已打算就绪;A1.M:伺服脑动器故障报警;COIN:定位已完成;SRV-ON:伺服驱动器“开”信号;COM-:电源负极;COM+:电源正极;PU1.S1.:指令脉冲输入端;PU1.S2:指令脉冲输入端;SIGN1.:指令脉冲符号输入端;SIGN2:指令脉冲符号输入端;二、参数说明:1、参数设置方法。操作面板上共有5个按键,意义如下:MoDE:模式转换键,按此健可在4个模式间切换,这4个模式;是:DP-X×××:选择监视项目(共有7个,在按MODE犍显示DP-XXXX后先按SET,再按t或I选择)、DP-EPS:位置偏差;、DP-SPD:转速;、DP-TRQ:转矩;、DP-CNT:限制方式;、DP-IO:输入输出信号状态;、DP-ERR:错误信息;、DP_NO:PR-××××:设定参数,EE-XXXX:写入参数。AT-XXXX:自动增益调整.SET:为设定与确认钺Ct:数值增加或移动到卜.一个选项;I:数值削减或移动到上一个选项;数位间移动;具体设置步骤详见有关DriVer的补充信息2、参数含义(InDriver)参数号含义相关限制方式设定范围出厂设定新Driver对应参数OO轴名09000O1.1.ED初始显示的信息0-20O1.02(#)限制方式设定0510203速度环增益253500*1104速度环PID限制的积分时间常数T.S.P1.-1000(ms)*1205速度检测噪声过滤器0-441306转矩输出允许超限范圉0400(%)*5E07转矩限制信号(模拟盘输入信号)无效S.P0/110308速度/位置偏差值与输出模拟电压对应关系03O0709CW、CCW禁止驱动信号(输入)无效0/1104OACW、CCW禁止驱动时DB不动作0-3OOB反馈脉冲(输出)分频分子1-10000179OC反馈脉冲(输出)分频分母H1.OOOO17AOD反馈脉冲(输出)B相脉冲与Z相脉冲、A03O45相脉冲的关系10加减速时间S0-5000058/5912到达速度T.S0-10000(r/min)10006213速度指令(输入)增益T.S1026002255014速度指令(输入)逻辑取反T.S0/105115速度指令(输入)零漂调整T.S-127-12705216速度设定内外转换T.S0/100517零速箝位无效T.S0/110618速度设定笫一速T.S-7000-7000053IA转矩设定信号(输入)增益T2525002505CIB转矩指令(输入)逻辑取反T0/105DIC转矩指令(输入)零漂调整T-127-1270ID转矩指令过滤器器时间常数0-2500020位置环增益P101000(1.s*10)21速度前惯P0100(%)O1522定位完成信号确定范围P032766(脉冲)106023位置偏差过大范围P0-3276630006324位置偏差过大设定无效P0/1O6425指令脉冲(输入)分倍频分子P1-10000100OO4626指令脉冲(输入)分倍频分琲P1-10000100OO4B27指令脉冲(输入)倍频倍率P1444028指令脉冲逻辑取反P0-3O4129指令脉冲(输入)方式P0-31422B前馈滤波器时间常数P0-6400O1630伺服电机极数这些参数是与电机与Driver干脆相关的,一般不允许变更。31脉冲编码器设定32J/T比33电流PID限制比例增益34电流PID限制积分增益35过速度范围36最大输出转矩设定37过我时间设定38过载范围设定说明:1、参数号码后加"#"者为须要更改的,如02号参数实际应用中应设为0;2、限制方式含义T:转短限制S:速度限制P:位置限制3、出厂设定为“者为出厂时未设置,需依据实际自行设置;4、其余参数可运用出厂设置;5、最终一栏为新DriVer与之对应的参数(有些没有);6、更具体的说明参见DriVer手册(11)或参考DriVer手册(新)中对应的参数;7、以下表格为DriVer实际参数设置表,参数号V-AXISZ-AXISy-AXISX-AXISY-AXISX-AXISOO000000011111110200000003500350350400200200044107710100504000006400300300300300300071111110800000009111111OA000000OB100001000010000100001000010000OC100001000010000100001000010000OD000000OF1638416384163841638416384163841000000012100010001000100010001000132252252252252252251400000015000000160000001711111118000000IA25025025025()250250IB000000IC000000ID000000IF1689816898168981689816898168982030020030030020020021000000221010101010102330000300003000030000300003000024000000251000010000100001000010000100002610000100001000010000500010000274444442800000029111111设置Driver参数表参数号Z-Axis参数号Z-AxisOO1442500011450020461000003147100000414810000()5049100000604A00734B100000804C10904D0OA150500OB1510OC2520OD253010505401110055012505601345730014505801505901605A018505C30191005D0IA505E300IB46010IC506150ID1500621000IE2631875IF864020100651210660222670231006803006903106A03206B03306C03407010新Driver参数设置表三、故障代码含义与相应处理伺服驱动器具有较强的爱护与自诊断功前,当驱动器本身或与之相连的伺服电机、脉冲编码器发生故障时,它会给出一个故障代码指出相关的故障种类与处理方法,详见下表:(InDriVer)代码爱护机能缘由相关处理12过电乐电机刹车时因为再生发电制动向使斩波网路也乐过高。1、将加减速时间加长;2、更换合适的制动电阻;3、更换驱动器。13欠电压1、瞬时停电;2、电源容量不足;3、电源电压不足;1、加大电源容量;2、提高电源电压O14过电流由于以下缘由导致逆变部分电流过大:K输出短路;2、输出接地;3、逆变元件损坏;k电机帧间短路;5、电机与Driver不匹配;1、检查线路;2、检查电机;3、更换Drivero16过载当输出电流超过额定电流时,其所持续的时间超过驱动器的反时限爱护时间。(*)1、将加减速时间加长;2、调整负荷;3、更换Driver使之与电机匹配。22脉冲编码器异样1、编码器坏;2、连线坏。I、更换编码器;2、检查接线。24位置偏差过大位置偏差数(脉冲)大于23号参数所设定的值。1、检查电机设定位移与实际位移是否有误差;2、检查电机输出转矩是否饱和;3、检查各增益的设定值。4、将转矩限制(06号参数值)设到最大;5、检查加减速时间、负荷与电机运行速度。29偏差计数器溢

    注意事项

    本文(伺服驱动器外部接线及详细说明.docx)为本站会员(p**)主动上传,第壹文秘仅提供信息存储空间,仅对用户上传内容的表现方式做保护处理,对上载内容本身不做任何修改或编辑。 若此文所含内容侵犯了您的版权或隐私,请立即通知第壹文秘(点击联系客服),我们立即给予删除!

    温馨提示:如果因为网速或其他原因下载失败请重新下载,重复下载不扣分。




    关于我们 - 网站声明 - 网站地图 - 资源地图 - 友情链接 - 网站客服 - 联系我们

    copyright@ 2008-2023 1wenmi网站版权所有

    经营许可证编号:宁ICP备2022001189号-1

    本站为文档C2C交易模式,即用户上传的文档直接被用户下载,本站只是中间服务平台,本站所有文档下载所得的收益归上传人(含作者)所有。第壹文秘仅提供信息存储空间,仅对用户上传内容的表现方式做保护处理,对上载内容本身不做任何修改或编辑。若文档所含内容侵犯了您的版权或隐私,请立即通知第壹文秘网,我们立即给予删除!

    收起
    展开