欢迎来到第壹文秘! | 帮助中心 分享价值,成长自我!
第壹文秘
全部分类
  • 幼儿/小学教育>
  • 中学教育>
  • 高等教育>
  • 研究生考试>
  • 外语学习>
  • 资格/认证考试>
  • 论文>
  • IT计算机>
  • 法律/法学>
  • 建筑/环境>
  • 通信/电子>
  • 医学/心理学>
  • ImageVerifierCode 换一换
    首页 第壹文秘 > 资源分类 > DOCX文档下载
    分享到微信 分享到微博 分享到QQ空间

    给水排水工程施工质量监理实施细则.docx

    • 资源ID:1184974       资源大小:26.98KB        全文页数:11页
    • 资源格式: DOCX        下载积分:5金币
    快捷下载 游客一键下载
    账号登录下载
    三方登录下载: 微信开放平台登录 QQ登录
    下载资源需要5金币
    邮箱/手机:
    温馨提示:
    快捷下载时,如果您不填写信息,系统将为您自动创建临时账号,适用于临时下载。
    如果您填写信息,用户名和密码都是您填写的【邮箱或者手机号】(系统自动生成),方便查询和重复下载。
    如填写123,账号就是123,密码也是123。
    支付方式: 支付宝    微信支付   
    验证码:   换一换

    加入VIP,免费下载
     
    账号:
    密码:
    验证码:   换一换
      忘记密码?
        
    友情提示
    2、PDF文件下载后,可能会被浏览器默认打开,此种情况可以点击浏览器菜单,保存网页到桌面,就可以正常下载了。
    3、本站不支持迅雷下载,请使用电脑自带的IE浏览器,或者360浏览器、谷歌浏览器下载即可。
    4、本站资源下载后的文档和图纸-无水印,预览文档经过压缩,下载后原文更清晰。
    5、试题试卷类文档,如果标题没有明确说明有答案则都视为没有答案,请知晓。

    给水排水工程施工质量监理实施细则.docx

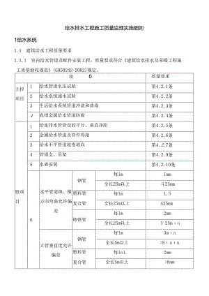
    给水排水工程施工质量监理实施细则1给水系统1.1 建筑给水工程质量要求1.1.1 室内给水管道及配件安装工程,质量要求符合建筑给水排水及采暖工程施工质量验收规范(GB50242-2002)规定。项0质量要求主控项目1给水管道水压试验第4.2.1条2给水系统通水试验第4.2.2条3生活给水系统管道冲洗和清毒第4.2.3条4直埋金属给水管道防腐第4.2.4条股项目1给水排水管管设的平行、垂直净距第4.2.5条2金属给水管道及管件焊接第4.2.6条3给水不平管道坡度坡向第4.2.7条4管道支、吊架第4.2.9条5水表安装第4.2.10条6水平管道纵、横方向弯曲允许偏差钢管每ImImm全长25m以上斗25mm塑料管复合管每Im1.5全长25m以上A25mm铸铁管每Im2mm全长25m以上25mn立管垂直度允许偏差钢管每Im3mn全长5m以上>8nn塑料管复合管每In1.2mm全长5m以上>8mm铸铁管每Im3mm全长5m以上>10mm7成排管段和成排阀门在同一平面上的问距3mm1.1.2室内给水管道附件及TI生间器具给水配件安装工程,质量要求符合建筑给水排水及采暖工程施工质量验收规范(GB50242-2002)规定。项目质量要求主控项01排水枪与地漏安装第7.2.1条2卫生器具满水试验和通水试验第7.2.2条3卫生器具给水配件第7.2.3条般项目1卫生器具安装允许偏差坐标单独器具IOnm成排器具5nn标高单独器具±15mm成排器具±IOmm器具水平度2mm器具垂直度3mm2给水配件安装允许偏差高、低水箱角阀及截止阀、水嘴±10mm淋浴器喷头下沿±15mm浴盆软管淋浴器挂钩±2Omni3浴盆检修门、小便槽冲洗客安装第7.2.4条、第7.2.5条4卫生器具的支、托架第7.2.6条5浴盆淋浴器挂钩高度距地第7.3.3条1.8m1.2建筑给水工程监理预控内容1.2.1审核设计图纸,组织施工图纸的设计交底会。审核和熟悉施工图纸,/解工程特点和工程质量的要求。将设计图纸中影响施工进行、图纸差错和工程质量等问题汇总记录形成文件。井及时组织设计交底会议,做好设计变更和工程洽商等图纸预控审核工作。1.2.2审核承包单位提交监理的施工方案及技术交底。承包单位编写的施工方案必须经监理工程师审核批准后方可进行施工。施工方案一经批准,施工单位必须认真执行,不得擅自改动。必要时进行样板试验引路。1.2.3对分包单位的资质,施工管理人员、技术人员的资格,特殊技术工种的上岗证要进行审核。1.1.4 安装开始之前,应对土建工程的基面进行验收,对基面的外形尺寸、标高、坐标、坡度以及预留洞和预埋件要对照图纸进行核验。1.1.5 工程上使用的各种材料、配件及设备应经过监理工程师的认可。使用的种管材及管件,其规格应符合设计要求,管壁厚薄均匀,内外壁光滑整洁,不得有伤残、砂眼、裂纹,管材、管件应有出厂合格证。使用的各种配件、附件(如水表、消火栓、饮水器、喷头等)其规格要符合设计要求,要经过F1.来水公司、消防局等业务部门确认的证明,所使用的阀门其规格、型号和材质应符合设计要求,热水阀门应符合温度要求。阀门铸造规矩,表面光洁,无裂纹,开关灵活,关闭严密,填料密封完好无渗漏,手轮完好无损坏,要有出厂合格证。阀门安装前,应作耐压强度试验。试验应以每批(同牌号、同规格、同型号)数量抽查10乐且不少于个,如有漏、裂不合格的应再抽查20%,仍有不合格的则须逐个试验。对于安装在主干管上起切断作者的闭路阀门,应逐个作强度和严密性试验。强度和严密性试验压力应为阀门出厂规定的压力。凡采用新材料、新型制品,应检查技术鉴定文件;必要时应到生产厂家实地考察其生产工艺、质量控制、检i则手段,然后再确定订货单位。所在设备,在安装前应按技术说明书的要求进行质量检查。必要时还应由法定检测部门进行检测。1.1.6 在土建主体结构施工中,注意本专业须做的预埋件、预留洞施工配合与预控工作。1.3 建筑给水工程施工监理质量控制要点监理工程师针对给水工程施工过程中的质量通病,监督承包单位严格遵守施工工艺操作规程,消除通病。1.3.1 管道施工作业条件的控制要点:(1)埋地管道必须铺设在未经扰动的坚实上层,或铺设在按设计要求经夯实的松散土层上,管理及管道支撑或支墩不得铺设在冻土层和未经自理的被扰动过的松土上;沟槽内遇有块石要清除,扰动的土层要经过处理,防止管道产生不均匀沉陷造成质量事故,管道铺设的高程和坐标要符合设计要求。室外管道在雨季施工,应做好沟槽排水措施,不能产生积水泡槽问题,更应防止因地面雨水流入管沟内,造成漂管,使管口折裂事故。冬委室外管道施工,安装铸铁管不应采用石棉水泥接埋地管道安装就绪,在沟槽回填之前,要做好管道试压和隐蔽检查,填写“隐蔽工程检查记录”,办好隐检手续。(2)暗装管道应在地下管沟未盖沟盖板和吊顶未封闭之前进行安装。管道试压和管道防腐保温工作全面完成验收后,才能允许盖沟盖板和封闭吊顶。(3)明装管道必须在本安装层土建结构顶板完成后地行,管道托架、吊卡件均应安装牢固,位置正确,外形整齐。(4)立管安装应在主体结构完成后进行,各层标高控制线要正确,暗装管道的竖井内,应把模板、杂物清除干净,并有防附坠落措施,层间管道井的封堵要符合设计要求。(5)支管安装(包括安装明、暗支管)应在墙本砌筑完毕和装修之前进行。1.3.2 干管安装控制要点:(1)给水铸铁管道安装:安装前要检查管膛,承口内侧和插口外侧端头沥青涂层是否清除干净,承口朝向(顶压)、顺序排列,连接的对口间隙是否符合规范:管子调直找平后应及时固定,管道拐弯处和始端应支撑顶车,防止捻口时转向移动,管头的管口封堵是否严密,是否有小动物和垃圾污染:各种接口方式是否符合工艺操作规程。(2)给水镀锌管道安装:检查安装顺序(一般从总进入口开始操作),安装前检查管膛,安装后检查管道直顺并复核用口的位置、方向、标高,所有管口要加装临时丝堵。(3)非镀锌碳素钢管安装:采用接口方式要符合设计要求和施工工艺规程,管道试压后进行除锈涂漆防腐保温工作。(4)埋地管道在试压隐蔽验收后方准许回填。1.3.3 立管安装:(1)立管明装:监理应检查安装后的管道垂直度,与墙壁的间距,预留甩口的高度和方向,截门安装朝向等是否正确.(2)立管暗装:管道井内立管安装的k件宜在管道井口处设置型钢支撑,上卜.统一吊线后安装卡件。安装暗埋在墙内的立管,应在土建砌墙前预留管槽,安装固定管道后要核验甩口位置是否正确,甩口要加装临时丝堵。1.3.4 支管安装:支管的暗装与明装应首先核定支管高度、不同卫生器具的冷热水预留口高度和位置是否正确,再找平找正固定支管卡件,加好临时丝堵。热水支管应在冷水支管上方,支管预留口位置应为左热右冷。1.3.5 管道试压、冲洗:(1)给水管道在隐蔽之前,应督促承包单位做好浸泡和单项水压试验。管道系统安装完毕后进行综合水压试验。水压试验时放净空气,充满水后加压,当压力升到试水压力后,进行渗漏检查,试水压力降压在允许范围内,即可办理验收手续。冬季管道试压环境,气温应在+15C以上,夏委管道试压环境应防止管道结露。(2)管道冲洗:管道在试压完成后即可做冲洗,应保证充足的冲洗流量,冲洗洁净后方可办理验收手续,做好验收记录。1.3.6 管道防腐管道防腐:给水管道防腐均按设计要求及国家验收规范进行施工,所有型钢支架及施工中管道镀锌层破损处和外露丝扣要补刷防锈漆。1.3.7 建筑给水附属设备安装质量控制要点:(1)消火栓及消火栓箱体的检验应注意栓阀起诸灵活、关闭严密、密封填料好。(2)喷洒系统的报警阀、作用阀、控制阀、延迟器、水流指示器、水泵结合器等主要组件安装后,应进行系统验收。(3)报警阀应安装在明显和易操作位置,其高度要符合规定,环境温度不低于+5.(4)水泵安装后应检查规格型号是否符合设计要求和施工验收规范,水泵出口要设缓闭止Im阀。泵体不得承受管道重重荷载。(5)高位水箱:若无特殊要求,应在主体结构封顶前就位,严格按图纸设计要求施工安装,并做满水试验:满水试验合格后,要进行防腐验收。1.3.8 成品保护:(1)安装好的管道不得做支撑或搭放脚手板,不得踏压,其支托卡架不得作为其他他的受力点;(2)管道在装修施工中加以保护,防止喷浆的灰浆液或其他的污染物污染道道;(3)截门的手轮及安装的水表、消火栓箱、报警阀配件等要注意保护,防止后序施工损坏和丢失,可在交工前统一装好;(4)给水管、消防系统施工完毕后,各部位的设备附件要有保护措施,防止碰动跑水,损坏内外装修的成品,喷洒头安装时也不得污染和损坏吊顶装修。1.4 建筑给水工程质量通病1.4.1 专业及工种间配合不当(1)由于地面标高超偏或调整,有关基础上未进行相应调整,造成管道预留口、器具、设备等的标高超偏;(2)由于砖、柱、垛尺寸调整或偏差,造成管管位移,管道吃墙或影响门、窗扇启闭;(3)暖气片后,墙不抹灰、粉刷或没装修即安装,影响装饰工程质量;(4)由于水、电专业设计配合不当,施工审图不细,造成管道、设备与电气开关插座等设施距离过近或重叠,影响安全和使用:(5)管道穿越楼板处,没用与楼板同标号的混凝土按正式工序进行堵洞。切断主筋后,未采取有效措施处理。有防水层地面,管洞周围防水处理不好,造成渗漏:(6)竖向管井,无分层隔断,不符合消防要求;(7)防水层做完,后剔槽打洞,埋设管道及排水器:(8)地洞埋设未考虑厕浴间与走廊地面高差,未考虑地面坡度,未考虑面层厚度,造成排水不入地漏,以及地面流水倒坡等影响地面及墙面的防水性能。(9)固定支架的位置、构造及固定做法不符合要求:(10)支、托、吊架规格、间距、标高不符要求:固定不牢、不平不正,与管道接触不好,制作粗糙;(11)管道或支墩铺设在冻土或松土上,支墩砌筑不符合要求;(12)管道支、托、吊金属设备等未经除锈、防腐,即进行安装或除锈、防腐、清理灰浆不彻底,防腐、面漆的遍数不够及局部漏刷;(13)给排水、采暖、煤气等管道的相互位置或间距不符合规范要求;(14)管道坡度超差,甚至倒坡,预留田不准,局部塌落或压弯;(15)管道连接存在的质量问题:不允许焊接而采用焊接:焊口不平直,加强面不足,有烧穿、裂纺、气孔、夹渣等缺陷;丝接接头不规整,断丝多,丝扣外露超差,麻头不清:镀锌钢管的镀锌层被破坏:法兰接头不平齐,垫料材质规格不符合要求,有双层或多层垫;承插口或套管接口填料不符合要求,灰口不饱满密实、间隙偏差过大,甚至用水泥抹口。(16)水压试验、耐压强度试验、严密性试验、闭水和灌水试验问题;程序和方法不符合要求,结论不确切,签证不全;试验部件不全,有漏试区段或系统;阀门安装前的产品质量未按规定取样或全数试验,有缺项、漏项:(17)主要材料、设备无出厂合格症,无进场检验手续。1.4.2给水管道安装通病:(1)消防与生活用水共用管道采用非镀锌碳素钢管,镀锌管道采用黑管件:<2)给水管道水流不畅,水质混浊,甚至堵塞:安装前不认真清膛,断口有毛刺或缩口:甩口不及时封堵,水箱

    注意事项

    本文(给水排水工程施工质量监理实施细则.docx)为本站会员(p**)主动上传,第壹文秘仅提供信息存储空间,仅对用户上传内容的表现方式做保护处理,对上载内容本身不做任何修改或编辑。 若此文所含内容侵犯了您的版权或隐私,请立即通知第壹文秘(点击联系客服),我们立即给予删除!

    温馨提示:如果因为网速或其他原因下载失败请重新下载,重复下载不扣分。




    关于我们 - 网站声明 - 网站地图 - 资源地图 - 友情链接 - 网站客服 - 联系我们

    copyright@ 2008-2023 1wenmi网站版权所有

    经营许可证编号:宁ICP备2022001189号-1

    本站为文档C2C交易模式,即用户上传的文档直接被用户下载,本站只是中间服务平台,本站所有文档下载所得的收益归上传人(含作者)所有。第壹文秘仅提供信息存储空间,仅对用户上传内容的表现方式做保护处理,对上载内容本身不做任何修改或编辑。若文档所含内容侵犯了您的版权或隐私,请立即通知第壹文秘网,我们立即给予删除!

    收起
    展开