欢迎来到第壹文秘! | 帮助中心 分享价值,成长自我!
第壹文秘
全部分类
  • 幼儿/小学教育>
  • 中学教育>
  • 高等教育>
  • 研究生考试>
  • 外语学习>
  • 资格/认证考试>
  • 论文>
  • IT计算机>
  • 法律/法学>
  • 建筑/环境>
  • 通信/电子>
  • 医学/心理学>
  • ImageVerifierCode 换一换
    首页 第壹文秘 > 资源分类 > DOCX文档下载
    分享到微信 分享到微博 分享到QQ空间

    市红枫湖小白龙桥施工组织设计.docx

    • 资源ID:1182993       资源大小:47.97KB        全文页数:10页
    • 资源格式: DOCX        下载积分:5金币
    快捷下载 游客一键下载
    账号登录下载
    三方登录下载: 微信开放平台登录 QQ登录
    下载资源需要5金币
    邮箱/手机:
    温馨提示:
    快捷下载时,如果您不填写信息,系统将为您自动创建临时账号,适用于临时下载。
    如果您填写信息,用户名和密码都是您填写的【邮箱或者手机号】(系统自动生成),方便查询和重复下载。
    如填写123,账号就是123,密码也是123。
    支付方式: 支付宝    微信支付   
    验证码:   换一换

    加入VIP,免费下载
     
    账号:
    密码:
    验证码:   换一换
      忘记密码?
        
    友情提示
    2、PDF文件下载后,可能会被浏览器默认打开,此种情况可以点击浏览器菜单,保存网页到桌面,就可以正常下载了。
    3、本站不支持迅雷下载,请使用电脑自带的IE浏览器,或者360浏览器、谷歌浏览器下载即可。
    4、本站资源下载后的文档和图纸-无水印,预览文档经过压缩,下载后原文更清晰。
    5、试题试卷类文档,如果标题没有明确说明有答案则都视为没有答案,请知晓。

    市红枫湖小白龙桥施工组织设计.docx

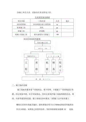
    各施工单位人员、设备及任务安排见下表:人员及任务安排表单位名称工程内容人员备注项目经理部本合同段全面工程管理15桩基施工队挖孔25碎施工队碎浇筑25附属工程施工队桥头接线等工程施工190项目经理部组织框图二、施工临时设施施工场地布置本着“因地制宜、便于管理、方便施工”的原则进行布置。经过现场考察,结合实际情况,同时注意保护施工场地周围的农田、果园、沟渠等建筑和设施。施工现场总体布置见表5施工总平面布置工螺栓应采用专用扳手施拧,斜杆搭接长度不小于04m,搭接采用旋转扣件至少两道。木拱架之间采用拉杆、顶杆和斜撑来加强横向连接.钢管及扣件、可调顶托配套且应符合质量标准。钢管应顺直、无裂纹、无损伤、规格统一、初始弯曲不得大于1/1000;顶托调节丝扣应完好,不得碰伤丝,并须涂黄油保存,不得锈蚀。支架安装操作及验收严格按操作规程进行。3、底模安装及预压3.1 底模的装配施工时,苜先由测量人员精确放样出主拱圈底面控制标高线,即底模顶标高。向下推算顶托高程并挂线调整,顶托上安装方木和已加工好的木拱架,方木之间、方木与木型拱架之间均以扒钉联结;在木拱架上沿纵向每隔16cm铺设10cn×IOcm×400Cm方木,然后上铺底模,底模采用244cn×122cm×1.2cm竹胶板制作,方木及竹胶板用铁钉固定。竹胶板面板长边沿纵桥向布置.横向接缝设在带木中间,接缝用双面胶填缝处理;纵向接缝应采用木条镶边,以防接缝处漏浆及变形。面板带木用铁钉固定,而板应顺着带木微弯,保证主拱曲线线形。在主拱圈间隔槽范围内,考虑到间隔槽内钢筋焊接接头需要的操作空间,将该范围内的底模面板做成单独的、可装拆的结构,在钢筋接头施工时拆除该处底模面板,碎浇注前将底模面板复原(5)钢筋的品种、规格、数量必须准确无误,钢筋的代用必须征得监理工程师的同意方可操作。3.2 钢筋加工钢筋调直和清除污锈钢筋的表面应洁净,使用前应将表面油渍、漆皮等清除干净。钢筋应平直、无局部弯折,成盘的钢筋和弯曲的钢筋均应调直。(2)钢筋的弯制和末端弯钩应符合设计要求和规范JTJQ41-中的规定.(3)主拱纵向主筋加工应预先根据钢筋接头形式,满足规范JTJO41-的要求,计算出每节段施工的主筋长度,且在场下先根据计算的长度将钢筋焊接成为整根。3.3 钢筋现场安装与连接(1)纵向主筋接头位置均设在主拱圈施工间隔槽内。(2)纵向主箭的现场连接主要采用焊接。焊接时两钢筋搭接端部应先折向侧,使两接合钢筋轴线致。接头双面焊缝长度不小于5d,单面双面焊缝长度不小于10d(d为钢筋直径)。(3)纵向主筋的焊接接头在钢筋安装时,应该满足规范JTJ(M1-中的要求,即接头长度区段内,同一根钢筋不得有两个接头,配置在接头长度区段内受力钢筋,其接头的截面面积,在受拉区不应超过总截面面积的50K焊接接头长度区段指35d(d为钢筋直径)且不小于SOCm(4)钢筋焊接前必须进行试焊,合格后方可正式施焊,焊工必须3、冬季条件下浇注的混凝土,在遭受冻结之前,其强度(临界抗冻强度)不低于设计标号的30队同时不低于5MPa。在充水冻融条件下使用的混凝十.,开始受冻时的强度不低于设计标号的70机4、砂石骨料在进入冬季之前开采、筛选完毕,并保持干燥状态,骨料在存放中不得夹有冰膜雪团。5、冬季拌合混凝土时,为节约防寒材料和防寒时间,选用较小的水灰比和较低的坍落度,以减少拌合用水量同时掺用引气剂、引气型和减水剂等外加剂,提高税的抗冻性。其搅拌时间,一般为常温施工时间的1.5倍。用于拌制碎的各项材料的温度,满足碎拌和物搅拌合成后所需要的温度,材料原有温度不能满足需要时,首先按技术规范对拌和用水加热,仍不能满足需要时,再对骨料加热。在骨料底部埋设蒸汽管道,经过锅炉供热,水、砂石骨料的加热温度可根据灌注温度和混凝土在拌合、运输、灌注时的热量散失综合考虑,经过热工计算和实际试拌结果确定。砂石骨料加热温度不高于60。水加热温度不高于80C,如用温度高于80的水时,先将水和砂石先行拌匀,再加水泥,以免水泥与热水直接接触,同时注意水泥不能加热。6、冬季施工的工程,焊接钢筋一般在室(棚)内进行。7、防冻混凝土和砂浆掺入外加剂时按规定掺入,但钢筋混凝土严禁掺入氯化钠外加剂。8、冬季混凝土运输时间尽量缩短,并做好防寒保温措施。9、碎浇筑后进行蒸汽覆盖养护,养护时间不底于规范要求。45治安的行为。2、文明施工的具体实施措施(1)加强对施工人员的文明施工行为宣传发动,加强教育,统一思想,使广大管理人员和员工认识到文明施工是企业形象、队伍素质的反映,是安全生产的保证。增强现场管理和全体员工文明施工的自觉性。(2)健全各项文明施工的管理制度,如岗位责任制、经济责任制、奖罚制度、会议制度、专业管理制度、检查制度、资料管理制度等。(3)明确各级领导及有关职能部门和个人的文明施工的责任和义务,从思想上、行动上、管理上、计划上和技术上重视起来,切实提高现场文明施工的质量和水平。(4)在施工队伍进场前,先派人前往当地对民众的生活、生产习惯、禁忌、宗教信仰等“社情”进行调查,并对员工进行宣传、教育。确保做到全体施工人员尊重当地民风民俗。在施工过程中由办公室负责协调好与当地居民、当地政府的关系。(5)在现场施工过程中,施工人员的行为必须符合施工技术规范和施工程序要求,不违章指挥,不野蛮施工、强行施工。对不服从统一指挥和管理的行为,按处罚条例严格执行。(6)认真开展5S活动,对施工现场不断地进行整理、整顿、清扫、清洁和素养,有效地实现文明施工。(7)按照工程特点,加强现场文明施工的综合管理,减少现场施工对周围环境的干扰和影响。(8)加强检查监督,从严要求,持之以恒,使文明施工现场管理真正抓出成效。项目经理组织对文明施工现场施行定期和不定期检查,每月组织一次专项检查,对照评分,严格奖惩,交流经验,查缺补漏。3、施工现场的措施(1)合理布置场地。对施工场地进行硬化,各项临时设施应符合文明施工要求,做到场地整洁、道路平顺、排水畅通、标志醒目、生产环境达到标准化作业。(2)工程概况、施工组织网络牌、安全记录牌、防火须知牌、事故记录牌和施工总平面图设置齐全、规格统一、内容完善、位置醒目。(3)及时调整设备、机具和材料的位置,保证摆放整齐,保持工作而宽敞,提供良好的工作环境。施工现场坚持工完料清,垃圾杂物集中堆放,及时处理。施工废水严禁乱排,必须严格按照当地环保规定和招标、设计文件要求经处理达标后排放。“)路基弃麓不得随意弃置,必须运至设计指定的弃楂场,运磴途中不落石掉施,污染道路。(5)施工现场的车辆要按指定位置停放。(6)工地所有材料必须挂牌堆放在场房内,场房必须有遮雨、挡晒设施。二、环境保护随着社会的进步,人类文明的发展,环境保护已为越来越多的人们所重视。为了确保工程所在地区的环境得到有效的保护,我项目部将严格执行国家和工程所在地的环保政策和法规,以及施工所要求的绿化项目,认真听取监理工程师、业主的环保人员及地方政府人员的相关建议和意见,并接受其检查和监督。环境保护具有一票否决权,对施工过程中可能造成环境破坏的因素加以研究,并进行预防。1、防止水、大气及粉尘污染(1)保护水质为保护环境和水源、河流不受污染,在洞口、生活区设污水处理系统,采用隔油沉淀池、气浮设备和二级生化处理设施对废水进行处理。并设专人值班管理,达到符合国家规定标准再排放。施工期间,严格对施工物料如水泥、油料、化学品等堆放的管理,防止在雨季或暴雨将物料随雨水径流排入地表附近水域造成污染。控制施工注浆使用的水泥泄漏,并对进入隧道排水系统中的注浆废液做净化达标处理,避免喂液污染洞外居民的生活、生产用水。靠近生活水源的施工场地用堤坝与之隔开,避免水源污染。施工机械防止漏油,禁止机械运转过程中产生的油污水未经处理就直接排放,或维修施工机械时油污水宜接排放。施工期间生产场地和生活区修建必要的临时排水渠道,经废水池处理后,与永久性排水设施相接,避免引起淤积冲刷。(2)大气污染及粉尘污染防治对施工现场和运输便道等易产生粉尘的地段定时进行洒水降尘,勤洗施工机械车辆,使产生的粉尘危害减至最小程度。施工期间对人气影响的主要污染源是挖土、水泥、车辆的尾气等。加强对易散物资的管理,凡是易散物资不得露天堆放,堆场上要加覆盖,堆料场设置在常年风向的下侧,对易燃有味的油料和材料要妥善保存。加强施工机械设备的维护保养,减少噪声和污染。运转时有粉尘发生的施工场地均须有防尘设备。在这些场所作业的工作人员,必须配备必要的劳动防护用品。(3)弃硝防护设弃硝场,对弃磴场做好防护和绿化,防止弃喳对河流的污染和侵占,具体措施如下:弃破”先挡后弃”,在弃硝场坡脚设挡土墙,挡墙埋入地面以下不小于1m,确保挡墙的强度。在弃硝场顶外缘设环形截水沟,弃蓊场顶向外做不小于2%的排水坡,保证排水畅通,防止雨水冲走弃喳,填塞河流。施工所产生的废砧、废液均按国家有关环保法进行处理,不得随意排放和弃置。2、施工区环境保护措施(1)施工期间按合同规定的施工范围,在保证施工顺利进行的前提下,严格限制施工人员和施工机械的活动范围,尽可能缩小作业带宽度;施工结束后,及时清理现场,使之尽快恢复原状,将施工对生态环境的影响程度降低到最低程度。(2)妥善处理施工期间产生的各类污染物,对施工生产的固体废物和生活垃圾要集中处理,不能随便遗弃在野外或村镇、居民点。和当地环卫部门进行联系,设立垃圾投放点,防止其对附近生态环境造成污染。施工期间保持工地清洁,保持经常洒水以控制扬尘;严禁在施工场地焚烧有毒、有害物资,避免有毒、有害气体污染大气;凡是违反环保规章,无论偶然与否,如造成环境损害,要立即报告监理工程师。(4)开工前对全体管理人员和员工进行环境保护学习,增强环保意识,形成良好的环保习惯,在施工中对生态环境的受损情况采取有效措施,让其降至最低程度。(5)合理布置施工场地,生产、生活设施布置在业主提供的场地以内,保证不破坏周边植被,保护自然环境。挖孔桩施工工艺流程图孔口设置吊S3

    注意事项

    本文(市红枫湖小白龙桥施工组织设计.docx)为本站会员(p**)主动上传,第壹文秘仅提供信息存储空间,仅对用户上传内容的表现方式做保护处理,对上载内容本身不做任何修改或编辑。 若此文所含内容侵犯了您的版权或隐私,请立即通知第壹文秘(点击联系客服),我们立即给予删除!

    温馨提示:如果因为网速或其他原因下载失败请重新下载,重复下载不扣分。




    关于我们 - 网站声明 - 网站地图 - 资源地图 - 友情链接 - 网站客服 - 联系我们

    copyright@ 2008-2023 1wenmi网站版权所有

    经营许可证编号:宁ICP备2022001189号-1

    本站为文档C2C交易模式,即用户上传的文档直接被用户下载,本站只是中间服务平台,本站所有文档下载所得的收益归上传人(含作者)所有。第壹文秘仅提供信息存储空间,仅对用户上传内容的表现方式做保护处理,对上载内容本身不做任何修改或编辑。若文档所含内容侵犯了您的版权或隐私,请立即通知第壹文秘网,我们立即给予删除!

    收起
    展开