欢迎来到第壹文秘! | 帮助中心 分享价值,成长自我!
第壹文秘
全部分类
  • 幼儿/小学教育>
  • 中学教育>
  • 高等教育>
  • 研究生考试>
  • 外语学习>
  • 资格/认证考试>
  • 论文>
  • IT计算机>
  • 法律/法学>
  • 建筑/环境>
  • 通信/电子>
  • 医学/心理学>
  • ImageVerifierCode 换一换
    首页 第壹文秘 > 资源分类 > DOCX文档下载
    分享到微信 分享到微博 分享到QQ空间

    主运的岗操作流程.docx

    • 资源ID:1179742       资源大小:23.66KB        全文页数:7页
    • 资源格式: DOCX        下载积分:5金币
    快捷下载 游客一键下载
    账号登录下载
    三方登录下载: 微信开放平台登录 QQ登录
    下载资源需要5金币
    邮箱/手机:
    温馨提示:
    快捷下载时,如果您不填写信息,系统将为您自动创建临时账号,适用于临时下载。
    如果您填写信息,用户名和密码都是您填写的【邮箱或者手机号】(系统自动生成),方便查询和重复下载。
    如填写123,账号就是123,密码也是123。
    支付方式: 支付宝    微信支付   
    验证码:   换一换

    加入VIP,免费下载
     
    账号:
    密码:
    验证码:   换一换
      忘记密码?
        
    友情提示
    2、PDF文件下载后,可能会被浏览器默认打开,此种情况可以点击浏览器菜单,保存网页到桌面,就可以正常下载了。
    3、本站不支持迅雷下载,请使用电脑自带的IE浏览器,或者360浏览器、谷歌浏览器下载即可。
    4、本站资源下载后的文档和图纸-无水印,预览文档经过压缩,下载后原文更清晰。
    5、试题试卷类文档,如果标题没有明确说明有答案则都视为没有答案,请知晓。

    主运的岗操作流程.docx

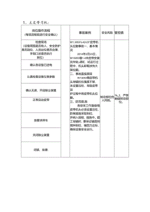
    1、主皮带司机:岗位操作流程(每项流程前进行安全确认)事故案例安全风险管控措检查现场(设备周围是否有人、安全防护是否到位、人员站位是否合理、手指口述是否执行到位)W1.3053,4223”皮带机头拉翻事故一、基本情况2014年2月23日,W13053巷1.4米皮带安装完毕始,调试、试运行过程中,机头卸载该传大架拉翻。二、事故直接原因W13053巷皮带机头地锚抗拉强度不够,未设置压柱,导致皮带运炉过程中将皮带机头拉翻。三、防范措.施各琮采工作面I版格皮带机头必须设置压柱,防倒措施采取到位,并纳入规程、措施中。题工地锚时,要保证锚固剂搅拌到位,锚固力达标,确保设备安全运行。转动部位伤人风险。,2、严禁触碰转动部位。确认各设备已送电认真检查设备仪表参数确认无误,开启除尘装置正常启动皮带按要求停车关闭除尘装置闭银、挂牌.2、下给煤机司机:措控施管张杜1.人-一格谁谁制谴,爆"电电严“',”年修失专送停,行电牌电检绝2,停挂牌执停挂送度岗位操作流程(每项流程前进行安全确认)事故案例检查现场(设备周围是否有人、安全防护是否到位、人员站位是否合理、手指口述是否执行到位),岁食大煤仓-F某枭情况:2019年12月29日0时2分,大同市焦.煤矿有限责任公司一矿(以下简称焦-r>305盘区媒仓下口发生一起较大煤仓溃煤事故,造成5人文亡。二、事故直接原因现场操作人员在多次超量放煤的情况下,没有引起警觉,未果取防止煤仓烧煤事故的安全技术措施,也>未进行远程操作,违章在工作期室内操作,仍继续放块,导致煤仓水、煤、环、正瞬间演出,将6名人员掩埋在给煤机出口斜对面的工作明室内,是事故发生的直接原因。三、防范措施:制定完善煤仓安全胞患排查治理报告制度:严格控制水和杂物进入媒仓,从源头上消除安全隐患:处理燃仓堵塞时,必须查清堵塞原因,制定有针对性的安全措施并严格执行:发说,煤仓内有积水,必须采取封堵疏千措施,没有得到妥者处理不得强行放煤:提高给煤机司机等岗位作业人员和班组长、区区长等管理人员的风险辨识、分级管控和隐患排查治理的能力。确认各设备已送电认真巡检本设备确认主皮带开启确认煤质情况先瑜根据要求开启给煤机按要求停车停电、挂牌打扫现场卫生安全风险1.设备失爆引发事故。2,送电伤人。3、皮带检修工:岗位操作流程(每项流程前进行安全确认)=事故案例安全风险管控措检查现场(设备周围是否有人、安全防护是否到位、人员站位是否合理、手指口述是否执行到位)巡检设备,排查问题西胶“18”运输事故一、基本情况2018年1月8日,井下机电二队在>西胶大巷发生一起胶带运输机伤人事故.造成1人死亡。二、事故直接原因西井井下机电二队当班皮带巡检工申某械巡检至西股大巷皮带第72号架有异晌处,违章作业,右臂不慎祓卷入运行的皮带与上托棍之间受伤致死。三、防范措施要强化日将安全管理,特别是对单人单岗、零散作业、边远地带,死角盲区等岗位地点安排专人进行巡检,确保各岗位人员上标准岗、千标准活,严格按照操作规程迸行作业。1 .转动部位伤人风险。2 .设备误操作伤人。3 .搬运重物伤人。4 .意外滑滑倒人1.停机确保至少闭锁两个有效用锁键。2.严禁触碰转动部位。3、执行好停送电手续。4、听从口令,统一指挥。集中精力,选择好站立位置。核实停车时间做好检修准备工作办理停电手续检查现场环境、开始检修检修设备执行送电手续交接检修情况4、井下维修钳工:岗位操作流程(每项流程前进行安全确认)=事故案例安全风险管控措检查现场(设备周围是否有人、安全防护是否到位、人员站位是否合理、手指口述是否执行到位)巡检设备,排查问题西二北轴1米大渭断倭*故一、基本情况:2021年2月23日11时30分,西二洸辅9#横川1米大溜发生一起断链事故。二、事故原因:井下机电二队对西二北辅9#横川1米大溜日常检修维护不到位,未能及时发现刮板小架螺丝松动、脱落,导致刮板小架连带护轴板卷入底槽内将溜子卡死,致使机尾大链双链断裂.是造成本次事故的宜接原因.三、防范措施:各区队日常机电设备检修工作管理要严格按照机电管理部下发的“清单式”检修要求进行检修,$点加强对设备检修质量管理,保证设备安全运行。同时要加强对职工的岗位技能培训工作,使职工了解岗位操作流程、设备运行原理及故障应急处置方法等技能。1.转动部位伤人风险。2.设备误操作伤人。3.搬运重物伤人。4.意外滑滑倒人1.停机确保至少闭锁两个有效用锁键。2.严禁触碰转动部位。3、执行好停送电手续。4、听从口令,统一指挥。集中精力,选择好站立位置。核实停车时间做好检修准备工作办理停电手续检查现场环境、开始检修检修设备执行送电手续通知岗位司机已送电5、小绞车:岗位提作流程(每项流程前进行安全瑜认)内蒙古麻地梁煤厂发生机电事故.一、事故督述:职工在狡车拉移推沪支架过程中,未按作业规程要求进行象迎.统车铜丝照钩头与掩护支架底座的连接链条用新,回弹的牵引铜丝蝇称张胜和双曳击断,导致死亡。二、事故原因:1 .故车报支架时,人员未按规定魄避到钢丝蝇或便条断裂后可能波及的范围外.2 .操作发车的人员强拉硬拽造成钢丝绳城新。3、统车捆缉文架后,未检委像条和铜线蝇的连接情况,未连接保陟墨。三.防范措施:1.统车运行时,人员必须照迎到钢隹能或辑条断裂后可能波及的范围外3 .操作统车时,严禁强拄硬拽.3、姣车捆狮支架后,必须检查罐条和钢丝蝇的连接情况.破保完好.并对林条进行覆装保护,连接保殓蝇,防止筑条期断后链条螺丝崩出或钢丝蝇回邦伤人。安全风K应对指越K未闭锁开关导致校军误动作2,未执行停送电制度。1.一定要对设备开关打至零位并闭钺2.严格执行“谁停电,-W.推送电.ftft"制度交接班检查(设备周围是否有人.安全防护是否到位,人员站位是否合理.手指口述是否执行到位)开启闭馈送电松至沿珞是否存在问题挂好钩头发出开车信号,认周围环*)收到开车信号启动茨车停车闭锁6、起吊作业:岗位操作流程(每项流程前进行安全确认)事故案例安全风险管控措检查起吊位置是否合理、是否打有专用起吊锚杆晓南矿2014.5.30吊装伤人事故一、基本情况2014年5月30日,住于湖南省湘潭市湘潭县晓南矿发生一起吊装伤人事故.造成1人左胸大股趾骨折。二、事故直接原因湖南省湘潭市湘潭县晓南矿违规操作起吊堤,致使重物方向发生变化,且起吊人员站位不当,造成1人重伤事故三、防范措.施1、严格执行相关起吊制度,认真检查到位。2,现场设置警戒,严禁无关人员进入。3、起吊人员注意份位,重物波及范围严禁站人。1、非专用起吊锚杆,无法称重起吊相关重物。2,起吊用具不完好,固定不牢集。3、起吊人员站位不合理。4、作业区域设置警戒。1.检查起吊专用锚杆是否合格。2.检查起吊用具完好有效.3、检杳锚杆和起吊用具连接牢靠。4、作业M域设置警戒,严禁无关人员进入。5、起吊人员严禁站在重物波及范围以内。检查起吊工具是否完好验证所吊重物重量检查吊具是否满足起吊重物要求检查起吊用具固定是否牢靠清除在场人员,设置警戒在场施工人员注意站位,严禁站在起吊重物下(执行矿相关规定)再次检查现场I=安全确认7、硫化作业:岗位操作流程(每项流程前进行安全确认)事故案例安全风险管控措检查硫化位置是否合理、是否喷浆,瓦斯浓度重庆海螺皮带断裂事故一、基本情况2018年8月21日,重庆海螺皮带机发生股带接头断裂,两接头距离约I公里左右。二、事故直接原因现场财长皮带运行管理存在薄弱环节,股带发生接头断裂后,恢复方案制定不细致,抢修过程中准备不充分,检修中钢丝的断裂引起股带长距高的滑移。三、防范措施1、加强皮带机的点巡检,及时发现皮带各类隐患,杜绝设备长期带病运行。2、提高皮带接头的胶接质量管理,使况合格的胶料,杜绝不合格的股料。3、完善相关的检查规程,防止金属铁器等异物进入皮带输送系统。1、抬重物未在同一个肩膀.2、硫化板接头未连接牢固.3、人员站位不合理。4、作业区域设置警戒。5、起吊皮带所用工具不完好。1.抬重物必须在同-««咏2.检查破化板接头连接必须牢固。3、检查起吊皮带工具完好。4、人员站位要适当.5、现场伤尘严禁超标检查硫化工具,胶料是否完好,是否超过保所期检查皮带两端是否固定牢固检查藐化电气是否安全检查消防水管.灭火器是否到位清除在场人员,设置警戒在场施工人员注意站位再次桂查现场U安全确认

    注意事项

    本文(主运的岗操作流程.docx)为本站会员(p**)主动上传,第壹文秘仅提供信息存储空间,仅对用户上传内容的表现方式做保护处理,对上载内容本身不做任何修改或编辑。 若此文所含内容侵犯了您的版权或隐私,请立即通知第壹文秘(点击联系客服),我们立即给予删除!

    温馨提示:如果因为网速或其他原因下载失败请重新下载,重复下载不扣分。




    关于我们 - 网站声明 - 网站地图 - 资源地图 - 友情链接 - 网站客服 - 联系我们

    copyright@ 2008-2023 1wenmi网站版权所有

    经营许可证编号:宁ICP备2022001189号-1

    本站为文档C2C交易模式,即用户上传的文档直接被用户下载,本站只是中间服务平台,本站所有文档下载所得的收益归上传人(含作者)所有。第壹文秘仅提供信息存储空间,仅对用户上传内容的表现方式做保护处理,对上载内容本身不做任何修改或编辑。若文档所含内容侵犯了您的版权或隐私,请立即通知第壹文秘网,我们立即给予删除!

    收起
    展开