欢迎来到第壹文秘! | 帮助中心 分享价值,成长自我!
第壹文秘
全部分类
  • 幼儿/小学教育>
  • 中学教育>
  • 高等教育>
  • 研究生考试>
  • 外语学习>
  • 资格/认证考试>
  • 论文>
  • IT计算机>
  • 法律/法学>
  • 建筑/环境>
  • 通信/电子>
  • 医学/心理学>
  • ImageVerifierCode 换一换
    首页 第壹文秘 > 资源分类 > DOCX文档下载
    分享到微信 分享到微博 分享到QQ空间

    17-34挖孔桩施工安全技术交底.docx

    • 资源ID:1178155       资源大小:22.63KB        全文页数:6页
    • 资源格式: DOCX        下载积分:5金币
    快捷下载 游客一键下载
    账号登录下载
    三方登录下载: 微信开放平台登录 QQ登录
    下载资源需要5金币
    邮箱/手机:
    温馨提示:
    快捷下载时,如果您不填写信息,系统将为您自动创建临时账号,适用于临时下载。
    如果您填写信息,用户名和密码都是您填写的【邮箱或者手机号】(系统自动生成),方便查询和重复下载。
    如填写123,账号就是123,密码也是123。
    支付方式: 支付宝    微信支付   
    验证码:   换一换

    加入VIP,免费下载
     
    账号:
    密码:
    验证码:   换一换
      忘记密码?
        
    友情提示
    2、PDF文件下载后,可能会被浏览器默认打开,此种情况可以点击浏览器菜单,保存网页到桌面,就可以正常下载了。
    3、本站不支持迅雷下载,请使用电脑自带的IE浏览器,或者360浏览器、谷歌浏览器下载即可。
    4、本站资源下载后的文档和图纸-无水印,预览文档经过压缩,下载后原文更清晰。
    5、试题试卷类文档,如果标题没有明确说明有答案则都视为没有答案,请知晓。

    17-34挖孔桩施工安全技术交底.docx

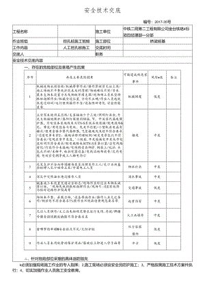
    安全技术交底编号:2017-35号工程名称施工单位中铁二局第二工程有限公司金台铁珞4标项目经理部一分部作业班组挖孔桩施工班缎施工部位桥梁桩基工作内容人工挖孔桩施工交底时间交底人职务安全技术交底内容一、存在的危险部位及客曷产生后果序号存在主要危险因素可能遣成的危害事件风险效备注1机械迸杨永投验收/机械带带作业/操作算驶员无证上岗/施工场地不平整或淤泥未及时清理/场地碾压不实/吊车.泵车支场未设置方木或铜板牢固支撑/现场领工员未坚持跟班指挥作业/机械安设位置.方向不正确/作业人员选就未度过培训/运行使用操作不当/设备陈旧老化.安金性能差等.机械倾覆低度2主空驾未使用五芯线/支客接地少于三处/照明灯具金,外光大做接地保护/感阳灯架使用钢筋,节,开关咨代漏电保护器,月电设各区地线未与TN-S系统石效连接/配电段珞&化、势皮/用电设备与电统、先关不匹配/小型机具电晶有楼头/使用金慎步替代感断器,飞复接地浅浅径不符合要求/过道电爹未穿E,接地法修用媒蚊铜/破皮电零包扎不符含要求/电观在家中发泡,'二级箱.开关箱漏电开关或作电流时间不符合要求/配电娱路未按TN-S系黛以置/应电线路老化/灯具外今未接地/电线缎受在纲管.钢筋上/乱拉.头包扎不好/未惭中.板拉电器设各/电线沿地布放等/孔内电缆.电姣官受潮导致工人触电伤亡触电中度3孔笔支护不当而垮塌键伤其至活埋类作工人/孔口石块羞杂粉掉入孔口砸帝正本/中苗电工人员物冰打击中度4深孔中突然湎水淹没操作人员涌水事故中度5械基施工未设置交通安全标志/现场作业时过往车辆未减薄行驶,'现场先做到跟班指挥作业/现场片:设E有效将与临时边路防护隔离等交通事故低度6场他来平整、承载力稚,'设备带病作业/操作人且无迂条作/铜丝电不符合要求7装作业不规菽违黄规范要求等.起重伤害中度7无迂人员撰作/义工品未按规范娶求近行友情.存放/髀疆号髅壹强钱觐髭橇髓不符合要求名火工品爆炸中度8看哪挈豹率耀W安金距点不足/无防护胶压力容器爆炸低度9作业人员未用就劳动保护用品/爆破后立即进入学子面等中方低度二、针对危险部位采理的具体适防指充k必须加强现场施工作业的专人指挥;2,施工现场必须设安全员防护施工;3、严格按黑施工技术方案件执行;4、切实加强作业人员施工安全教育。三、安全篇工注*本项1 .进入施工现场人员应戴好安全相,孔内作业人员必须拴好安全带,防护人员应穿戢好防护服装,或好必须防护用品,夏季施工要求作业队配备必须的防暑药品,同时对作业人员加强现场既有线施工和挖孔桩施工安全教育。2、带班员坚持对作业人员实行班前安全讲话制度,每班作业施工前,对作业人员进行挖孔桩施工安全教育(受教府人员现场履行签字),明确安全重点和注意事项、操作规程,并监督、检查作业人员必须戢好防护用品,严格按原安全规定执行后方可进行现场作业.3.现场必须严格执行技术交底制度,挖孔桩严格执行挖孔桩安全技术规程(附:挖孔桩安全操作规程)。4、现场孔口位置必须设置於埋胡防,设置人行上下梯子,并保证作业人员安全带牢固拴在孔口芨埋钢筋处。5,挖孔前必须配备性能良好的通风设备.施工前必须定时抽风换气.并采取必要的空气检测措施,保证孔中空气良好,同时接通电源,保证孔内施工照明,孔内蹙明必须使用36v以下的低压电源,严禁使用36,以上高压电源,潮湿地段使用12Y电源。每天或而后进行下孔作业时,必须先通风再进行孔内有毒有害气体检测,检测的方法是使用多功能气体检测仪或生物检测法,防止二氧化碳等其它有毒有害气体威胁作业人员的生命安全。6、现场用电架设必须规范,严格实行“一机一闻一滴”,并有防雨措施,用电安装必须安排专业电工进行操作,非电工人员严禁操作电线路的架设。7、挖孔作业人员严禁超负荷作业,施工过程中,要随时注意孔内空气浓度、是否存在异味、地下水、流沙等情况,一旦发现身体不适或异常情况时及时停止作业,离开孔内,待研究措施,处理好后方可下孔进行作业。8、挖孔作业孔口人员必须偌时监控孔内作业人员情况,并保持通讯联系,严禁孔口人员中途脱岗、离岗.9、挖孔过程中,必须勘检查是吊架.起吊绳使用情况和安全性能情况以及周边土质是否存在松动、裂缝等情况,如发现异常情况和存在不安全因素时,立即进行更换和处理,同时,在吊放泥土和料具中,一定要平程、速度均匀,防止吊放物捶击护壁,掉下重物扎伤施工作业人员。10、施工过程中现场作业人员应及时掌握山沟水流情况及天气情况,遇到雨天严禁作业。11,施工中,作业人员必须听从值班镇工员人员的安全指挥,不得违章作业和胃险作业,要求整改落实的问题必须认真落实后方可进行下步施工。12、施工现场所有机具、料具不得放置在孔壁周围。13、掇运各柠材料及机具过程中,必须随时现场情况.14,各支点挖孔施工过程中,现场带班员和生产人员、防护人员要加强既有线珞基模定性的观察,特别是而天施工更要加强观察和检查,检查施工中对既有线是否迨成影响和不安全因素。一旦发现施工存在影响和不安全因索时,立即停止作业,向领导和相关部门报告,待处理好后方可继续进行施工。15,禁止甭天和夜晚进行挖孔作业。16,施工机具、料具不得随意丢放,必须严格按照文明施工规范施工。17、挖孔柱护壁厚度、钢筋布置必须严格执行技术要求。挖孔过程中,要注意地层对挖孔的影响,时存在沙层、地下水时要及时会同工程技术、安全等相关部门研究技术对策和措施,确保挖孔安全顺利进行。18、挖孔作业人员必须进行主动防护,进入施工现场必须佩戴好劳动防护用品。孔内作业人员必须正确保、戴安全帽,在孔深超过2米后必须系好安全绳,安全绳必须至孔口放至孔底,且安全绳必须系牢靠;孔内须设供作业人员上下的爬梯.严禁作业人员求坐吊桶,人员上下时孔口处要有专人负贲发护。四、人工挖孔旅工安全技术指篇1、孔口围护措施孔口四周必须浇筑灶护圈,并在护圉上设置围栏围护.应高出地面O.3m以上。孔内作业时,孔口上面必须有人监护。挖出的土方应及时运离孔口,不稼堆放在孔口四周加范图内.殓围圈上不得放置工具和站人.孔内作业人员必须头戴安全帽、费系安全带,特殊情况下还应戴上防毒防尘面具。利用吊桶运土时,必须采取相应的防范措施,以防落物伤人,电动葫芦运土应检骁其安全起吊能力后方可投入运行。施工中应随叶检态垂宜运输设备的完好情况和孔孽情况。2,孔中防毒措施地下特殊地层中往往含有。0、502,H25或其它有毒气体,故每次下孔前.必须时桩孔内气体迸行抽样检测,发现有害气体含量超过允许值时,应将有害气体清除至化学毒物最低允许浓度的卫生标准,井采用足铁的安全卫生防范措施,如设置专门设备向孔内通风换气(通风量不少于251./S)等措;,以防止急性中毒事故的发生。人工挖孔作业一旦发生人员中揖.窒息等事故,必须在现场按应急措施规范要求实施抢救,根据情况及时送医院送一步抢救治疗,并报相关部门(110、120、119)等,以便采取相应救援措施。3,防触电措施施工现场的一切电源、电路的安装和拆除必须由持证电工操作.用电设备必/页严格接地或接零保护且安装漏电保护器,各桩孔用电必须分闻,严禁一同多用。孔上电缆必须架空2Om以上,严禁拖地相埋压土中,孔内电缆、电圾必须采用护套等有防磨损、防潮、防断等保护措施。孔内照明应采用安全矿灯或12V以下的安全灯。孔中操作工应手戴工作手套,脚穿绝绿胶鞋。4,防止孔壁坍塌措施在熟悉地质条件的基础上,开挖桩孔时原则上要设置殓护壁或钢护筒护壁,特别是直径在1.2m以上的桩孔。给护壁每节高Im.厚约0.1m,可加配适量铜簿,建强度等级不低于C20。一般每天挖Im深立即支模浇筑快硬是,第二天继续施工。扩底柱孔应做到:(D当孔底扩头可能会引起孔壁失稳时,必须采取相应的措施,经技术负责人审枇签字后方可施工;(2)巳扩底的桩孔,要及时浇灌桩身程或封底,不转尽快浇灌磴的桩应暂时不犷底,以防扩大头塌方。人工挖孔桩开挖程序,应采用间隔挖孔方法,以减少水的渗透和防止土体滑移,防止在挖土或冲抓土成孔过程中因邻楂混凝土未初凝而发生窜孔现象。孔内一般不宜放炮,以防震塌土或震裂护壁造成事故,根据地质状况需爆破的,严格执行有关的爆破规程。5、防止孔壁涌水措施当相距10米以内的邻桩正在浇灌混凝土或桩孔积水很深时,要考虑对正在挖孔桩的危险影响,一般应暂停施工,人不准下孔。随时加强对土壁涌水情况的观察,发现异常情况危及时采取处理措施。采用潜水泵抽水时,基本上抽干孔中积水后,作业人员才能下至孔中进行挖土。地下水丰富时,可将中间部位桩孔提前开挖,汇集附近的地下水,用12台潜水泵将水抽出,起到深井降水作用。孔内必须设置应急软代梯,供人员上下孔洞使用的电动葫芦、吊笼等应安全可靠并配有防坠落装置,不得使用麻嫌和尼龙绳吊挂或脚踏井壁凸级上下。上、下孔洞必须有可靠的联络设备和明确的联络信号。孔内作业人员应勤轮换,连续作业时间不宜超过2小时,以防止疲劳引发安全事故。6、防止机械伤害,挖孔桩施工所用的物料提升机必须具有出场合格证明,并有限速、限位装置,且能符合现场施工蓊要。物料提升机必须安设牢固,所用辆丝绳必须完好,当发现纲丝断丝率超过规范要求时",必须予以更换。吊钩上应安设防脱落装置,在提升吊桶时必须匀速提升,且吊桶装造高度不得超4桶高的三分之二,防止吊桶摇摆或些撞孔壁掉渣伤人。7、所有挖孔桩必须按照技术交底或设计要求施作,不得偷工减料,现场技术人员对护壁的厚度必须每环检查;财于设计无护壁而围岩破碎完整性差的,工程技术人员应及时提词设计变更。对于命工喊料的行为项目经理部将按G安全管理实施办法的要求透行严厉处罚。8、现场所有机具物料必须堆码整齐,孔口2m范围严禁堆放料具。现场必须设置相应的安全警示标识和操作规程,确保现场标准化作业,并不得侵入营业线安全限界内。9、其它安全措施施工时发现文物、古化石、爆炸物,电缆等应暂停施工,保护好现场,并及叶报告有关部门,按规定处理后,方可继续施工。人工挖孔桩施工前,应针对现场工程地质、水文状况和设计要求编制切实可行而又安全合理的施工方案,配备必要的机具和电器设备,确保各种安全措施及时到位,孔内作业人员应随叶观察孔壁的稳定情况,如果发现裂纹、裂口等异常情况须立即撤出孔外,并向现场管理人员进行汇报:对石质孔壁须随时检查孔壁有无液块,并随时清扫、清理,防止掉块伤人;孔内人员应经常与孔口人员保持联系.孔底有人作业时,地面必须有人监护,孔内作业人员必须系好安全绳,以便发生意外时及时被孔外人员施救。五、作业人员应该遵守的安全操作规程1,钻机、空压机、吊车、挖掖机、用电安全技术操作规程2,铁路施工安全技术规程3、挖孔桩施工安全操作规程(一)孔内开挖作业人员安全操作规程1、开挖深度超过2米以下的,必须有护壁安全措施,护壁安全、质量要求必须严格按照技术交底方案和安全技术交底执行.在有井壁护图的支承下才允许继续延伸作业,护图的底部距桩孔的底部距离不应大于1米。2、在开挖中发现桩孔内有异物、异臭或感觉身体不适时应暂停作业,并及时报告项目经理,待经过对孔内气体进行检测并查明原因、采取必要的安全措施后才能准许继统开挖。3、在易坍塌的砂、砾层开挖时,必须采用双层护筒方法施工,以防止砂土、砾石塌坍伤人。遇到淤漏、流砂层厚度200Onm地段,并存在地下水时,施工进度必须线慢进行,开挖进尺尽量减小,并采用施工技术要求高、安全可靠性大的措施加强护壁。4、桩孔内施工应装安全电压36伏以内的照明灯具、灯泡应有防护罩,灯线应用绝嫌橡胶线,存在地下水或潮湿坨段施工时应使用12Y以下电源。帑要抽水应使用潜

    注意事项

    本文(17-34挖孔桩施工安全技术交底.docx)为本站会员(p**)主动上传,第壹文秘仅提供信息存储空间,仅对用户上传内容的表现方式做保护处理,对上载内容本身不做任何修改或编辑。 若此文所含内容侵犯了您的版权或隐私,请立即通知第壹文秘(点击联系客服),我们立即给予删除!

    温馨提示:如果因为网速或其他原因下载失败请重新下载,重复下载不扣分。




    关于我们 - 网站声明 - 网站地图 - 资源地图 - 友情链接 - 网站客服 - 联系我们

    copyright@ 2008-2023 1wenmi网站版权所有

    经营许可证编号:宁ICP备2022001189号-1

    本站为文档C2C交易模式,即用户上传的文档直接被用户下载,本站只是中间服务平台,本站所有文档下载所得的收益归上传人(含作者)所有。第壹文秘仅提供信息存储空间,仅对用户上传内容的表现方式做保护处理,对上载内容本身不做任何修改或编辑。若文档所含内容侵犯了您的版权或隐私,请立即通知第壹文秘网,我们立即给予删除!

    收起
    展开