欢迎来到第壹文秘! | 帮助中心 分享价值,成长自我!
第壹文秘
全部分类
  • 幼儿/小学教育>
  • 中学教育>
  • 高等教育>
  • 研究生考试>
  • 外语学习>
  • 资格/认证考试>
  • 论文>
  • IT计算机>
  • 法律/法学>
  • 建筑/环境>
  • 通信/电子>
  • 医学/心理学>
  • ImageVerifierCode 换一换
    首页 第壹文秘 > 资源分类 > DOCX文档下载
    分享到微信 分享到微博 分享到QQ空间

    17-60(田市跨诸永安溪高速公路特大桥、颜文)桥梁承台墩身施工安全技术交底.docx

    • 资源ID:1178144       资源大小:29.19KB        全文页数:8页
    • 资源格式: DOCX        下载积分:5金币
    快捷下载 游客一键下载
    账号登录下载
    三方登录下载: 微信开放平台登录 QQ登录
    下载资源需要5金币
    邮箱/手机:
    温馨提示:
    快捷下载时,如果您不填写信息,系统将为您自动创建临时账号,适用于临时下载。
    如果您填写信息,用户名和密码都是您填写的【邮箱或者手机号】(系统自动生成),方便查询和重复下载。
    如填写123,账号就是123,密码也是123。
    支付方式: 支付宝    微信支付   
    验证码:   换一换

    加入VIP,免费下载
     
    账号:
    密码:
    验证码:   换一换
      忘记密码?
        
    友情提示
    2、PDF文件下载后,可能会被浏览器默认打开,此种情况可以点击浏览器菜单,保存网页到桌面,就可以正常下载了。
    3、本站不支持迅雷下载,请使用电脑自带的IE浏览器,或者360浏览器、谷歌浏览器下载即可。
    4、本站资源下载后的文档和图纸-无水印,预览文档经过压缩,下载后原文更清晰。
    5、试题试卷类文档,如果标题没有明确说明有答案则都视为没有答案,请知晓。

    17-60(田市跨诸永安溪高速公路特大桥、颜文)桥梁承台墩身施工安全技术交底.docx

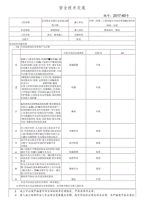
    安全技术交底编号:2017-60号工程名称田市跨永安溪台金高速公路特大桥施工单位中铁二局第二工程有限公司金台铁珞4标项目经理部一分劄作业班组桥梁班组施工部位桥柒承台、墩身工作内容承台、墩身施工交底时间交底人职务安全技术交底内容-、存4生的危险部位及容易产生后果可传引发约京离事件具险*t注1机械±毋未经斐收/机械普病侪Jk/'推作X会员无证上出/Jfe工场地不平整或良泥未及时清琰/由地/压不实/吊车.桑军支松木设置方木或班机牢固支撑/更场领工员未坚亲跟班指作作业/机械安设位置、方向不正瑜/作业人员迸场未经过培训机械假覆中度2未F格执行拆机楂施工专项方案/斌基城内来设搀水沟/按规.定深度检土或魅找的.未及行*E降坦测/疆南生需工时来对基坑目固及基坑发条筑老步/基忧挖出后是常过久,的矮娜扎.色浇筑,工序衔接不餐密,田间基炕.Jt太采取有效支护措施/主弦权水未定时植推/基坑四间存放套土或机械坍塌中度3Se电段珞式按TN-S系统设置/配电箱接卷未执行-n-ff1.-"/IE电带哀作接电保户/拉修埠推时电电未件有奴保护/非专业电工从事电县作业/电境在水中浸泡/二级箱、开关箱漏电开关动作电流时间不挣台要求/跳电艮路老化/乱校.乱挂电段/接头包扎不好/未断电在控电各设备触电中度4沱土机作史时.人火进入怆土机作业平径内/开挖机依无人指挥/挖提机司机未将证上悔/机械存在教序/it往车器时未谀立自人畿行火源指挥/无交通安全指示标志车辆伤害低度5高空作业去检安全带/进入淬基炕来迎安仝棒子/柱边无护栏或护栏谀置不存合要友高空坠需低度6施工场地不平整或洪泥未及时清理/场他碳任不实/史M大设JE方木女兵机械假期低度7起步兵及人员未斜正上虬,钢法僦不存金质量雯茨/吊钩未设置保段装置/机区普病作业起重伤害低度8作史人员出意小物/作史人员未把电安全懵/范炕i生就朱獴将1.5米以上安仝电离,W板安装彳:辉50.女肆不足/承台,城合捱工时作业人员任意处妁物体打击低度9暴雨季节涿水/私自违反规定游泳溺水中度二、作业中应该注京的安全事项(基本规定)1.所有作业人员必须接受安全培训教育,经考核合格后方准入场作业。2 .诙工中必须严格遵守项目部的规章管理制度,严禁违章作业等。3 .进入施工现场作业人员必须自觉保戴安全帽,高空作业时必须系好安全带,并严格遵守各自岗位安全操作规程。4 .现场作业人员必须服从现场管理人员的指挥,严禁违章蛮干。5 .所有机械设备操作人员及相关特种作业人员必须挣有效证件(资格证书)上岗,严禁无证上省操作.6 .各工序施工必须严格执行施工方案安全技术要求,有效加强风验源过程控制。7 .机械作业人员必须定时加强机械的维护保养,并严格机械进场做收制度,确保机械进场性能艮好。&对各级管理人员、监督人员检查发现的问例,必须及时采取措施进行整改.9 .袈子队、作业班组应切实开展好班组安全教育,严禁杜绝作业人员“三选规范施工用电作业,加强施工机械管理。10 .严格按要求开展班前安全讲话,阐明当班作业潜在安全风险,做好告知义务,同时按要求做好记录,并定期将班前安全讲话记录本上交安质部存档。°11 .施工期间应注意各种过往行驶车柄及场内车辆交通安全。12 .加强现扬用电管理,严格按照临电规范要求进行用电作业。13 .吊装作业必须设专人指挥,必须严格遵守吊装作业的相关安全管理规定。14 .所有机械设备的旋转部位必须设可靠防护罩。15 .禁止随意拆除或梆动各种防护装置、防护设施、安全标志、消防器材及电器设备三、针对危险部位采取的具体覆防措施(安全技术措施)1、承台井坑开挖安全技术措施施工人员进入施工现场必须佩戴好相应的安全防护用品,确保施工安全。作业人员严禁酒后作业。夜间施工应有足够的照明。(4)在作业中如发现有安全隐患时,必须立即上报现场管理人员,当危及人身安全时,必须停止作业,撤离施工现场。业人员传递工具和物料时不得他掷。基坑地质情况不良时应提前做打设钢板桩进行基坑防护,必要时在基坑四周设置观测点,加强基坑变形观测。(7)基坑四周1.-2m范围严禁堆放弃土或停放大型机械。深基坑人员上下应设专用爬梯,严禁沿基城壁四周徒手上下攀爬。(9)基坑施工须配备足卷的拍排水设备,对墓坑存在积水定时抽排,防止对基坑四周浸泡影响基坑四周稳定.进行基坑挖挹施工时作业人员必须设置专人指挥,作业人员严禁进入机械作业半径内。QI)基坑四周必须设置护栏防护,护栏高度为卜1.2m,并挂设密目式安全网,并设置必须的安全警示标志。基坑磴土清运必须及时进行,清运磴土时必须加强施工机械、车辆的交通安全指挥。(13)基坑开挖前,按照设计要求打设钢板桩进行防护。(M)在围护结构上将铜围堰及钢支撑同托架和钢丝绳连接牢固,并严格按照设计要求施做围堰下方的三角支撑。(15)钢板桩打设完毕后必须经过验收合格后方准投入使用。(16)必须按照监测方案要求,发现基坑出现变形或变形预警后必须暂停施工,分析原因并采取相关措施。(17)严格执行铜支捧轴力监测,及时补充损失轴力,确保支撑体系秘定。2,承台及墩身旅工安全指旅运送至工点承台及墩身钢筋使用炮车严禁乘坐人员,运送途中必须控制车场速度,确保运输交通安全。承台钢筋焊接人员、墩身模板施工高空作业人员必须配置安全带等必须劳动保护用品。坡身钢筋、模板作业前必须按照钢管架搭设规范牢固搭设铜管架,辆管进场必须经过相关都门检查骏收合格后方可投入使用.搭设钢管横距、步距、跨距符合安全要求,并设置作业平台,满铺木板,木板需进行绑扎固定,涉及作业平台临边必须设置好护栏防护,临边挂设弯目式安全网,作业平台下设置光网。雄身作业搭设钢管架作业人员必须持证上岗,操作人员必须身体健康。模板施工必须严格执行模板施工方案,模板质量符合要求,连接螺栓,对拉杆钢筋焊接、对拉杆钢筋间距必须符合安全要求。(6)使用程泵车进行硬泵送、模板吊袋作业时使用泵车.吊车进场前必须经机电部门进场验收合格,操作人员必须持证上岗,机械进入现场后,必须安设稳同“模板拆却施工必须由上至下进行,严禁上下重叠施工。吊车、挖报机等机械作业时必须设置专人指挥作业,吊车起重作业使用铜丝地、保险装置、转向系统、制动系统必须加强重点检查,确保机械性能良好,确保起重作业安全。(9)承台及嫩身模板拆除时必须有可靠的固定措施,以防发生假眼或垮塌事故。(10)受力杆件拆除前,必须对作业风险进行预判,明确拆除方式及顺序,设置固定措施,防止拆除过程中发生倾援。(11)水上施工前首先对进场施工作业人员进行安全交底,告知现场危险源点和安全要求及注意事项。<12)迸入水上施工作业区域的所有施工作业人员必须按照项目都制定安全生产管理规定要求执行,穿戴好安全防护用品;如:安全帽、救生衣、高空作业系好安全带等。(13)水上施工作业区域周边设置防护栏杆,防止建工作业人员落水发生事故。(14)施工作业时,禁止1.人施工作业,如施工作业必须两人以上方可进行曲工作业。(15)夜间施工作业时,现场必乡页保证足够的,照明设施。(16)现场设置的安全警示牌,警示灯、警示红旗任何施工人员不得擅自移动或拆除,如因工作需要,联系现场管理人员和项目部领导及安全部门同意以后,到现场监督或重新设置。(17)水上施工区域部位及周边设置安全警示牌、警示灯和警示红旗,设置在醒目部位。目的为了防止过往运输用船和施工作业人员的安全所采取的芨防预控措施。(18)六级以上大风及雨冬天气禁止进行高空作业。3,施工用电安全技术措施(1)所有从事电力工作人员必须经安全培训后持证上岗。必须配备试险合格的安全用具及劳保用品.(2)配电系统应设置配电柜或总配电箱、分配电箱、开关箱,实行三级配电二级保护。配电系统必须确保三相负荷平衡。必须采用铁制配电箱,不得使用木质配电箱。配电箱、开关箱、应安装在干燥通风常温场所。周围不得堆放任何妨碍操作维修的物品,箱内不得存放杂物。(4)配电箱、开关箱内的连接线必须采屈铜芯绝缘鼓,配电箱安装板上的工作零线要与壳体绝缘,保护零线要与金属电器安装板做电器连接。总配电箱应安装有短落、过我、漏电保护功能,熔断器应选用具有可靠灭弧分断功能的产品5)配电箱,开关箱必须按下列顺序操作:送电顺序:总配电箱一分配电箱一开关箱。停电顺序:开关箱一分配电箱一总配电箱。漏电保护器每天使用前应启动漏电试验按钮试跳一次,试跳不正常的严禁继犊使用。施工用电必须符合“一机、一闸、一海、一箱”的规定,其在正常情况下不带电的金属外壳,必须按规定做保护接零或接地。临时停电、停工休息或下班时,必须拉闸断电,镇好开关箱。用电设备必须接地良好,各种闸刀必须按规定安装保险丝,决不允许用铜铝线代替,更不允许接线不通过接境孔,而挂在同刀片上用电。铺设电缆严禁明铺在道珞上。工坨照明灯具必须使用绝线材料隔离,严禁碘鸨灯灯架捆绑在脚手架、锅管等导体上。(I1.)严禁电缆电线乱拖乱拉,电源线均应架空扎牢,严禁浸泡水中或沿地随意敷设。4.吊装作业安全技术措施4起重吊装设备操作人员必须受体健康,并经过专业培训考试合格,在取得有关都门颁发的操作证或特殊工种操作证后,方可独立操作,严禁非操作人员作业,严禁起重设备带病作业.42起重吊装作业必须有专人指挥,做到手势统一、信号明确:司机工作时,必须听从地面指挥人员(并且只能由1人指挥),但是无论什么人发出停车信号时均应停车,查明情况再开车;指挥人员应视野开拓、精力集中,密切注意起重物及起重机械四周情况,起重物未落稳、放实不得离开现场;起重前.指挥人员应仔细检查吊具、起重物是否捆绑牢固,确认安全后方可是吊.4.3 每日每次开机前,必须检查所有机械和电器设备是否艮好,操作系统是否灵活,并按规定对设备进行保养和独滑。4.4 吊装前应检查机械索具、夹具、吊环等是否符合要求并应进行试吊。4.5 吊装前应选择合适场地,确保地基承战力满足作业要求。4.6 必须按要求在支战下垫设枕木。4.7 起重臂下、回转半径内、起吊重物下及吊物有可能发生意外情况的范囹内严禁站人,起重作业时应设专人防护,严禁非作业人员进入起亶作业区域。4.8 每班第一次吊运物品以便吊运接近额定负荷的物品时,司机应先将重物起重至不超过50Cm高度,然后下降到接近地面时制动。4.9 禁止超负荷使用;禁止倾斜吊运物品,禁止人随物品一起升降,严格控制起吊物体的水平移动速度。4.10 严格遵守起重吊装的“十不吊”的规定:超过皴定负荷不吊;指挥信号不明、重量不明、光线暗淡不吊:吊索和附件捆搏不牢,不符合安全要求不吊;行车吊挂重物直接进行加工时不吊;歪拉施挂不吊;工件上站人或工件上浮放有活动物件的不吊:氧气瓶、乙块发生器等器具有爆炸性物品不吊:常棱角快口物件尚未垫好(防止钢丝地磨损或割断)不吊:埋在地下的物体未枭取措施不拨吊;违章指挥不吊。4.11 六级以上大风及雨雾等恶劣天气应暂停吊装作业。4.12 起吊用的钢丝能应经常检查,在尖锐、有芟角的地方使用应采取保护措施,避免造成应力集中而断裂.4.13 吊装作业时要有专人指挥,吊物、抛物半径范围内严禁人员进入。4.14吊装作业时吊车支腿必须全部伸出,支垫地基必须坚实平坦,使用完好的支垫,严禁在支腿下方横梁支垫。4.15吊运作业时,牵引吊运的缆风绳必须得到有效控制,防止吊

    注意事项

    本文(17-60(田市跨诸永安溪高速公路特大桥、颜文)桥梁承台墩身施工安全技术交底.docx)为本站会员(p**)主动上传,第壹文秘仅提供信息存储空间,仅对用户上传内容的表现方式做保护处理,对上载内容本身不做任何修改或编辑。 若此文所含内容侵犯了您的版权或隐私,请立即通知第壹文秘(点击联系客服),我们立即给予删除!

    温馨提示:如果因为网速或其他原因下载失败请重新下载,重复下载不扣分。




    关于我们 - 网站声明 - 网站地图 - 资源地图 - 友情链接 - 网站客服 - 联系我们

    copyright@ 2008-2023 1wenmi网站版权所有

    经营许可证编号:宁ICP备2022001189号-1

    本站为文档C2C交易模式,即用户上传的文档直接被用户下载,本站只是中间服务平台,本站所有文档下载所得的收益归上传人(含作者)所有。第壹文秘仅提供信息存储空间,仅对用户上传内容的表现方式做保护处理,对上载内容本身不做任何修改或编辑。若文档所含内容侵犯了您的版权或隐私,请立即通知第壹文秘网,我们立即给予删除!

    收起
    展开