欢迎来到第壹文秘! | 帮助中心 分享价值,成长自我!
第壹文秘
全部分类
  • 幼儿/小学教育>
  • 中学教育>
  • 高等教育>
  • 研究生考试>
  • 外语学习>
  • 资格/认证考试>
  • 论文>
  • IT计算机>
  • 法律/法学>
  • 建筑/环境>
  • 通信/电子>
  • 医学/心理学>
  • ImageVerifierCode 换一换
    首页 第壹文秘 > 资源分类 > DOCX文档下载
    分享到微信 分享到微博 分享到QQ空间

    16-08桥梁桩基施工安全技术交底(四鸟坑大桥).docx

    • 资源ID:1178100       资源大小:28.64KB        全文页数:8页
    • 资源格式: DOCX        下载积分:5金币
    快捷下载 游客一键下载
    账号登录下载
    三方登录下载: 微信开放平台登录 QQ登录
    下载资源需要5金币
    邮箱/手机:
    温馨提示:
    快捷下载时,如果您不填写信息,系统将为您自动创建临时账号,适用于临时下载。
    如果您填写信息,用户名和密码都是您填写的【邮箱或者手机号】(系统自动生成),方便查询和重复下载。
    如填写123,账号就是123,密码也是123。
    支付方式: 支付宝    微信支付   
    验证码:   换一换

    加入VIP,免费下载
     
    账号:
    密码:
    验证码:   换一换
      忘记密码?
        
    友情提示
    2、PDF文件下载后,可能会被浏览器默认打开,此种情况可以点击浏览器菜单,保存网页到桌面,就可以正常下载了。
    3、本站不支持迅雷下载,请使用电脑自带的IE浏览器,或者360浏览器、谷歌浏览器下载即可。
    4、本站资源下载后的文档和图纸-无水印,预览文档经过压缩,下载后原文更清晰。
    5、试题试卷类文档,如果标题没有明确说明有答案则都视为没有答案,请知晓。

    16-08桥梁桩基施工安全技术交底(四鸟坑大桥).docx

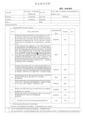
    安全技术交底编号:2016-08号工程名称四鸟坑1井、四鸟坑2#及黄谕坑大桥施工单位中铁二局第二工程有限公司金台铁珞4标项目经理部一分部作业班组冲击钻班组施工部位桥梁桩基工作内容钻孔桩施工交底时间交底人职务安全技术交底内容一、存在的危险部位及容易产生后果序号存在主要危险因素可能遣成的危害事件风险效备注1机械迸杨永投验收/机械带带作业/操作算驶员无证上岗/施工场地不平整或淤泥未及时清理/场地碾压不实/吊车.泵车支场未设置方木或铜板牢固支撑/现场领工员未坚持跟班指挥作业/机械安设位置.方向不正确/作业人员进就关羟过培训/运行使用操作不当/设备陈旧老化,安全性能主等.机械倾覆低度2主电缎米使用五芯线/迫g接地少于三登/照明灯具金属外壳米般接地保护/知明灯架使用钢斯/空气开关替代漏电保也错/用电设备接地域未与TN-S系统有效是域配电线路老化.破皮/用电设务与电地.开关不匹配/小型机具电缆至摄头/使用£属壁替代场所器慢篁接池线线行不符合要求/过或电缆未审管,展舞舞:啜嘴摩熬嘉续等舞矗髓亲符合要求/配电及路云按TN-S系统设置/用电线珞老化/灯具外壳案接地/电线等绕在锦松、钢的上/乱拉、乱接电线/保险丝不符合要求/漏电开关失灵/机具设备未接地或按至/移动甩电设备接电未使用插头/接头包扎不好,'未断电推拉电器设备/电线,沿地拖放等触电中度3钢隹绳有缺陷/卷扬机刹车失灵/检脩拈机随意推物/作业人员矩孔口距离过近/钢筋茏、导管片放挂钩未牢固或吊点不若合要定/吊车铺丝络不符合要求/铜筋影钢筋焊接质量不讣合要衣,强度不足/钢丝的挹士翻步不足或紧用强鼻不足/钢筋笼、导管号放无专人指痛/作业人员未强我安全帽.物体打击低度4检修钻机未拴安全带/虚孔未及时回埴/弃浆池、循环池未设置护栏及警示标志/濯注磴时作业人员造规站漏斗操作等整落低度5钻机皮劳转动部分外漏/钢丝地固结处的夹子或未等强度安装了作业人员跨培正在运转的卷扬机、钢丝绳钻到作业人员无证上周/下钢筋笼、添浇筑时无人指机械伤害低度6植基施工未设置交逋安全标志/现场作业时过往车辆薮魏秣!W罐产作山现场未好交遹事故低度7场他未平整、承致力军/设备带病作业/操作人且无迂条作/铜丝匿诵台要求/吊装作业不规菽建成规范要求等.起重伤害中度8未严格执行作息时间/现场未配各防暑降温药品等中黑中度二、作业中应该注京的安全本项(基本规定).所有作业人员必须接受安全培训教育,经考核合格后方准入场作业。2 .诙工中必须严格遵守项目部的规章管理制度,严禁违章作业等。3 .进入施工现场作业人员必须自觉佩戴安全帽,高空作业时必须系好安全带,并严格遵守各自岗位安全操作规程。4 .现场作业人员必须服从现场管理人员的指挥,严禁违章蛮干。5 .所有机械设备操作人员及相关特种作业人员必承持有效证件(资格证书)上岗,严禁无证上岗操作.6 .各工序施工必须严格执行施工方案安全技术要求,有效加强风险源过程控制。7 .机械作业人员必须定时加强机械的维护保养,并严格机械进场验收制度,确保机械进场性能良好。&对各级管理人员、监督人员检查发现的问例,必须及时采取措施进行整改.9 .袈子队、作业班组应切实开展好班组安全教育,严禁杜绝作业人员“三造”,规范施工用电作业,加强施工机械管理。10 .严格按要求开展班前安全讲话,阐明当班作业潜在安全风险,做好告知义务,同时按要求做好记录,并定期将班前安全讲话记录本上交安康部存档.11 .施工期间应注意各种过往行驶车柄及场内车辆交通安全。12 .加强现扬用电管理,严格按照临电规范要求进行用电作业。13 .吊装作业必须设专人指挥,必须严格遵守吊装作业的相关安全管理规定。14 .所有机械设备的旋转部位必须设可靠防护罩。15 .禁止随意拆除或梆动各种防护装置、防护设施、安全标志、消防器材及电器设备。三、针对危险部位果取的具体覆防措麓(安全技术措箍).1.冲击钻机安全操作规程1.1 安装钻机的场地应平整、坚实。若在松软地层处安装财机,应对地基进行处理,然后铺垫枕木,保证钻机在工作时的稳固性,以免钻机在钻进工作中发生局部下沉.影响钻孔精度。1.2检查并调整各操统系统,使之灵活可靠,性能艮好。1.3钻进中应经常注意和检查机器运行情况,如发现轴瓦、钢丝绳、皮带等有损坏或机件操作不灵等情况,应及时停机检查修理,严禁带“病”作业。1.4 下钻速度不能过快,应用闸把控制下落速度,以免翻转、卡钻。1.5 每次去下位具、抽筒应有三人操作,并检查钻角、提梁、钢丝绳、物卡、保护铁、抽筒活门、活环螺丝等处的完好程度,发现问邈应及时处理。具体要求如下:< 1)钻角磨损2cm,应补焊至原直径。< 2)钻具提梁直径磨损超过1/3者应补焊至原直径。(3)主挹的卡不得少于三个,副绳,绳卡不得少于两个,绳,卡蛛丝应紧固。(八)如保护铁磨损至钢丝与提梁直接接触.应更换保护铁。(5)抽筒活门应灵活,活环螺丝应紧固。< 6)当钢丝绳断丝超过10%或一股的"2以上者.应将破坏部分判去,否则禁止继续使用。破坏部分较多时,应更换新绳.1.6钻机突然发生故障时,应立即拉开离合器,如离合器操作失灵,应立即停机.1.7 操作离合器手把时,用力应平稳,不得猛拉猛推,以免迨成钻机震动过大或拉断钢丝挹。1.8 遇到暴风、暴雨、和雷电时,禁止开车,并应切断电源。1.9 基岩钻进时,开孔轴头和更换钻头均应枭用同一规格,励进一定深度后应起钻、下抽筒清理孔底钻渣,以免卡钻。1.IO钻进中,突然发现有埸孔迹象或成槽以后突然大量湘浆,应立即采取措施迸行处理。1.n钻机配用的钢丝绳应符合:大绳直径2832mm,小能直径1516刖,少于此规定者禁止使用。1.12改变电动机转向,应在电机停稳后方可进行。1.13 运行中,如遇钢丝绳,缠绕,应立即停机拨开,钻机未停稳前严禁拨弄。1.14 钻机移动前,应将车架轮的道掩取掉,松开硼能,摘掉挂钩,钻头.抽篇应提出孔口.经检查确认无障碍时,方可移车;并慎用付卷场移车。1.15电动机停止运楂前,禁止检查钻机和加注黄油,严禁在桅杆上工作。1.16 当钻具提升到梢口时,应立即打开大链离合器,同时将卷筒闸住。禁止将钻具提升在桅杆中部进行抽砂作业。1.17 钻进中使用的各种钻具,用完后应及时放回适当位置,不能放在槽孔边绿,以免掉入植孔内。1.18 上桅杆进行高空作业时,应保、蚊安全带;动力闸刀,应设专人看管。严禁高处作业人员与地面人员闲谈、说笑,1.19钻机后面的电线应架空,以免妨碍工作及造成触电事故。1.20 因突然停电或其它原因停机,而短时间内不能送电、开机时,应采取措法将钻具提褥孔底5m以上.以免怙具埋死,若采用人工转动,应先拉掉电源。1.21 孔内发生卡钻、掉钻,埋钻等事故,应摸清情况,分析原因.方能采取有效措施进行处理。不得盲目行事。2.他孔桩趋工用电及电气切割安全技术措施1.1 I钻孔桩使用的设备电源线必须是整根导线,不得有破皮、接头。1.2 钻孔桩的控制电箱,严禁外接其他用电设备,必须严格执行“一机1.同一漏”。1.3 3用电接路的安设维修必须用持证的电工进行操作,产蔡无证人员操作用电发路。1.4 漏电保护器每天使用前应启动漏电试脸按钮洗跳一次,试跳不正常的严禁继续使用。1.5 施工用电必须符合“一机、一闸、一漏、一箱''的规定,其在正常情况下不带电的金展外,必须按规定做保护接零或接地.临时停电、停工休息或下班时,必须拉闸断电,锁好开关箱。1.6 用电设备必须接地良好,各种闸刀必须按规定安装保险丝,决不允许用铜铝线代替,更不允许接线不通过接线孔,而挂在闸刀片上用电。1.7 7注意安全用电.电线不准乱拖乱拉.电源线均应架空扎牢.跨越道路电缆必须挖沟土埋.严柒明铺在道路上。1.8 使用电焊机必须进行保护接地,电焊机接地零线及电焊工作用鼓梆不准搭在易燃、易爆的物品上,也不准确接在管道和机床设备上。工作用线应绝绿良好,机充接地必须符合安全规定.1.9 使用氧气瓶、乙烘展时,两者防止距离不得小于5m,氮气瓶距褥明火的距离大于10m,且乙烘瓶必须设置回火阀,作业时必须严格遵守焊割作业操作规程及其他相关规定。1.10 IO焊接场地,禁止存放易燃易爆物品,应备有消防器材。保证足够的照明和良好的通风。1.11 电焊机使用前,应检查电焊机外壳绝嫁是否良好,工作完毕检查现场,灭绝火种,切断电源。1.12 电焊机接地零线及电焊工作用歧都不准搭在易燃、易爆的物品上,也不准确接在管道和机床设备上.工作用线应绝缘良好,机壳接地必须符合安全规定。1.13 工作前必须检查所有设备。乙焕发生器、氯气瓶及橡胶软管接头、阀门及紧固件应紧密牢靠,不准有松动、破损和漏气现象,氧气瓶及其附件、椽皎软管、工具上不能沾染油脂和泥垢。2 .14压力容器及压力表、安全阀,应按规定定期送交校验或试验,检查调整压力器件及安全附件。3 .泥浆池及护面埋设安全措施3埋设护筒必须高出地面30Cm以上,护窗四周并夯填密实。3.2 设置昵浆池必须在四周设置牢固护栏及密目式安全网,并悬挂警示标志,护栏设置应做到美观牢同,施工中,严禁随意破坏护栏设施。3.3 成孔浇筑於完毕后必须及时对孔进行回填处理或设置明显的警示标志。3.4 泥浆池内泥浆必须定时清理.防止泥桨池谩流泥浆至施工现场,清运及处理符合环保要求。3.5 挖掘机旋转半径内严禁有人,作业时必须安排专人指挥。4 .吊装作业安全技术措施4.2 起重吊装设备操作人员必须身体健康,并经过专业培训考试合格,在取得有关郎门领发的操作证或特殊工种操作证后,方可独立操作,严禁非操作人员作业,严禁起重设备带病作业。4.3 是重吊装作业必须有专人指挥,做到手势统一、信号明确;司机工作时,必须听从坨面指挥人员(并且只能由I人指挥),但是无论什么人发出停车信号时均应停车,查明情况再开车;指挥人员应视野开拓、精力集中.密切注意是重物及是重机械四周情况,是重物未茬稳、放实不得离开现场:起重前,指挥人员应仔细检查吊具、起重物是否捆绑牢固,确认安全后方可起吊.4.4 每日每次开机前,必须检查所有机械和电器设备是否良好,操作系统是否灵活,并按规定对设备进行保养和润滑。4.5 吊装前应检查机械索具、夹具、吊环等是否符合要求并应进行试吊。4.6 吊装前应选择合适场地,确保地基承戮力满足作业要求。4.7 必须按要求在支腿下垫设枕木。4.8 起重灯下、回转半径内、起吊重物下及吊物有可能发生意外情况的范围内严禁站人,起重作业时应设专人防护,严禁非作业人员进入起重作业区域。4.9 每班笫一次吊运物品以便吊运接近独定负荷的物品时,司机应先带重物起重至不超过50Cm高度,然后下降到接近地面时制动。4.10 禁止超负荷使用;禁止帧斜吊运物品,禁止人随物品一起升降,严格控制是吊物体的水平移动速度。4. 10严格遵守起重吊装的“十不吊”的规定:超过额定负荷不吊:指挥信号不明、重量不明、光或暗淡不吊:吊索和附件捆博不牢,不符合安全要求不吊;行车吊挂重物直接进行加工时不吊;歪拄械挂不吊;工件上站人或工件上浮放有活动物件的不吊:氧气瓶、乙块发生器等器具有爆炸性物品不吊;带棱角快口物件尚未垫好(防止钢丝强磨损或割断)不吊:埋在地下的物体未采取措施不援吊:违章指挥不吊。1 .11六级以上大风及雨雾等恶劣天气应暂停吊装作业。四、应急处支措款

    注意事项

    本文(16-08桥梁桩基施工安全技术交底(四鸟坑大桥).docx)为本站会员(p**)主动上传,第壹文秘仅提供信息存储空间,仅对用户上传内容的表现方式做保护处理,对上载内容本身不做任何修改或编辑。 若此文所含内容侵犯了您的版权或隐私,请立即通知第壹文秘(点击联系客服),我们立即给予删除!

    温馨提示:如果因为网速或其他原因下载失败请重新下载,重复下载不扣分。




    关于我们 - 网站声明 - 网站地图 - 资源地图 - 友情链接 - 网站客服 - 联系我们

    copyright@ 2008-2023 1wenmi网站版权所有

    经营许可证编号:宁ICP备2022001189号-1

    本站为文档C2C交易模式,即用户上传的文档直接被用户下载,本站只是中间服务平台,本站所有文档下载所得的收益归上传人(含作者)所有。第壹文秘仅提供信息存储空间,仅对用户上传内容的表现方式做保护处理,对上载内容本身不做任何修改或编辑。若文档所含内容侵犯了您的版权或隐私,请立即通知第壹文秘网,我们立即给予删除!

    收起
    展开