欢迎来到第壹文秘! | 帮助中心 分享价值,成长自我!
第壹文秘
全部分类
  • 幼儿/小学教育>
  • 中学教育>
  • 高等教育>
  • 研究生考试>
  • 外语学习>
  • 资格/认证考试>
  • 论文>
  • IT计算机>
  • 法律/法学>
  • 建筑/环境>
  • 通信/电子>
  • 医学/心理学>
  • ImageVerifierCode 换一换
    首页 第壹文秘 > 资源分类 > DOCX文档下载
    分享到微信 分享到微博 分享到QQ空间

    液氮储罐泄露应急预案范文.docx

    • 资源ID:1123189       资源大小:14.88KB        全文页数:4页
    • 资源格式: DOCX        下载积分:5金币
    快捷下载 游客一键下载
    账号登录下载
    三方登录下载: 微信开放平台登录 QQ登录
    下载资源需要5金币
    邮箱/手机:
    温馨提示:
    快捷下载时,如果您不填写信息,系统将为您自动创建临时账号,适用于临时下载。
    如果您填写信息,用户名和密码都是您填写的【邮箱或者手机号】(系统自动生成),方便查询和重复下载。
    如填写123,账号就是123,密码也是123。
    支付方式: 支付宝    微信支付   
    验证码:   换一换

    加入VIP,免费下载
     
    账号:
    密码:
    验证码:   换一换
      忘记密码?
        
    友情提示
    2、PDF文件下载后,可能会被浏览器默认打开,此种情况可以点击浏览器菜单,保存网页到桌面,就可以正常下载了。
    3、本站不支持迅雷下载,请使用电脑自带的IE浏览器,或者360浏览器、谷歌浏览器下载即可。
    4、本站资源下载后的文档和图纸-无水印,预览文档经过压缩,下载后原文更清晰。
    5、试题试卷类文档,如果标题没有明确说明有答案则都视为没有答案,请知晓。

    液氮储罐泄露应急预案范文.docx

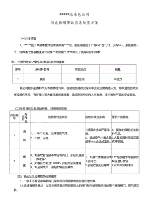
    *总承包公司液氮储罐事故应急处置方案(一)井本情况1、*位于某某市望成区郭亮中路*号,液氮储魏位于厂内IIa厂房门口,设有30m,液氮储堆一个。线体通过管道输送到车间生产岗位用气.大大降低了使用风险和成本.表I:主要的危险化学品原材料名称及储蓄量序号原材料名舞存放地点储量1液氨罐区内30立方我公司提供的原料气为不燃情性气体,在使用及储存过程中不会发生燃烧或火灾,如果遇到自然灾害或操作失控,有可能出现大量低温液体泄漏,造成密闭空间内人员室息、冻伤等较严重的安全事故。(二)危险目标及其危险转性、对周围的影嘀目标编号险标#急目名危险种性或状态危险后果及多晌覆防扑救措施1液氮1、-196CC无色、无味情性气体。2、不燃、无毒。1,泄漏会造成严童冻伤.2、造成空气中氧含量低于18%会造成富息。1、操作时佩戴,防冻防护用品。2.大量泄漏时保戢正压式呼吸器。2罐区3、卸液软管连接不牢固或残旧,引起低温液体泄漏O4、贮罐压力超过1.68MPa,引起安全阀泄漏。5、安全阀失灵,引起贮罐超压爆炸。1、低温气体泄漏造成人身冻伤.2,引起贮瀛超压爆炸。1.严格按槽车卸液操作规程进行作业;2.安全阀定期送检。(三)事故发生应果取的处理指焉1 .一般工艺管道破裂和阀门密封部位泄漏事故的应急处理方案1.1.迅速查明泄漏点,立即关闭泄漏点两端管段上的阀门和与该管线相接的每个储旗阀门,把气源切断。1.2 禁止1.切车辆和人员在附近逗留。同时派人员向单位负责人和设备厂家报告发生泄漏的具体情冗及正在果取的措施。1.3 负责人接到报告后,应立即到现场组织人员进行处理,停止一切作业活动。撒高无关人员,并安排专人对已关闭的储罐阀门进行监控.1.4 泄漏点环境的气体经检验合格后,拆卸泄漏的管道,移至安全地点,由工程人员将管道泄漏点焊接修补,如无法焊接修补的直接更换,阀门或密封垫应同时更换。2 .与体宜按相连的阀门、法兰密封处、管件出现I外泄清时的应急抢救方案2I用湿棉被包住泄漏点,用水对其进行喷射冷却,使之冻成冰坨,以减少泄漏。2.2 视贮罐内液体的量确定是否需要转移罐内液体.如果液位较低无转移价值可先用泵尽量打低贮罐内液体,剩余气体排入回收谖冲罐,或者直接排空。2.3 经检测符合安全标准后,对损坏的阀门、片用相同型号的产品更换,对损坏的管件予以修复。2.4 在抢救中,若泄漏量很大,无法控制事故.应迅速疏散生产区内所有人员.扩大警戒线,立即报警】19,通知设备厂家到场处理.3车装券台处发生险情的应急抢险方案罐车装卸台处的险情一般是装卸连接管线或阀门出现泄漏事故,其抢险方案可参照上述第1款的内容。在球车装卸中,管或出现泄漏时:3.1 立即关闭螳车紧急切断阀和手动阀门,停止所有充装作业,停运机泵,关闭所有相关的阀门.3.2 立即指挥人员设置封闭进入标志,不准无关人员、车辆进入泄海区。3. 3总指挥和抢险救灾人员到达现场后,现场交由总指挥控制指挥。3.4 安全技术人员及消防抢险人员,进入泄漏区必须配戴空气呼吸器,防止由于空气中氮含量降低导致空息。3.5 启动消防水泵喷淋泄漏点。3.6 同时,立即报警119°4抢险抢修工作的要求4.1 抢险抢修人员必须按规定穿戴防护工作原装,京好防护帽、防冻手灰、护目优和空气可吸鼻.4.2 熄灭站内一切火柠和火源,周围禁止一切车辆行驶。4.3 抢救时必须使用防爆工具,要避免金属物品的相互碰捶,不要乱扔物品。需照明时要使用防爆灯具。4.4 抢险抢修人员要听从施一指挥,不得蛮干,尽快处理。4.5 如有紧急情况,立即拨打“119”报警,请求支援。5事故隐患的观察与排除在观察和捧除事故隐患时,要学握以下几点:4.1 对储罐、设备、管道及各类附件任何部位的泄漏也不能放过,应及时采取措施.加以排除。4.2 要经常注意观察和分析罐区常见故障排除后的状况,检查是否还有漏液、漏气的现象和隐患。4.3 根据气温的变化和设备运行状况,及时调整各项作业方案和设备运行参数,并采取防冻或降温措施,防止异常情况的发生。四)人员紧急疏散、««1.事放现场人员的确认、疏散及撤离(1)生产车间在开机前确定上岗人员姓名.上岗人数;发生事故必须准确报告事故现场人员姓名及数量;(2)事故现场人员疏散方式:一股事故应先扑救,后撤离:重大事故来不及撤喜,由疏散组给予救助。2、非事故现场人员的疏散(1)生产车间非事故现场人员在灾情发生后,应服从指挥.听从调纪指令,坚守生产岗位:(2)非生产区人员应听从指挥组指令,就地待命,随时准备参与抗险工作:(3)若灾情影响到非生产区,需要按紧急疏散线路分批疏散.3、抢救人员的报告由指挥组核实抢险救灾各组人员,各组人员在抢险结束后,接离现成后应核准人数向指挥组报告。(五)危险区的IW1、本企业将已发生重大化学品事故、燃烧爆炸事故、火灾事故或者存在重大安全隐患,对人员安全、财产安迪成重大威胁的工序及其场所列为危险区:2.发生事故生产车间根据灾情范围确定危险区,公司指挥组确认后放置或标示警戒线;3、警戒线可以用麻绳图定,也可以用物料在周围警示;4、发生事故后,后勤疏散殂应根据疏散线路,在安全出口及主要路口进行疏导。安全生产十项注意事项:一、工作前穿峨好规定的劳动防妒品,检或设备及作业场地,做到安全可能.二、不违章作业,井监督制止他人违章作业。三、不准擅自开动别人操作的机械,电器开关设备量高作业应贼好安全带、安全幅、并有专人监护、防止坠落,严禁向下乱拈工具和设备零件.四、不准随便拆除各种安全防护装置、信号标志、仪表及专指示器等,保持设得齐全有效灵敏可箍,五、不准随意启动设的.机潺设备停机检查或修理时.应切断电源并悬挂警示牌.取牌人应是挂牌人.开机时发出信号,听到回音确定安全后才能开机。六、不准吊装物及下行人.多人操作起重搬运要统一指挥,密切配合,不准超负荷使用机器。七、不在易燃物品附近吸烟动火,不乱扔垃圾.八、不在厂内无证驾驶机动车辆,机动车进出车间转驾必须叫号减速,车辆行驶中严禁胆上跳下。九、工作时精力集中,不准打闹、赤脚、赤膊、穿拖鞋和高跟鞋.十、上班时间不准怠工、滋事、脱出或擅离职守,有事请假经颖导批准后方可离开岗位.

    注意事项

    本文(液氮储罐泄露应急预案范文.docx)为本站会员(p**)主动上传,第壹文秘仅提供信息存储空间,仅对用户上传内容的表现方式做保护处理,对上载内容本身不做任何修改或编辑。 若此文所含内容侵犯了您的版权或隐私,请立即通知第壹文秘(点击联系客服),我们立即给予删除!

    温馨提示:如果因为网速或其他原因下载失败请重新下载,重复下载不扣分。




    关于我们 - 网站声明 - 网站地图 - 资源地图 - 友情链接 - 网站客服 - 联系我们

    copyright@ 2008-2023 1wenmi网站版权所有

    经营许可证编号:宁ICP备2022001189号-1

    本站为文档C2C交易模式,即用户上传的文档直接被用户下载,本站只是中间服务平台,本站所有文档下载所得的收益归上传人(含作者)所有。第壹文秘仅提供信息存储空间,仅对用户上传内容的表现方式做保护处理,对上载内容本身不做任何修改或编辑。若文档所含内容侵犯了您的版权或隐私,请立即通知第壹文秘网,我们立即给予删除!

    收起
    展开