欢迎来到第壹文秘! | 帮助中心 分享价值,成长自我!
第壹文秘
全部分类
  • 幼儿/小学教育>
  • 中学教育>
  • 高等教育>
  • 研究生考试>
  • 外语学习>
  • 资格/认证考试>
  • 论文>
  • IT计算机>
  • 法律/法学>
  • 建筑/环境>
  • 通信/电子>
  • 医学/心理学>
  • ImageVerifierCode 换一换
    首页 第壹文秘 > 资源分类 > DOCX文档下载
    分享到微信 分享到微博 分享到QQ空间

    沥青混凝土面板防渗层单元工程质量评定表.docx

    • 资源ID:1123043       资源大小:17KB        全文页数:2页
    • 资源格式: DOCX        下载积分:5金币
    快捷下载 游客一键下载
    账号登录下载
    三方登录下载: 微信开放平台登录 QQ登录
    下载资源需要5金币
    邮箱/手机:
    温馨提示:
    快捷下载时,如果您不填写信息,系统将为您自动创建临时账号,适用于临时下载。
    如果您填写信息,用户名和密码都是您填写的【邮箱或者手机号】(系统自动生成),方便查询和重复下载。
    如填写123,账号就是123,密码也是123。
    支付方式: 支付宝    微信支付   
    验证码:   换一换

    加入VIP,免费下载
     
    账号:
    密码:
    验证码:   换一换
      忘记密码?
        
    友情提示
    2、PDF文件下载后,可能会被浏览器默认打开,此种情况可以点击浏览器菜单,保存网页到桌面,就可以正常下载了。
    3、本站不支持迅雷下载,请使用电脑自带的IE浏览器,或者360浏览器、谷歌浏览器下载即可。
    4、本站资源下载后的文档和图纸-无水印,预览文档经过压缩,下载后原文更清晰。
    5、试题试卷类文档,如果标题没有明确说明有答案则都视为没有答案,请知晓。

    沥青混凝土面板防渗层单元工程质量评定表.docx

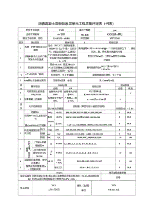
    沥青混凝土面板防渗层单元工程质量评定表(例表)的位工出名称XX灿单元工科肽240.1分部工程名称Rr*面款Mi1.KiftXXXjMnRUI触元工和名称、部位B3(HX冷(H(H2评定日期X年*月XEI项次保i£项目版Ift标准I检验记录1Bi青、矿界'挎料及比化潮有冷合(M1.X1.1.物怏计蜜素,SP22O-行上不垠狂欢沛有;U破上访法后林工娱依试行)果用道第GO甲.>WSY821.-77.以碎石及砂为了“,清石灰为,鼻,乳化葡12,凰量均令格2旧材料配合比出机口勘浒湖合料及温度存个(规商】刊出计视之.SU22O-,“土石城”吃式丸商施於I.防毋CI:-UW)配合比付K3定,出机口度符合SD220-87细定3防滑层层间处理符合<f1.iS)规定,SD22O-«7C土石坝碾IK式沥青滋稼1:防漆堵色工规范T(试行)厦向处建符合4502217第4.&7条7111.X94rM«1戊H刖的烧“我相,'«:总相互错开,无上下通胤f层同按箱相互移开,无上下M5i«卉很世土勖格丛裳而无裂笠h流清,鼓包无0,IM与>t包项次基本项目MiM标准检验记录痂M等级合格(tft合格优良I沏件混凝土的淮透iik1011s合格率大于等F90合格率大于券于95%机口取禅1盘,KttxettJKftkF1.20×10*as2沏青混凝土孔隙率合格率大于等于90%介恪率人<等于95%n*wifi.孔it*ffW求项次允许伯弟项目设计Ifi允许偏差实制值(单位与设计值的位相同什性欧<H>1沥青阳4200ks±0.5%200,199,200,202.199.200,201,199,200,200990.0粒粒0.074m以上各找令科供叫±2.0%900,905,900,900,咯80,900,900,906,900880.0植f0.07111n以下埴科HOOkg士1.0%IIo(U1.oo,11Ia1090tI1.OOt992,1106,1065,1090.1100880.02机强用温度拉理次幻定机口16Qe±25160,160,160,158,160»150v140,136,132,133880.0初碾norX)C110»110,112.110,109,110,112v110v100»110990.0终碟80CX)C90.80.80.82t80,8b80,8,82,80101003筑的工缱ai犍层的接铺上下层木平接缝铺距MIn0-20c1.Z1.O1.1.v1.4v1.0,1.1>1.0.1.0.1.2v1.1.990.0上FM条Mtt向城MMftfUIZnMttXit)1.59»0-20ca1.5,1.5»1.6.1.5.1.6,1.6.1.1.1.Bv1.5»1.6101004语筑层乐实用度,按设计原度计2(k11(TO0)%20.20.21.20,19,20.20,19,18.1991005搐筑反而平整慢,花2(位图起伏差举犬门310,10>7,8>5,¼5,3v9.11990.0if%球元程成最等彼保证JS目全JiJM出符合帧Irt标准I格小项I1.全都符合合格标准,其中50.0%项达良标准:允许Ie4项目各项实观点分格率为80.0%100。,合格够工单位XXX大年X月X日建改监理单位XXXX年XJ1.X日填表说明填表时必须遵守“填表基本现定”.并符合以下要求.1 .项元工程划分:每一施工区的每一铺筑层为一个单元工程,面板与刚性建筑物连接郃位,按其连续族工段(一般3050)划分单元工程,如面板与坝脸破水墙连接时,其中的好一个施工段即为一个单元1."2 .单元工程量:填写防渗层面积(m).3 .保证项目栏中项次1,2的质fit标准是符合规范和设计要求,项目3的质fit标准是符合观范规定,本例是执行规范,故填写SD22O87(土石坝碾压式沥钾混凝土防盗俄施工规范?(试行4 .检验方法及数S1.(I)保证项目:现场观察、检式施工记录,试验报告及放样记录.法木顶目:每铺筑层的姆500100W至少取-啾(3个)试件:或出3050m'用非破损性方法桧测,在仓面及接f处各选一测点,井每灭机口取样一次检脸。(3)允许偏差项目项次1采取机1.1.或坝面取样做抽提试验,每天至少一次:检查试5金报告(填料百分数.系指用fit为矿料的百分数).项次2采取机口每盘Bt测一次:检查检测记录,坝面降3O5O三:测一点,检杳检测记录,项次3采取检查施工记录或观测,测点不少于10个(n为铺筑层数),项次4采取隔套取样出测.每100m:测1点,检查检测记录,项次4用2m旅尺检测,检测点每天不少于10个:检查检测记录.5 .单元工程质限标准。合格:保证H符合相应的质量评定标准;基本项目应符合相应的合格质量标准;允许偏差项目每项须有大干警于90%的测点在相椅的允许偏差防跳标准蒐围内.优良:保证J目符合相应的质量评定标准:基本项目须符合相应的合格版J1.t标准,其中须有大于等于50%项目符合优良质"标准:允许偏差项目短项须有大于等于90%的测点在相应的允许偏差质量标准范用内.,

    注意事项

    本文(沥青混凝土面板防渗层单元工程质量评定表.docx)为本站会员(p**)主动上传,第壹文秘仅提供信息存储空间,仅对用户上传内容的表现方式做保护处理,对上载内容本身不做任何修改或编辑。 若此文所含内容侵犯了您的版权或隐私,请立即通知第壹文秘(点击联系客服),我们立即给予删除!

    温馨提示:如果因为网速或其他原因下载失败请重新下载,重复下载不扣分。




    关于我们 - 网站声明 - 网站地图 - 资源地图 - 友情链接 - 网站客服 - 联系我们

    copyright@ 2008-2023 1wenmi网站版权所有

    经营许可证编号:宁ICP备2022001189号-1

    本站为文档C2C交易模式,即用户上传的文档直接被用户下载,本站只是中间服务平台,本站所有文档下载所得的收益归上传人(含作者)所有。第壹文秘仅提供信息存储空间,仅对用户上传内容的表现方式做保护处理,对上载内容本身不做任何修改或编辑。若文档所含内容侵犯了您的版权或隐私,请立即通知第壹文秘网,我们立即给予删除!

    收起
    展开