欢迎来到第壹文秘! | 帮助中心 分享价值,成长自我!
第壹文秘
全部分类
  • 幼儿/小学教育>
  • 中学教育>
  • 高等教育>
  • 研究生考试>
  • 外语学习>
  • 资格/认证考试>
  • 论文>
  • IT计算机>
  • 法律/法学>
  • 建筑/环境>
  • 通信/电子>
  • 医学/心理学>
  • ImageVerifierCode 换一换
    首页 第壹文秘 > 资源分类 > DOCX文档下载
    分享到微信 分享到微博 分享到QQ空间

    5交C锥形基础计算.docx

    • 资源ID:1118579       资源大小:35.74KB        全文页数:5页
    • 资源格式: DOCX        下载积分:5金币
    快捷下载 游客一键下载
    账号登录下载
    三方登录下载: 微信开放平台登录 QQ登录
    下载资源需要5金币
    邮箱/手机:
    温馨提示:
    快捷下载时,如果您不填写信息,系统将为您自动创建临时账号,适用于临时下载。
    如果您填写信息,用户名和密码都是您填写的【邮箱或者手机号】(系统自动生成),方便查询和重复下载。
    如填写123,账号就是123,密码也是123。
    支付方式: 支付宝    微信支付   
    验证码:   换一换

    加入VIP,免费下载
     
    账号:
    密码:
    验证码:   换一换
      忘记密码?
        
    友情提示
    2、PDF文件下载后,可能会被浏览器默认打开,此种情况可以点击浏览器菜单,保存网页到桌面,就可以正常下载了。
    3、本站不支持迅雷下载,请使用电脑自带的IE浏览器,或者360浏览器、谷歌浏览器下载即可。
    4、本站资源下载后的文档和图纸-无水印,预览文档经过压缩,下载后原文更清晰。
    5、试题试卷类文档,如果标题没有明确说明有答案则都视为没有答案,请知晓。

    5交C锥形基础计算.docx

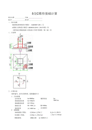
    5交C锥形基础计算项目名尊日M设计*校对*一、设计依据E建筑地基基础设计规他(GB50007-20U)£混凝土结构设计规范GB50010-2010(2015年版)简明高层钢筋混凝土结构设计手册?李国胜(第二版)二、示意图三、计算信息构件编号:JCT计算类型:验算截面尺寸1 .几何参数定形柱宽be-900Hm城形柱高基础端部高度hi=350nf11基础根部高度h2=150wn基础长度B1.=800三nB2=800m基础宽度1.-80011m2-8O011三hc-90011mfc_b=1.1.9N'11三:fcc=1.1.W/mn:2 .MMfSB加础混凝土等级:C25ft.b=1.27N三1柱混凝土等级:C25ftc=1.27N11tn1钢筋级别:HRB-100fy=360N11三,3 .计算信息结构虫要性系数:Yo=I.0基础埋深:dh=1.600纵筋合力点至近边距肉:as40mn基础及其上用土的平均容色:Y=20.OOCkNZm'最小配筋率:p三in=O.15O4 .作用在基础顶部荷载标准组合值F=59.OOOkNMx=22.OOOkN*mMy=26.OOOkN*mVx=16.OOOkNVy="14.OOOkNks=1.35Fk=Fks=598.000/1.35-142.963kNMxk=Mxks=22.000/1.35=16.296kN*mMyk-Myks26.000/1.35-19.259k*mVxk=Wks=16.000,/1.35=1.1.852kXVyk=VyZks=-M.000/1.35=-10.37OkN5 .脩正后的地基承载力特征假fa=244.400kPa四、计算敷I.茶础总长Bx=B1.+B2=0.800P.800=1.600m6 .荔础总宽By=A1.+2=0.8000.800-1.600m7 .基础总高Ihh1.*h20.350*0.150-0.500m8 .底板配筋计算高度ho=h1.+h2-as=0.350+0.150-0.(M0=0.WOm9 .施础底面积A=BX*By=1.600*1.600=2.560/10 Gk=*BxBy*dh=20.0001.600«1.600*1,600=81.920kNG=1.35*Gk1.35*81.920=110.592kN五、计算作用在旃底部弯矩值Mdxk=Mxk-Vyk*!=16.296-(-10.370)*0.500=21.481kN*nYdyk=Myk+Yxk*H=19.259+11.8520.500=25.185kNnMdx-MxVy*1.1.-22.OOO(-14.OOO)0.500-29.OOOkXmMdy=My÷Vx*H=26.000+16.000*0.500=34.W)Okv六、Ift算地基承敏力1 .脸尊轴心荷载作用下地域承栽力Pk=(FkWk)/R=(442.963*81.920)/2.560=205.032kPa【5.2.2-2因Y。*Pk=1.O*205.032=205.O32kPafa=244.400k1.,a轴心前我作用下地葩承载力涌足要求2 .脸笄偏心荷栽作用下的地基承载力exk-Mdyk(Fk*Gk)=25.185/(442.963+81.920)-0.018m因exkBx6=0.267mX方向小信心,由公式05,2.2-2和【®5.2.2-31推导PkmiI1.X=(FkGk>A+6*!MdykI/(BxBy)-(442.963*81.920)/2.560*6*25.185(1.600,1.600)=241.925kPaPkmin_x=(Fk*Gk)-6*IMdyk(Bx*By)=(442.963+81.920)/2.560-6*125.185(1.60011,600)=168.ItOkPaeyk=,Mdxk/(Fk)=21.481/<442.963+81.920)=0.041m因IeykBy6=0.267my方向小偏心PkmiIX_y=(FhGk)A+6*iMdxk(ByBx)-(442.963*81.920)/2.560*6*21.4811(1.60011.600)=236.499kPaPkmin_y=(Fk+Gk)A-6*MdxkI/(By*Bx)=(442.963+81.920)/2.560-6*121.1811/(1.600、1,600)=173.565kPa3.确定基础底面反力设计值PkmaX=(Pk三ax-pk)+(Pk三ax-y-pk)+pk=(241.925-205.032)+(236.499-205.032)-205.032=273.392kPayo*Pkmax=1.()*273.392=273.392k1.,aI.2<fa=1.2*244.400=293.28OkPa偏心荷我作用下地就承领力涵足要求七、基砒冲切破算1 .计灯基础底面反力设计值1.1 1计算X方向基础底面反力设计值ex=M<1.y(F+G)=34.000/(598.00(K110.592)=0.048m因exWBx/6.0=0.267mX方向小俏心PaaxX-(FG)/A6*MdyI/(Bz*By)=(598.OOOT1.O.592)/2.560+6*34.000(1.600«1.600)=326.598kPaIin.x=(F+G)A-6*Mdy/(BXXBy)=(598.000H10.592)/2.5606*34.000(1.600,1.600)=226.989kPa1.2 2计算y方向基础成面反力设计他y=Mdx(F+G)=29.000/(598.000+110.592)=0.O1.1.mWeyBy6-0.267y方向小信心PHaXC=(F÷G)A46*Mdx(By-*Hx)=(598.OOOH1.O.592)/2.560+6*29.000(1.600,«1.600)=319.274kPaP三in-y=(F+G)A6*MdxI/(Byz*Bx)=(598.OOCH-I1.O.592)/2.560-6*29.000(1.600:*1.600)=234.313kPa1.3 因MdKWoMdy01.ax-Pmax_x*Pmaxy-(F*G)/A=326.598+319.271-(59«.000+110.S92)2.560=369.079kPa1.4 计算地基净反力极值PjmiJX-PBaX-GA-369.079110.592/2.560-325.879kPnPjmaxx=Pmaxx-GA=326.598-HO.592/2.560=283.398kPnPjmax_y=Pmax_y-G/A=319.271-110.592/2.560=276.074kPa2 .柱对基础的冲切脸算因(bc42*ho)>Bx)并且(hc*2*ho)>By)基础底面处边缘均位于冲切椎体以内,不用脸算柱对基础的冲切八、基砒受剪承敏力改算:1 .计算剪力Pk=(Fk/A=(443.0+81.9)/2.6=205.OkPaA,=(AI+A2)*(max(B1.,B2)-0.5*bc)=(800-800)*(max(800.800)-0.5*900)=0.56«2Vs-A'pk-O.56*205.OU1.i4.8kN2 .计算搬面密度影响系数t.u=(800h0)"=(800/800.0),=1.03 .剪切承成力险算t>=(B2)*h1.*0.5*(boH00*(H2)*h2=(800-800)*350+0.5*(900+100+(80G÷HOO)*150=755000.OOnW2yo*Vs=1.0*114.8=114.8kN0.7,fto0.7*1.0*1.27*755000.0-671.2kN受我承致力跪算满足要求!九、柱下涮的局部受压好因为基础的混凝土强度等级大干等干柱的混凝土强度等级,所以不用脸算柱卜扩展基础以面的局部受质承毂力.十、基砒受考计*双向受弯,根据中751页条目1(3)中公式因exBx6=0.267mX方向小偏心a(Bxbe)/2-(1.6000.900)/2=0.350mPj1.=(Bx-a)*(PBaX_X-Pmin_x)/Bx+Pmin_x-C/A=(1.600-0.350)*(326.598-226.989)/1.600-226.989-HO.592/2.560=261.609kPaWeyBy60.267my方向小偏心a=(By-hc)/2=(1.600-0.900)/2=0.350mPj2=(By-a)*(Paxj-PBin_y)/By+Pmin_y-G/A=(1.600-0.350)*(319.274-234.313)/1.600-234.313-110.592/2.560=257.489kPax=1.020y=1.020MI=118*x*(B-bc)(2*By+hc)*(Pj1+Pj三ax_x)-1/48*1.020(1.600-0.900),*(2*1.600*0.900)*(261.609283.398)=23.28kN*三MII=1.-18*y*(By-hc)j*(2*Bx÷1.>c)*(Pj2÷Pjmax,y)=1/48*1,020*(1.600-0.900)2*(2*1.6000,900)*(257.489+276.074)=22.79kNm十一、计算正筋1 .计算菸础底板X方向钢筋Asx=oMI(0.9*ho*fy)-1.023.28*107(0.9*160.000*360)=156.17()11mASXI=RSX/By=156.2/1.600=97.606<n7Asx1.=Bax(Asx1.1pmin*fi1000)mX(97.606.0.150%*500*1000)=750.OOOnnfZm选择钢筋12Q150,实配面积为754.OQO三m°2 .计算基础底板y方向钢筋Asy=yoMI1/(0.9*ho*fy)=1.0*22.79*107(0.960.000*360)=152.89Im-Asy1.=AsyBx=152.891/1.600=95.557mn7三Asy1.-三ax(sy1.Pmin*1.1.1000)=BajC(95.557.0.15tf,*5()0*1000)=750.OOOrnm选择钢筋12150,实配面积为754.0CIOmm

    注意事项

    本文(5交C锥形基础计算.docx)为本站会员(p**)主动上传,第壹文秘仅提供信息存储空间,仅对用户上传内容的表现方式做保护处理,对上载内容本身不做任何修改或编辑。 若此文所含内容侵犯了您的版权或隐私,请立即通知第壹文秘(点击联系客服),我们立即给予删除!

    温馨提示:如果因为网速或其他原因下载失败请重新下载,重复下载不扣分。




    关于我们 - 网站声明 - 网站地图 - 资源地图 - 友情链接 - 网站客服 - 联系我们

    copyright@ 2008-2023 1wenmi网站版权所有

    经营许可证编号:宁ICP备2022001189号-1

    本站为文档C2C交易模式,即用户上传的文档直接被用户下载,本站只是中间服务平台,本站所有文档下载所得的收益归上传人(含作者)所有。第壹文秘仅提供信息存储空间,仅对用户上传内容的表现方式做保护处理,对上载内容本身不做任何修改或编辑。若文档所含内容侵犯了您的版权或隐私,请立即通知第壹文秘网,我们立即给予删除!

    收起
    展开