欢迎来到第壹文秘! | 帮助中心 分享价值,成长自我!
第壹文秘
全部分类
  • 幼儿/小学教育>
  • 中学教育>
  • 高等教育>
  • 研究生考试>
  • 外语学习>
  • 资格/认证考试>
  • 论文>
  • IT计算机>
  • 法律/法学>
  • 建筑/环境>
  • 通信/电子>
  • 医学/心理学>
  • ImageVerifierCode 换一换
    首页 第壹文秘 > 资源分类 > DOCX文档下载
    分享到微信 分享到微博 分享到QQ空间

    2024年山东省职业技能等级认定试卷 真题 服装制版师 中级技能考核试卷03.docx

    • 资源ID:1118381       资源大小:29.31KB        全文页数:2页
    • 资源格式: DOCX        下载积分:5金币
    快捷下载 游客一键下载
    账号登录下载
    三方登录下载: 微信开放平台登录 QQ登录
    下载资源需要5金币
    邮箱/手机:
    温馨提示:
    快捷下载时,如果您不填写信息,系统将为您自动创建临时账号,适用于临时下载。
    如果您填写信息,用户名和密码都是您填写的【邮箱或者手机号】(系统自动生成),方便查询和重复下载。
    如填写123,账号就是123,密码也是123。
    支付方式: 支付宝    微信支付   
    验证码:   换一换

    加入VIP,免费下载
     
    账号:
    密码:
    验证码:   换一换
      忘记密码?
        
    友情提示
    2、PDF文件下载后,可能会被浏览器默认打开,此种情况可以点击浏览器菜单,保存网页到桌面,就可以正常下载了。
    3、本站不支持迅雷下载,请使用电脑自带的IE浏览器,或者360浏览器、谷歌浏览器下载即可。
    4、本站资源下载后的文档和图纸-无水印,预览文档经过压缩,下载后原文更清晰。
    5、试题试卷类文档,如果标题没有明确说明有答案则都视为没有答案,请知晓。

    2024年山东省职业技能等级认定试卷 真题 服装制版师 中级技能考核试卷03.docx

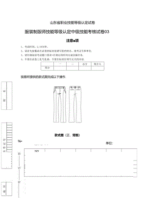
    山东省职业技能等级认定试卷服装制版师技能等级认定中级技能考核试卷03注意项1、考试时间:2,10分钟。2、请首先按鬟求在试卷的标封处堪写您的姓名、准考证号和单位.3、请仔细阅读考试题口要求在规定的时间完成实操任务.4、不要在试卷上乱写乱画,不要在标封区填写无关的内容.一二总分统分人得分按原所提供的款式图完成以下掾作.款式图(正、背面)规格尺寸表:7位裤长腰围臀围前直裆腰宽脚围155/64A90648827442.5160/68A92689227.6443.5165/72A94729628.2444.5170/76A967610028.8445.5单位:CM得分评分人一、产品戊分析及伸板绘制清分:80分)1 .根据款式进行样板制作2 .样板核验【掾作要求】1、根据的目所给眼装款式图及规格尺寸表进行产品款式分析,在服装&用制版软件中猿入观恪尺寸表,标出基码(160/68A),并按基码绘制结构图:2、将产品款式分析及结构图绘制的结果保存在考生文件夹中,文件名:FZZBS2-1.3,在结构图的域础上拾取出基码的全套面布纸样:4、第料款式资料和纸样资料.包括款式名、码数、纸样名称、份数、布料名、布纹设定等.并设较将资料显示在纸样中布纹线上下:5、给纸样加上合理的维份、叨口、钻孔、眼位等标记并调整其布纹线;6、符基础样板制作的结果保存在考生文件夹中,文件名:FZZBS2-2.7、将基础样板给出,h1打印并剪出纸样:8、在坯布上揖料划样并剪出裁片,假缝坯样,核验基础样板并修正:9,将坯样置于人台上展示提交.得分评分人二、系列样板)作(清分I20分)【操作要求】1、根据咫目所给服装款式图及规格尺寸衣,在服装专用制版软件中进行号组编组,显示的颜色分别为:155/64A红色,160/68A黑色,165/72A绿色.17076Affif;2、使用点放码方法给所绘制的所有纸样放码:3,显示放码网状图,并标注出各放码点的XY放缩码出:4、在系列样板上显示出布奴然及款式名、码数、纸样名称、份数、布料名、缝份、标记等:5,符系列样板制作绪果保存在考生文件夹中,文件幺:FZZBS2-3.

    注意事项

    本文(2024年山东省职业技能等级认定试卷 真题 服装制版师 中级技能考核试卷03.docx)为本站会员(p**)主动上传,第壹文秘仅提供信息存储空间,仅对用户上传内容的表现方式做保护处理,对上载内容本身不做任何修改或编辑。 若此文所含内容侵犯了您的版权或隐私,请立即通知第壹文秘(点击联系客服),我们立即给予删除!

    温馨提示:如果因为网速或其他原因下载失败请重新下载,重复下载不扣分。




    关于我们 - 网站声明 - 网站地图 - 资源地图 - 友情链接 - 网站客服 - 联系我们

    copyright@ 2008-2023 1wenmi网站版权所有

    经营许可证编号:宁ICP备2022001189号-1

    本站为文档C2C交易模式,即用户上传的文档直接被用户下载,本站只是中间服务平台,本站所有文档下载所得的收益归上传人(含作者)所有。第壹文秘仅提供信息存储空间,仅对用户上传内容的表现方式做保护处理,对上载内容本身不做任何修改或编辑。若文档所含内容侵犯了您的版权或隐私,请立即通知第壹文秘网,我们立即给予删除!

    收起
    展开