欢迎来到第壹文秘! | 帮助中心 分享价值,成长自我!
第壹文秘
全部分类
  • 幼儿/小学教育>
  • 中学教育>
  • 高等教育>
  • 研究生考试>
  • 外语学习>
  • 资格/认证考试>
  • 论文>
  • IT计算机>
  • 法律/法学>
  • 建筑/环境>
  • 通信/电子>
  • 医学/心理学>
  • ImageVerifierCode 换一换
    首页 第壹文秘 > 资源分类 > DOCX文档下载
    分享到微信 分享到微博 分享到QQ空间

    CDNL-P30-R03 检测原始记录 V1.0.docx

    • 资源ID:1117081       资源大小:25.90KB        全文页数:6页
    • 资源格式: DOCX        下载积分:5金币
    快捷下载 游客一键下载
    账号登录下载
    三方登录下载: 微信开放平台登录 QQ登录
    下载资源需要5金币
    邮箱/手机:
    温馨提示:
    快捷下载时,如果您不填写信息,系统将为您自动创建临时账号,适用于临时下载。
    如果您填写信息,用户名和密码都是您填写的【邮箱或者手机号】(系统自动生成),方便查询和重复下载。
    如填写123,账号就是123,密码也是123。
    支付方式: 支付宝    微信支付   
    验证码:   换一换

    加入VIP,免费下载
     
    账号:
    密码:
    验证码:   换一换
      忘记密码?
        
    友情提示
    2、PDF文件下载后,可能会被浏览器默认打开,此种情况可以点击浏览器菜单,保存网页到桌面,就可以正常下载了。
    3、本站不支持迅雷下载,请使用电脑自带的IE浏览器,或者360浏览器、谷歌浏览器下载即可。
    4、本站资源下载后的文档和图纸-无水印,预览文档经过压缩,下载后原文更清晰。
    5、试题试卷类文档,如果标题没有明确说明有答案则都视为没有答案,请知晓。

    CDNL-P30-R03 检测原始记录 V1.0.docx

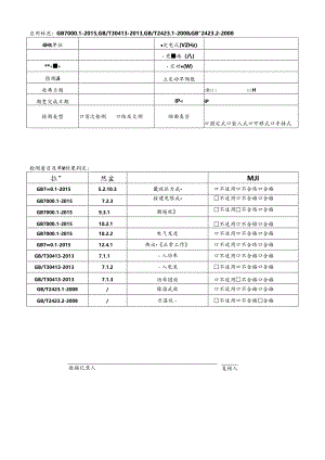
    应用林泡:GB7000.1-2015,GB/T30413-2013,GB/T2423.1-2008fGB"2423.2-20084Ht单征定电仄(VZHz)更施(八)*«»定功(W)检测Ji立定功早陶敷收弗日期IH期叟完成日期IP«IP检测矣型口首次检测口络及文测缩曲奏箜口固定式口袋入式口可移式口手持式检测看目及单M结果判定:拉”然盆MJIGB70.1-20155.2.10.3畿就扯力武口不适用口不合珞口合格GB7000.1-20157.2.3按建电限武不适用口不合格口合格GB7000.1-20159.3.1潮遍就不适用不合烙口合格GB7000.1-201510.2.1不适用口不合辂口合格GB7000.1-201510.2.2电气发度口不适用口不合格口合格GB70.1-201512.4.1热议正常工作口不适用口不合珞口合格GB/T30413-20137.1.1入功率口不适用口不合格口合格GB/T30413-20137.1.2入电流不适用口不合格口合格GB/T30413-20137.1.3功率因效口不适用不合格口合格GB/T2423.1-2008/像温武收口不适用口不合格口合格GB/T2423.2-2008/方温试不适用口不合格合格复核人数据记录人将引入到端子和耕子煤灯(如有)内的导体柠得足够紧,以防止导体能玲改变其位it.校常规方式使用软线固定架,用下去规定的三分之二相短拧索夫繁嫁仃(加有)。核此冶齐以后,疮不可能将电爱,我电线推入灯具,导致共在端子内移动,或导致其按被移动部件技接触在超迂导体地缘於许可摆度下工作的部件。趋后电缎或电线经殳25次下表规定值的拉力试验.施加拉力时不能猛拉,每次1s.试验期间测量软缎灰软线的坡向住移.在禺款缆固定架20E处的电缎业电统上做一个标记,在第1次殳拉和第25次殳拉期同,标记的位移不应超过2rm.所有导我的总称你假面租S(1.)拉力(N)¼M(Ita)S0.4300.4<S0.75300.080.75<S1.5600.151.5<S3600.253<S5800.355<S81200.3525次M力后,测贵我规改批做的歌向征号(»):*a三-武部位鼠松大小一)出力(N)25次H力后,测量收就最倏恨的双向位移()光箴给入线驱动4今出畿驱动蝌入境试脸后.标记的显示母移(口燃迂/口不超过2mm试验期间和站束,M(口是/口不明显可以在端子内移动,理级(有/口没有)出现,“坏现象.仪西谩各婚号:按地电阻试验(G87000.1-2015,7.2.3)口不址用口不合格口合格空莪电压不起迂12V产生的至少为10A的电流依次在接地端子或接地触点与各可触及全禺部件之冏流过。坪Jfc号校也就于接地做点与S电池(八)测最值(Q)()律值()存殊情况:在印$,觌珞板的印制废所逐挂的接地端子所挂地触头后每个易被触7£的金舄部件之间依次接通25A的文漉也流,并挣续1min.具体*果M迷:仪昌说备编号:潮湿试验CGB7000.1-2015,9.3)不迨用不杳格合格择品放入潮湿箱之折,样品的温度应达到t(t+4)C之间,样品应在潮湿箱内放更48h。潮湿箱内温度和相对湿度为和%R.H.放K时间:48h诚后【比如勒他、极坏情况】:试脸后.样曲(样品绳号xxx)无府母AJii坏.功施正常.仅因谟备5号:绝缘电限试验(GB7000.1-2015,10.2.1)口不迨用不合格含格科男号*a*臭型测信电压(V)测盘值(八)M(Q)结果列定sav:不同板性莪流部件之刈口合格不合格带电部件与安装表面之间合格不合给枚流部件与灯具的企属部件之间合格不合珞失在软战固定架上的轮攫,我软线外表面与可触及金尾部件之间口合格口不合格sav:不同板植曲流部件之网合格不合珞带电拜件与安装表面之间合格不合珞栽流部件与灯具的金属邮件之间口合格不合烙通过开关动作可以成为不冏枝姓的带电部件之用合格不令给央在软线,固定架上的软境改软找外表而与可触及金>部件之间合格口不合珞B=基本艇缘S=游加的濠R=/弦.电务仪器设备烟号:电气程度试收(G7000.1-2015,10.2.2)不比J1.1.不合格*地*臭量工作如山(V)潴遇电压(V)结果判定SE1.V:不问极性我流部件之间合格不令格带电部件与安装衣面之间合格不合格载流部件与灯具的金黑部件之间合格不合格央在款线固定架上的软组或批找外表面与可触及金属邮件之间合格不合格WXSE1.V:不同报性莪流部件之向口合格不合格带电部件与安装表面之间口合格不合格强流部件与灯具的公用部件之间合格不令格通it开关动作可以成为不同报姓的带电部件之网口合格口不合格先在软线固定架上的软坡.长软理外表面与可触及金属部件之间口合格口不合牯B=基本地愫S=游加葩煤R=加强他燥R式设备场号:热试收(正常工作)(GB7000.1-2015,12.4)不it用不舍格*#M*«:区这验直至稳定状态温度更化不超4±1Kh工作模式/ia:区正常工作煤式区)供电电区为试验委求电压初度内(±1%).科片号电仄(V)(电压1/电压2).入动亭(W)功率1/功率2)入电泡(八)(电流1/电流2)M(Hz)加率1/我率2)环境温度H=c(试验忖)t2=1C(试验后)测量值(X)修正值CC)双值CC)结果到定iKM*¼(使用传电口)电压1电压2101合格不合格102MBMi合格不合格103合格口不合拈104口合格口不合格105口合格口不合格106口合格口不合格107二)合格二不合格仪24设备编号:/人功率/电注/功率因数(GB30413-2013,7.1.11.3)不It用口不合格口合格疆动B,拿仅测认,效电电R/发华(V/Hx)入电仄(V)人猫3入"(1)动率因数结果到侬:悴品通电至终定时间为:min.在前定负敌条件下铭定工作时,实际输入功率不应超过IIOMS定值.瞬人也流与枝定位的偏国不应超过10%.功率回数不应低于就定值0.05.仪器设备3号:低温试*(GB/T2423.1-2008)不比用不合格口合格舔合林准*结杲判定1蛉合红ED灯具评估规危5.2.2产品I级T5'C、I1.M-WC(阖试温度:-I(TC)低温茹中不通电状态下放直24小时进行后边行低温启动,条件:酸定物入,榆出标定更收.宽电压捺入产品(加100-240Vac)必纸检测低压100Vac启动.连续启动10次.口合格口不合格口合格口不合格口合格口不合格产品座能在4秒内正常启动.性能方面、介电强炭应籽合规格书客户承认书要求.仪JS设备编号:高温试验(GB/T2423.2-2008)不It用口不合格口合格序号般合标准具体要成结杲列定1琼合1.ED灯具评估规范5.2.5产品分别置.于I<50,CI1.M50,CS¾3w工作168小时,条件:箱入颔定电压±1OS.榆出疑定员武电反枪人产品(如100-240Vac)必须在榆入90Vac和264Vac遭疔武险,每个带入电压各工作56小时。口合珞口不合格口合格匚不合格口令将口不合格列支依第:(产品在50t环境中艇正常工作)不能出现热保护反狼坏现象.遇险后牲能方面、电,弋领度应杵合规格书(客户承认书)委求,外壳不应有破裂、变册,稔牌不应有起皱、脱胶、敢维等不A现象,仪芸设备编号:2冷台虹ED灯具评估规范5.2.6六跖在501C,柳对逑度95$武检茹中不通电状态下放箕48小时,检测20次,然后在常温下佚曳60分钟后按规格书(客户承认书要求或该产品中造的好渔进行电气张成和绝缘电阻试验.金珞口不合格合珞不合格合珞口不合格«<*«:.试验后性能方面、电t强度应符合现格书(客户承汉书),产品不应损坏、不应出见飞孤、击穿现象.做SS谡各编号:姑业

    注意事项

    本文(CDNL-P30-R03 检测原始记录 V1.0.docx)为本站会员(p**)主动上传,第壹文秘仅提供信息存储空间,仅对用户上传内容的表现方式做保护处理,对上载内容本身不做任何修改或编辑。 若此文所含内容侵犯了您的版权或隐私,请立即通知第壹文秘(点击联系客服),我们立即给予删除!

    温馨提示:如果因为网速或其他原因下载失败请重新下载,重复下载不扣分。




    关于我们 - 网站声明 - 网站地图 - 资源地图 - 友情链接 - 网站客服 - 联系我们

    copyright@ 2008-2023 1wenmi网站版权所有

    经营许可证编号:宁ICP备2022001189号-1

    本站为文档C2C交易模式,即用户上传的文档直接被用户下载,本站只是中间服务平台,本站所有文档下载所得的收益归上传人(含作者)所有。第壹文秘仅提供信息存储空间,仅对用户上传内容的表现方式做保护处理,对上载内容本身不做任何修改或编辑。若文档所含内容侵犯了您的版权或隐私,请立即通知第壹文秘网,我们立即给予删除!

    收起
    展开