欢迎来到第壹文秘! | 帮助中心 分享价值,成长自我!
第壹文秘
全部分类
  • 幼儿/小学教育>
  • 中学教育>
  • 高等教育>
  • 研究生考试>
  • 外语学习>
  • 资格/认证考试>
  • 论文>
  • IT计算机>
  • 法律/法学>
  • 建筑/环境>
  • 通信/电子>
  • 医学/心理学>
  • ImageVerifierCode 换一换
    首页 第壹文秘 > 资源分类 > DOCX文档下载
    分享到微信 分享到微博 分享到QQ空间

    食品生产质量安全体检要点.docx

    • 资源ID:111466       资源大小:38.54KB        全文页数:9页
    • 资源格式: DOCX        下载积分:5金币
    快捷下载 游客一键下载
    账号登录下载
    三方登录下载: 微信开放平台登录 QQ登录
    下载资源需要5金币
    邮箱/手机:
    温馨提示:
    快捷下载时,如果您不填写信息,系统将为您自动创建临时账号,适用于临时下载。
    如果您填写信息,用户名和密码都是您填写的【邮箱或者手机号】(系统自动生成),方便查询和重复下载。
    如填写123,账号就是123,密码也是123。
    支付方式: 支付宝    微信支付   
    验证码:   换一换

    加入VIP,免费下载
     
    账号:
    密码:
    验证码:   换一换
      忘记密码?
        
    友情提示
    2、PDF文件下载后,可能会被浏览器默认打开,此种情况可以点击浏览器菜单,保存网页到桌面,就可以正常下载了。
    3、本站不支持迅雷下载,请使用电脑自带的IE浏览器,或者360浏览器、谷歌浏览器下载即可。
    4、本站资源下载后的文档和图纸-无水印,预览文档经过压缩,下载后原文更清晰。
    5、试题试卷类文档,如果标题没有明确说明有答案则都视为没有答案,请知晓。

    食品生产质量安全体检要点.docx

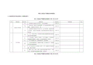
    附录A食品生产质量安全体检要点A.1体检项目及内容应按表A.1的规定进行。表A.1食品生产质量安全体检表(第1页/共8页)序号体检项目项目序号体检内容单项评定发现问题备注1食品生产者资质*1.1企业取得食品生产许可证,并在有效期内是口否*1.2企业名称、实际生产食品的场所、生产食品的范围等与营业执照、食品生产许可证一致是口否1.3企业取得食品生产许可证后,生产者名称、设备布局和工艺流程、主要生产设备设施、食品类别等事项发生变化后及时申报口是口否2生产环境*2.1厂区、车间与有毒、有害场所及其他污染源保持规定的距离或具备有效防范措施口是口否2.2厂区无扬尘、无积水、无异味,厂区卫生整洁。厂区内排水沟畅通无污物残留,垃圾站、污水处理池密闭,无外泄是口否2.3生产车间整洁卫生、物品堆放有序、标识明确口是否2.4卫生间应保持清洁,设置洗手设施,未与食品生产、包装或贮存等区域直接连通是口否2.5生产车间人员入口有更衣、洗手、干手、消毒等卫生设备设施,满足正常使用是口否2.6通风、防尘、排水、照明、温控等设备设施正常运行,存放垃圾、废弃物的设备设施标识清晰,有效防护口是口否表A.1食品生产质量安全体检表(第2页/共8页)序号体检项目项目序号体检内容单项评定发现问题备注2生产环境2.7车间内使用的清洁剂剂、消毒剂等化学品明显标示、分类贮存,与食品原料、半成品、成品、包装材料等分隔放置,并有相应的使用记录口是口否2.8生产设备、设施定期维护保养并做好记录口是口否2.9监控设备(如压力表、温度计)定期检定或校准、维护,并有相关记录口是口否2.10生产场所无虫害、无家禽家畜活动迹象,定期检查防鼠、防蝇、防雀、防虫害装置的使用情况并有相应检查记录口是否2.11准清洁作业区、清洁作业区设置合理并有效分隔。有空气净化要求的,应当符合相应要求,并对空气洁净度、压差、换气次数、温度、湿度等进行监测及记录是否3进货查验*3.1实施生产许可管理的食品及食品相关产品应由获证企业提供。食品原辅料、食品添加剂、食品相关产品供货者能提供产品合格证明文件:无法提供有效合格证明的,有委检或自检的验证记录是口否*3.2进货验收记录及证明材料真实、完整,记录和凭证保存期限不少于产品保质期期满后六个月,没有明确保质期的,保存期限不少于二年是否3.3建立和保存食品原辅料、食品添加剂、食品相关产品的贮存、保管记录和领用出库和退库记录口是口否4生产过程*4.1使用的食品原料、食品添加剂、食品相关产品的品种与索证索票、进货查验记录内容一致口是否*4.2建立和保存生产投料记录,包括投料种类、品名、生产日期或批号、使用数量等口是否表A.1食品生产质量安全体检表(第3页/共8页)序号体检项目项目序号体检内容单项评定发现问题备注4生产过程*4.3未发现使用非食品原料、食品添加剂以外的化学物质、问收食品、超过保质期与不符合食品安全标准的食品原料和食品添加剂投入生产口是口否4.4未发现超范围、超限量使用食品添加剂的情况口是口否*4.5生产或使用的新食品原料,限定于国务院卫生行政部门公告的新食品原料范围内口是否*4.6未发现使用药品生产食品,未发现仅用于保健食品的原料生产保健食品以外的食品口是否4.7建立和保存生产加工过程关键控制点的控制情况记录口是口否4.8生产现场未发现人流、物流交叉污染是口否4.9未发现待加工食品与直接入口食品、原料与成品交叉污染口是否4.10有温、湿度等生产环境要求的,定期进行监测并记录口是口否4.11工作人员穿戴工作衣帽和工作鞋,生产车间内未发现与生产无关的个人或者其他与生产不相关物品,员工洗手消毒后进入生产车问口是口否4.12食品生产加工用水的水质符合规定要求并有检测报告,与其他不与食品接触的用水以完全分离的管路输送口是否4.13对人员、环境、设备设施有消毒要求的,能满足要求,并做好记录口是否4.14生产场所的功能区间应按工艺流程合理布局。生产车间面积、设备设施、环境条件能基本满足正常生产要求是口否5委托生产*5.1受委托方查验委托方的营业执照等相关证明文件,并按照食品安全标准组织生产口是否表A.1食品生产质量安全体检表(第4页/共8页)序号体检项目项目序号体检内容单项评定发现问题备注5委托生产5.2应在获得生产许可的产品品种范围内与委托方签订委托加工协议,约定委托生产的食品品种、委托期限等内容口是口否5.3受委托方生产的食品应纳入委托方的质量管理体系,并对受委托方开展食品安全监督,并有记录口是口否5.4委托生产的食品标签应符合GB7718等相关规定口是否6产品检验6.1企业自检的,应具备布局合理、独立的检验室。应有相关设备设施、化学试剂等耗材,检验仪器设备按规定检定或校准口是否6.2企业自检的,有检验专职人员,并具备与所检项目相适应的检验能力:检验项目应定期与有检测资质的机构比对,并获满意结论是口否6.3不能自检的,应当委托有资质的检验机构进行委托出厂检验,委托检验的批次、项目、时间应符合要求是否*6.4按照食品安全标准和相关产品标准规定进行过程检验、出厂检验及型式检验口是否6.5建立和保存原始检验数据记录和检验报告,检验报告和记录真实、准确、完整,保存期限符合规定要求,并按要求传递相关检验信息口是口否6.6按规定保存每批产品的样品并记录,保存样品的条件、时限符合要求口是否7贮存及交付控制7.1食品原辅料、半成品、成品及食品相关产品的贮存有专人管理,贮存条件符合要求口是否序号体检项目项目序号体检内容单项评定发现问题备注7.2食品添加剂、食品相关产品应按要求分别贮存,标识清晰,专人管理是口否表A.1食品生产质量安全体检表(第5页/共8页)序号体检项目项目序号体检内容单项评定发现问题备注7贮存及交付控制7.3不合格品和回收品应在划定区域存放,并有明显标识口是口否7.4根据产品特点建立和执行相适应的贮存、运输及交付控制制度和记录是口否7.5仓库应设置防鼠、防雀、防尘相关设施:面积、温湿度及卫生条件符合要求口是口否*7.6销售台账如实记录食品的名称、规格、数量、生产日期或者生产批号、检验合格证明、销售日期以及购货者名称、地址、联系方式等内容是口否7.7运输产品的车辆应卫生洁净,不得与有毒有害及污染物混装,有冷链要求的,需符合有关规定口是否7.8做好售后服务,有客户满意度调查的计划和记录,有专人负责收集和反馈消费者的咨询和投诉口是否8不合格食品管理和食品召回8.1建立和保存不合格品的处置记录,不合格品的批次、数量应与记录一致口是否*8.2实施不安全食品的召回,召回和处理情况向所在地市场监管管理部门报告是口否8.3有召回计划、公告等相应记录;召回食品有处置记录口是口否序号体检项目项目序号体检内容单项评定发现问题备注*8.4有召回食品无害化处理、销毁等措施,未发现使用召回食品重新加工食品或再次流入市场情况(对因标签存在瑕疵实施召回的除外)是口否9标签和说明书*9.1企业所有产品标签标识应符合国家有关法律法规和标准要求是口否*9.2未发现标注虚假生产日期或批号的情况口是口否*9.3未发现转基因食品、辐照食品未按规定标示口是否表A.1食品生产质量安全体检表(第6页/共8页)序号体检项目项目序号体检内容单项评定发现问题备注9标签和说明书*9.4未发现食品标签、说明书涉及疾病预防、治疗功能,未发现保健食品之外的食品标签、说明书涉及保健功能是口否10食品安全自查10.1建立食品安全自查制度,并定期对食品安全状况进行检查评价口是否*10.2对自查发现食品安全问题,立即采取整改、停止生产等措施,并按规定向所在地市场监督管理部门报告口是否11从业人员管理*11.1企业主要负责人全面负责食品安全工作,有与生产规模相适应的食品安全管理人员、专业技术人员,并有文件明确规定是口否11.2有食品安全管理人员、食品专业技术人员培训和考核记录;食品安全管理人员、食品专业技术人员进行现场考试,且考试成绩达到90分及以上为合格口是口否*11.3未发现聘用禁止从事食品安全管理的人员口是口否序号体检项目项目序号体检内容单项评定发现问题备注11.4企业食品安全主要负责人在企业内部制定制度、过程控制、食品安全培训、食品安全检查以及食品安全事件或事故调查等环节履行了岗位职责并有记录是口否*11.5建立从业人员健康管理制度,从事接触直接入11食品工作的人员有健康证明,符合相关规定是口否11.6有从业人员食品安全知识培训制度,并有相关培训记录口是口否12信息记录和追溯12.2建立并实施食品安全追溯制度,并有相应记录口是否12.2未发现食品安全追溯信息记录不真实、不准确等情况口是否12.3建立信息化食品安全追溯体系的,电子记录信息与纸质记录信息保持一致口是否表AJ食品生产质量安全体检表(第7页/共8页)序号体检项目项目序号体检内容单项评定发现问题备注13食品安全事故处置13.1食品安全主要负责人应定期组织相关人员开展有关食品安全检查,排查食品安全风险隐患,并记录口是否13.2有食品安全处置方案,并定期检查食品安全防范措施落实情况,及时消除食品安全隐患口是口否*13.3发生食品安全事故的,对导致或者可能导致食品安全事故的食品及原料、工具、设备、设施等,立即采取封存等控制措施,并向事故发生地市场监督管理部门报告是否14产品标准执行情况14.1企业应执行现行有效的食品安全国家标准。若执行企业标准的,企业标准应按规定备案,且在有效期内口是口否序号体检项目项目序号体检内容单项评定发现问题备注14.2企业应有产品质量标准,如无国家、

    注意事项

    本文(食品生产质量安全体检要点.docx)为本站会员(p**)主动上传,第壹文秘仅提供信息存储空间,仅对用户上传内容的表现方式做保护处理,对上载内容本身不做任何修改或编辑。 若此文所含内容侵犯了您的版权或隐私,请立即通知第壹文秘(点击联系客服),我们立即给予删除!

    温馨提示:如果因为网速或其他原因下载失败请重新下载,重复下载不扣分。




    关于我们 - 网站声明 - 网站地图 - 资源地图 - 友情链接 - 网站客服 - 联系我们

    copyright@ 2008-2023 1wenmi网站版权所有

    经营许可证编号:宁ICP备2022001189号-1

    本站为文档C2C交易模式,即用户上传的文档直接被用户下载,本站只是中间服务平台,本站所有文档下载所得的收益归上传人(含作者)所有。第壹文秘仅提供信息存储空间,仅对用户上传内容的表现方式做保护处理,对上载内容本身不做任何修改或编辑。若文档所含内容侵犯了您的版权或隐私,请立即通知第壹文秘网,我们立即给予删除!

    收起
    展开