欢迎来到第壹文秘! | 帮助中心 分享价值,成长自我!
第壹文秘
全部分类
  • 幼儿/小学教育>
  • 中学教育>
  • 高等教育>
  • 研究生考试>
  • 外语学习>
  • 资格/认证考试>
  • 论文>
  • IT计算机>
  • 法律/法学>
  • 建筑/环境>
  • 通信/电子>
  • 医学/心理学>
  • ImageVerifierCode 换一换
    首页 第壹文秘 > 资源分类 > DOCX文档下载
    分享到微信 分享到微博 分享到QQ空间

    分段制造施工技术交底制造部管理制度.docx

    • 资源ID:1110971       资源大小:92.76KB        全文页数:4页
    • 资源格式: DOCX        下载积分:5金币
    快捷下载 游客一键下载
    账号登录下载
    三方登录下载: 微信开放平台登录 QQ登录
    下载资源需要5金币
    邮箱/手机:
    温馨提示:
    快捷下载时,如果您不填写信息,系统将为您自动创建临时账号,适用于临时下载。
    如果您填写信息,用户名和密码都是您填写的【邮箱或者手机号】(系统自动生成),方便查询和重复下载。
    如填写123,账号就是123,密码也是123。
    支付方式: 支付宝    微信支付   
    验证码:   换一换

    加入VIP,免费下载
     
    账号:
    密码:
    验证码:   换一换
      忘记密码?
        
    友情提示
    2、PDF文件下载后,可能会被浏览器默认打开,此种情况可以点击浏览器菜单,保存网页到桌面,就可以正常下载了。
    3、本站不支持迅雷下载,请使用电脑自带的IE浏览器,或者360浏览器、谷歌浏览器下载即可。
    4、本站资源下载后的文档和图纸-无水印,预览文档经过压缩,下载后原文更清晰。
    5、试题试卷类文档,如果标题没有明确说明有答案则都视为没有答案,请知晓。

    分段制造施工技术交底制造部管理制度.docx

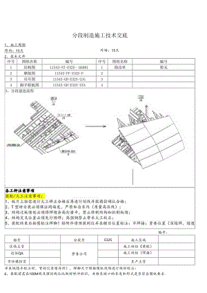
    分段制造施工技术交底外场:15天1、施工周期跨内:15天2、技术文件编号:船号分段号E32S施工区域区域主管劳务公司施工班组装配)近任QA施工班组(焊接)贡任精控员生产主管洋区域随手标注好,背刨记录留存好),惮脚尺寸根据图纸现场进行做好标注:6、装配前需在100M线及理论线位比做好样冲标识,并检衣坡口的长度和形式是否符合图纸要求.7、吊装肋板前有水雷补板必须先套袋,禁止血意切割补板(按节点图),安装补板必须挣水密隔舱平角炜炜接结束后安装:8、结构与板片安装结束报部门主管确认,合格后拜接;9、装配组长在装配结束后进行阡脚标注;10、火工矫正前,先将对应结构线勘冷,矫正时烘枪嘴对应位置为对应然构焊脚住找,火工矫正完使用钢尺和粉线进行检查。火工配备点温计,禁止过烧,高强钢禁止带水火工校正。11 .检查甲板与外板连接处城口是否满足圉绒妥求:12 .甲板而导境孔尺寸中木线/边木线要分清,错一个全盘皆错(按图为准),13 .建议挣导境孔安装焊接后再蓑筋板:14 .上甲板筋板朝向按图安装(按图为准):15 .CM节点敲杆优,长度、材质、坡口、板屋、对他自救能否满足困纸,报主管确认才能申请炜前外捡;16 .平台方纲与平台搭接按图施工,注意方铜材质(按图为准):17 .肋板剖示时板有大小头,不能,装颠倒,一般距面板边缘15三(具体根据图纸):18 .甲板与外板的废核对图纸,检圭外板与内纵壁板材厚度19所有型材、肘板不能海恁切割,船东很在恁:20.压我舱安装镀锌件,注意检查肥装件来料与制作图是否一致,不一致需要联系部门主管/0A现场确认。21、锌块支架自由边长边R2,短边R322、栏杆有防震件(垫板厚度IOt)(按图为准).23、眼坏有标记(S.W.1.15T),注意标记的安装方向(按困为准):24、注意:垫板厚度,栏杆、平台(10t20D(按图为准):25、外板有水线标汜及分地标记(焊条/连续焊参照图纸).26.涉及外板开孔.需执行检验制度。申报部门确认合格后才可以开孔。放水塞/那扎礼注意安装节点及焊扶节点,放水塞爆前评后做好保护措施。电焊注意事项:1、施工前定位炜祥渔必须打磨滑除并保持焊道清洁:注意冬季环境温度低于5度疗的A1.热!<35三以上不考虑环境温度必然加温,MMR!2、焊接材料选用:抗相箱上部区域及舱口困厚极多,刚性大,涉及高强钢板材质(AH32-EH40)种类较多,为确保焊接质量及防止焊材特用,以上区域厚度40mm及以上高强钢板焊块、凡是与EH40板焊接的焊缝均使用EH40级别理材,不可使用焊条进行朴蟀、定位辉。焊材类别牌号等级1药芯焊丝01.2m2埋弧焊丝/炸剂04.811un3、对于长度大于一米的平角洋必须用角评机评接:注恁焊接顺序:从中间向两边对称评接或分段退评:4、板缝及时按耳t均属熔透灯100%UT:5、水密补板焊接严禁大焊脚一次性焊接成型,必须多层多道焊接(先打底媒,清渣)6、吊耳安装后打型拍炸前照片1张,打底后再拍一张照片,打钉申请!7、电焊按照由中间向两端的方式进行理接.评核时尽量避电集中在某一区域.焊接参裁参照WPS允许依的税小值进行检查;8、重要位置焊前状态控制好,做好焊前记录及背刨记录,打底要留存记录。打磨/械护注意事项:1、禁止制板上加油作业,钢板无油污2、禁止过度打磨住造过程精度注意事项:9、掾院舱不应组立在外板小分段上,有利于精度定位,减少开刀调整:10、分段是否需放谩相关反变彩:11、T型材安装必须保证同面度,在九许范围内的正公差禁止切割,用砂轮机打磨:负公爰大小号两头借调或请楮控员协调,严禁私自长肉(庾量南压线)12,肋板、壁板吊装必须保证垂直度13、所有组立件火工退火后方可吊装,火工结束出垮。安全控制要点:安全风险因素4加1、员工挣证上向、做好身体询问,掌握相关气体科识等甚戚安全知识:2、分段是否为有限空间作业,是否需进行测爆,根据现场实际情况进行申报审批作业:3、板片打撑符合要求(根据具体分段类型提出相关管理要求)4、分段上下样完好、满足要求;有孔有长:脚手架、边围栏安全设施完好:狗墩完好确认;5、南空作业系好安全带:6,分段通排风及照明满足需求:7、电动工具做好漏电保护工作:8、部件安装使用防匆工装:9、分段整理、艳颈、沛洁、清扫。不贰过记录:彼热温度表PreheatTemperatureforStee1.We1.ding类别GradeIfi呼mmthickness环境混度Cr)CAnibienttemperature预热温度PreheattemperuturcA、B.D、E<50T<02(KsO50所有/A1.IIod20AH3236,DH3236.EIB236<3«<s20-50>38所WA1.1.10(M20H40.DH40.EH40所有/AU100720WiWftCastings<cc1.所布/A1.I所有/A1.I1257SOC焊接实名制要求现场焊接实名;刖<板厅、材防、均材、仙屿油U我烬求、VVPS编号、烟1:妇.铝、Hi人员I)材料rai分伐板”,材顺,工艺燃求Iwpset*>,预熄温u%加Mr人SG患:WXft1.fc.改制人S,QC,Wt½过+VUft*幺!议,1,而烬叫,的现场丘人3.产格拉股烬求迸行,仄注位置坦接记决I(<w位M焊接阳,止必须打攵?7.在现场.i!Hj现场idISf1.I1.Jtfr<*t!2、处“V项宣叫B¥«1.<1.aiWM发布时.分Q;|i'J玷邰;A;5'!>j41.1.X曾加人员!;£4审检打钢次.SIQC律坟2小IhJ巡&次发作至井内.J1.w卜水6川屈片岫|讨fr0:3、分1:殳f)JJiSff1.Jii?«ZHJ1确的W理Mi程fW/加J,殳.对于柒收箱锦卬接'J预阳进行Tf拄,4.Wi;,;宣理部相对分丁殳加仃骨那"板加接MnX落虫MiK.进行的i,.41.¾tt'jrtEiij.'Ri1.fctj落实.福IHJQ曾刑播JKCAh如4致,",fU;Ui的相出现投火巾况IHnN1.应宣J,IUK1s特别提醒:单位长度大于800MM的连续焊缝必须使用角焊机”晒袋件工序前移,提前安装焊接,半立体修补磨处理合格再大组.自动化角焊机褂根盖使用。交底人接底人日期检查人日期得注

    注意事项

    本文(分段制造施工技术交底制造部管理制度.docx)为本站会员(p**)主动上传,第壹文秘仅提供信息存储空间,仅对用户上传内容的表现方式做保护处理,对上载内容本身不做任何修改或编辑。 若此文所含内容侵犯了您的版权或隐私,请立即通知第壹文秘(点击联系客服),我们立即给予删除!

    温馨提示:如果因为网速或其他原因下载失败请重新下载,重复下载不扣分。




    关于我们 - 网站声明 - 网站地图 - 资源地图 - 友情链接 - 网站客服 - 联系我们

    copyright@ 2008-2023 1wenmi网站版权所有

    经营许可证编号:宁ICP备2022001189号-1

    本站为文档C2C交易模式,即用户上传的文档直接被用户下载,本站只是中间服务平台,本站所有文档下载所得的收益归上传人(含作者)所有。第壹文秘仅提供信息存储空间,仅对用户上传内容的表现方式做保护处理,对上载内容本身不做任何修改或编辑。若文档所含内容侵犯了您的版权或隐私,请立即通知第壹文秘网,我们立即给予删除!

    收起
    展开