欢迎来到第壹文秘! | 帮助中心 分享价值,成长自我!
第壹文秘
全部分类
  • 幼儿/小学教育>
  • 中学教育>
  • 高等教育>
  • 研究生考试>
  • 外语学习>
  • 资格/认证考试>
  • 论文>
  • IT计算机>
  • 法律/法学>
  • 建筑/环境>
  • 通信/电子>
  • 医学/心理学>
  • ImageVerifierCode 换一换
    首页 第壹文秘 > 资源分类 > DOCX文档下载
    分享到微信 分享到微博 分享到QQ空间

    《通信工程勘察与设计项目化教程》试题 项目二实践测试 任务书2设备部分.docx

    • 资源ID:1105505       资源大小:21.88KB       
    • 资源格式: DOCX        下载积分:5金币
    快捷下载 游客一键下载
    账号登录下载
    三方登录下载: 微信开放平台登录 QQ登录
    下载资源需要5金币
    邮箱/手机:
    温馨提示:
    快捷下载时,如果您不填写信息,系统将为您自动创建临时账号,适用于临时下载。
    如果您填写信息,用户名和密码都是您填写的【邮箱或者手机号】(系统自动生成),方便查询和重复下载。
    如填写123,账号就是123,密码也是123。
    支付方式: 支付宝    微信支付   
    验证码:   换一换

    加入VIP,免费下载
     
    账号:
    密码:
    验证码:   换一换
      忘记密码?
        
    友情提示
    2、PDF文件下载后,可能会被浏览器默认打开,此种情况可以点击浏览器菜单,保存网页到桌面,就可以正常下载了。
    3、本站不支持迅雷下载,请使用电脑自带的IE浏览器,或者360浏览器、谷歌浏览器下载即可。
    4、本站资源下载后的文档和图纸-无水印,预览文档经过压缩,下载后原文更清晰。
    5、试题试卷类文档,如果标题没有明确说明有答案则都视为没有答案,请知晓。

    《通信工程勘察与设计项目化教程》试题 项目二实践测试 任务书2设备部分.docx

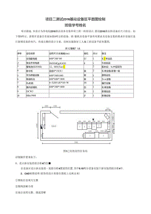
    项目二测试2316基站设备区平面图绘制班级学号姓名项目描述:本设计为苏电院2316基站设各安装单项工程一阶段设计,假设2316基站的设备区尺寸给定,如下图1所示,需要在设备区布放如我1所示的设备,请/据机房设备平面布局要求及设备安装的要求在设备区进行新增设备的布汽,形成完整的设计方案,绘制出能指好工人施工的设备平面布置图,农1i2备配?1&序号设在名称设符尺寸(长哦喻)(m)垠位HtA各注1交泡配电箱600*30000£f1K1.专设品2笈合开关电源IMXMQgJGOO81Si自设品3蓄电池(KIOMI)12。MO(Xux1.2配右设;,中层双列4除令柜迎由0*18(X1架2Ki有设备,新增一架5华为传输设备600*5001800架I原有设缶6电信机也600*600*1800架1Svw设每7Ra机柜6<XJH¾IO*iH<WJfiI编方设备8莫内空调机600*300*1800白1Ki有设备9DCWJ台1新增设品)0BBe3900ft1新增设各图1已有的设符区布局详细操作要来如下:1、设计新安装的保合柜4的位在设备区设计新安装的一架踪合柜4摆放的位置.其中9.10两分设备安装于新安装的踪合柜4中.2、CAD制图说明(把你的设计刖想在图纸上反映出来)图衔信息填写完整图例清晰合理备注说明完整、描述清晰

    注意事项

    本文(《通信工程勘察与设计项目化教程》试题 项目二实践测试 任务书2设备部分.docx)为本站会员(p**)主动上传,第壹文秘仅提供信息存储空间,仅对用户上传内容的表现方式做保护处理,对上载内容本身不做任何修改或编辑。 若此文所含内容侵犯了您的版权或隐私,请立即通知第壹文秘(点击联系客服),我们立即给予删除!

    温馨提示:如果因为网速或其他原因下载失败请重新下载,重复下载不扣分。




    关于我们 - 网站声明 - 网站地图 - 资源地图 - 友情链接 - 网站客服 - 联系我们

    copyright@ 2008-2023 1wenmi网站版权所有

    经营许可证编号:宁ICP备2022001189号-1

    本站为文档C2C交易模式,即用户上传的文档直接被用户下载,本站只是中间服务平台,本站所有文档下载所得的收益归上传人(含作者)所有。第壹文秘仅提供信息存储空间,仅对用户上传内容的表现方式做保护处理,对上载内容本身不做任何修改或编辑。若文档所含内容侵犯了您的版权或隐私,请立即通知第壹文秘网,我们立即给予删除!

    收起
    展开