欢迎来到第壹文秘! | 帮助中心 分享价值,成长自我!
第壹文秘
全部分类
  • 幼儿/小学教育>
  • 中学教育>
  • 高等教育>
  • 研究生考试>
  • 外语学习>
  • 资格/认证考试>
  • 论文>
  • IT计算机>
  • 法律/法学>
  • 建筑/环境>
  • 通信/电子>
  • 医学/心理学>
  • ImageVerifierCode 换一换
    首页 第壹文秘 > 资源分类 > DOCX文档下载
    分享到微信 分享到微博 分享到QQ空间

    采购清单、技术参数及商务要求.docx

    • 资源ID:110049       资源大小:34.82KB        全文页数:8页
    • 资源格式: DOCX        下载积分:5金币
    快捷下载 游客一键下载
    账号登录下载
    三方登录下载: 微信开放平台登录 QQ登录
    下载资源需要5金币
    邮箱/手机:
    温馨提示:
    快捷下载时,如果您不填写信息,系统将为您自动创建临时账号,适用于临时下载。
    如果您填写信息,用户名和密码都是您填写的【邮箱或者手机号】(系统自动生成),方便查询和重复下载。
    如填写123,账号就是123,密码也是123。
    支付方式: 支付宝    微信支付   
    验证码:   换一换

    加入VIP,免费下载
     
    账号:
    密码:
    验证码:   换一换
      忘记密码?
        
    友情提示
    2、PDF文件下载后,可能会被浏览器默认打开,此种情况可以点击浏览器菜单,保存网页到桌面,就可以正常下载了。
    3、本站不支持迅雷下载,请使用电脑自带的IE浏览器,或者360浏览器、谷歌浏览器下载即可。
    4、本站资源下载后的文档和图纸-无水印,预览文档经过压缩,下载后原文更清晰。
    5、试题试卷类文档,如果标题没有明确说明有答案则都视为没有答案,请知晓。

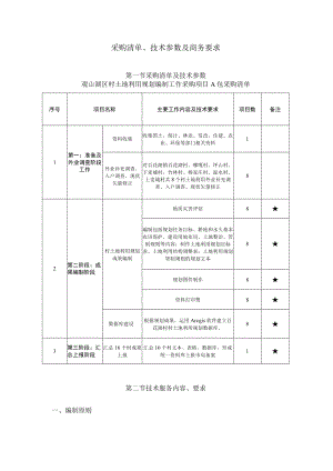
    采购清单、技术参数及商务要求.docx

    采购清单、技术参数及商务要求第一节采购清单及技术参数观山湖区村土地利用规划编制工作采购项目A包采购清单序号项目名称主要工作内容及技术要求项目数备注1第一:准备及外业调查阶段工作资料收集收集国土、统计、林业、发改、住建、农业、环保等部门相关资料1外业补充调查、入户调查、现状矢量修正对百花湖镇百花湖村、哪嘎村、坪山村、下麦城村、竹林村、杨家庄村、温水村、上麦城村共8个村土地利用外业补充调查、入户调查、现状矢量修正82第二阶段:成果编制阶段村土地利用规划成果编制地质灾害评估8编制包括规划任务目标、耕地和永久基本农田保护、建设用地布局、土地整治、管制规则等内容;制作土地利用规划目标表、土地利用结构调整表;土地利用规划管制规则的规划文本8规划图件制作8资料打印费8数据库建设根据规划成果,运用Arcgis软件建立百花湖村村土地利用规划数据库。83第三阶段:汇总上报阶段汇总16个村成果上报汇总16个村文本、表格、数据库,形成统一资料库上报市局备案1第二节技术服务内容、要求一、编制原则(一)统筹兼顾。落实乡级规划要求,衔接村庄建设、生态保护等规划,结合村域特色统筹协调各业用地需求。(二)保护优先。优先保护自然生态空间,落实耕地和永久基本农田保护要求,维护农村历史文化和村庄风貌。(三)节约集约。优化建设布局,因地制宜推进村庄建设适度集中。加大村庄建设用地挖潜力度,改造提升低效用地。(四)公众参与。规划编制各环节要保障村民的知情权、参与权、表达权和监督权,充分尊重农民意愿。(五)简便易行。制定符合实际、具有可操作性的规划方案,规划成果简明扼要、通俗易懂,便于村民接受和实施。二、规划任务根据村域自然经济社会条件和村民意愿,综合研究确定土地利用目标,统筹安排经济发展、生态保护、耕地和永久基本农田保护、村庄建设、基础设施建设和公共设施建设、环境整治、文化传承等各项用地,制定实施计划,切实发挥村土地利用规划在“多规合一”中的作用。有条件的地方可进一步推进土地整治、风貌指引、建筑设计等任务。(一)统筹安排农村各类土地利用,优化用地结构和布局;(二)确定村庄建设用地布局和规模,加强村庄建设的引导和管控;(三)强化宅基地管控,提升农村土地资源节约集约利用水平;(四)落实乡级规划确定的耕地和永久基本农田保护任务,明确耕地和永久基本农田保护面积与地块,加强耕地和永久基本农田保护;(五)确定生态用地布局和规模,加强生态用地保护;(六)保障农村公益性设施、基础设施合理用地需求。三、规划范围按照省市要求,结合本地实际,观山湖区确定百花湖镇的16个村开展村土地利用规划编制工作,每个村编制一个规划,共计16个规划,编制范围为村域全部土地。四、规划期限村土地利用规划以2018年为基期,规划期限为2018-2035年,展望2050年。五、成果要求(一)基本内容村规划成果表现为“两图两表一文本一数据库二两图:土地利用现状图、土地利用规划图(原则上比例尺1:2000)。两表:土地利用规划目标表、土地利用结构调整表。规划文本:包括总则、现状分析、发展定位与规划目标、建设用地空间规划与管制规则(含公用服务设施与基础设施、新农村建设、特色产业等内容)、农业空间保护与管制规则、生态空间规划与管制规则、土地整治安排、地质灾害防治、规划实施保障措施等内容(文字简洁)。建立符合乡级规划数据库标准的村规划数据库。(二)可选内容1、规划说明:包括规划编制过程、基本情况、基础调查与分析、编制内容、“多规融合”、公众参与等内容,以及调查问卷、论证意见等材料。2、规划图件:区位图、影像图、建设布局图、永久基本农田保护图、建设用地管制分区图、公用服务设施布局图、交通布局图、生态用地布局图、宅基地规划图、旅游用地规划图等。3、规划表格。可增加土地利用现状对比表、重点建设项目表、权属调整表等。六、工作程序(一)工作准备。包括组织和技术准备。组织准备包括建立村规划编制的决策、组织和经费保障机制。技术准备包括基础资料调查、补充调查形成数据基础以及收集相关工作底图。(二)现状分析。对村域人口、经济发展、社会事业、土地利用等方面开展分析,研究主要问题,明确村规划主要目标和任务。(三)编制方案。围绕优化土地利用布局、改善农村发展条件的目标,结合分区引导管控,统筹安排村庄建设用地、农业用地和生态用地,实施土地整治,完善保障措施。(四)规划论证。政府部门组织专家对规划成果进行论证,并出具专家论证意见。(五)规划征询。通过座谈会、村民会议等多种形式,对规划成果进行征询。(六)规划报批。村土地利用规划及允许建设区划定成果经村民会议三分之二以上成员或者三分之二以上村民代表同意后,报县级人民政府批准。(七)规划公告。遵循公开、便民的原则,可选择在村委会、公共活动空间等区域,采取多渠道和多方式公开公告。第三节商务要求一、完成时间及工作成果送交地点服务期:合同签订时约定。服务地点:采购人指定地点。二、验收标准、规范须达到国家现行规范及验收合格标准和采购人要求。执行本项目所在国家和地区颁发的现行法律法规、规范、规定、规程、标准、规划和要求,并符合本项目招标文件的规定。如果颁发新的技术标准,则按新标准规定执行。三、售后服务如需整改,须在1小时内响应。四、付款方式合同签订后,成果提交并通过审批后,支付应付款项的100%o五、履约保证金无六、投标有效期90日历天七、其他要求1 .本项目的报价包含:规划编制的成本费、人员费用及其可能产生的其它相关费用。采购人除支付中标价格的费用外不再支付任何费用。(本项目为交钥匙项目)。2 .投标人须提供本项目初步方案。3 .本项目项目小组主要人员配备:(1)项目负责人须具备高级工程师或国家注册测绘师;(2)在所配备的项目组人员中,必须至少2人具有高级职称,本项目涉及专业涵盖土地资源管理、地理信息系统专业。(3)须提供完全响应工作成果内容的承诺函。第三章评标办法及评分标准第一节评标办法一、评标办法本项目采用综合评分法进行评审。综合评分法,是指在满足采购文件实质性要求的前提下,评标专家按照采购文件中规定的各项评审因素及其分值进行综合评分后,以评分从高到低的顺序推荐1至3家供应商作为中标候选供应商的评标方法。二、评分因素评分的主要因素分为价格因素、技术因素(如技术参数、产品性能、产品质量等)和商务因素(如财务状况、信誉、业绩、服务期、质保期等)。评分因素详见评分表。评标分值保留至两位小数。评标时,评标专家依照评分表对每个有效供应商的投标文件进行独立评审、打分。三、评分标准1 .初步审查表初步审查表项目名称:项目编号:交易编号:序号供应商名称资格要求供应商1供应商2供应商3供应商41经营资格审查法人或其他组织的营业执照等证明文件,或自然人身份证明;2经审计的2017年度财务报告或财务报表,或基本开户银行出具的资信证明;3具备履行合同所必需的设备和专业技术能力的承诺函;42018年下半年至今任意一个月依法缴纳税收和社会保障资金的有效证明材料;5参加政府采购活动前3年内在经营活动中没有重大违法记录的书面声明函;6专业资格审查同时具备法定甲级测绘资质、乙级及以上土地规划资质7贵州省外的单位需在贵州省国土资源厅备案8投标保证审查提供保证金已交纳的依据(出具系统提示保证金已交纳到帐的回执截图并加盖单位公章)评标地点:贵阳市公共资源交易中心五楼评标室2018.X.X一、资格性审查二、符合性审查9技术符合性对技术要求的符合性(承诺需完全满足采购文件的采购内容及服务要求)10商务符合性招标文件商务条款的符合性(承诺完全响应采购文件中的商务要求)三、无效标审查11无效标审查按本项目招标文件无效标条款规定,审查是否通过初步审查结论(通过或不通过)评标专家(签字):2 .评分表评分表项目名称:交易编号:项目编号:评标地点:贵阳市公共资源交易中心五楼评标室2018.X.XJ供应商名称评分项及评分标准jj一供应商1应2供商价格分15分投标报价得分=(评标基准价/有效投标报价)X价格权值Xloo0-15分技术分15分技术方案合理,详细,操作性等因素进行综合评分。优:1570分:良:9-5分;中:4T分;差不得分。0-15分商务分70分经审计的2017年度财务报告中无保留意见的得5分。有保留意见或未提供的不得分。0-5分具备相关工作经验,满足基本要求:(1)提供独立完成1个市(州)级十三五土地整治规划或高标准农田建设规划编制业绩材料得4分,增加一个市(州)级十三五土地整治规划或高标准农田建设规划编制业绩材料的加3分,本小项最多得10分;(2)提供独立完成1个县级土地利用总体规划修编业绩材料得3分,增加1个县级土地利用总体规划修编业绩材料加3分,本小项最多得15分。0-25分项目组成员配备合理。满足基本要求:参与本项目的技术总负责人一名(必须具备土地资源管理专业高级职称)及主要工作人员两名(需具有高级职称,专业为土地资源管理或地理信息系统);(1)以上项目组成员中每有1个研究员证书(专业为土地资源管理、地理信息系统或测绘)的得5分,最多得10分,没有不得分;(2)项目组成员有土地资源管理专业或地理信息系统高级工程师,每增加一个得2分,最多得12分,上述人员不符合专业要求或只有1个高级工程师的不得分。注:没有提供不得更换项目组成员的承诺不得分0-22分具备质量管理体系认证证书得6分;没有不得分。0-6分具备信息安全管理体系认证证书得6分;没有不得分。0-6分具备职业健康安全管理体系认证证书得6分;没有不得分。0-6分其他加分项3分“对原产地在少数民族自治区和少数民族自治待遇的省份的投标主产品(不含附带产品),享受政策性加分和价格扣除,即采用综合评分法或性价比法进行评审的,在总分在总得分基础上加3分(少数民族自治区和少数民族自治待遇的省份仅指:贵州、云南、青海)得分103分评标专家(签字):

    注意事项

    本文(采购清单、技术参数及商务要求.docx)为本站会员(p**)主动上传,第壹文秘仅提供信息存储空间,仅对用户上传内容的表现方式做保护处理,对上载内容本身不做任何修改或编辑。 若此文所含内容侵犯了您的版权或隐私,请立即通知第壹文秘(点击联系客服),我们立即给予删除!

    温馨提示:如果因为网速或其他原因下载失败请重新下载,重复下载不扣分。




    关于我们 - 网站声明 - 网站地图 - 资源地图 - 友情链接 - 网站客服 - 联系我们

    copyright@ 2008-2023 1wenmi网站版权所有

    经营许可证编号:宁ICP备2022001189号-1

    本站为文档C2C交易模式,即用户上传的文档直接被用户下载,本站只是中间服务平台,本站所有文档下载所得的收益归上传人(含作者)所有。第壹文秘仅提供信息存储空间,仅对用户上传内容的表现方式做保护处理,对上载内容本身不做任何修改或编辑。若文档所含内容侵犯了您的版权或隐私,请立即通知第壹文秘网,我们立即给予删除!

    收起
    展开