欢迎来到第壹文秘! | 帮助中心 分享价值,成长自我!
第壹文秘
全部分类
  • 幼儿/小学教育>
  • 中学教育>
  • 高等教育>
  • 研究生考试>
  • 外语学习>
  • 资格/认证考试>
  • 论文>
  • IT计算机>
  • 法律/法学>
  • 建筑/环境>
  • 通信/电子>
  • 医学/心理学>
  • ImageVerifierCode 换一换
    首页 第壹文秘 > 资源分类 > DOCX文档下载
    分享到微信 分享到微博 分享到QQ空间

    安全技术防范与多媒体系统巡查维护内容.docx

    • 资源ID:1096873       资源大小:10.90KB        全文页数:3页
    • 资源格式: DOCX        下载积分:5金币
    快捷下载 游客一键下载
    账号登录下载
    三方登录下载: 微信开放平台登录 QQ登录
    下载资源需要5金币
    邮箱/手机:
    温馨提示:
    快捷下载时,如果您不填写信息,系统将为您自动创建临时账号,适用于临时下载。
    如果您填写信息,用户名和密码都是您填写的【邮箱或者手机号】(系统自动生成),方便查询和重复下载。
    如填写123,账号就是123,密码也是123。
    支付方式: 支付宝    微信支付   
    验证码:   换一换

    加入VIP,免费下载
     
    账号:
    密码:
    验证码:   换一换
      忘记密码?
        
    友情提示
    2、PDF文件下载后,可能会被浏览器默认打开,此种情况可以点击浏览器菜单,保存网页到桌面,就可以正常下载了。
    3、本站不支持迅雷下载,请使用电脑自带的IE浏览器,或者360浏览器、谷歌浏览器下载即可。
    4、本站资源下载后的文档和图纸-无水印,预览文档经过压缩,下载后原文更清晰。
    5、试题试卷类文档,如果标题没有明确说明有答案则都视为没有答案,请知晓。

    安全技术防范与多媒体系统巡查维护内容.docx

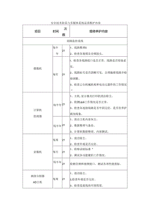
    安全技术防范与多媒体系统巡查维护内容项目时间次数维修养护内容闭路监控系统摄像机每半年211、线路整理02、检查各视频及音频接头。每年21I、检查各线路接口是否正常、线路是否侵蚀老化。2、线路标号是否清晰可见,合理编排线路并检修调整。3、检查云台机械机构和电动元器件的工作情况“计算机监视器每半年211、主机,显示器及打印机清沾除尘。2、检测UpS工作情况是否正常。3、检查各连接线路是否牢固完好,是否有养护腐蚀现象。每半年211、清洁主机内部灰尘。2、数据整理与备份。3、计算机数据整理、内部测试。录像机每周211、清洁除尘。2、检查外观是否完好。每月211、检察录制标准“2、测试各功能键的工作情况。每半年21检测音频和视频接口,测试各项性能指标。画面分割器AD主机每周211、清洁除尘。2,检查外观是否完好。3、检查连接线的牢固程度。项目时间次数雒修养护内容每季测试各功能犍的工作情况。每年21线路整理,功能测试.停车场管理系统停车场管理系统用计算机每半年211、主机、显示器及打印机清洁除尘。2、检测UPS工作情况是否正常。3、检测连接接口。4、内部数据整理和备份。读卡器控制器每半年妾11、清洁除尘。2、读卡器固定螺丝牢固状况。每半年11、检测系统接口性能,2、检查电器元件工作情况。地感装置每半年川测试地感装理的灵敏程度,根据测试结果调解灵活度。门禁管理系统门禁管理系统用计算机每半年211、主机、显示器及打印机清洁除尘。2、检测UPS工作情况是否正常。3、检测连接接口。4、内部数据整理和备份。读卡潺控制器每T-'-211、清洁除尘。2、读卡器固定螺丝牢固状况。多媒体会议系统及其它系统控制主机5j.'1.211、主机、显示器及打印机清洁除尘。2,检测UPS工作情况是否正常。3、检测连接接口.4、内部数据整理和备份。音箱、投影、报警前每周川1、清沽除尘。项目时间次数雒修养护内容端设备2,音箱、投影、报警前端设备固定螺丝牢固状况。3、音箱,投影、报警前端设备测试和运行。终端设笛疑?211、检测系统接口性能。2、检查电器元件工作情况。

    注意事项

    本文(安全技术防范与多媒体系统巡查维护内容.docx)为本站会员(p**)主动上传,第壹文秘仅提供信息存储空间,仅对用户上传内容的表现方式做保护处理,对上载内容本身不做任何修改或编辑。 若此文所含内容侵犯了您的版权或隐私,请立即通知第壹文秘(点击联系客服),我们立即给予删除!

    温馨提示:如果因为网速或其他原因下载失败请重新下载,重复下载不扣分。




    关于我们 - 网站声明 - 网站地图 - 资源地图 - 友情链接 - 网站客服 - 联系我们

    copyright@ 2008-2023 1wenmi网站版权所有

    经营许可证编号:宁ICP备2022001189号-1

    本站为文档C2C交易模式,即用户上传的文档直接被用户下载,本站只是中间服务平台,本站所有文档下载所得的收益归上传人(含作者)所有。第壹文秘仅提供信息存储空间,仅对用户上传内容的表现方式做保护处理,对上载内容本身不做任何修改或编辑。若文档所含内容侵犯了您的版权或隐私,请立即通知第壹文秘网,我们立即给予删除!

    收起
    展开