欢迎来到第壹文秘! | 帮助中心 分享价值,成长自我!
第壹文秘
全部分类
  • 幼儿/小学教育>
  • 中学教育>
  • 高等教育>
  • 研究生考试>
  • 外语学习>
  • 资格/认证考试>
  • 论文>
  • IT计算机>
  • 法律/法学>
  • 建筑/环境>
  • 通信/电子>
  • 医学/心理学>
  • ImageVerifierCode 换一换
    首页 第壹文秘 > 资源分类 > DOCX文档下载
    分享到微信 分享到微博 分享到QQ空间

    工程预留预埋方案_转自RTF.docx

    • 资源ID:1079641       资源大小:67.58KB        全文页数:9页
    • 资源格式: DOCX        下载积分:5金币
    快捷下载 游客一键下载
    账号登录下载
    三方登录下载: 微信开放平台登录 QQ登录
    下载资源需要5金币
    邮箱/手机:
    温馨提示:
    快捷下载时,如果您不填写信息,系统将为您自动创建临时账号,适用于临时下载。
    如果您填写信息,用户名和密码都是您填写的【邮箱或者手机号】(系统自动生成),方便查询和重复下载。
    如填写123,账号就是123,密码也是123。
    支付方式: 支付宝    微信支付   
    验证码:   换一换

    加入VIP,免费下载
     
    账号:
    密码:
    验证码:   换一换
      忘记密码?
        
    友情提示
    2、PDF文件下载后,可能会被浏览器默认打开,此种情况可以点击浏览器菜单,保存网页到桌面,就可以正常下载了。
    3、本站不支持迅雷下载,请使用电脑自带的IE浏览器,或者360浏览器、谷歌浏览器下载即可。
    4、本站资源下载后的文档和图纸-无水印,预览文档经过压缩,下载后原文更清晰。
    5、试题试卷类文档,如果标题没有明确说明有答案则都视为没有答案,请知晓。

    工程预留预埋方案_转自RTF.docx

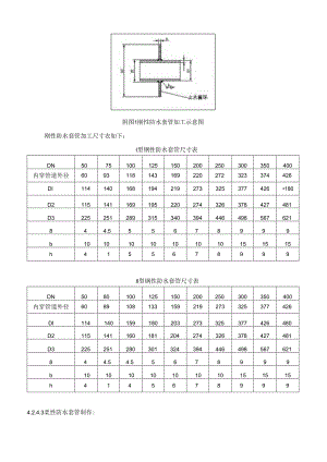
    附图1刚性防水套管加工示意图刚性防水套管加工尺寸衣如下:I型钢性防水套管尺寸表DN5075100125150200250300350400内穿管道外径6093118143169220272323374426Dl114140168194219273325377426180D2115141169195220274326378427481D3225251289315340394446498567621844.555678999b10101010101010151515h4155678999Il型钢性防水套管尺寸表DN5080100125150200250300350400内穿管道外径6089108133159219273325377426Dl114140159180203273325377426480D2115141160181204274326378427481D3225251280301324394446498567621844.54.55678999b10101010101010151515h41456789994.2.4.3柔性防水套管制作:(2)所使用的主辅材必须有产品合格证、材质检验证明。4.4.2.2主要机具(1)电焊机、冲击钻等;(2)手枪钻、手锤、塞子、钢据、活扳手等。1.4.3防指接地及等电位连接安装做法4.4.3.1避雷引下线选用柱内两根直径大于16mm的钢筋作引下线,有钢柱的地方可利用钢柱,所有避雷用下线与均压环焊接连接:土建钢筋已采用压力弧焊、对焊、冷挤压、丝接方式的可不再焊接:4.4. 3.2变电站内接地母战明敷设做法变电站接地明母线采用扁铜沿墙边敷设,做等电位均压环,所有外漏的金属构件均通过该均压坏与接地装置连接,设备接地电阻应不大于0.5欧姆。低压配电屏外壳、电缆金属外皮、电缆及导线保护钢管以及所有的金属支架等都必须可菰接地.接地母纹明敷设做法见图4-k家内犊培”嫉安装图×7rt<MH一."。线VWI,-士一TttH*H,4,iBJKBlKtM械而4.4.3.3配电间等电位做法:所有弱电系统机房、电梯机房及电气小间内设辅助等电位端子箱,各个设备与辅助等电位箱连接。4.4.3.4淋浴室、设备机房内等电位做法所有带浴室的TI生间做局部等电位,局部等电位做法见图4-3浴室局部等电位连接示例的做法。卫生间内所仃洗手盆上下水、坐便器上下水及设备机房内的进出水管(不包括扶手等孤立物)均做局部等电位连接,从等电位箱引至水管附近86盒的连接线均采用BVR-I*4mm1.卫生间、浴室等电位连接箱安装位置及标而根据精装图纸进行确定.图4-3淋浴室等电位箱做法4.4.3.5管道等电位连接本I:程采用总等电位联接方式,进出建筑物的各种金屈管道应在进出处与防雷接地装置可鸵连接,具体做法见图4-4根据设计图纸,屋顶女儿墙上避雷带采用012镀锌圆刖,并马结构柱或墙体内预留的防雷引下线的El钢在石材与结构体间空隙内作可靠的电气连接.屋顶女儿墙上支架采用012镀锌圆钢在结构上生根,做法如图4-5,水平敷设时支架间距I米,转弯处为0.5米.位于屋顶平面上的避需带也采用012镀锌团I钢,喑敷于屋顶地面防水层下,井与屋顶女儿墙上的避福带作可靠的电气连接.图”5屋顶女儿墙避需网被法4.43.7幕墙接地:玻璃幕外墙接地从一层开始至屋顶,在每层的各个防雷引下线引出40*4镀锌扁钢预留玻崎幕墙接地连接点。4.4.4接地电阻测试接地电阻测我仪.常用的有ZC-8型和7C-29型.常规用的ZC-8型测员仪,主要由手摇发电机、电流互恁器、滑线电阻及检流计等组成.其全部机构组装在铝合金铸造的携带式衣壳内.外形与普通摇表相似故又叫接地摇表。ZC8型测量仪的附件有:接地探测针两支,导线三条:5m长一条用于接地极,20m长一条用于电位探测针,40m长一条用于电流探测针。(2)接地电阻溯试线路的连接应符合以下要求:D沿被测接地板E'将电位探测针P'和电流探测针C'依直线彼此相距20m插入地下,电位探测针P,应插于接地极E,和电流探测针C'之间,用专用导线将EP'和C'联于仪表相应的端钮上。2)将仪表放置在水平位置上,首先检查检流计的指针是否指手中心线上,如不指于中心线上可用零位调整器将其调至指于中心线上。然后,将''倍率标度”置F最大倍数“慢慢地转动发电机的摇把,同时旋动“测量标度盘”使检流计的指针指丁中心线.当检流计的指针接近平衡时加快发电机摇把的摇转速度,使其达到每分钟120转以上,调正“测量标度盘”使指针指于中心线上。如“测量标度盘”的读数小于1时,应将倍率标度置于较小的倍数,再重新调整“测量标度盘”以便得到正确读数。用“测量标度甜”的读数乘以倍率标度的倍数,即为所测的接地电阻值,本工程的防雷接地、变压器中性点接地、安全接地及其它弱电系统接地公用接地机,综合接地电阻0.5欧母。4. 5预埋件在主要的通道和大型机房等区域的顶板和两供g墙体用于后期固定管线和设备支吊架的预埋钢板构件在土建结构图上,由设备施工单位核查后,土建专业施工单位预埋。后设备安装部位及较大管道安装部位的预埋固定钢板采用不上时,用型钢从预埋固定钢板处引到位。预埋件安装在顶板时,应在顶板底模板支好后,将预埋件固定在底模板上,可用钉子固定。钢筋铺设完成后,勾筋应与顶板钢筋用铁丝绑扎牢固。并应在预埋件与模板接触面刷防锈漆.当负荷较大时,不宜使川钢筋与钢板直接焊接的方法,为增大强度,可在钢板上开大丁勾筋直径l-2mm的洞,将勾筋伸入洞内,在钢板两侧与勾筋相连的地方满焊,制成预埋件.预埋件安装在墙体时,应在墙体钢筋绑好后,将预埋件安装到位,勾筋与墙体主筋用铁丝绑扎牢固。5.主要施工管理措旗5. 1工期保证措施5.1.l会同建设单位、设计单位、监理单位、土建单位紧密配介。统领导各专业施工单位,对工程质量、进度、安全全面负责。5.1.2根据上建专业提供的网络计划的关键路线,精心组织,严格管理,从施工中紧抓不放,并从材料、设备、劳动力、施工机具等方面,保证关键路线上工程项目的需要,促进工程进度.5.1.3预埋阶段,合理安排施工人数,电气正式预埋管前,先根据图纸管线的布置位置预制出钢管,两端套好丝口,其中一些返弯处可根据图纸相应计和好来回弯的个数以及其规格,并提前备好相应的管件及总架,将其与接线食用锁母锁牢固,一旦土建条件具备,立即进行配合工作。51.4对施工作业人员采用各种形式,进行质量意识及劳动定额意识的教育,提存每个操作人员对劳动定额的应用,提高工效。5.2质量保证措施5. 2.1工程质量检杳和管理预留预埋工程的施工是建筑产品质量形成的重要组成部分.认真坚持“质量第一”的原则,保证质量对其它问题有否袂权,建立质量保证体系,以达到工程质量目标。工程质量检杳和管理工作是施工现场管理的IR要内容,概括为以下三个方面:5.2. 1.1按照工程设计要求和国家有关技术规定,如施工及股收规范、技术操作规范等,对整个施工过程的各个工序环节进行有组织的工程质量检验工作,不合格的建筑材料不能进入施工现场,不合格的分部分项工程不能转入下一道工序“用全面质址管理的方法,对工程进行步量分析,找出易产生各种质量缺陷的原因,随时采取预防措施,减少或尽显避免工程质盘事故的发生,把质量:管理工作贯穿到工程施工的全过程,形成个完整的质量过程管理体系。5.3. 1.2工程质量管理,由专业质检员严格把关,认应按国家施工验收规范施工及检查,坚持分项工程技术交底制,有针对性安排,严格按工艺标准施工,从工序质量抓起,严格控制工序质量,保证工程质量。发现的质量问题各专业程师应及时落实解决方法,确保工程一次验收合格.5.4. 1.3严格技术管理,抓好施工方案的编制,必须严格地行审批手续,并认真付诸实施.5.2.2工程质地预控5.2.2.1加强材料采购的管理°做好材料的采购工作,是工程质量预控的重要环节。各专业工程师应根据材料的设计要求,选定三家厂商进行招标,通过对其评标,确定中标厂家,进行货比三家,择优选用,材料进场严格执行检验制度,对照材料计划检骐材料的数量、规格、型号,是否附有产品合格证、材料检杳报告等,由专业工程师组织,质量员、监理与材料员共同验收,未经检查,或不合格的材料坚决不能使用,从而把好材料质量关.材料进场后,对材料的堆放要按照材料的性能码放。对材料的码放要仃预见性,尽量减少材料的二次搬运,在搬运过程中要注意对材料的保护。5.2.2.2样板引路制度.在分项(工序)施工前,由专业工程师依据施工方案、技术交底和国家验收规范标准,组织进行分部(工序)样板族工。通过验收后,一律按样板组织施工,凡按照样板经脸收不合格的必须返工。做到统一工序标准,统一施工程序,统一施工质量验评标准。5.2.2.3在施工过程中严格按照公司的质量保证手册和工作程序文件中相关的质量要素及工作程序执行。加强基础性技术工作,强化对施工方案,图纸会审,施工技术交底等技术资料的管理。技术交底必须以书面形式,并口头给操作人员讲解清楚,三方签字齐全,牢固树立“质量第一,用户至上”的思想.5.2.2.4质检员必须泮格控制施工过程的侦量,不得院瞒施工中的质量问题,发现质量:问题及时督促操作者返工。施工中出现施工质量不合格,班组不得擅自进行处理,应及时上报项目部,由专业工程师制定处理方案,操作者必须严格按照整改方案进行返修,返工处理完毕后,通知项目部复杳,直到检验合格为止。5.2.2.5各种顺量保证资料应与施工进度同步进行,以保证技术资料的严用性、真实性和完整性。5. 3成品保护措施成品保护贯穿于施工全过程直至竣工,是将个优良工程交付甲方的重要保隙,施工人协进场前耍进行成品保护意识教仔。5.3. I在预用、预埋施工中,运输管道、套管及木套箱时应注意土建结构已完成的柱角、梁角的成品保护,防止掾击破坏5.3.2预留、预埋淹工过程中,如不同专业发生交叉矛盾时,不得揩以已完成专业的管道随意振动、甚至破坏,必须统一协调。5.3.3已完成的预留、预埋管道,管口必须封闭严密。以防在以后的施工过程中有异物进入,造成管路堵塞。5.3.4预留、预埋专业在施工过程中做防腐时,不得将油漆洒在模板及钢筋上。如不小心将洒上,应采用挥发性的专用清洗剂进行清洗。5.3.5预留、预埋专业在施工过程中,发现本专业的管道H土建专业钢筋有交叉矛盾,需切断钢筋时,必须先通知项R部,由专业工程师与土建专业协调同意后,方可施工。以便上建专业采取适当的加固措施。5.3.6对于个别漏留或变更增加的套管、孔洞,专业不允许私自开洞,要等设计确认,给出具体措施后才能开洞。5. 4消防保证措施5.4. 1消防工作交底:施工班组进场后,安全员组织施工人员进行安全防火教育,并向施工班组交代清楚工地防火IR点部位,陵工环曳、消防器材的布置及如何使用。5. 4.2设置防火警示标志:在

    注意事项

    本文(工程预留预埋方案_转自RTF.docx)为本站会员(p**)主动上传,第壹文秘仅提供信息存储空间,仅对用户上传内容的表现方式做保护处理,对上载内容本身不做任何修改或编辑。 若此文所含内容侵犯了您的版权或隐私,请立即通知第壹文秘(点击联系客服),我们立即给予删除!

    温馨提示:如果因为网速或其他原因下载失败请重新下载,重复下载不扣分。




    关于我们 - 网站声明 - 网站地图 - 资源地图 - 友情链接 - 网站客服 - 联系我们

    copyright@ 2008-2023 1wenmi网站版权所有

    经营许可证编号:宁ICP备2022001189号-1

    本站为文档C2C交易模式,即用户上传的文档直接被用户下载,本站只是中间服务平台,本站所有文档下载所得的收益归上传人(含作者)所有。第壹文秘仅提供信息存储空间,仅对用户上传内容的表现方式做保护处理,对上载内容本身不做任何修改或编辑。若文档所含内容侵犯了您的版权或隐私,请立即通知第壹文秘网,我们立即给予删除!

    收起
    展开