欢迎来到第壹文秘! | 帮助中心 分享价值,成长自我!
第壹文秘
全部分类
  • 幼儿/小学教育>
  • 中学教育>
  • 高等教育>
  • 研究生考试>
  • 外语学习>
  • 资格/认证考试>
  • 论文>
  • IT计算机>
  • 法律/法学>
  • 建筑/环境>
  • 通信/电子>
  • 医学/心理学>
  • ImageVerifierCode 换一换
    首页 第壹文秘 > 资源分类 > DOCX文档下载
    分享到微信 分享到微博 分享到QQ空间

    网络与智能监控系统综合实训-实训集.docx

    • 资源ID:1073038       资源大小:116.22KB        全文页数:15页
    • 资源格式: DOCX        下载积分:5金币
    快捷下载 游客一键下载
    账号登录下载
    三方登录下载: 微信开放平台登录 QQ登录
    下载资源需要5金币
    邮箱/手机:
    温馨提示:
    快捷下载时,如果您不填写信息,系统将为您自动创建临时账号,适用于临时下载。
    如果您填写信息,用户名和密码都是您填写的【邮箱或者手机号】(系统自动生成),方便查询和重复下载。
    如填写123,账号就是123,密码也是123。
    支付方式: 支付宝    微信支付   
    验证码:   换一换

    加入VIP,免费下载
     
    账号:
    密码:
    验证码:   换一换
      忘记密码?
        
    友情提示
    2、PDF文件下载后,可能会被浏览器默认打开,此种情况可以点击浏览器菜单,保存网页到桌面,就可以正常下载了。
    3、本站不支持迅雷下载,请使用电脑自带的IE浏览器,或者360浏览器、谷歌浏览器下载即可。
    4、本站资源下载后的文档和图纸-无水印,预览文档经过压缩,下载后原文更清晰。
    5、试题试卷类文档,如果标题没有明确说明有答案则都视为没有答案,请知晓。

    网络与智能监控系统综合实训-实训集.docx

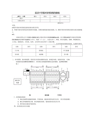
    实训1可视对讲系统的接线_Jfi第一小Ifl盥长组员蛆员组员姓名小组长评分教师评分:目的,熟悉可视对讲系统设备的结构名称及作用;2、掌握可视对讲系统设务的拆卸及装配,清楚各接线端功能及接线:3、熟练可视对讲系统设备的安装及线路施工.材,可视对讲单元门口机DS<D80022A可视对讲室内机DSHMBSol-AS、读卡器DS-IllOO可视对讲管理机DS-DB30U电控慑IT-DJOO,门开关、电源子(公)、水晶头若干、网线、两芯电源线、线槽、网线测试仪、工具包、绝缘胶布、万用表、标筌、自攻伊丝及扎带若干.实验步骤:一、认识可视对讲系统各设备,完成型号填写:名称型号名称型号名称型号门口机管理机开门按健室内机电插偏读卡器二、叁考附图,画出接线图,要求设计好弱电钱路的走线,按规急布线,连接好设备.(注Ih电镇接的是CoMl或COM2端口,同时要注意根据阴极镇还是阳极做,选择NO或NC端.)银读仪器门开关三、检查通电调试I1、确定电源供电线路没短路,不按设备,通电检查供电是否正常.(用万用表检测)2、确定各线路接线正确,保证线路没短踣,通电检杳设缶是否正常.3、简单流试功能是否能实现。四、实训收获及存在问题实训2可视对讲系统的调试_Ja第一小Ifl组长组员组员组员姓名小组长评分教巾评分:日的:4、掌握可视对讲系统设备的软件安装:5、单:据可视对讲系统门口机的调忒及应用:6、掌握可视对讲系统室内机的调试及应用:7、掌握可视对讲系统管理机的调试及应用.器材:可视对讲单元门口机、可视对讲室内机、可视对讲管理机、电插锁、门开关、交换机、电脑主机、显示器各台、自制网络跳线条备注,室内机默认工程密码为88899%室内机默认胁迫密码为654321室内机默认开密码为123456;室内机默认布赧防密码为123456.胁迫密码和开供密码不能设置成一致.实验步骤:五、按图要求连接好线路,打开设备电源,并在电脑共享文件夹中下载相关软件:六、门口机的设置:1、激活门口机所有设在首次使用时霰要进行澈活并设附登录密码,才能正常登录和使用。可以通过两f中方式激活控制主机,分别是本机激活以及iVMS-42客户端软件方式激活.本机激活:门口机首次使用时需要进行激活并设置登录密码,才能正常登录和使用。<1),门口机首次使用时,上电后会自动转入激活提醒界面.<2),点击#键进入激活界面,输入新密码及确认密码,点击#键完成激活。(af12345678)密码:以数字键2为例,首次按下数字键2,密码编辑框显示数字2,此时UI界面上数字键2切换为选中状态,在此状态下,再次按下数字键2,编辑框显示字母a,相同方法可依次输入字母b、c、A、B、C,如果确定输入的内容,则停止切换(停止按键),Ul界面上数字键2切换到非选中状态,当前编辑框显示的内容即为确定输入的内容O输入完成新密码后按F2或F3,切换到确认密码输入框,输入完成确认密码后按F4完成激活。输入过程中按Fl可删除当前输入。表5-1数字键字符说明数字键说明I数字键说明166mnoMNO22abcABC77pqrsPQRS33defDEF88tuvTUV44ghiGHI99wxyzWXYZ55jklJK1.O02、门口机本地配置(I)、先按住*键不放,再按下#键,并停留3秒,进入工程密码输入界面“(2)、输入工程密码,以#键结束,进入门口机参数配置界面。(3)、在门口机参数配置界面,通过数字键4和6进行翻页,切换至网络配置界面,点击#键进入网络参数配置界面。(按要求配置件设备IP)(4)、配理门口机所处的可视对讲系统类型:为门口机配置编号信息,1期、(组号)悼、(工位号)单元、(工位号)层。主门口机:序号为O(一台门口机只能为0)。(5)、在本机信息配置界面,输入2进入系统类型配置界面,输入1选择全数字系统。(全数字系统有密码开门功能)、卡片授权:门口机支持两种发卡方式:母卡发卡、密码发卡。完成密码发卡,首次进行物码发卡时,需先配置发卡密码:后续进行密码发卡时,输入发卡密码便可开始操作。发卡密码:完成母卡发卡操作。(7).音量配置。(8)、读卡器的应用:苜先断电拔好码,第6位为0,选择为485通讯:再在平台上将速率设置为192000,并启用读卡器。三、室内机的设置:I、室内机的本地激活(1)、备正常上电后,进入激活界面。(2)、输入并确认新密码,点击“确定”,完成设备本地激活操作。(afl2345678)密码:2、室内机本地设省(1).在设置密码设置路径1.进入密码设置界面。(2)、点击“工程密码”、“胁迫密码”、“开锁密码”或“布撤防密码”图标,进入相应的密码设置界面,不修改密码.、在铃声设理界面,设置来电铃声、室内机响铃时间、室内机响铃呼叫转移时间、麦克风音量、扬声涔音量、启用触屏按篌音、启用自动应答。(4)、设置相应的开始时间与结束时间,使室内机处于夜晚免打扰模式。时间:(5)、进入工程设置,配以本机信息,选择室内机类型为室内主机,设巴房问号为1.(6)、修改网络参数,手动设置设备本地IP地址,掩码和网关。“开启Wi-Fi''功能“本地IP:(7),管理设备,配置SlP服务器(管理机可以作为SIP服务器使用),并为室内机配置中心平台或管理机。SIPJK务寿IP(管理机):中心平台(管理机上1P:管理机1P:(8)、配置主门口机,选择主门口机类型为主单元门口机,输入主门口机IP地址。主门口机IP:七、通话操作:a)门口机通话操作实训三网络式报警系统的认识与接线组第一小组组长组员组员组员姓名小组长评分教师评分:实训目的:8、熟悉海康网络式报警主机的结构:清是主机各接线端功能;9、熟练网络式报警主机与各类传感器及报警设备的接线.器材及工具:各类传感器(不包括无线弱感)、总线式网络报主机、电源模块、紧急开关、声光报警器、主机键盘、各种螺性刀、斜口钳及剥线器等.实训步源,十七、根据设备所贴标签及连线,认织网络报警系统各设备,完成下表:名称型号名称型号名称型号十八、对照下图中各子名称及报警主机的接线情况(可参考接线的标签),筒单画出(用方框图)所接设备,在方框内写出设冬名称,其中传感设今-.*MMJ<Mt<M*TK田IfAl由由6'5*r,J2'*'、"、",O«.,,0er三ffWW*匚,匚,二,匚,-二月帛中帆十九、叁考下图检杳并接好四个防区的线路;注意电阻值及接线方式,同时不用防区并好线尾电阻.线尾电阻阻值为,色环数为环,顺序为.NC美羽掇汹Ii二十、实训收获及存在问题12V电源适配器I液晶显示器12V电源适配器2XVR电源适配器显示器电源适配战实训3视频监控系统的搭建2的长组员F组员丁蛆员一组员评分姓名小组评分 目的I认识XVR、IP摄像机,完成混合摄像机组成的视核监控系统的搭建 器材:模拟摄像机2只、IP摄像机I只、I2V2A摄像机电源3只、海康XVR一只(带12V电源)、液晶显示器I台(带I8V电源及VGA信号线)、已制作好带BNC头同轴电缆2条,自制网线2条,水晶头若干。 实训过程,二十一、认识XVR、IP摄像机,了解它们的结构及作用。二十二、制作2条半米长的BNC头的75C同轴电缆连接线(贴好制作同学的名字)。二十三、每两人制作I条双绞线跳线,并在旅近水晶头约5cm处贴上制作同学的名字。二十四、确定各设备的电压:在I;表中填写相关设备的电压。设备幺称模拟摄愎机IP摄像机海康XVR液晶显示器额定电压二十五、画出实物接线示意图:海康XVRJR45BNCOOOO巴O12V电就适配零3二十六、按所画接线示意图搭建好混合型监控系统。二十七、接上电源通电,将XVR的IP设为192.168.2.(工位号+0),写出IP摄像头的IP:(如它不与XVR为同网段就将它改为同网段并调试出三个监控画面,写出调试过程中出现的问题及解决方式和效果:探测器类型防区类型关联触发器及输出延时九十七、在控制版面点击编辑常用功能按钮,勾选“报警主机二系统将自动将跟报警主机模块相关的模块显示在控制面板中,九十八'为报警主机内的防区配置事件联动.事件联动包括警号联动,散发联动,客户联动,监拄点联动.在控制面板点击“事件管理”进入事件管理模块.点击“防区事件”标签,展开报警主机的防区列表.在防区列表中点击防区名称,激活防区事件的配置项,配置防区的名称,类型和事件联动*九十九、报弹图H1.在左侧“防区”列表选择一台报警主机,“联动客户端动作”列表内勾选“报营自动弹图像”.“联动监控点”列表内勾选可进行/.行控用的网络而济智彼洋.保存配置,报警触发后客户端弹出报警求助对讲画面:百、远程控制:通过报警f系统和防区的布防,撤防,旁路.旁路恢复等操作对报警主机进行远程控制在控制面板点击报警主机按钮,通过勾选左上角的“网络报警主机”界面中显示相应类型的报警i殳备,在报警主机模块的列表模式下,点击“操作”按钮,打开子系统操作窗口,可远程配次外出布防、留守布防、即时布防、消警、组旁路以及祖旁路帙现.在列去模式下点击“杳看”,或在平铺模式下点击子系统名字.可以打开防区操作窗口,可以远程配置防区旁路或恢更旁路.百一、实训收孩及存在问逊实训9搭建无线型视频监控系统的长蛆员F组员丁蛆员丁组员评分姓名小组评分实训目的,学会无线路由器的配置,并学会搭建无线型视频监控系统器材设务:无设IP摄像机1只、无戏跖由器1台、电脑I套、手机I部(自带)、网线若干。实训过程:百二、了解使用荥石云(老师讲解);百三、认识无线IP摄像出、无线WIFI(路由零),观察它们的结构及端1.l.写出它的的电源适配器参数:无线抵像机电源的糊定工作电压V和电流容瓜A:其中无践WIFI电源的额定工作电压V和电流容量AV百四、画出实物接城示意图,完成住I无线IP摄像机、无战WlFl、手机林加白招一只)、计算机主机、液晶赫示湍搭建的视频监捽系统:(注意要先把工位交换机接到广域1小再开始进行实调搭建)无线IP接像机无我WlFl电源无税IP投像机电源百五、按所画图搭建好监控电跖并写出调试步骤:I)设置无战WlFl(将IP改为192.168.工位号加1.1):½f(按卜处位键3秒以上)输入tplogin.CnSR路由器网址(192.168.0.1)2)手机安装荣石云APP:3)设置无线IP扭像机:百六、将掇像机添加到“萤右云后,可以通过“菠石云

    注意事项

    本文(网络与智能监控系统综合实训-实训集.docx)为本站会员(p**)主动上传,第壹文秘仅提供信息存储空间,仅对用户上传内容的表现方式做保护处理,对上载内容本身不做任何修改或编辑。 若此文所含内容侵犯了您的版权或隐私,请立即通知第壹文秘(点击联系客服),我们立即给予删除!

    温馨提示:如果因为网速或其他原因下载失败请重新下载,重复下载不扣分。




    关于我们 - 网站声明 - 网站地图 - 资源地图 - 友情链接 - 网站客服 - 联系我们

    copyright@ 2008-2023 1wenmi网站版权所有

    经营许可证编号:宁ICP备2022001189号-1

    本站为文档C2C交易模式,即用户上传的文档直接被用户下载,本站只是中间服务平台,本站所有文档下载所得的收益归上传人(含作者)所有。第壹文秘仅提供信息存储空间,仅对用户上传内容的表现方式做保护处理,对上载内容本身不做任何修改或编辑。若文档所含内容侵犯了您的版权或隐私,请立即通知第壹文秘网,我们立即给予删除!

    收起
    展开