欢迎来到第壹文秘! | 帮助中心 分享价值,成长自我!
第壹文秘
全部分类
  • 幼儿/小学教育>
  • 中学教育>
  • 高等教育>
  • 研究生考试>
  • 外语学习>
  • 资格/认证考试>
  • 论文>
  • IT计算机>
  • 法律/法学>
  • 建筑/环境>
  • 通信/电子>
  • 医学/心理学>
  • ImageVerifierCode 换一换
    首页 第壹文秘 > 资源分类 > DOCX文档下载
    分享到微信 分享到微博 分享到QQ空间

    管材承插式密封圈连接及密封圈要求.docx

    • 资源ID:107283       资源大小:66.67KB        全文页数:2页
    • 资源格式: DOCX        下载积分:5金币
    快捷下载 游客一键下载
    账号登录下载
    三方登录下载: 微信开放平台登录 QQ登录
    下载资源需要5金币
    邮箱/手机:
    温馨提示:
    快捷下载时,如果您不填写信息,系统将为您自动创建临时账号,适用于临时下载。
    如果您填写信息,用户名和密码都是您填写的【邮箱或者手机号】(系统自动生成),方便查询和重复下载。
    如填写123,账号就是123,密码也是123。
    支付方式: 支付宝    微信支付   
    验证码:   换一换

    加入VIP,免费下载
     
    账号:
    密码:
    验证码:   换一换
      忘记密码?
        
    友情提示
    2、PDF文件下载后,可能会被浏览器默认打开,此种情况可以点击浏览器菜单,保存网页到桌面,就可以正常下载了。
    3、本站不支持迅雷下载,请使用电脑自带的IE浏览器,或者360浏览器、谷歌浏览器下载即可。
    4、本站资源下载后的文档和图纸-无水印,预览文档经过压缩,下载后原文更清晰。
    5、试题试卷类文档,如果标题没有明确说明有答案则都视为没有答案,请知晓。

    管材承插式密封圈连接及密封圈要求.docx

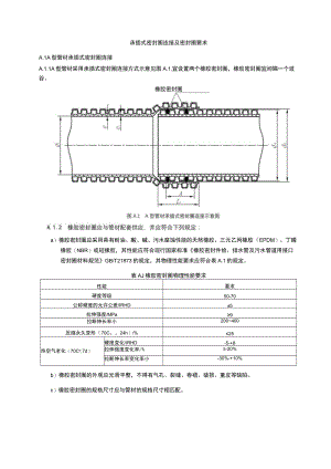
    承插式密封圈连接及密封圈要求A.1A型管材承插式密封圈连接A.1.1A型管材采用承插式密封圈连接方式示意见图A.1,宜设置两个橡胶密封圈,橡胶密封圈宜间隔一个波谷。橡胶密封圈a)橡胶密封圈应采用具有耐油、酸、碱、污水腐蚀性能的天然橡胶、三元乙丙橡胶(EPDM)、丁睛橡胶(NBR)或硅橡胶,其性能应符合现行国家标准橡胶密封件给、排水管及污水管道用接口密封圈材料规范GB/T21873的规定,其物理性能要求应符合表A.1的规定。表AJ橡胶密封圈物理性能要求性能要求硬度等级50-70公称硬度的允许公差/IRHD±5拉伸强度/MPa9拉断伸长率小200400压缩永久变形(70C。,24h)/%25热空气老化(70Co,7d)硬度变化/IRHD-5-+8拉伸强度变化率/%-20%拉断伸长率变化率小-30%-+10%b)橡胶密封圈的外观应光滑平整,不得有气孔、裂缝、卷褶、破损、重皮等缺陷。c)橡胶密封圈的规格尺寸应与管材的规格尺寸相匹配。A.2B型管材承插式密封圈连接A.2.1B型管材采用承插式密封圈连接方式示意见图A.2。预制密封圈图A.2B型管材预制密封圈连接示意图A.2.2预制密封圈应符合下列规定:a)预制密封圈采用的材料不应与管材和连接件发生化学反应,对管材和连接件的性能应无不良影响。b)预制密封圈中橡胶材质的物理性力学性能应符合表A.2的规定。表A.2预制密封圈橡胶材质物理性能要求性能要求试验方法硬度范围4065GB/T6031拉伸强度/MPaGB/T528断裂伸长率/%2400GB/T528压缩永久变形(70Co,24h)20GB/T7759.1热空气老化(70C",7d)硬度变化/IRHD-5+8GB/T6031拉伸强度变化率(的)-20%GB/T528拉断伸长率变化率(%)-30%+10GB/T528c)预制密封圈的外观应光滑平整,不得有气孔、裂缝、卷褶、破损、重皮等缺陷。

    注意事项

    本文(管材承插式密封圈连接及密封圈要求.docx)为本站会员(p**)主动上传,第壹文秘仅提供信息存储空间,仅对用户上传内容的表现方式做保护处理,对上载内容本身不做任何修改或编辑。 若此文所含内容侵犯了您的版权或隐私,请立即通知第壹文秘(点击联系客服),我们立即给予删除!

    温馨提示:如果因为网速或其他原因下载失败请重新下载,重复下载不扣分。




    关于我们 - 网站声明 - 网站地图 - 资源地图 - 友情链接 - 网站客服 - 联系我们

    copyright@ 2008-2023 1wenmi网站版权所有

    经营许可证编号:宁ICP备2022001189号-1

    本站为文档C2C交易模式,即用户上传的文档直接被用户下载,本站只是中间服务平台,本站所有文档下载所得的收益归上传人(含作者)所有。第壹文秘仅提供信息存储空间,仅对用户上传内容的表现方式做保护处理,对上载内容本身不做任何修改或编辑。若文档所含内容侵犯了您的版权或隐私,请立即通知第壹文秘网,我们立即给予删除!

    收起
    展开