欢迎来到第壹文秘! | 帮助中心 分享价值,成长自我!
第壹文秘
全部分类
  • 幼儿/小学教育>
  • 中学教育>
  • 高等教育>
  • 研究生考试>
  • 外语学习>
  • 资格/认证考试>
  • 论文>
  • IT计算机>
  • 法律/法学>
  • 建筑/环境>
  • 通信/电子>
  • 医学/心理学>
  • ImageVerifierCode 换一换
    首页 第壹文秘 > 资源分类 > DOCX文档下载
    分享到微信 分享到微博 分享到QQ空间

    电压无功控制器产品使用说明书.docx

    • 资源ID:106131       资源大小:353.21KB        全文页数:20页
    • 资源格式: DOCX        下载积分:5金币
    快捷下载 游客一键下载
    账号登录下载
    三方登录下载: 微信开放平台登录 QQ登录
    下载资源需要5金币
    邮箱/手机:
    温馨提示:
    快捷下载时,如果您不填写信息,系统将为您自动创建临时账号,适用于临时下载。
    如果您填写信息,用户名和密码都是您填写的【邮箱或者手机号】(系统自动生成),方便查询和重复下载。
    如填写123,账号就是123,密码也是123。
    支付方式: 支付宝    微信支付   
    验证码:   换一换

    加入VIP,免费下载
     
    账号:
    密码:
    验证码:   换一换
      忘记密码?
        
    友情提示
    2、PDF文件下载后,可能会被浏览器默认打开,此种情况可以点击浏览器菜单,保存网页到桌面,就可以正常下载了。
    3、本站不支持迅雷下载,请使用电脑自带的IE浏览器,或者360浏览器、谷歌浏览器下载即可。
    4、本站资源下载后的文档和图纸-无水印,预览文档经过压缩,下载后原文更清晰。
    5、试题试卷类文档,如果标题没有明确说明有答案则都视为没有答案,请知晓。

    电压无功控制器产品使用说明书.docx

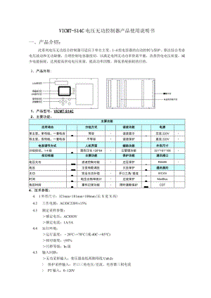
    VICMT-S14C电压无功控制器产品使用说明书一、产品介绍:此系列电压无功综合控制器可适应于单台主变、14组电容器的自动控制与保护。算法综合考虑电压波动和无功缺额,合理控制电容器投切,以满足电网无功功率供需平衡,改善供电电压质量,减少电能损耗,达到提高供电电压质量,提高功率因数,降低系统损耗的目的。3、产品外形:酗子区电溢寿用婚子区1、产品型号:VlCMTS14C2、主要功能:主要功能应用场合分组方式谐波功能电源单主变,单母线,一套电容等容谐波显示交流220V双主变,双母线,一套电容不等容谐波保护直流220V电容调节方式人机界面辅助功能外形尺寸分组投切,1-4组图形汉化128*64云管理功能321*181*108投切依据主要功能保护功能通讯接口电压无功滤波控制功能过压保护RS485电压主变有载调压欠压保护通讯规约无功完全无功补偿开口三角/差流IEClOl时间电压合格率统计过流保护ModBus电压时间事件记录功能限时速断保护CDT4、技术参数:4. 1外形尺寸:321mm×181mm×108mm(长X宽X高)4.2 工作电源:ACDC220V±15%4.3 额定采样参数:额定电压:AClOOV额定电流:1A/5A4.4 运行环境:运行温度:20+70°C(或-40C+85)相对湿度:95%污秽等级:In级4.5 输入回路:无功采样输入:变压器高低两侧母线Uab,Ic> 保护采样输入:开口三角电压/差流、电容器三相电流> PT输入:0120V> CT输入:O1A5A> 综合误差:<0.5%4.6 输出回路:> 输出路数:4组合闸输出、4组分闸输出、4组闭锁输出1路跳总闸输出、1路保护告警输出> 继电器容量:AC250V,I6A(标准款)DC220V,5A(非标款)> 继电器脉冲保持:2S4.7 开入量:> 4路电容器的投切状态开入> 4路电容闭锁开入> I路电容出线柜开关位置信号> I路调容转换开关位置信号> 1路主变低压开关位置信号二、操作说明从图1可以看出,在设备面板上有7个按键、4个LED指示灯和I个液晶显示屏。通过按键和液晶屏可以完成保护所有内容的设定及查看工作。1、键盘功能及操作说明:菜单键:在一般情况下按下该键,即进入或返回到主菜单。确认键:进入下级菜单、进入参数设定状态,确认设定参数。退出键:是确认键的逆向操作,返回上级菜单、退出参数设定状态,取消已修改参数的设定(未按下“确定”前)方向键:在菜单中可以移动提示符到任何一个菜单项目上,当总屏数大于1时,可用左右键翻屏;在修改参数的操作中,左、右键可以选择要修改参数的位,上、下键可以改变参数某位的值。2、操作方法:2.1 设备接线:请严格按照端子定义图(图4)接线,确认无误后方可上电调试。注:请注意区分标准与非标准版本。2.2 设备送电、状态查看:接通电源后正常状态为液晶屏幕点亮,液晶屏右侧的“运行”指示灯(绿)闪烁,其它指示灯熄灭。控制器主界面显示内容图解请参照图2。2.3 参数设置:设备上电后,请根据现场实际分组及电容器容量情况对控制器进行参数设置,参数设置方法请参考“控制器菜单展开图与控制器参数定值表”图3。2.4 功能测试:主要包括控制器投切功能测试和保护功能测试。三、控制器常用功能测试1、投切测试:Ll测试目的:投切测试主要是指测试控制器的手动投切与自动投切功能。L2测试条件:> 电容出线柜位置与低压侧开关位置在“合”位。> 转换开关位置在“自动”。> 电容器压板“投入”,没有“异常”提示。> “投入反馈”信号检测正常。L3测试方法:满足以上条件后,控制器“运行状态”设置为“手动”可对4组分组电容进行人工投切控制,先选择分组14,再选择动作类型切除或投入,然后执行即可。正确执行后,显示“符号;不能正确执行显示“X”符号。控制器“运行状态”设置为“自动”,通过加载相应模拟量信号测试控制器能否根据负载变换实现自动投切。2、保护测试:2.1 测试目的:当发生电压、电流保护时装置是否能够准确跳闸并告警。2.2 测试条件:进入“菜单一参数设置一保护设置”进行参数设置,以“欠压保护”为例> 压板:投入> 定值:8KV(系统电压等级为IOKV)> 延时:IoS> 跳闸选项:跳总闸/跳分闸2.3 测试方法:在满足上述条件以后,当实际电压小于保护定值(8KV),并且经过保护动作延时(10秒)后,设备发生欠压保护动作。四、设备故障现象及处理方法:序号现豕,原因,解除后法2Z显示保护信息P例如.欠压保护”"流等.保护动作2待故母持除后复归控制零/按时”"复妇”健可进行复妇掾作.过欠压保护自动复归.无需手动复归一2P显和欠压异常,自动投切时,电压异常1 .母桀电压在过欠压的国内自动依夏2 .若到手动状3。电容器分组开关上方显示横杠P5TO.(第1屏)2内都团锁+动)2待故I岸埴除后解除闭锁投菜单”一"解除闭锁”"选择组别”“解锁”键可Xtt行解锁接作。4"电容器分组开关下方显示横杠PSOOO.(第1屏)Q外的锁(闭锁给人)待夕悭保护装苴闭锁信号解除后,控制器自动解除闭锁六:产品附图:图1控制器外观介绍图LOGO区LBDflbFHE型号标识区按tt操作区1I-8oo通茶子区电点用球子区图2控制器主界面图解.19.1.当前屏号/主屏邑QnJIqJ费低f+ffl据兄示区运行方式.日切5Th安国*h0÷11C:0.9o00十专低医开关百U:10.00-|母线电压显示(Kv)电容出线柜I内部闭锁外部闭锁一T1:100.0一I母线电充显示(A)K四+Th0千L-I尢切星不I段切倒计时四组电台QtfRQ4fl.1O.O.aiSSQMflMJIBJJIaFJJJt>/JJlfcJ士专言IT他I有IC?0.98b6T-功率因数显示IDlTfliId百件由IT0不w数据显示区To)IK"U:11U.UUI1I:100.0与绫电庆显示A)故障信,息提示区I1=IQ:5600_J-无功显示tf4l.194/食bB-=iSalC.UUUUJ/U二BUJtt/土JttrI_i_1组电容运行状态、数据显不:区1细徨柏I能退出一'iQ.;艮Itn*nI不TrvjB匕胫山'SHJE1组开口二角电压/日再珀午福湛4jlS4d>.;息LPIIA:10041组A相电流1坦怵iJdt饭1r电HAhRe怙自捍反1IIBB.00T一1蛆B相电流阳Ia忘证小尽IC:1.00-I-1组C相电流HBdnl1o.nnfiA.BnSS口朋口4IMI4JWW1WyYr4组由客运行状本、朴根显示区4组俚柏Ih能混出IUkzdTooL一4组开口三角电压q出怀犷切Bb必ULl卜四珥:RA於日俚柏跺.IIA:3.0044如相电流q坦怵犷年I列H呆护:现甲hR(iS÷F7I15:3.0044组B相电流HkPS75s.iE不IiLlz-二IC:3.00-4-,j一4组C相电流注:如果选用差流保护,开口三角电压显示区“Uk”将变更为“Id”。图3菜单展开图、参数定值表(附图页)图4:端子定义图(附图页)图5:产品外形与开孔尺寸图(请向客户代表索取CAD版资料)山东海源泰和电气有限公司电压无功控制技术说明书电压无功综合控制方案采用二维模糊控制准则。控制的基本原则是“保证电压合格,实现无功平衡,减少调节次数”。以“十二区图”进行说明:Voltage电压无功综合控制区域图0区:1区:2区:3区:4区:5区:6区:7区:8区:9区:电压无功合格,稳定工作区,不调节。电压偏高,电压偏高、 电压合格, 电压偏低、 电压偏低, 电压偏低, 电压合格, 电压偏高, 电压过低,无功平衡,无功偏少, 无功偏少, 无功偏少, 无功平衡, 无功偏多,降压。降压,闭锁电容投入。投电容。先投电容,若电压仍低,则升压。升压。升压,闭锁电容切除。无功偏多,切电容。无功偏多,首先切电容,若电压仍高,则降压。首先投入电容,若电压仍低,则升压。10区:电压过高,首先切电容,若电压仍高,则降压。11区:欠电压,切除所有电容,闭锁有载调压。(欠压保护)12区:过电压,切除所有电容,闭锁有载调压。(过压保护)2、电压无功综合投切(不带有载调压)Voltage电压无功综合控制区域图0区、3区、7区:电压合格,无功偏少时投电容,无功偏多时切电容。1区、2区、8区:电压偏高,为防止投切振荡,闭锁投入,无功偏多时切电容。4区、5区、6区:电压偏低,为防止投切振荡,闭锁切除,无功偏少时投电容。9区:电压偏低,强投电容以调压。10区:电压偏高,强切电容以调压。11区:电压过低,切除在投电容,闭锁电容投入(欠压保护)。12区:电压过高,切除在投电容,闭锁电容投入(过压保护)。3、电压投切电压低于投入门限电压(电压下限)高于欠电压值,投入电容器电压高于切除门限电压(电压上限)低于过电压值,切除电容器电压低于电压下限,切除在投电容,闭锁电容投入(欠压保护)。电压高于电压上限,切除在投电容,闭锁电容投入(过压保护)。4、无功投切VoltagemOverVoltageVltgPver0ve>lusBalanceLackVltgUnderUnderVoltageSectionReactivePOTer无功控制区域图电压上限与电压下限之间:无功大于投入门限无功:投电容,为防止投切振荡,接近过压值时闭锁投。无功小于切除门限无功:切电容,为防止投切振荡,接近欠压值时闭锁切。电压低于电压下限,切除在投电容,闭锁电容投入(欠压保护)。电压高于电压上限,切除在投电容,闭锁电容投入(过压保护)。5、时间投切

    注意事项

    本文(电压无功控制器产品使用说明书.docx)为本站会员(p**)主动上传,第壹文秘仅提供信息存储空间,仅对用户上传内容的表现方式做保护处理,对上载内容本身不做任何修改或编辑。 若此文所含内容侵犯了您的版权或隐私,请立即通知第壹文秘(点击联系客服),我们立即给予删除!

    温馨提示:如果因为网速或其他原因下载失败请重新下载,重复下载不扣分。




    关于我们 - 网站声明 - 网站地图 - 资源地图 - 友情链接 - 网站客服 - 联系我们

    copyright@ 2008-2023 1wenmi网站版权所有

    经营许可证编号:宁ICP备2022001189号-1

    本站为文档C2C交易模式,即用户上传的文档直接被用户下载,本站只是中间服务平台,本站所有文档下载所得的收益归上传人(含作者)所有。第壹文秘仅提供信息存储空间,仅对用户上传内容的表现方式做保护处理,对上载内容本身不做任何修改或编辑。若文档所含内容侵犯了您的版权或隐私,请立即通知第壹文秘网,我们立即给予删除!

    收起
    展开