欢迎来到第壹文秘! | 帮助中心 分享价值,成长自我!
第壹文秘
全部分类
  • 幼儿/小学教育>
  • 中学教育>
  • 高等教育>
  • 研究生考试>
  • 外语学习>
  • 资格/认证考试>
  • 论文>
  • IT计算机>
  • 法律/法学>
  • 建筑/环境>
  • 通信/电子>
  • 医学/心理学>
  • ImageVerifierCode 换一换
    首页 第壹文秘 > 资源分类 > DOCX文档下载
    分享到微信 分享到微博 分享到QQ空间

    QZ型5-10起重机.docx

    • 资源ID:1061236       资源大小:130.40KB        全文页数:8页
    • 资源格式: DOCX        下载积分:5金币
    快捷下载 游客一键下载
    账号登录下载
    三方登录下载: 微信开放平台登录 QQ登录
    下载资源需要5金币
    邮箱/手机:
    温馨提示:
    快捷下载时,如果您不填写信息,系统将为您自动创建临时账号,适用于临时下载。
    如果您填写信息,用户名和密码都是您填写的【邮箱或者手机号】(系统自动生成),方便查询和重复下载。
    如填写123,账号就是123,密码也是123。
    支付方式: 支付宝    微信支付   
    验证码:   换一换

    加入VIP,免费下载
     
    账号:
    密码:
    验证码:   换一换
      忘记密码?
        
    友情提示
    2、PDF文件下载后,可能会被浏览器默认打开,此种情况可以点击浏览器菜单,保存网页到桌面,就可以正常下载了。
    3、本站不支持迅雷下载,请使用电脑自带的IE浏览器,或者360浏览器、谷歌浏览器下载即可。
    4、本站资源下载后的文档和图纸-无水印,预览文档经过压缩,下载后原文更清晰。
    5、试题试卷类文档,如果标题没有明确说明有答案则都视为没有答案,请知晓。

    QZ型5-10起重机.docx

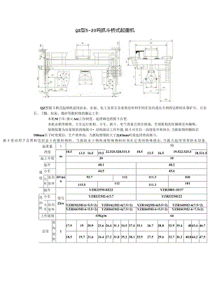
    QZ型5-20吨抓斗桥式起重机QZ型抓斗桥式起球机适用冶金、水泥、化工及其它企业的仓库和车间在室内或乐夫和固定跨间从事矿石、石灰石、黝、焦炭、煤砂等散粒物的搬运工作.本机M于田:级A6)工作制度,起理麻包括抓斗自更.本机由箱形桥架、大车运行机构、小车、抓斗、电气设备五部分祖成,全部机构均在操纵室内操纵。取物装置为双卷筒的四绳抓斗.结构简洁工作牢掇.抓斗可在任一高度张开和闭合.当抓取物料颗粒在100mm以下时效果好,生产效率高,当抓取物领粒大干2()Omm时需选用带齿抓斗。抓斗更动用于自然枳祟状态卜的散粒物料,当抓取水卜物料或特殊物料时须在定货的特殊提出,当露天起用须带防水设备.起重量1,10湾度m10.513.516.519.522.525.528.531.510.513.516.519.522.525.528.531.5起上升度2018速度起升40.140.2小车44.545.6大车室内IiVinin93.7112111.3IOl室外115.5112111.3101起升型号ZkwYZR225M-8Z22YZR280S-10/37电动机小车YZRI32M2-6/3.7YZRI32Ml/22大车室内YZRIM)Ml-6<5.5×2)YZR16()M2-6(7.5×2)YZR16QMl-6(5.5×2)YZR160M2-6(7.5×2)室外YZRI6OMI-6<5.5×2)YZRI6OM2-6(7.5×2)YZRI60MI-6<5.5×2)YZRI6OM2-6<7.5x2)工作级别43KgmA6总用室内117.51920.923.626.431.134.537.425.126.728.832.935.44043.446.7室外18.519.721.624.427.231.835.238.125.927.529.633.736.340.844.247.5最大轮压吸审空内7.58.38.99.710.511.612.513.411.712.613.314.515.516.617.618.6自*ft室外7.98.79.810.110.91212.913.81212.913.71515.917.118.119.1荐用钢轨43Kgm43Kgn:QU70电源三根沟通380V50Hz三相沟通380V50Hz主要尺寸1.x20002000BQ40004100SOOo40004100500()BX23002900B557056706300560056506200b230230260H1877<2747)1927(2797)2O65(28!5)2185(2905)Hl725775775865H2241262263765286287789288080180240388538688838H32526254625962756290628382988313825262546259627562906288630363186Sl1000(1800)195(X2150)S216001600(1800)抓斗参数类型轻里中里武里轻型中型型容量m331.51632物料容Ittn31-1.92.31-22-3自重心241925152318424340733966尺寸>1mrn18521452115222561960146()24702370237030802780278()30262600370032003200292628672867361533153315342634523452426540154015工作级别A5A6跨度(三)m10.513.516.519.522.525.528.531.510.513.516.519522.525.528.531.5起重机总重I14.816.21920.823.527.831.334.41516.519.421.624.529.332.936最大轮压kN969918IlO12013013815099103IlO119127132141152最大起上升度m1616速度起S1.机运行m/min6970.692.893.7小东运行43.243.2起升9.812.6电动机起升型号KWYZR18O1.-I7YZR21.-61-22小车运行YZR132Ml-6t2.5YZR132MI-6,2.5大车运行YZRl32M2-6,'2×4YZR160M-6×6.3YZRI60Ml-2×5.5YZR160M2-61'2×7.5B5700620057006200W4100460041004600主要尺寸HMM1743174617491754175717601763176617431746174917541757176017631766A725725H4323323323321321321321321323323323321321321321321F2617624632647867877892826176246326478678778928存用轨道38kgm43kgnS0kgmqu70qu80qu100最大轮压kN7175808892101106IIO7377839098105IIO119最大起上升度III1616ii度起«机运行m/min68.992.7小车运行39.539.5起升11.514.8电动机起升型2,KWYZRI6O1.6I3YZR1801.615小车运行YZRIl2M1.8YZRH2M-6d.8大车运行YZR132M2-62×4YZR160Ml-62×5.5主要尺寸B515700515700W3500410035004100Hmm17321735173817411746174917521755173217351738174)I46174917521755A725725H396969696949494949696969694949494F2617624632647667677692626176246326476676776926荐用轨道38kgm43kgm50kgmQU70QU80QUlOO国外生活垃圾分选设备现状分析作者:中国农业高校刘剑波蒋振山王文科刘向辉M®:生活垃圾的综合利用已批成为垃圾处理的发唆方向.对垃圾进行分选是垃圾综合利用的前IJ1.垃圾分选设番的探讨己丹为国家ft点项H。.本文介绍儿种国外U:花运川的垃圾分送设备.以及在垃圾分送训i中采妫的一些技术,关at字,分选坟圾设拓1 .m.生活垃圾越来桩多,处理也来厘困难.垃圾处理方式中,传统的干腑填埋方式对土堆占用大,垃圾坨埋场通常设置在农村,占用大Ift农川,采纳依统的I附m埋方式,不怛Jt作了垃圾中含彳,的大M“r回收物增.向I1.K)油对环境造成影响21现在推广实行的卫生埴理由广环境影响奴制的须要.我投费成本为传统维埋他5侪耘行成本则为3ffi(3.陶石社会的发展"活巾堪的保令处理就得到糖来越多的关注.生活垃圾中含有多种成分,很大一部分可以网收叫利用,山干处理困难,这I®分有用的伤质一般都没有用到有效利用.沌将我旧改革开放的进步深化,经济发展越来靖快,生活节春扣快,人们产生的生活垃圾也越来培实.改革开放20余升.我国的地内用圾的产生设仆增长始终在10%/:|2.垃圾成侪也越来越困施,也过来这难处理.上世妃九十年头我国就守人提出城城进行探合利用,但是由于当时技术不太成熟,而且没有得到的足缈正视,资金严岐不足,闪此H到现在.生活坨圾的处理也是在焚烧和培理1:设法探讨比较多,对垃圾分选研设备究比较少.埋分送机探讨的目的,就是将混合垃圾进行有效的分类对乂:城侦分中的少杂质进行分别.»到较为单一的凯分,或是从混介垃圾中分别出某种少含fit垃俄1分.有利于垃圾的回收内利用和后绘处理(2.4.目前国内大部分运用的垃圾分送汉拓郡是由国外进口.虽然国内也fi人对此进行过探讨,但£数都件留在理论阶段.很少行实际应M.两右大众对环境的近视.作为垃圾资源化的巾要设备.生活垃堤分送设备的探讨会越来越受到人IfJIR视.在我国的应用也会越来过广,为了对生活坨圾分选设招的更深了解,现在介的几种国外的坨圾分选设台,对国外的坨圾分送改名的发展HWe有进一步了解.2 .浜筒筛结构的SM318E型灌筒维式Kl垠分选机5该设备由法国Doppstadt公司生产,DoPPSTADT公司是宗特堆生产垃圾处理设备的公司,SM318E型拉坡分选机潴向长度500Omm,潴筒直径180Omm,采纳IlkW电机【5卜核设各采纳模块化设计,机器修理便利,部件更倏商沽.结构J成有以下几部分.底座:仃六根Q或可以调曳的支撑杷(使丁运输安装地点是*R叽平衡性助得整).脑袋镶板开有例门.有前间镇板,IW后沿箱及解坡移动导向轮.动力部分:配名带行事故急停开关和平安开关电动接线箱的电机,可无极洲寮的液压泵双制液压系统和消理跖J.词整用片动清理用汽虹.液Ik油故配有修套的过电和电冷场系统.帏城郭动机械调用WE1.JKftMi大小变更的喂料限制装置.前我过我.探动喂料带件止核动嘤料.UKijE常后再行喂料.

    注意事项

    本文(QZ型5-10起重机.docx)为本站会员(p**)主动上传,第壹文秘仅提供信息存储空间,仅对用户上传内容的表现方式做保护处理,对上载内容本身不做任何修改或编辑。 若此文所含内容侵犯了您的版权或隐私,请立即通知第壹文秘(点击联系客服),我们立即给予删除!

    温馨提示:如果因为网速或其他原因下载失败请重新下载,重复下载不扣分。




    关于我们 - 网站声明 - 网站地图 - 资源地图 - 友情链接 - 网站客服 - 联系我们

    copyright@ 2008-2023 1wenmi网站版权所有

    经营许可证编号:宁ICP备2022001189号-1

    本站为文档C2C交易模式,即用户上传的文档直接被用户下载,本站只是中间服务平台,本站所有文档下载所得的收益归上传人(含作者)所有。第壹文秘仅提供信息存储空间,仅对用户上传内容的表现方式做保护处理,对上载内容本身不做任何修改或编辑。若文档所含内容侵犯了您的版权或隐私,请立即通知第壹文秘网,我们立即给予删除!

    收起
    展开