欢迎来到第壹文秘! | 帮助中心 分享价值,成长自我!
第壹文秘
全部分类
  • 幼儿/小学教育>
  • 中学教育>
  • 高等教育>
  • 研究生考试>
  • 外语学习>
  • 资格/认证考试>
  • 论文>
  • IT计算机>
  • 法律/法学>
  • 建筑/环境>
  • 通信/电子>
  • 医学/心理学>
  • ImageVerifierCode 换一换
    首页 第壹文秘 > 资源分类 > DOCX文档下载
    分享到微信 分享到微博 分享到QQ空间

    L6599芯片中文资料.docx

    • 资源ID:1057325       资源大小:191.87KB        全文页数:14页
    • 资源格式: DOCX        下载积分:5金币
    快捷下载 游客一键下载
    账号登录下载
    三方登录下载: 微信开放平台登录 QQ登录
    下载资源需要5金币
    邮箱/手机:
    温馨提示:
    快捷下载时,如果您不填写信息,系统将为您自动创建临时账号,适用于临时下载。
    如果您填写信息,用户名和密码都是您填写的【邮箱或者手机号】(系统自动生成),方便查询和重复下载。
    如填写123,账号就是123,密码也是123。
    支付方式: 支付宝    微信支付   
    验证码:   换一换

    加入VIP,免费下载
     
    账号:
    密码:
    验证码:   换一换
      忘记密码?
        
    友情提示
    2、PDF文件下载后,可能会被浏览器默认打开,此种情况可以点击浏览器菜单,保存网页到桌面,就可以正常下载了。
    3、本站不支持迅雷下载,请使用电脑自带的IE浏览器,或者360浏览器、谷歌浏览器下载即可。
    4、本站资源下载后的文档和图纸-无水印,预览文档经过压缩,下载后原文更清晰。
    5、试题试卷类文档,如果标题没有明确说明有答案则都视为没有答案,请知晓。

    L6599芯片中文资料.docx

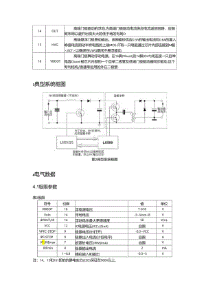
    14OUT高端门极驱动的浮地,为高端门极驱动电流供应电流返回回路,应细致布局以避开出现太大的低于地的毛刺O15HVG高端悬浮门极费动输出。该能砂供应0.3的输出电流和0.8A的灌入峥值电流阴动半桥电路的上端MOS将有一只电阻通过芯片内部连接到M艇0CT以确保在UWQ期间不悬浮驱动.16VBOOT高端门极舞动浮动电源。在16脚(Vboot)及14脚(OUT)间连接一只自举电容Cboot.被芯片内部的一个自举二极管及低端门极驱动器同步驱动.这个专利结构/换通常运用的外在二极管.3典型系统框图图2典型系统框图4电气数据4.1极限参数表2极限符号引脚值单位VBOOT16浮电源电压T-618VVoIn14浮地电压-3V-i8VdVOUT/dt14浮地电乐最大更原速度50V/nsVCC12IC电源电压(ICC25nA)自限VVPFC-STOP9极限电压(针打开)-0.3VCCVIPFJSTOP9极瞅出入电流(计低电平)自限AV1.INEmax7板跟针电压(IPlNSlmA)自限VIRFmin4极限输出电流2mA16,8模拟输入和输出-0.35V注:14、15和161即的抗静电实力(ESD)保证在900V以上,电气参数TJ-0-105oC.VCC-15V.VBOOT.15V,CHVG-C1.VG-InF;CF-470pF;RRFmin=12k:除非另有说明.表4电气参数符号测试条件n小(典型ffi几大值单位IC电浓电压Vcc工作范围在有飘动信号之后8.8516VVCC(ON)开信号起先上升沿1010.711.4VVCCOFF)关信号起先下降沿7.458.158.85VHys滞后作用2.55VVzVCC钳位电压钳位电流1OeA161717.9V电源电流Istarbup后动电流在驱动信号产生之IWVCC三VCC(ON)-02V200250HAIq静态电流有驱动信号.Vstby-IV1.52mAIop工作电流有驱动信号,VSTBY=VRFmin3.55mAIq剩余相关VOS>1.85V成Vdlay>3.5V或VUNEV1.25V或VUNW=Vcfero300400HA窝编浮动门及驱动电源I1.KBOoTVBTOTHitItS电流VBOoT=580V5HAI1.KOUTOuT针港漏电流VOUT-562V5HACOS(ON)同步自举一极管导通电阻V1.VG=High150Q过电流比较罂ItSEN输入偏置电流VtSEN-O-VlSENds-1AI1.EB1.eadingedgeblanking在VHVG和V1.VG由低到高跳变之后250nsVlSEtto变频起先上升沿“'0.760.80.84V滞后作用下降沿50mVVlSENdis闭钺关断起先上升沿W1.441.51.56VTd(H-1.)延迟输出300400ns1.Ine检测Vth初始电压上升沿或下降沿"1.21.251.3VIHySl电流漏后VCC>5V,V1.ME-0.3V121518HAVciamp钳位电平IHNE三1mA68VDlS功能图9振荡嫉率和定时参数的关系图10振荡波形的斜率及结点程度的关系Pin3hw(HzJ315V2351020RFMkC】E(V)1.CC0500200100502010图I3过流爱护延迟端输出电流图I4过流爱护延迟作用门槛RFmm=13CFAn不同的选并给出特定的RFmax,假如空我,将启用Jl水冲间歇工作模式(见“工作在空教或特别轻的负载状态”部分).图22振荡波形和门极驱动信号的关系图22是振荡波形和门极驱动信号,以及半桥(HB中点波形之间的时序关系。留意,当三角波上升时,低端门极打开,当:角波下降时,高端门极打开。这样,在启动或脉冲间歇工作状态期间,低端MoS管首先给自举电容CBOOT充电。结果,自举电容总是被充电,准备供应高端浮动驱动。事实上,RFmaX将定义1.6599在脉冲间歇工作模式卜的开关频率fmax:一旦确定了fmax,RFmaX的关系式将被确立:留意,不同于在前面的部分考虑的fma×(“第7.1章:振荡器”),这里的fmax对应于个微小的负载PoutB。PoUtB将是这样:变压器的峰值电流不足够低导致可听见的噪声。然而,谐振变换器的开关频率,也取决于输入电压;假如输入电压范围很大,则对于电路图23来说,Pwb的值将有很大变更.这时,举荐运用图24的电路,符输入电压信号引入到STBY脚,由于开关频率和输入电压之间剧烈的非畿性关系,,RaBA+ReiF择Ra+Rb的总值大丁大JRa使作用减到度小,对1.lNE引脚的电压(参见第7.6章:IJNE测量功能).电路的工作状态可以描述如下:当负载减轻到P。UtB之下时,频率将试图超过最大设定值fmax,STBY用脚的电压VSTBY将低于1.25V,IC停机,两门极驱动输出为低,半桥上的两只MoS管均关闭。能量供应的中止将使电压VSTBY增加,当它超过1.3V时,IC重启。一会儿,VSTBY再降下来,IC又间歇停机.这样,IC以一个近乎恒定的频率运行于脉冲间歇工作状态。进一步减载将导致平均频率下降,直至上百加兹。用时序图25说明这种工作状态,上面显示了重要的信号。在STBY端到地接一只小电容(典型位为几百PF),有助于削减开关噪声,净化工作环境。为帮助设计师设计出节能的功率因数校正系统,在Ic工作于脉冲间歇工作状态时,允许关闭DCQC变换电路之前的PFC限制器,因此消退了这个阶段的(0.51W)的空载损耗。不考虑变换器在空载和轻载时的EMC何迤,因为EMC规程只涉及到正常负载在低频谐波上的放射.要这样,IC供应了第9脚(PFC_STOP):它是一个集电极开路输出,正常时为开放,脉冲间歇工作期间为低电平。该引脚外接PFC限制器,如图26所示.当1.6599在低电压闭锁(UV1.O)时保持开放,让PFC限制器首先起先工作.7.3软启动一般来说,软启动的目的是:在启动过程中使变换滞的功率渐渐增加,以便消退过大的开机涌流。启动时,变换器的开关频率从一个启动极限频率逐步降低,直到被限制回路接管(反馈信号起作用)。1.6599的软启动可以简洁地由从4脚(RFmin)到地之间接入的一个R-C【可路来实现(见图27).图27软后动电路般初,电容CSS处于完全放电状态,光耦中的光电晶体管截止(只要输出电压不是距离调控值太远,因为在启动完成之I1.,出电压总是低于给定电压:,因此,电阻RSS及RFmin是并联关系,启动频率取决TRSSllRFmin:3CF<R(Fmt11Rss电容CSS逐步被充电到基准电压值(2V),流过电阻RSS中的电流便为零,这个过程通常要持续RSS-CSS的5个时间常数(即5RssCss)。启动完成之前,输出电压的反馈信号总是紧挨若调控值,因此,它聘确定光耦的光电三极管导通时的工作频率。在这个频率扫描变更期间,CSS的充电电压是按指数变更的,更准确地说,它最初变更得很快,但随后越来越慢。这个频率的非线性变更,使得变换器能第很快地到达谐振频率(见图28)。结果,平均输入电流将平稳地增加,和线性频率扫描一样没有尖峰产生,并且,输出电压的谢整几乎不会过调。般RSS和CSS依据以下关系式选择:这里给出的fstart至少是fmin的4倍。CSS确认的标准完全是由阅历而来的,是在软启动和有效地过流爱护(OCP)之间折衷的(见卜.一节)。可在时序图31上查阅软启动阶段的些重要的信息。图28谐振半桥的功率一切率曲线7.4 电流检测,过流爱护和过载爱护谐振半桥从本痂上讲是电压模式限制:因此一个输入电流的检测只是为广过电潦爱护(OCP)。不同于PWM限制器,能量传输是由主开关(或开关罂件)的占空比来限制的,谐振半桥的占空比是固定的,能量传输是由开关频率来限制的,这个限流的方法被实现的效果。PWM限制器的限流是当检测到电流超过设定的限流值时关闭开关(对于逐周限流模式),对于谐振半桥,这时,它必需首先提高振荡频率,而不行能快速关断:它至少要看下一个周期频率的变更。这意味着用变更频率的变更来限制传输能量的变更太慢,反过来,逐周限制是不行行的,因此,主电流信号反馈必需测平均值.当然,测量平均值所用的时间不能太长,以致于不能将电流限制到最大值之下。在图29和图30中给出了两种测量电流的方法。图29的电路简洁,但测量电阻RS上的功耗不行以忽视,对效率有害:图30的电路比较困难,但功耗小,效率高,经常被举荐运用。图30运用电容分流的无损电流检测方法电流检测通过6脚(ISEN)输入,是一个成熟的过电流管理系统。ISEN引脚内部连接到只参考电压为0.8V的比较器的输入端,和另一只参考电压为1.5V的比较器的输入端。在图29和图30中,假如检测信号的电压达到68V,则造成内部开关启动使得启动电容涔CSS放电(参见第7,3章:软启动),导致振荡器的工作频率快速增加,从而限制能址的传输。接者放电,直到ISEN脚的电压下降50mV;用一个平均时间在10/fmin范围内的时间常数,确保频率的有效上Jh这样做的效果,导致在输出短路时,主回路的峰值电流几乎是个恒定值。正常时,ISEN脚的电压可能在0.8V之上:但当电压达到1.5V时,其次只比较器被触发,1.6599将停机,并且闭锁门极抠动输出,和卜拉PFC_STOP引脚电平为低,因此关闭整个单元。在这种状况下,必需下拉IC的电湖电压到UV1.o门限之下,才能够更新启动。这样的事务或许会发生,假如启动电容CSS太大导致其放电速度不足够快,或者变压罂磁饱和,或者次级整流器短路。在图29所示的电路中,电阻RS串联在低端MOS管的源极,留意其及谐振电容的特别连接。这样,在低端MOS管被关断之后,.'I:.RS上的压降及流经高端MOS管的电流有关,.°假设RC滤波器的时间常数至少是最小开关频率fmin的10倍,则RS的值可近似用如下阅历公式来计匏:RS=vsPfcxr50.84SICfPkXICrPkX*Crpkx这里的ICrPkX是流经谐振电容港和变压黯一次绕组的最大预期峰值电流,及最大负栽和最低输入电压有关。在图30所示的电路中,可以用其次种不同的操作方法。假如电阻RA及一只小电容CA吊联(不能超过儿白pF,正好到限流峰值),电路工作象个容性的分流器:CA的典型值的选择等于Cr/100或更小,这是一个低损耗类型,检测电阻RB由卜.式确定:RT-并IlCB由RBCB=IOfmin来确定。

    注意事项

    本文(L6599芯片中文资料.docx)为本站会员(p**)主动上传,第壹文秘仅提供信息存储空间,仅对用户上传内容的表现方式做保护处理,对上载内容本身不做任何修改或编辑。 若此文所含内容侵犯了您的版权或隐私,请立即通知第壹文秘(点击联系客服),我们立即给予删除!

    温馨提示:如果因为网速或其他原因下载失败请重新下载,重复下载不扣分。




    关于我们 - 网站声明 - 网站地图 - 资源地图 - 友情链接 - 网站客服 - 联系我们

    copyright@ 2008-2023 1wenmi网站版权所有

    经营许可证编号:宁ICP备2022001189号-1

    本站为文档C2C交易模式,即用户上传的文档直接被用户下载,本站只是中间服务平台,本站所有文档下载所得的收益归上传人(含作者)所有。第壹文秘仅提供信息存储空间,仅对用户上传内容的表现方式做保护处理,对上载内容本身不做任何修改或编辑。若文档所含内容侵犯了您的版权或隐私,请立即通知第壹文秘网,我们立即给予删除!

    收起
    展开