欢迎来到第壹文秘! | 帮助中心 分享价值,成长自我!
第壹文秘
全部分类
  • 幼儿/小学教育>
  • 中学教育>
  • 高等教育>
  • 研究生考试>
  • 外语学习>
  • 资格/认证考试>
  • 论文>
  • IT计算机>
  • 法律/法学>
  • 建筑/环境>
  • 通信/电子>
  • 医学/心理学>
  • ImageVerifierCode 换一换
    首页 第壹文秘 > 资源分类 > DOCX文档下载
    分享到微信 分享到微博 分享到QQ空间

    施工升降机接高、附着验收表.docx

    • 资源ID:1047058       资源大小:9.68KB       
    • 资源格式: DOCX        下载积分:5金币
    快捷下载 游客一键下载
    账号登录下载
    三方登录下载: 微信开放平台登录 QQ登录
    下载资源需要5金币
    邮箱/手机:
    温馨提示:
    快捷下载时,如果您不填写信息,系统将为您自动创建临时账号,适用于临时下载。
    如果您填写信息,用户名和密码都是您填写的【邮箱或者手机号】(系统自动生成),方便查询和重复下载。
    如填写123,账号就是123,密码也是123。
    支付方式: 支付宝    微信支付   
    验证码:   换一换

    加入VIP,免费下载
     
    账号:
    密码:
    验证码:   换一换
      忘记密码?
        
    友情提示
    2、PDF文件下载后,可能会被浏览器默认打开,此种情况可以点击浏览器菜单,保存网页到桌面,就可以正常下载了。
    3、本站不支持迅雷下载,请使用电脑自带的IE浏览器,或者360浏览器、谷歌浏览器下载即可。
    4、本站资源下载后的文档和图纸-无水印,预览文档经过压缩,下载后原文更清晰。
    5、试题试卷类文档,如果标题没有明确说明有答案则都视为没有答案,请知晓。

    施工升降机接高、附着验收表.docx

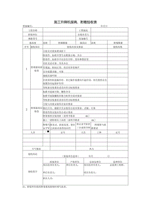
    施工升降机接高、附着验收表档案编号:年月日工程名称工程地址拆装单位安装负责人规格型号设备编号接高前高度附墙数量接高后高度附墙数量序号验收项目验收内容及要求验收结果1附着接高前检查天轮及对重按要求拆下附着件、标准节型号及数量正确、齐全附着件、标准节不应存在开焊、变形和裂纹等吊杆灵活可靠、吊具齐全吊笼起、制动正常,有应有异常响声安全装置灵敏、可靠地线压接牢固在使用控制盒操作时,其它操作装置均不起作用,但吊笼的安全装置仍应起保护作用导轨架安装垂直误差应符合标准耍求2附着接高后检查标准节连接可靠,螺栓齐全标准节连接螺栓拧紧力矩符合技术要求导轨架安装垂直误差应符合标准要求天轮与对重安装符合技术要求限位开关、极限开关安装符合技术要求,灵敏、可靠附着件的安装应符合设计要求附着架的安装间距(说明书要求m)最上一道附着以上高度(说明书要求m)附墙当水平V将形式、附着高度、附叵之间的夹角等均应符着点水平距倍合说明书和彳附墙架与尿准要求人员证号人员工种证号天气情况风力验收结论(拆装单位盖章)年月日验收签字拆装单位产权单位总承包单位监理单位项目技术负责人:单位负责人:单位负责人:项目技术负责人:项目负责人:总监理工程师:相关人员:注:拆装单位组织附着接高验收时填写此表。

    注意事项

    本文(施工升降机接高、附着验收表.docx)为本站会员(p**)主动上传,第壹文秘仅提供信息存储空间,仅对用户上传内容的表现方式做保护处理,对上载内容本身不做任何修改或编辑。 若此文所含内容侵犯了您的版权或隐私,请立即通知第壹文秘(点击联系客服),我们立即给予删除!

    温馨提示:如果因为网速或其他原因下载失败请重新下载,重复下载不扣分。




    关于我们 - 网站声明 - 网站地图 - 资源地图 - 友情链接 - 网站客服 - 联系我们

    copyright@ 2008-2023 1wenmi网站版权所有

    经营许可证编号:宁ICP备2022001189号-1

    本站为文档C2C交易模式,即用户上传的文档直接被用户下载,本站只是中间服务平台,本站所有文档下载所得的收益归上传人(含作者)所有。第壹文秘仅提供信息存储空间,仅对用户上传内容的表现方式做保护处理,对上载内容本身不做任何修改或编辑。若文档所含内容侵犯了您的版权或隐私,请立即通知第壹文秘网,我们立即给予删除!

    收起
    展开