欢迎来到第壹文秘! | 帮助中心 分享价值,成长自我!
第壹文秘
全部分类
  • 幼儿/小学教育>
  • 中学教育>
  • 高等教育>
  • 研究生考试>
  • 外语学习>
  • 资格/认证考试>
  • 论文>
  • IT计算机>
  • 法律/法学>
  • 建筑/环境>
  • 通信/电子>
  • 医学/心理学>
  • ImageVerifierCode 换一换
    首页 第壹文秘 > 资源分类 > DOCX文档下载
    分享到微信 分享到微博 分享到QQ空间

    公共部位质量分户验收记录表 .docx

    • 资源ID:1045488       资源大小:9.98KB       
    • 资源格式: DOCX        下载积分:5金币
    快捷下载 游客一键下载
    账号登录下载
    三方登录下载: 微信开放平台登录 QQ登录
    下载资源需要5金币
    邮箱/手机:
    温馨提示:
    快捷下载时,如果您不填写信息,系统将为您自动创建临时账号,适用于临时下载。
    如果您填写信息,用户名和密码都是您填写的【邮箱或者手机号】(系统自动生成),方便查询和重复下载。
    如填写123,账号就是123,密码也是123。
    支付方式: 支付宝    微信支付   
    验证码:   换一换

    加入VIP,免费下载
     
    账号:
    密码:
    验证码:   换一换
      忘记密码?
        
    友情提示
    2、PDF文件下载后,可能会被浏览器默认打开,此种情况可以点击浏览器菜单,保存网页到桌面,就可以正常下载了。
    3、本站不支持迅雷下载,请使用电脑自带的IE浏览器,或者360浏览器、谷歌浏览器下载即可。
    4、本站资源下载后的文档和图纸-无水印,预览文档经过压缩,下载后原文更清晰。
    5、试题试卷类文档,如果标题没有明确说明有答案则都视为没有答案,请知晓。

    公共部位质量分户验收记录表 .docx

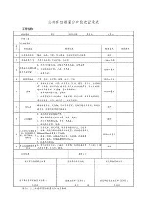
    公共部位质量分户验收记录表工程名称:验收部位单元检查日期年月日记录人参检人员(须注明单位)序O险收内容检查标准检查方式验收情况1公共区域卫生墙面、地面、门窗、电气设备、给排水管道等无污染。目测2首层疏散外门开启方向正确、开启灵活、无破损手扳和目测3走廊和公共部位通道及电梯前室1、电梯门门套光洁,无较大色差及色斑,造型美观;2、天棚和墙面平整、光洁、无色差;3、墙角平顺。目测和角尺4楼梯间地面平整、光洁,无空鼓、裂缝、起砂、污染目测和小锤5屋面1、屋面坡度正确、平整;构造节点(天沟、檐沟、变形缝、出屋面孔等)无渗漏,接缝严密;排水孔/出气孔防水处理严密、管道无破损;排烟道安装牢固、无裂缝、有防杂物措施;2、金属构件安装牢固、无锈蚀;3、雨水管道及天沟无破损、安装牢固、坡度正确、水簸箕安装规范,落水管垂直、洁净、设卡均匀,无脱节现象。目测和手扳6设备并设备安装齐全,无杂物、孔洞密封密实;线路管道安装牢固、布局合理有序;桥架内不得有电线接头。目测7公共楼梯1、楼梯踏步棱角保持完整;2、梯板侧面滴水缓坡向正确,平直、美观;3、梯板下侧粉刷光洁,美观,无色差;4、楼梯扶手牢固、洁净。目测8二次供水及消防泵房、高低压配电房、热交换站、电隔机房1、设备完好,固定牢固,设备表面整洁卫生,无污染;2、地面:高低压配电房铺设绝缘胶垫;其余设备房铺设600mmx600mm米黄类防滑地砖;3、墙面、顶棚:涂刷白色乳胶漆,无破损、污染现象;4、墙裙:蓝色,粉刷高度900ToOOmin;5、配置灭火器箱。目测和钢卷尺9外立面装修装饰及散水1、装饰材料无色差、无破损、无脱落,勾缝饱满顺直、无污染;2,散水表面平整、无沉降、断裂。目测初验结果复险结论施工单位检查评定结果监理单位验收结论建设单位验收结论施工单位专职质检员(签章):年月日监理工程师(签章):年月日建设单位专业工程师(签章):年月日备注:以上所有项目的检查比例均为全部。

    注意事项

    本文(公共部位质量分户验收记录表 .docx)为本站会员(p**)主动上传,第壹文秘仅提供信息存储空间,仅对用户上传内容的表现方式做保护处理,对上载内容本身不做任何修改或编辑。 若此文所含内容侵犯了您的版权或隐私,请立即通知第壹文秘(点击联系客服),我们立即给予删除!

    温馨提示:如果因为网速或其他原因下载失败请重新下载,重复下载不扣分。




    关于我们 - 网站声明 - 网站地图 - 资源地图 - 友情链接 - 网站客服 - 联系我们

    copyright@ 2008-2023 1wenmi网站版权所有

    经营许可证编号:宁ICP备2022001189号-1

    本站为文档C2C交易模式,即用户上传的文档直接被用户下载,本站只是中间服务平台,本站所有文档下载所得的收益归上传人(含作者)所有。第壹文秘仅提供信息存储空间,仅对用户上传内容的表现方式做保护处理,对上载内容本身不做任何修改或编辑。若文档所含内容侵犯了您的版权或隐私,请立即通知第壹文秘网,我们立即给予删除!

    收起
    展开