欢迎来到第壹文秘! | 帮助中心 分享价值,成长自我!
第壹文秘
全部分类
  • 幼儿/小学教育>
  • 中学教育>
  • 高等教育>
  • 研究生考试>
  • 外语学习>
  • 资格/认证考试>
  • 论文>
  • IT计算机>
  • 法律/法学>
  • 建筑/环境>
  • 通信/电子>
  • 医学/心理学>
  • ImageVerifierCode 换一换
    首页 第壹文秘 > 资源分类 > DOCX文档下载
    分享到微信 分享到微博 分享到QQ空间

    现场安全文明标准化检查专项评分.docx

    • 资源ID:1042734       资源大小:18.52KB        全文页数:4页
    • 资源格式: DOCX        下载积分:5金币
    快捷下载 游客一键下载
    账号登录下载
    三方登录下载: 微信开放平台登录 QQ登录
    下载资源需要5金币
    邮箱/手机:
    温馨提示:
    快捷下载时,如果您不填写信息,系统将为您自动创建临时账号,适用于临时下载。
    如果您填写信息,用户名和密码都是您填写的【邮箱或者手机号】(系统自动生成),方便查询和重复下载。
    如填写123,账号就是123,密码也是123。
    支付方式: 支付宝    微信支付   
    验证码:   换一换

    加入VIP,免费下载
     
    账号:
    密码:
    验证码:   换一换
      忘记密码?
        
    友情提示
    2、PDF文件下载后,可能会被浏览器默认打开,此种情况可以点击浏览器菜单,保存网页到桌面,就可以正常下载了。
    3、本站不支持迅雷下载,请使用电脑自带的IE浏览器,或者360浏览器、谷歌浏览器下载即可。
    4、本站资源下载后的文档和图纸-无水印,预览文档经过压缩,下载后原文更清晰。
    5、试题试卷类文档,如果标题没有明确说明有答案则都视为没有答案,请知晓。

    现场安全文明标准化检查专项评分.docx

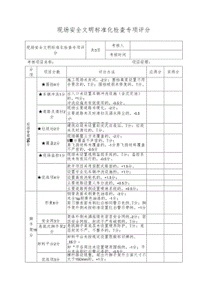
    现场安全文明标准化检查专项评分现场安全文明标准化检查专项评分共3页考核人考核时间考核项目名称:项目经理:分项项目分数评分办法应得分实得分现场管理16分围挡4分施工现场未封闭,-2分;围挡高度设置不符合要求的,T分;围挡破损未修复的,T分。车辆冲洗1分出入口未设置车辆冲洗设施(含沉定池)的,1分;冲洗设施未有效使用的,-0.5分。道路及清扫2分现场主要道路未硬化,-2分;主要道路未及时清扫及洒水降尘的,-0.5分现防主要道路损毁严重,-0.5分。垃圾站2分建筑垃圾未设置封闭式垃圾站,T分;垃圾未及时清运的,T分。覆盖2分现场裸露土方未覆盖的,-2分;M方覆盖不声密的,T分;易飞扬材料未覆盖的,-1分易飞扬材料覆盖不严密的,-0.5分现场监控1分现场未设置视频监控系统的,T分;监控系统未有效运行的,-0.5分。优选项4分新开项目采用装配式路面的,+1.5分。设置专业化车辆冲洗设施的,+1分;设置高效洗轮机的,+1.5分;主要道路设置人车分流的,+0.5分;主要道路两侧设置喷淋系统的,+0.5分;脚手架16分形象6分钢管表面未刷黄色油漆的,-3分;未全p刷黄色油漆的,-1分;剪刀撑表面未刷红白相间警示色的,T分;脚手架外侧未按标准设置红白警示带的,1分安全网3分架体外侧未满挂绿色密目安全网的,-2分;密目安全网脏、封闭不严有破损的,T分;悬挑式脚手架2分悬挑脚手架底层未设置硬质防护,T分;底层封闭不严、不整齐的,T分;卸料平台2分卸料平台未按规定设置限载标识牌的,_05分卸“平谷周边未设置硬质围挡的,-1分;平台未涂刷红白警示漆的,-0.5分。优选项3分横杆搭设规整,超出外脚手架外立面尺寸不大于15Omm的,+1分;悬挑架体硬质材料下底面涂刷黄色油漆,+0.5分;悬挑主梁刷涂红白警示漆,+1分;采用集成式附着升降脚手架且整洁美观的,+0.5分。材料管理10分场地及材料码放5分材料堆放场地不平整或无排水措施的,-1芬;未明显标识区域的或未用制式护栏隔离的,_1分;现场存在危险品未设置危险品库房的,-1分;标识牌设置不符合标准或标识不全、不清,-0.5分;材料未A类码放,T分;码放不齐或超出规范高度,-0.5分。钢筋管理2分原材和成品、半成品未分开设置,T分;未设置钢筋堆放架的,T分。模板管理2分大模板堆放区未用护栏隔离,堆放不合理的,一1分;角模未入插放架,随意堆放的,T分。优选项1分设置机电加工区,机电加工流水作业的,+1分。临时用5分施工用电3分配电箱防护未采用工具式防护,-2分;配电箱颜色、配电箱标识、安全标识不符合要求的,各-0.5分。外电防护1分外电防护标识、警示(标语、警示旗、警示灯)不清楚、不齐全,-0.5分。优选项1分外电防护架体搭设规范整齐美观的,÷0.5分;现场采用太阳能路灯、1.ED照明等绿色环保用电设施的,+0.5分。安全防护20分防护棚2分人员进出建筑物通道未搭设防护棚的,-2分;通区两侧未封闭的,-0.5分;安全通道巢管未刷漆的,-1分;临边防护3分防护栏杆未刷警示漆的,-2;未按照规定设置挡脚板并刷漆的,T分。洞口防护2分洞口防护未刷红白警示漆的,T分;未按照规定设置挡脚板并刷漆的,T分。电梯井防护5分电梯井口未采用工具式防护栏杆的,-3分;工具式防护栏杆未做牢固固定的,T分;未按照规定设置挡脚板并刷漆的,T分。安全标志1分通道上方未悬挂安全标志的,-0.5分;通道两侧未悬挂标语、标识的,-0.5分。马道搭设2分马道防护栏杆未刷警示漆的-1分;未按规定设施挡脚板的,-1分;优选项5分防护棚采用标准工具式,安全警示标语齐全的,+1分;短边尺寸大于1.5米的洞口防护采用标准工具式庙护由,+0.5分;临边防护全部采用标准工具式防护栏杆的,+2分,大面积采用的,+1分;楼梯防护全部采用标准工具式防护的,+1分,大面积采用的,+0.5分;采用标准工具式马道防护或基坑爬梯的,+0.5分。施工机械10分运料平台4分施工升降机运料平台临边防护未采用工具式防护竹,-3分;防护门上中建标识不齐全,不清晰,-0.5门框及防护栏杆未刷漆的,-1分。塔吊防攀爬设施1分塔式起重机未设置防攀爬设施的,-1分。加工棚2分钢筋加工棚、小型机械防护棚搭设不规范未刷漆,无安全标识的,T分;木工加工棚搭设不整洁美观的,T分。标识、标牌1分未悬挂施工升降机限载标识牌、验收牌、塔式起重机编号牌、操作规程牌等的,各-0.5分O优选项2分全部采用标准工具式钢筋加工棚、中小型机械防护棚的,+1.5分;塔式起重机采用标准工具式基础防攀爬围挡的,+0.5分。8消防管理分消防设施5分未设置临时消防系统的,-2分;消防泵设置少于两台,未达到互为备用的,-1分;重点防护部位未设置消防器材或设置不合理朝,T分;消火栓未设置警示标志的,-0.5分;施工现场未张挂防火宣传标志,每处-0.5分。气瓶存运2分未使用专用推车运送气瓶,T分;未按要求制作气瓶托架的,T分。优选项1分设置标准消防设施墙的,+0.5分;设置标准消防泵房且整洁美观的,+0.5分。生活区管理8分宿舍管理5分生活区与施工区未明确划分,封闭管理的,T分;生活区用房不牢固、美观的,-1分;未悬挂生活区管理制度、宿舍管理制度、消防防火管理制度图牌的,各-0.5;未设置手机充电设施的,-0.5;无晾衣区,衣物晾晒混乱的,-0.5;垃圾池未封闭,垃圾未及时清运的,-0.5;无有效的排水措施,卫生差的,-0.5。食堂管理1分食堂未设置隔油池的-0.5分;食品、炊事用具和餐具放置混乱的,-0.5芬。优选项2分生活区采用太阳能热水、绿化较好、设置空调及食堂油烟净化器等设施的各+0.5分。7安全文化分安全标语、标识1分现场未按要求悬挂安全标语、标识的,-1分。安全图牌3分现场未按要求设置管理制度牌的,T分;现场未按要求设置楼层提示牌、验收牌、危险源公示牌等的,每项-0.5分。临时设施2分现场未设置移动厕所的,T分;现场未设置烟茶亭的,T分。优选项1分现场按要求设置安全文化长廊的,+0.5分;现场设置安全讲评台且整洁美观的,÷0.5分。总应得分:总得分:实得分:评分说明:1、“应得分数”应根据现场情况给出,如现场具备条件则“应得分值”=该项具体分值,如项目不具备条件,则“应得分值”项为零(例如:基坑阶段无脚手架,则脚手架相关项应得分为零);2、实得分=总得分*100/总应得分3、履约品质安全得分=标准化检查(表D实得分*70%+安全管理检查(表2)实得分*30%;4、评分等级说明:得分低于75分为不合格,D类;75分(含)-85分为达标,C类;85分(含)-95分为创优,B类;95分(含)以上为示范,A类。5、标准化检查表(表1)加的项“应得分”不得为零;优选项总得分不超过10分的,不评为B类项目,优选项总得分不超过15分的不评为A类项目。

    注意事项

    本文(现场安全文明标准化检查专项评分.docx)为本站会员(p**)主动上传,第壹文秘仅提供信息存储空间,仅对用户上传内容的表现方式做保护处理,对上载内容本身不做任何修改或编辑。 若此文所含内容侵犯了您的版权或隐私,请立即通知第壹文秘(点击联系客服),我们立即给予删除!

    温馨提示:如果因为网速或其他原因下载失败请重新下载,重复下载不扣分。




    关于我们 - 网站声明 - 网站地图 - 资源地图 - 友情链接 - 网站客服 - 联系我们

    copyright@ 2008-2023 1wenmi网站版权所有

    经营许可证编号:宁ICP备2022001189号-1

    本站为文档C2C交易模式,即用户上传的文档直接被用户下载,本站只是中间服务平台,本站所有文档下载所得的收益归上传人(含作者)所有。第壹文秘仅提供信息存储空间,仅对用户上传内容的表现方式做保护处理,对上载内容本身不做任何修改或编辑。若文档所含内容侵犯了您的版权或隐私,请立即通知第壹文秘网,我们立即给予删除!

    收起
    展开