欢迎来到第壹文秘! | 帮助中心 分享价值,成长自我!
第壹文秘
全部分类
  • 幼儿/小学教育>
  • 中学教育>
  • 高等教育>
  • 研究生考试>
  • 外语学习>
  • 资格/认证考试>
  • 论文>
  • IT计算机>
  • 法律/法学>
  • 建筑/环境>
  • 通信/电子>
  • 医学/心理学>
  • ImageVerifierCode 换一换
    首页 第壹文秘 > 资源分类 > DOCX文档下载
    分享到微信 分享到微博 分享到QQ空间

    油罐火灾爆炸现场处置卡.docx

    • 资源ID:1042415       资源大小:17.94KB       
    • 资源格式: DOCX        下载积分:5金币
    快捷下载 游客一键下载
    账号登录下载
    三方登录下载: 微信开放平台登录 QQ登录
    下载资源需要5金币
    邮箱/手机:
    温馨提示:
    快捷下载时,如果您不填写信息,系统将为您自动创建临时账号,适用于临时下载。
    如果您填写信息,用户名和密码都是您填写的【邮箱或者手机号】(系统自动生成),方便查询和重复下载。
    如填写123,账号就是123,密码也是123。
    支付方式: 支付宝    微信支付   
    验证码:   换一换

    加入VIP,免费下载
     
    账号:
    密码:
    验证码:   换一换
      忘记密码?
        
    友情提示
    2、PDF文件下载后,可能会被浏览器默认打开,此种情况可以点击浏览器菜单,保存网页到桌面,就可以正常下载了。
    3、本站不支持迅雷下载,请使用电脑自带的IE浏览器,或者360浏览器、谷歌浏览器下载即可。
    4、本站资源下载后的文档和图纸-无水印,预览文档经过压缩,下载后原文更清晰。
    5、试题试卷类文档,如果标题没有明确说明有答案则都视为没有答案,请知晓。

    油罐火灾爆炸现场处置卡.docx

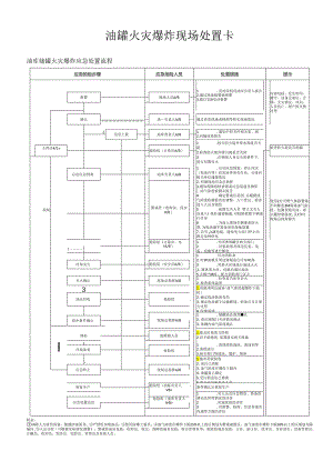
    油罐火灾爆炸现场处置卡油库储罐火灾爆炸应急处置流程应急抢险步骤应急抢险人员处置措施提示1 .用对讲机向油库负资人报告2 .通过现场报警器报警3 .拨打119电话报警内容包括:发生时间、罐号、设备及部位、介顺、火灾情况、风向、人员伤亡、财产损失情况等报警现场人员A/B确认油负说人A/B通过杳看现场或视频等核实现场情况4信息上报油库货货人A/B1 .通知中控关停相关泵、阀2 .向输油处报告1 .检行防火堤外排水阀是否关闭2 .检查防火堤外排污阀是否关闭3 .在确保人身安全的条件下.进行初期灭火1 .后动应急预案,停止库区(发油台等)收发油等所有作业,安排向相关单位通报情况2 .明确现场应急总指挥3 .通知保障组检杳准备应急装翁及物资.油气浓度检测并报告4 .确定警戒区范囹,并根据油气浓度检测值动态调整,入口登记、检杳进入人员及物资5 .疏散无关人员.禁止无关人员进入I.保扑通道畅通,对抢险救援乍辆进行引导6 .为进入现场车辆准备防火罩.为收油城军准备部电接地袋置7 .若有1JE电线,通知电力部门停止向附近电网供电壬西法4/1»抢险组(计靖员A/B)检查防火堤是否溶漏启动应急预案油库负货人A/B现场警戒班(收卸员、保安A/B)使用2台可燃气体报警器不间断监3M现场油气浓度、监测现场风向,着火罐管壁温度,及时I句现场总指挥报告抢险组计量员、电IA/B)1 .关闭事故罐区相关阀门2 .对事故球及周边仪表、设备、设施等进行断电I1 .后动消防泉2 .时W故雄及周边储域进行冷却喷淋3 .对蓿火区域进行泡沫火火,1.窿休着火时,向雄内濯注泡沫5.火梢产IR时,配合消防部门灭火冷却灭火抢险组(安全员A/B)灭火确认现场总指挥A/B1 .拉杳是否还有余火2 .检查雀体温度-31.用泡沐网近溢油<油气浓度超爆炸下限时)2 .确定收油装备布局3 .确定收油碳乍运输路战、卸油点及计量方式等4 .收集溢油油品回收抢险组现场总指挥A/B1 .储罐油品清理认2 .进出瑞陶门关闭情况确认3 .体礴内油气浓度确认修补条件确认I1.能及时修的当即修2.汨不能修的.部署落实相关措施1 .清理消防泡沐、消油剂等2 .清理油污3 .相关阀门等清洗、缎护、修坦修补抢维修人员i环境诙复抢险组,1.愉补质疑验收2 .油污已清除3 .油气浓度在爆炸下限内4 .泄漏量己确定5 .受污损设缶己修我6 .清点应急装备及人员应急终止现场总指挥A/B-恢复生产抢险组(油际负员人VB>条件确认后恢复生产1 .对人员及应急物资、袋备的调动及管理情况的评价2 .时抢除级的评价3 .对报警、指挥、信息传递及沟通等方面的评价应急处置总结抢险组(油库负责人AB>附录:Hi险人力将劳保装,佩戢防毒面具:严禁用水喷油品:使用防爆工器具:油气浓度在爆炸下限25%以上的区域划为警戒疏散区,油气浓度在爆炸下限50%以上的区域划为隔J区.人员分组(可根据实际情况调整:警戒组成员包括:收卸员、保安:保障组成员包括:徐合管理员等:抢险组成员包括:主任、副主任、技术员、作业部长、设备管理员、计蛾员、收卸员、发油员、化胎员、管理员及其他人员,

    注意事项

    本文(油罐火灾爆炸现场处置卡.docx)为本站会员(p**)主动上传,第壹文秘仅提供信息存储空间,仅对用户上传内容的表现方式做保护处理,对上载内容本身不做任何修改或编辑。 若此文所含内容侵犯了您的版权或隐私,请立即通知第壹文秘(点击联系客服),我们立即给予删除!

    温馨提示:如果因为网速或其他原因下载失败请重新下载,重复下载不扣分。




    关于我们 - 网站声明 - 网站地图 - 资源地图 - 友情链接 - 网站客服 - 联系我们

    copyright@ 2008-2023 1wenmi网站版权所有

    经营许可证编号:宁ICP备2022001189号-1

    本站为文档C2C交易模式,即用户上传的文档直接被用户下载,本站只是中间服务平台,本站所有文档下载所得的收益归上传人(含作者)所有。第壹文秘仅提供信息存储空间,仅对用户上传内容的表现方式做保护处理,对上载内容本身不做任何修改或编辑。若文档所含内容侵犯了您的版权或隐私,请立即通知第壹文秘网,我们立即给予删除!

    收起
    展开