欢迎来到第壹文秘! | 帮助中心 分享价值,成长自我!
第壹文秘
全部分类
  • 幼儿/小学教育>
  • 中学教育>
  • 高等教育>
  • 研究生考试>
  • 外语学习>
  • 资格/认证考试>
  • 论文>
  • IT计算机>
  • 法律/法学>
  • 建筑/环境>
  • 通信/电子>
  • 医学/心理学>
  • ImageVerifierCode 换一换
    首页 第壹文秘 > 资源分类 > DOCX文档下载
    分享到微信 分享到微博 分享到QQ空间

    民爆生产企业安全生产督导检查表模板.docx

    • 资源ID:1042289       资源大小:14KB        全文页数:4页
    • 资源格式: DOCX        下载积分:5金币
    快捷下载 游客一键下载
    账号登录下载
    三方登录下载: 微信开放平台登录 QQ登录
    下载资源需要5金币
    邮箱/手机:
    温馨提示:
    快捷下载时,如果您不填写信息,系统将为您自动创建临时账号,适用于临时下载。
    如果您填写信息,用户名和密码都是您填写的【邮箱或者手机号】(系统自动生成),方便查询和重复下载。
    如填写123,账号就是123,密码也是123。
    支付方式: 支付宝    微信支付   
    验证码:   换一换

    加入VIP,免费下载
     
    账号:
    密码:
    验证码:   换一换
      忘记密码?
        
    友情提示
    2、PDF文件下载后,可能会被浏览器默认打开,此种情况可以点击浏览器菜单,保存网页到桌面,就可以正常下载了。
    3、本站不支持迅雷下载,请使用电脑自带的IE浏览器,或者360浏览器、谷歌浏览器下载即可。
    4、本站资源下载后的文档和图纸-无水印,预览文档经过压缩,下载后原文更清晰。
    5、试题试卷类文档,如果标题没有明确说明有答案则都视为没有答案,请知晓。

    民爆生产企业安全生产督导检查表模板.docx

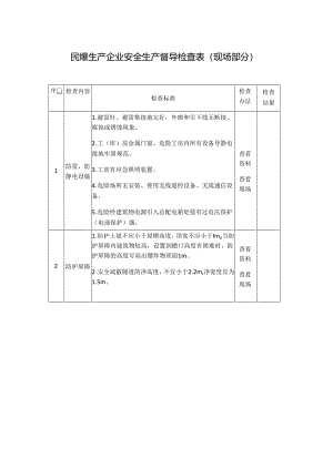
    民爆生产企业安全生产督导检查表(现场部分)序检查内容检查标准检查办法检查结果1防雷、防静电设施1 .避雷针、避雷格接地完好,外廓和引下线无断接、腐蚀或锈蚀现象。2 .工(库)房金属门窗、危险工房内所有设备导静电接地牢固规范。3 .工房有应急照明装置。4 .危险场所无安装、使用无线遥控设备、无线通信设备。5 .危险性建筑物电源引入总配电箱处装有过电压保护(电涌保护)器。查看资料查看现场2防护屏障1 .防护土堤不应小于屋檐高度,顶宽不应小于Imo当防护屏障内建筑物较高,设置到檐口高度有困难时,防护屏障的高度可高出爆炸物顶面1m。2 .安全疏散隧道的净高度,不宜小于2.2m,净宽度宜为1.5m。查看资料查看现场序检查内容检查标准检查办法检查结果3劳动纪律、现场管理1.操作工按要求穿戴劳动防护用品。2 .无窜、脱岗,操作轻拿轻放无野蛮操作现象。3 .工(库)房设备、物料定置线齐全,作业场所整齐清洁,疏散通道畅通。4 .危险品堆垛与墙面之间、堆垛与堆垛之间检查通道宽度不宜小于0.8m、装运通道宽度不宜小于1.2m。5 .堆放炸药类、索类危险品堆垛的总高度不应大于1.8m,堆放雷管类危险品堆垛的总高度不应大于1.6mo6 .警示标识牌、危险源标识牌、道路标识牌、紧急疏散指示及疏散路线图齐全。7 .装卸作业距危险性建筑物不宜小于2.5m。8 .装卸民爆物品的高位站台应设置防止车辆顶撞站台的缓冲设施。9 .工业雷管药剂生产工房的人口处应设导出静电的门帘、扶手及人体静电检测仪,工房地面、工作台面、椅子、脚踏等应铺设防静电材料。查看资料查看现场4电气设备1 .乳化器、螺杆泵、装药机、球磨机、混装车等关键设备必须是民用爆炸物品专用生产设备目录中设备。2 .有防止轴承碎裂引起主轴径向和轴向位移的技术措施。有防止物料进入轴承和机械密封的技术措施。3 .螺杆的工作转速不宜超过150rmin0宜有超压自动泄爆装置。4 .设备、管道无跑冒滴漏。5 .运转部位无摩擦及危险物料泄漏现象。查看资料查看现场序检查内容检查标准检查办法检查结果5消防设施1 .灭火器、室内外消防栓、消防水带、枪头等、配置齐全。消火栓保护半径不小于120m。2 .设有消防雨淋系统的厂房进口水压不应小于0.2MPa。3 .消防通道畅通。查看资料查看现场6建筑结构1 .危险性建筑物的耐火等级不应低于建筑设计防火规范(GB50016)中规定的二级耐火等级。2 .危险品生产厂房每层或每个危险性工作间安全出口的数目不应少于2个。当面积不超过65m2,且同一时间生产人数不超过3人时,可设一个安全出口。3 .危险品生产间的外门口应做防滑坡道,不应设置台阶。4 .窗台距室内地面不应大于0.5m。查看资料查看现场7安全连锁及测温、测压仪表1 .易引起燃烧爆炸事故的机械化作业,应根据危险程度选择设置设置自动报警、自动停机、自动泄爆、自动雨淋等自动控制装置2 .乳化器、敏化器、输送泵等密闭式带有机械搅动装置的乳化炸药专用生产设备,应有防止超压、超温、断料干磨的自动控制装置。查看资料查看现场8电子监控1 .监控室应设置监视点,并应设置有线电话与生产现场保持通讯畅通。2 .关键工序应不低于90天。其他工序应不低于30天。3 .报警值班室应安装防盗门和防盗窗,应有防侵犯设施和自卫器具。报警值班室严禁设置床铺。4 .民用爆炸物品1.l级生产工房必须设置门禁式定员监控系统查看资料查看现场安全生产十项注意事项:一、工作前穿戴好规定的劳动防护品,检查设备及作业场地,做到安全可靠。二、不违章作业,并监督制止他人违章作业。三、不准擅自开动别人操作的机械,电器开关设备。登高作业应戴好安全带、安全帽、并有专人监护、防止坠落,严禁向下乱抛工具和设备零件。四、不准随便拆除各种安全防护装置、信号标志、仪表及专指示器等。保持设备齐全有效灵敏可靠。五、不准随意启动设备。机器设备停机检查或修理时,应切断电源并悬挂警示牌,取牌人应是挂牌人。开机时发出信号,听到回音确定安全后才能开机。六、不准吊装物及下行人。多人操作起重搬运要统一指挥,密切配合。不准超负荷使用机器。七、不在易燃物品附近吸烟动火,不乱扔垃圾。八、不在厂内无证驾驶机动车辆,机动车进出车间转弯必须鸣号减速。车辆行驶中严禁爬上跳下。九、工作时精力集中,不准打闹、赤脚、赤膊、穿拖鞋和高跟鞋。十、上班时间不准怠工、滋事、脱岗或擅离职守。有事请假经领导批准后方可离开岗位。

    注意事项

    本文(民爆生产企业安全生产督导检查表模板.docx)为本站会员(p**)主动上传,第壹文秘仅提供信息存储空间,仅对用户上传内容的表现方式做保护处理,对上载内容本身不做任何修改或编辑。 若此文所含内容侵犯了您的版权或隐私,请立即通知第壹文秘(点击联系客服),我们立即给予删除!

    温馨提示:如果因为网速或其他原因下载失败请重新下载,重复下载不扣分。




    关于我们 - 网站声明 - 网站地图 - 资源地图 - 友情链接 - 网站客服 - 联系我们

    copyright@ 2008-2023 1wenmi网站版权所有

    经营许可证编号:宁ICP备2022001189号-1

    本站为文档C2C交易模式,即用户上传的文档直接被用户下载,本站只是中间服务平台,本站所有文档下载所得的收益归上传人(含作者)所有。第壹文秘仅提供信息存储空间,仅对用户上传内容的表现方式做保护处理,对上载内容本身不做任何修改或编辑。若文档所含内容侵犯了您的版权或隐私,请立即通知第壹文秘网,我们立即给予删除!

    收起
    展开