欢迎来到第壹文秘! | 帮助中心 分享价值,成长自我!
第壹文秘
全部分类
  • 幼儿/小学教育>
  • 中学教育>
  • 高等教育>
  • 研究生考试>
  • 外语学习>
  • 资格/认证考试>
  • 论文>
  • IT计算机>
  • 法律/法学>
  • 建筑/环境>
  • 通信/电子>
  • 医学/心理学>
  • ImageVerifierCode 换一换
    首页 第壹文秘 > 资源分类 > DOCX文档下载
    分享到微信 分享到微博 分享到QQ空间

    易燃易爆品储存安全检查表.docx

    • 资源ID:1042199       资源大小:11.61KB       
    • 资源格式: DOCX        下载积分:5金币
    快捷下载 游客一键下载
    账号登录下载
    三方登录下载: 微信开放平台登录 QQ登录
    下载资源需要5金币
    邮箱/手机:
    温馨提示:
    快捷下载时,如果您不填写信息,系统将为您自动创建临时账号,适用于临时下载。
    如果您填写信息,用户名和密码都是您填写的【邮箱或者手机号】(系统自动生成),方便查询和重复下载。
    如填写123,账号就是123,密码也是123。
    支付方式: 支付宝    微信支付   
    验证码:   换一换

    加入VIP,免费下载
     
    账号:
    密码:
    验证码:   换一换
      忘记密码?
        
    友情提示
    2、PDF文件下载后,可能会被浏览器默认打开,此种情况可以点击浏览器菜单,保存网页到桌面,就可以正常下载了。
    3、本站不支持迅雷下载,请使用电脑自带的IE浏览器,或者360浏览器、谷歌浏览器下载即可。
    4、本站资源下载后的文档和图纸-无水印,预览文档经过压缩,下载后原文更清晰。
    5、试题试卷类文档,如果标题没有明确说明有答案则都视为没有答案,请知晓。

    易燃易爆品储存安全检查表.docx

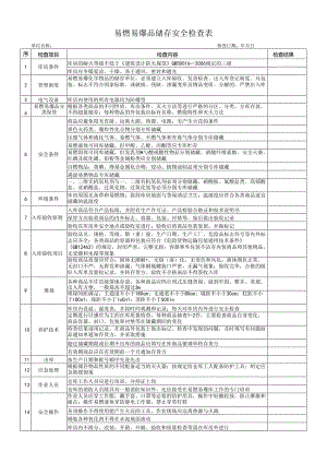
    易燃易爆品储存安全检查表单位名称:检查日期:年月日序号检查项目检查内容检查结果1库房条件库房的耐火等级不低于建筑设计防火规范GB500162006规定的三级库房应冬暖夏凉、干燥、易于通风、密封和避光2管理制度易燃易爆化学物品的储存单位,必须建立入库验收、发货检查、出入库登记制度。凡包装、标志不符合国家标准、或破损、残缺、渗漏变形及物品变质、分解的,严禁出入库3电气设备库房内使用的所有电器均为防爆型4易燃易爆品分类保管根据各类商品的不同性质、库房条件、灭火方法等进行严格的分区、分类、分库存放,不得超量储存;每种物品的外包装应标有名称、燃烧特性和灭火方法5安全条件商品应避免阳光直射、远离火源、热源、电源,无产生火花的条件黑色火药类、爆炸性化合物分别专库储藏压缩气体和液化气体、易燃气体、不燃气体和有毒气体分别专库储藏易燃液体可同库储藏,但甲醇、乙醇、丙酮等应专库贮存易燃固体可同库储藏,但发乳剂H与酸或酸性物品分别储藏。硝酸纤维素酷、安全火柴、红磷及硫化磷、铝粉等金属粉类应分别储藏自燃物品:黄磷、烽基金属化合物,浸动、植物油制品须分别专库储藏遇湿易燃物品专库储藏一、二级无机氧化剂与一、二级有机氧化剂必须分别储藏,硝酸胺、氯酸盐类、高镭酸盐、亚硝酸盐、过氧化钠、过氧化氢等必须分别专库储藏6环境条件库房周围无杂草和易燃物;保持库房地面与货垛清洁卫生;温湿度应符合各类商品适宜储藏的温湿度7入库验收原则入库商品符合产品标准,并附有生产许可证、产品检验合格证和技术说明书保管方应验收商品的内外标志、容器、包装、衬垫等,验后做出验收记录验收在库房外安全地点或验收室进行;验收后将商品包装复原,并做标记8入库验收项目验收品名、规格、等级、数(重)量、生产日期、生产工厂、危险品标志符号等内外标志应齐全;各类商品的容器和包装应符合危险货物运输包装通用技术条件(GB12463)的规定,封闭严密,完整无损;容器和外包装不沾有内装商品和其他物品,无受潮和水湿等现象验收商品质量应符合:固体无潮解,无熔(溶)化,无变色和风化:液体颜色正常,无封口不严,无挥发和渗漏;气体钢瓶螺旋口严密,无漏气现象;验收完毕,合格的做好入库单及验收记录,并转存货方。验收不合格商品不得签收入库9堆垛各种商品不许直接落地存放;各种商品应码行列式压缝货垛,做到牢固、整齐、美观,出入库方便,一般垛高不超过3m堆垛间距满足:主通道不小于180cm;支通道不小于80cm;墙距不小于30cm:柱距不小于IOCn1;垛距不小于IoCn1:顶距不小于50CIn10养护技术库房内设温、湿度表,并按时间观测和记录;每天对库房内外进行安全检查定期进行以感官为主的在库质量检查,每种商品抽查1-2件,主要检查商品自身变化,商品容器、封口、包装和衬垫等在储藏期间的变化检查结果逐项记录,在商品外包装上做出标记。检查中发现的问题,及时填写有问题商品通知单通知存货方,并采取措施超过储藏期限或长期不出库的商品应填写在库商品催调单转存货方有效期商品应在有效期前一个月通知存货方11出库按生产日期和批号顺序先进先出12应急处理根据储存物品性质的不同配备适当的灭火器;按规定给仓库工人配备防护工具;制定应急救援预案13作业人员仓库工作人员应进行培训,并持证上岗仓库的消防人员除具有一般消防知识外,还应接受在易燃易爆库工作的专门培训14安全操作作业人员应穿工作服,戴手套、口罩等必要的防护用具,操作中轻搬轻放,防止摩擦和撞击;操作易燃液体穿防静电工作服,禁止穿带钉鞋各项操作不得使用能产生火花的工具,作业现场应远离热源与火源桶装各种氧化剂不得在水泥地面滚动库房内不准分、改装,开箱、开桶、验收和质量检查等需在库房外进行

    注意事项

    本文(易燃易爆品储存安全检查表.docx)为本站会员(p**)主动上传,第壹文秘仅提供信息存储空间,仅对用户上传内容的表现方式做保护处理,对上载内容本身不做任何修改或编辑。 若此文所含内容侵犯了您的版权或隐私,请立即通知第壹文秘(点击联系客服),我们立即给予删除!

    温馨提示:如果因为网速或其他原因下载失败请重新下载,重复下载不扣分。




    关于我们 - 网站声明 - 网站地图 - 资源地图 - 友情链接 - 网站客服 - 联系我们

    copyright@ 2008-2023 1wenmi网站版权所有

    经营许可证编号:宁ICP备2022001189号-1

    本站为文档C2C交易模式,即用户上传的文档直接被用户下载,本站只是中间服务平台,本站所有文档下载所得的收益归上传人(含作者)所有。第壹文秘仅提供信息存储空间,仅对用户上传内容的表现方式做保护处理,对上载内容本身不做任何修改或编辑。若文档所含内容侵犯了您的版权或隐私,请立即通知第壹文秘网,我们立即给予删除!

    收起
    展开