欢迎来到第壹文秘! | 帮助中心 分享价值,成长自我!
第壹文秘
全部分类
  • 幼儿/小学教育>
  • 中学教育>
  • 高等教育>
  • 研究生考试>
  • 外语学习>
  • 资格/认证考试>
  • 论文>
  • IT计算机>
  • 法律/法学>
  • 建筑/环境>
  • 通信/电子>
  • 医学/心理学>
  • ImageVerifierCode 换一换
    首页 第壹文秘 > 资源分类 > DOCX文档下载
    分享到微信 分享到微博 分享到QQ空间

    拌合站建设验收表.docx

    • 资源ID:1042026       资源大小:10.96KB        全文页数:2页
    • 资源格式: DOCX        下载积分:5金币
    快捷下载 游客一键下载
    账号登录下载
    三方登录下载: 微信开放平台登录 QQ登录
    下载资源需要5金币
    邮箱/手机:
    温馨提示:
    快捷下载时,如果您不填写信息,系统将为您自动创建临时账号,适用于临时下载。
    如果您填写信息,用户名和密码都是您填写的【邮箱或者手机号】(系统自动生成),方便查询和重复下载。
    如填写123,账号就是123,密码也是123。
    支付方式: 支付宝    微信支付   
    验证码:   换一换

    加入VIP,免费下载
     
    账号:
    密码:
    验证码:   换一换
      忘记密码?
        
    友情提示
    2、PDF文件下载后,可能会被浏览器默认打开,此种情况可以点击浏览器菜单,保存网页到桌面,就可以正常下载了。
    3、本站不支持迅雷下载,请使用电脑自带的IE浏览器,或者360浏览器、谷歌浏览器下载即可。
    4、本站资源下载后的文档和图纸-无水印,预览文档经过压缩,下载后原文更清晰。
    5、试题试卷类文档,如果标题没有明确说明有答案则都视为没有答案,请知晓。

    拌合站建设验收表.docx

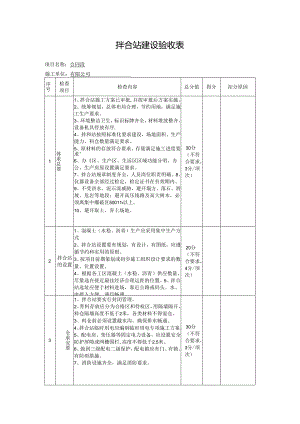
    拌合站建设验收表项目名称:合同段施工单位:有限公司序号检查项目检查内容总分值得分扣分原因1体求总要1、拌合站施工方案已审批,并按审批后方案实施。2、统筹规划,总体布局合理,节约用地,满足施工生产要求。3、环境整洁卫生,标识标牌齐全,材料堆放整齐,设备机具停放有序.4、拌和站按照标准化要求建设,场地面积、生产能力、料仓数量满足要求。5、原材料的存放符合要求,存量满足施工进度要求°6、办区、生产区、生活区区域功能分明,办公、生产房屋设置满足要求。7、拌合站规章制度齐全,人员岗位职责明确。8、仪器设备全部经过检定,检定证书在有效期内。9、不受洪水、泥石流威胁,避开塌方、落石、滑坡、危岩等地段;避开高压线路及高大树木,必须离集中爆破区50011以上。10、避开取土、弃土场地。30分(不符合要求,3分/项次)2拌合站的设置1、混凝土(水稳、沥青)生产应采用集中生产方式2、拌合站设置要有规划,有设计,有图纸,应遵循节约和实用的原则。3、按项目前期策划或初步施工组织设计要求的数量、位置设置。4、根据各工区混凝土(水稳、沥青)供应数量,尽量选在接近最佳经济合理运距的位置。5、拌合站选址应便于材料进场,靠近公路或码头。水、电接入方便,通信畅通。20分(不符合要求,4分/项次)3全求安要1、拌合站要实行封闭管理。2、骨料存放应分为合格区和待检区,用隔墙隔开,料仓隔墙高度不低于2米,各类材料不得混仓。3、料仓前必须设置截水沟,确保排水畅通。4、拌合站临时用电应编制临时用电专项施工方案。5、配电房、变压器等固定电力设备,应设置安全防护屏障或网栅围栏,高度不得低于2.5米。6、做到三级配电二级保护,配电箱应有门、有锁、有防雨措施。7、消防设施齐全,满足消防要求。30分(不符合要求,3分/项次)8、储料罐必须安装避雷针,必须接地,接地电阻必须满足规范要求。9、特种设备操作人员,证件齐全,持证上岗。10、危险部位,按规范要求设置警示牌。4保求环1、场地内不准有积水、泥泞现象。2、机动车辆、设备冲洗设施,排水沟及沉淀池设置合理,并设有安全护栏。3、生活、施工污水经处理达标后,方可排除,不可直接排入河流或水源附近土地。4、周边原有植被是否遭到破坏。20分(不符合要求,5分/项次)得分100验收总体评价及意见验收小组组长(签字):日期:验收小组人员签字姓名单位职务姓名单位职务

    注意事项

    本文(拌合站建设验收表.docx)为本站会员(p**)主动上传,第壹文秘仅提供信息存储空间,仅对用户上传内容的表现方式做保护处理,对上载内容本身不做任何修改或编辑。 若此文所含内容侵犯了您的版权或隐私,请立即通知第壹文秘(点击联系客服),我们立即给予删除!

    温馨提示:如果因为网速或其他原因下载失败请重新下载,重复下载不扣分。




    关于我们 - 网站声明 - 网站地图 - 资源地图 - 友情链接 - 网站客服 - 联系我们

    copyright@ 2008-2023 1wenmi网站版权所有

    经营许可证编号:宁ICP备2022001189号-1

    本站为文档C2C交易模式,即用户上传的文档直接被用户下载,本站只是中间服务平台,本站所有文档下载所得的收益归上传人(含作者)所有。第壹文秘仅提供信息存储空间,仅对用户上传内容的表现方式做保护处理,对上载内容本身不做任何修改或编辑。若文档所含内容侵犯了您的版权或隐私,请立即通知第壹文秘网,我们立即给予删除!

    收起
    展开