欢迎来到第壹文秘! | 帮助中心 分享价值,成长自我!
第壹文秘
全部分类
  • 幼儿/小学教育>
  • 中学教育>
  • 高等教育>
  • 研究生考试>
  • 外语学习>
  • 资格/认证考试>
  • 论文>
  • IT计算机>
  • 法律/法学>
  • 建筑/环境>
  • 通信/电子>
  • 医学/心理学>
  • ImageVerifierCode 换一换
    首页 第壹文秘 > 资源分类 > DOCX文档下载
    分享到微信 分享到微博 分享到QQ空间

    政府及监管部门监督检查通用清单标准(通用)(缺依据)模板.docx

    • 资源ID:1041338       资源大小:20.64KB        全文页数:18页
    • 资源格式: DOCX        下载积分:5金币
    快捷下载 游客一键下载
    账号登录下载
    三方登录下载: 微信开放平台登录 QQ登录
    下载资源需要5金币
    邮箱/手机:
    温馨提示:
    快捷下载时,如果您不填写信息,系统将为您自动创建临时账号,适用于临时下载。
    如果您填写信息,用户名和密码都是您填写的【邮箱或者手机号】(系统自动生成),方便查询和重复下载。
    如填写123,账号就是123,密码也是123。
    支付方式: 支付宝    微信支付   
    验证码:   换一换

    加入VIP,免费下载
     
    账号:
    密码:
    验证码:   换一换
      忘记密码?
        
    友情提示
    2、PDF文件下载后,可能会被浏览器默认打开,此种情况可以点击浏览器菜单,保存网页到桌面,就可以正常下载了。
    3、本站不支持迅雷下载,请使用电脑自带的IE浏览器,或者360浏览器、谷歌浏览器下载即可。
    4、本站资源下载后的文档和图纸-无水印,预览文档经过压缩,下载后原文更清晰。
    5、试题试卷类文档,如果标题没有明确说明有答案则都视为没有答案,请知晓。

    政府及监管部门监督检查通用清单标准(通用)(缺依据)模板.docx

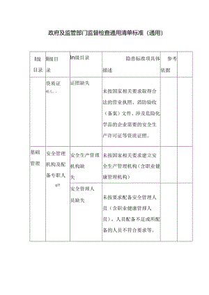
    政府及监管部门监督检查通用清单标准(通用)I级目录Il级目录In级目录隐患标准项具体描述参考依据资质证昭八、证照缺失未按国家相关要求取得合法的营业执照、消防验收(备案)文件、涉及危险化学品的企业需要的安全生产许可证等资质证照。基础管理安全管理机构及配备专职人贝安全生产管理机构缺失未按国家相关要求建立安全生产管理机构(含职业健康管理机构)安全管理人员缺失未按要求配备安全管理人员(含职业健康管理人员),人员配备不足或所配备的人员不符合要求等。安全生产责任制安全生产责任制缺陷未按规定建立、健全安全生产责任制。安全管理制度缺陷未按规定建立、健全所需的安全管理制度,如建设项目安全设施“三同时”管理、生产设备设施报废管理、隐患排查治理、应急管理、事故管理、安全教育培训、特种作业人员管理、安全投入、相关方管理、作业安全管理等。制度文件管理缺陷制度编制、发布、修订等过程不规范,或记录(台账、档案)的数量、格式、内容不明确,填写不规范等。安全教育培训主要负责人、安全管理人员教育未按规定取证或年度教育培训不足等。培训缺陷特种作业人员、特种设备作业人员教育培训缺陷未按规定取证,证件过期或证件与实际岗位不符等。一般从业人员教育培训缺陷缺少日常教育、“三级”教育、“四新”教育、转岗、重新上岗等安全培训教育,或安全培训教育达不到规定时间,或内容不符合要求等。安全投入安全投入提取问题未按国家相关规定提取安全投入或不足安全投入使用问题安全投入使用不符合要求工伤保险问题未按规定缴纳工伤保险相关方管理相关方资质缺陷未对相关方有关安全资质和能力确认,或相关方不具备合格资质。安全职责约定缺陷未按规定签订安全协议,或未在劳动、租赁合同中约定各自的安全生产管理职责等。安全教育、监督管理缺陷未按规定对相关方人员进行安全教育、监督管理等。重大危险源管理重大危险源辨识与评估缺陷未进行重大危险源辨识评估,或辨识评估不止确等。登记建档备案缺陷未按规定进行登记、建档、备案等。重大危险源监控缺陷未按规定对重大危险源进行监测监控检验。个体防护装备个体防护装备配备问题未按国家相关规定选用、配备企业所需的个体防护装备或不足。个体防护装备管理问题未按规定对个体防护装备实施有效管理。职业健康职业危害项目申报缺陷未按规定申报危害因素岗位,申报内容不全,未申请变更等。职业病危害因素检测评价缺陷未按规定对危害因素进行检测评价,或检测评价因素不全等。职业病危害因素告知缺陷未按规定在劳动合同中写明,检测结果未公示等。职业健康检查问题未按规定开展职业健康体检,未建立职业健康档案,未通知劳动者等。应急管理应急组织机构和队伍问题未按规定设置或指定应急管理办事机构,配备应急管理人员,未按规定建立专兼职应急救援队伍。应急预案制定及管理问题未按规定制定各类应急预案,未按规定对预案进行有效管理(论证、评审、修订、备案等)。应急演练实施及评估总结问题未按规定进行应急演练,或未对应急演练进行评估和总结等。应急设施、装备、物资设置配备、维修保养和管理问题未建立应急设施,未配备应急装备、物资,未按规定进行经常性的检查、维护、保养和管理等。隐患排查治理隐患排查治理制度缺陷无制度或制度体系不完善隐患治理问题未有效治理隐患现场管理选址缺陷作业场所未按规定选择在常年主导风上风或侧风风向,靠近易燃易爆场所,地质条件不良,企业内新建建构筑物、装置安全卫生防护距离不足等。设计、施工缺陷未按国家相关要求对建构筑物的防火等级、安全距离、防雷、防震等进行设计、施工,或在改建、扩建、装修没有按安全要求进行等。平面布局缺陷住宿场所与加工、生产、仓储、经营等场所在同一建筑内混合设置,爆炸危险场所与易燃易爆场所联通等。场地缺陷作业场所狭窄难以操作,工具、材料放置混乱等。地面开口问题坑、沟、池、井等开口的不安全状况,如无安全盖板等安全逃生问题包括无安全通道,安全通道狭窄、不畅等,未按规定设置安全出口,包括无安全出口、安全出口数量不足、设置不合理等。交通线路的配置问题容易导致车辆伤害或消防通道不符合要求等安全标志问题未按规定设置安全标志,如无标志标识、标志不规范、标志选用不当等.其他问题地面湿滑不平、梯架缺陷、装修材料缺陷等。设备设施工艺流程问题没有对工艺流程进行安全评价,产量增大后没有及时调整工艺路线等。通用设备设施问题通用设备设施在设计、安装调试、使用上的缺陷,如强度、刚度、稳定性、密封性、耐腐性等缺陷,不符合安全要求,有人员易触及的运动部件外露,操纵器失灵、损坏,设备、设施表面的尖角利棱等。通用设备设施不包括特种设备、电气设备设施、消防设备设施、有较大危险因素设备设施。专用设备设施问题根据行业生产特点,企业拥有的专用设备存在的缺陷。特种设备问题按照质监局有关标准查报。消防设备设施问题未按规定对消防报警系统进行配线、设备选型安装,未按规定设置合格的给水管、消火栓、消防水箱及自动、手动灭火设施器材,未按规定选用合格的机械防烟排烟设备,或设备安装不符合要求,防火门、防护卷帘及其他消防设备缺陷等。电气设备问题电气线路、设备、照明不符合标准,保护装置不完善,移动式设备不完善,防爆电气装置不符合标准,防雷装置不合格,防静电不合格,电磁防护不合格等。有较大危险因素设备问题未按规定对存在高温高压、有毒有害、易燃易爆等有较大危险因素的设施设备进行安全防护,未按要求对其进行经常性维护保养等。防护、保险、信号等装置装备防护装置、设施问题防护装置、设施本身安全性、可靠性差,包括防护装置、设施损坏、失效、失灵等。防护措施不当未按规定配置、使用合格的防护装置、设施。防护距离不够建构筑物内,设备布置、机械、电气、防火、防爆等安全距离不够,或卫生防护距离不够等原辅物料、产品一般物品处置不当物品存放不当,如成品、半成品、材料和生产用品等在储存数量、堆码方式等方面存放不当;物品使用不当,未按规定搬运、使用物品;物品失效、过期、发生物理化学变化等。危险化学品处置不当对易燃、易爆、高温、高压、有毒有害等危险化学品处置错误,危险化学品失效、过期、发生物理化学变化,未按规定记录危险化学品出入库情况等。职业病危害职业病危害因素不良噪声强度超标,粉尘浓度超标,照度不足或过强,作业场所温度、湿度超出限值,缺氧或有毒有害气体超限,辐射强度超限等。职业病危害因素标识不清作业场所缺少防护设施,公告栏,警示标识等。相关方作业相关方未按要求办理动火、动土、用电等手续,进入不应进入场所等涉及相关方现场管理方面的缺陷。安全技能违章指挥安排或指挥职工违反规定进行作业,如安排有职业禁忌的劳动者从事其所禁忌的作业;指挥工人在安全防护设施、设备有缺陷,隐患未解决的条件下冒险进行作业等。操作错误操作方式、流程错误,指按钮、阀门、搬手、把柄等的操作,以及未经许可开动、关停、移动机器;开动、关停机器时未给信号;开关未锁紧,造成意外转动、通电或泄漏,忘记关闭设备;拆除安全装置,造成安全装置失效等。使用不安全设备、工具临时使用不牢固的设施,使用无安全装置的设备,使用已停用或报废的设备等。工具使用错误使用不合适的工具,或工具没有按使用要求进行使用等。冒险作业冒险进入危险场所,或在危险场所冒险停留、冒险作业,如未经允许进入涵洞、油罐、井等有限空间或高压电设备等其它危险区;攀、坐不安全位置(如平台护栏、汽车挡板、吊车吊钩),在起吊物下停留;采伐、集材、运材、装车时,未远离危险区;机器运转时加油、维修、焊接、清扫等。其他问题包括脱岗、超负荷作业等其他操作错误、违反劳动纪律行为。个体防护未按规定使用个体防护装备在必须使用个人防护用品用具的作业或场合中,忽视其使用,如未戴安全帽,未戴护目镜或面罩,未佩戴呼吸护具,未戴防护手套,未穿防护服,未穿安全鞋等。不安全装束在有旋转零部件的设备旁作业穿着肥大服装、操纵有旋转零部件的设备时戴手套等。作业许可作业前未办理许可手续动火作业、受限空间作业、大型吊装作业、高空作业等作业前未按规定办理手续。安全措施落实缺陷未落实安全措施或安全措施落实不足,作业完毕未确认安全状态等。安全生产十项注意事项:一、工作前穿戴好规定的劳动防护品,检查设备及作业场地,做到安全可靠。二、不违章作业,并监督制止他人违章作业。三、不准擅自开动别人操作的机械,电器开关设备。登高作业应戴好安全带、安全帽、并有专人监护、防止坠落,严禁向下乱抛工具和设备零件。四、不准随便拆除各种安全防护装置、信号标志、仪表及专指示器等。保持设备齐全有效灵敏可靠。五、不准随意启动设备。机器设备停机检查或修理时,应切断电源并悬挂警示牌,取牌人应是挂牌人。开机时发出信号,听到回音确定安全后才能开机。六、不准吊装物及下行人。多人操作起重搬运要统一指挥,密切配合。不准超负荷使用机器。七、不在易燃物品附近吸烟动火,不乱扔垃圾。八、不在厂内无证驾驶机动车辆,机动车进出车间转弯必须鸣号减速。车辆行驶中严禁爬上跳下。九、工作时精力集中,不准打闹、赤脚、赤膊、穿拖鞋和高跟鞋。十、上班时间不准怠工、滋事、脱岗或擅离职守。有事请假经领导批准后方可离开岗位。

    注意事项

    本文(政府及监管部门监督检查通用清单标准(通用)(缺依据)模板.docx)为本站会员(p**)主动上传,第壹文秘仅提供信息存储空间,仅对用户上传内容的表现方式做保护处理,对上载内容本身不做任何修改或编辑。 若此文所含内容侵犯了您的版权或隐私,请立即通知第壹文秘(点击联系客服),我们立即给予删除!

    温馨提示:如果因为网速或其他原因下载失败请重新下载,重复下载不扣分。




    关于我们 - 网站声明 - 网站地图 - 资源地图 - 友情链接 - 网站客服 - 联系我们

    copyright@ 2008-2023 1wenmi网站版权所有

    经营许可证编号:宁ICP备2022001189号-1

    本站为文档C2C交易模式,即用户上传的文档直接被用户下载,本站只是中间服务平台,本站所有文档下载所得的收益归上传人(含作者)所有。第壹文秘仅提供信息存储空间,仅对用户上传内容的表现方式做保护处理,对上载内容本身不做任何修改或编辑。若文档所含内容侵犯了您的版权或隐私,请立即通知第壹文秘网,我们立即给予删除!

    收起
    展开