欢迎来到第壹文秘! | 帮助中心 分享价值,成长自我!
第壹文秘
全部分类
  • 幼儿/小学教育>
  • 中学教育>
  • 高等教育>
  • 研究生考试>
  • 外语学习>
  • 资格/认证考试>
  • 论文>
  • IT计算机>
  • 法律/法学>
  • 建筑/环境>
  • 通信/电子>
  • 医学/心理学>
  • ImageVerifierCode 换一换
    首页 第壹文秘 > 资源分类 > DOCX文档下载
    分享到微信 分享到微博 分享到QQ空间

    冠梁施工方案.docx

    • 资源ID:1038895       资源大小:17.30KB        全文页数:3页
    • 资源格式: DOCX        下载积分:5金币
    快捷下载 游客一键下载
    账号登录下载
    三方登录下载: 微信开放平台登录 QQ登录
    下载资源需要5金币
    邮箱/手机:
    温馨提示:
    快捷下载时,如果您不填写信息,系统将为您自动创建临时账号,适用于临时下载。
    如果您填写信息,用户名和密码都是您填写的【邮箱或者手机号】(系统自动生成),方便查询和重复下载。
    如填写123,账号就是123,密码也是123。
    支付方式: 支付宝    微信支付   
    验证码:   换一换

    加入VIP,免费下载
     
    账号:
    密码:
    验证码:   换一换
      忘记密码?
        
    友情提示
    2、PDF文件下载后,可能会被浏览器默认打开,此种情况可以点击浏览器菜单,保存网页到桌面,就可以正常下载了。
    3、本站不支持迅雷下载,请使用电脑自带的IE浏览器,或者360浏览器、谷歌浏览器下载即可。
    4、本站资源下载后的文档和图纸-无水印,预览文档经过压缩,下载后原文更清晰。
    5、试题试卷类文档,如果标题没有明确说明有答案则都视为没有答案,请知晓。

    冠梁施工方案.docx

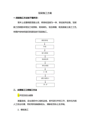
    冠梁施工方案一.冠梁施工方法如下图所示:竖井上设置钢筋混凝土梁,将排桩连接为一体,架设起吊设备。冠梁施工的钢筋采用加工场预制、现场绑扎、组合钢模、现浇混凝土施工工艺。待围护结构终凝后即逐段进行冠梁施工。二、主要施工工序施工方法1.开挖及桩头破除测量放线,定出梁的中心线和边线,即可进行开挖工作,竖井坑内侧人工挖出坑槽,同时用风镐破除桩头,清除桩顶杂土及浮硝。2、模板施工土质基底铺设IOCm的砂浆垫层作地模。侧模采用组合钢模板,模板支撑体系采用100XlOO方木,间距为600(高)X900(宽)mm,背杆采用48双向双层钢管。模板在安装前涂刷脱模剂。3、钢筋施工桩头混凝土破后,先调直桩顶锚固钢筋。冠梁钢筋预先在钢筋加工场按设计尺寸加工成半成品,并分类、分型号堆放整齐。施工前再次对照设计图纸进行检查,检验无误后运至施工现场。冠梁钢筋现场绑扎,主筋接长采用搭接焊。焊缝长度不小于IOd,同一断面接头不超过50%o每段冠梁钢筋为下段冠梁施工预留出搭接长度,并错开不小于1m。钢筋绑扎完成后,按要求埋设护栏、钢支撑预埋件及其它预埋件。4、混凝土浇注冠梁混凝土采用商品混凝土,按混凝土施工工艺进行浇注作业,并及时进行养护,养护期为14天。三、建立健全安全管理制度1.检查承包单位安全文明施工管理制度和有关规定,督促有关人员落实安全生产责任制。2、各承包单位必须制订切实有效的安全文明施工管理制度和有关规定,用制度和规定达到约束和限制的目的。特别强调的是督促承包单位制订安全奖罚实施细则,并监督其实行。3、明确和落实各级管理人员安全文明施工责任制,有关人员职责要制订上墙,便于经常对照检查执行落实情况。4、划分安全文明施工责任区域,责任区的界限和责任单位要清晰明确,标牌显示,落实到人。工程前期以土建为主,后期则以安装为主,并要注重监控调试及试生产阶段的安全工作。

    注意事项

    本文(冠梁施工方案.docx)为本站会员(p**)主动上传,第壹文秘仅提供信息存储空间,仅对用户上传内容的表现方式做保护处理,对上载内容本身不做任何修改或编辑。 若此文所含内容侵犯了您的版权或隐私,请立即通知第壹文秘(点击联系客服),我们立即给予删除!

    温馨提示:如果因为网速或其他原因下载失败请重新下载,重复下载不扣分。




    关于我们 - 网站声明 - 网站地图 - 资源地图 - 友情链接 - 网站客服 - 联系我们

    copyright@ 2008-2023 1wenmi网站版权所有

    经营许可证编号:宁ICP备2022001189号-1

    本站为文档C2C交易模式,即用户上传的文档直接被用户下载,本站只是中间服务平台,本站所有文档下载所得的收益归上传人(含作者)所有。第壹文秘仅提供信息存储空间,仅对用户上传内容的表现方式做保护处理,对上载内容本身不做任何修改或编辑。若文档所含内容侵犯了您的版权或隐私,请立即通知第壹文秘网,我们立即给予删除!

    收起
    展开