欢迎来到第壹文秘! | 帮助中心 分享价值,成长自我!
第壹文秘
全部分类
  • 幼儿/小学教育>
  • 中学教育>
  • 高等教育>
  • 研究生考试>
  • 外语学习>
  • 资格/认证考试>
  • 论文>
  • IT计算机>
  • 法律/法学>
  • 建筑/环境>
  • 通信/电子>
  • 医学/心理学>
  • ImageVerifierCode 换一换
    首页 第壹文秘 > 资源分类 > DOCX文档下载
    分享到微信 分享到微博 分享到QQ空间

    光伏安装工程质量(六氟化硫封闭式组合电器安装)验收通用标准.docx

    • 资源ID:1038740       资源大小:13.19KB        全文页数:2页
    • 资源格式: DOCX        下载积分:5金币
    快捷下载 游客一键下载
    账号登录下载
    三方登录下载: 微信开放平台登录 QQ登录
    下载资源需要5金币
    邮箱/手机:
    温馨提示:
    快捷下载时,如果您不填写信息,系统将为您自动创建临时账号,适用于临时下载。
    如果您填写信息,用户名和密码都是您填写的【邮箱或者手机号】(系统自动生成),方便查询和重复下载。
    如填写123,账号就是123,密码也是123。
    支付方式: 支付宝    微信支付   
    验证码:   换一换

    加入VIP,免费下载
     
    账号:
    密码:
    验证码:   换一换
      忘记密码?
        
    友情提示
    2、PDF文件下载后,可能会被浏览器默认打开,此种情况可以点击浏览器菜单,保存网页到桌面,就可以正常下载了。
    3、本站不支持迅雷下载,请使用电脑自带的IE浏览器,或者360浏览器、谷歌浏览器下载即可。
    4、本站资源下载后的文档和图纸-无水印,预览文档经过压缩,下载后原文更清晰。
    5、试题试卷类文档,如果标题没有明确说明有答案则都视为没有答案,请知晓。

    光伏安装工程质量(六氟化硫封闭式组合电器安装)验收通用标准.docx

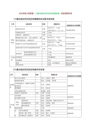
    光伏安装工程质量(六氟化硫封闭式组合电器安装)验收通用标准1六氟化硫封闭式组合电器基础及设备支架安装工序检验项目性质质量标准检查验收方法及器具基础检查相间标高误差主要220kV以下:2mm22OkV及以上:5nm用水准仪检查同相标高误差主要2mm同组间X、y轴线误差主要lmm用经纬仪检查断路器各组中相x、y轴与电器室x、y轴线及其他设备x、y轴线误差主要220kV以下:3mm22OkV及以上:5mm电器室内与室外设备基础标高误主要220kV以下:5mm22Okv及以上:10mm用水准仪检查电器室X轴与室内外设备基础y轴误差主要5mm用经纬仪检查地基表面相邻基础埋件误差2mm水准仪检查全部基础埋件误差5mm支架安装外观检查无机械损伤观察检查固定螺栓牢固用扳手检查接地牢固,且导通良好扳动及导通检查防腐层检查完整观察检查2六氟化硫封闭式组合电器本体安装工序检验项目性质质量标准检查验收方法及器具设备检查组合元件及附件齐全,无损伤、锈蚀观察检查绝缘部件检查清洁,无受潮、无变形元件接线端子、插接件及我流部分检查光洁,无锈蚀紧固螺栓齐全,无松动支架及接地引线无锈蚀、损伤母线及气室筒内壁主要平整,无毛刺元件组装元件表面洁净,无杂物观查检查盆式绝缘子检查清洁,无裂纹母线安装母线外观清洁,无氧化物、划痕及凸凹不平观查检查条状触指检查主要光洁,无锈蚀、划痕触头座检查清洁,无划痕吸附剂检查干燥观查检查法连元件内部检查主要清洁,无杂物观察检查密封垫(圈)检查主要完好,清洁,无变形密封槽及法兰面检查主要光洁、无伤痕工序检验项目性质质量标准检查验收方法及器具接法兰连接导销无卡阻连接螺栓紧固力矩按制造厂规定用力矩扳手检查操动机构检查操动机构行程按制造厂规定对照厂家规定检查驱动转矩操动机构动作主要准确,可靠操动试验分、合闸指示主要正确联锁装置主要动作可靠、灵活观察检查套管安装密封槽及法兰表面主要光洁、无划痕观察检查密封垫(圈)检查主要完好,清洁,无变形连接螺栓紧固力矩按制造厂规定用力矩扳手检查SF6气体充注充气前充气设备及管路检查洁净,无水分、油污观察检查充气前断路器内部真空度主要按制造厂规定对照厂家规定检查密度继电器报警、闭锁压力值按制造厂规定整定SF6气体含水量主要按制造厂规定检查试验报告SFg气体压力主要观察密度继电器整体密封试验1:.要对照厂家规定检查接地线安装接地线检查无锈蚀、损伤观察检查连接方式螺接连接螺栓主要紧固用扳手检查各元件法兰连接处主要跨接可靠,导通良好扳动并导通检查接地连接牢固,导通良好扳动并导通检查

    注意事项

    本文(光伏安装工程质量(六氟化硫封闭式组合电器安装)验收通用标准.docx)为本站会员(p**)主动上传,第壹文秘仅提供信息存储空间,仅对用户上传内容的表现方式做保护处理,对上载内容本身不做任何修改或编辑。 若此文所含内容侵犯了您的版权或隐私,请立即通知第壹文秘(点击联系客服),我们立即给予删除!

    温馨提示:如果因为网速或其他原因下载失败请重新下载,重复下载不扣分。




    关于我们 - 网站声明 - 网站地图 - 资源地图 - 友情链接 - 网站客服 - 联系我们

    copyright@ 2008-2023 1wenmi网站版权所有

    经营许可证编号:宁ICP备2022001189号-1

    本站为文档C2C交易模式,即用户上传的文档直接被用户下载,本站只是中间服务平台,本站所有文档下载所得的收益归上传人(含作者)所有。第壹文秘仅提供信息存储空间,仅对用户上传内容的表现方式做保护处理,对上载内容本身不做任何修改或编辑。若文档所含内容侵犯了您的版权或隐私,请立即通知第壹文秘网,我们立即给予删除!

    收起
    展开