欢迎来到第壹文秘! | 帮助中心 分享价值,成长自我!
第壹文秘
全部分类
  • 幼儿/小学教育>
  • 中学教育>
  • 高等教育>
  • 研究生考试>
  • 外语学习>
  • 资格/认证考试>
  • 论文>
  • IT计算机>
  • 法律/法学>
  • 建筑/环境>
  • 通信/电子>
  • 医学/心理学>
  • ImageVerifierCode 换一换
    首页 第壹文秘 > 资源分类 > DOCX文档下载
    分享到微信 分享到微博 分享到QQ空间

    光伏安装工程质量{蓄电池试运(充电、放电)}验收通用标准.docx

    • 资源ID:1038721       资源大小:11.37KB        全文页数:2页
    • 资源格式: DOCX        下载积分:5金币
    快捷下载 游客一键下载
    账号登录下载
    三方登录下载: 微信开放平台登录 QQ登录
    下载资源需要5金币
    邮箱/手机:
    温馨提示:
    快捷下载时,如果您不填写信息,系统将为您自动创建临时账号,适用于临时下载。
    如果您填写信息,用户名和密码都是您填写的【邮箱或者手机号】(系统自动生成),方便查询和重复下载。
    如填写123,账号就是123,密码也是123。
    支付方式: 支付宝    微信支付   
    验证码:   换一换

    加入VIP,免费下载
     
    账号:
    密码:
    验证码:   换一换
      忘记密码?
        
    友情提示
    2、PDF文件下载后,可能会被浏览器默认打开,此种情况可以点击浏览器菜单,保存网页到桌面,就可以正常下载了。
    3、本站不支持迅雷下载,请使用电脑自带的IE浏览器,或者360浏览器、谷歌浏览器下载即可。
    4、本站资源下载后的文档和图纸-无水印,预览文档经过压缩,下载后原文更清晰。
    5、试题试卷类文档,如果标题没有明确说明有答案则都视为没有答案,请知晓。

    光伏安装工程质量{蓄电池试运(充电、放电)}验收通用标准.docx

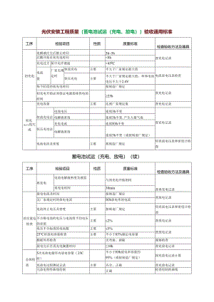
    光伏安装工程质量蓄电池试运(充电、放电)验收通用标准工序检验项目性质质量标准检查验收方法及器具初充电电解液注完后静止时间3h5h查充电记录注酸开始至初充电时间<8h允电过才屋中允许液温<45C电流值厂家无规定时恒流充电主要不大于厂家规定最大值电流表电压表检查恒压充电主要不大于厂家规定最大值,单体电池电压不大干2.4V每个阶段的初充电时间按制造厂规定查充电记录初充电开始必须保证电源连续供电的时间25h初充rfc»<甩兀成充电容量主要达到厂家规定值查充电记录恒流充电法电池电压连续3h不变查充电记录电解液密度连续3h不变.产生大量气泡恒压充电法充电电流连续IOh不变电解液密度连续3h不变(或按制造厂规定)电池电匝及密度主要按制造厂规定用直流电压表和密度计检查蓄电池试运(充电、放电)(续)工序检验项目性质质量标准检查验收方法及器具再充电电池电解液密度及液面与初充电开始相同查再充电记录再充电时间30min首次放电检查放电电流及时间按制造厂规定查放电记录无厂家规定时的放电电流IOh放电率的电流电池终止电压及密度主要按制造厂规定用直流电压表和密度计检查不合格电池的电压与电池组平均电压的差值主要2%查放电记录电压不合标准的电池数主要5%查放电记录25时放电容量检查主要不小于85%额定电容量极板外形检查无弯曲、剥脱观察检查放电完后至再充电搁置时间10h查充放电记录总体检查5次充放电循环内放电容量(25C时)不小于IOh放电率容量的95%(或按制造厂规定)按充放电记录计算充放电过程测试记录主要齐全、正确查充放电记录亢放电特性曲线绘制正确检查绘制的曲线工序检验项目性质质量标准检查验收方法及器具特性曲线检查与厂家特性曲线相似核对曲线

    注意事项

    本文(光伏安装工程质量{蓄电池试运(充电、放电)}验收通用标准.docx)为本站会员(p**)主动上传,第壹文秘仅提供信息存储空间,仅对用户上传内容的表现方式做保护处理,对上载内容本身不做任何修改或编辑。 若此文所含内容侵犯了您的版权或隐私,请立即通知第壹文秘(点击联系客服),我们立即给予删除!

    温馨提示:如果因为网速或其他原因下载失败请重新下载,重复下载不扣分。




    关于我们 - 网站声明 - 网站地图 - 资源地图 - 友情链接 - 网站客服 - 联系我们

    copyright@ 2008-2023 1wenmi网站版权所有

    经营许可证编号:宁ICP备2022001189号-1

    本站为文档C2C交易模式,即用户上传的文档直接被用户下载,本站只是中间服务平台,本站所有文档下载所得的收益归上传人(含作者)所有。第壹文秘仅提供信息存储空间,仅对用户上传内容的表现方式做保护处理,对上载内容本身不做任何修改或编辑。若文档所含内容侵犯了您的版权或隐私,请立即通知第壹文秘网,我们立即给予删除!

    收起
    展开