欢迎来到第壹文秘! | 帮助中心 分享价值,成长自我!
第壹文秘
全部分类
  • 幼儿/小学教育>
  • 中学教育>
  • 高等教育>
  • 研究生考试>
  • 外语学习>
  • 资格/认证考试>
  • 论文>
  • IT计算机>
  • 法律/法学>
  • 建筑/环境>
  • 通信/电子>
  • 医学/心理学>
  • ImageVerifierCode 换一换
    首页 第壹文秘 > 资源分类 > DOCX文档下载
    分享到微信 分享到微博 分享到QQ空间

    机械加工工艺企业安全生产标准规范合规指引.docx

    • 资源ID:1035857       资源大小:9.59KB       
    • 资源格式: DOCX        下载积分:5金币
    快捷下载 游客一键下载
    账号登录下载
    三方登录下载: 微信开放平台登录 QQ登录
    下载资源需要5金币
    邮箱/手机:
    温馨提示:
    快捷下载时,如果您不填写信息,系统将为您自动创建临时账号,适用于临时下载。
    如果您填写信息,用户名和密码都是您填写的【邮箱或者手机号】(系统自动生成),方便查询和重复下载。
    如填写123,账号就是123,密码也是123。
    支付方式: 支付宝    微信支付   
    验证码:   换一换

    加入VIP,免费下载
     
    账号:
    密码:
    验证码:   换一换
      忘记密码?
        
    友情提示
    2、PDF文件下载后,可能会被浏览器默认打开,此种情况可以点击浏览器菜单,保存网页到桌面,就可以正常下载了。
    3、本站不支持迅雷下载,请使用电脑自带的IE浏览器,或者360浏览器、谷歌浏览器下载即可。
    4、本站资源下载后的文档和图纸-无水印,预览文档经过压缩,下载后原文更清晰。
    5、试题试卷类文档,如果标题没有明确说明有答案则都视为没有答案,请知晓。

    机械加工工艺企业安全生产标准规范合规指引.docx

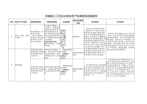
    机械加工工艺企业安全生产标准规范合规指引序号场所/环节/部位监督检查事项主要防范措施标准依据易发生的事故类型执法依据处罚条款1车床、钱床、铿床和钻床防护罩缺损,自动进刀手柄(轮)无弹出防护装置,导致设备部件和加工件飞出伤人的情况。有可能造成缠绕、或人晟卷入、刺割等危险的运动部件和传动装置应设置防护罩,防护罩的安全距离应唇合机械安全防止上下肢触及危险区的安全距离(GB/T23821-2022)的相关规定,并确保有效。削防术GB04)l切全技,20工属安用>0-2.金床通件765.机护条15第条机械伤害中华人民共和国安全生产法第四十一条第二款生产经营单位应当建立健全并落实生产安全事故隐患排查治理制度,采取技术、管理措施,及时发现并消除事故隐患。事故隐患排查治理情况应当如实记录,并通过职工大会或者职工代表大会、信息公示栏等方式向从业人员通报。其中,重大事故隐患排查治理情况应当及时向负有安全生产监督管理职责的部门和职工大会或者职工代表大会报告。中华人民共和国安全生产法第一百零二条生产经营单位未采取措施消除事故隐患的,责令立即消除或者限期消除,处五万元以下的罚款;生产经营单位拒不执行的,责令停产停业整顿,对其直接负责的主管人员和其他直接责任人员处五万元以上十万元以下的罚款:构成犯罪的,依照刑法有关规定追究刑事责任。2磨削机械砂轮有裂纹或防护罩缺损,导致破碎的砂轮飞出伤人的情况。砂轮防护罩应将砂轮、砂轮卡盘和砂轮主轴端部罩住,防护罩钢板应具有一定的强度。磨削机械安全规程(GB4674-2009)第3.5.1条机械伤害物体打击砂轮有裂纹或防护罩缺损,导致破碎的砂轮飞出伤人的情况。砂轮安装前应进行检查,如发现砂轮有裂纹或其他损伤严禁使用。磨削机械安全规程(GB4674-2009)第3.1.2条机械伤害物体打击上海市安全生产条例第五十六条生产经营单位及其有关负责人或者其他人员不得从事下列行为:(一)违反操作规程或者安全管理规定从事作业;上海市安全生产条例第八十八条生产经营单位及其有关负责人或者其他人员违反本条例第五十六条第一项至第五项的规定,从事禁止行为的,由负有安全生产监督管理职责的部门责令改正,对生产经营单位处以一万元以上五万元以下的罚款,对其有关负责人和其他直接责任人员处以一千元以上一万元以下的罚款。

    注意事项

    本文(机械加工工艺企业安全生产标准规范合规指引.docx)为本站会员(p**)主动上传,第壹文秘仅提供信息存储空间,仅对用户上传内容的表现方式做保护处理,对上载内容本身不做任何修改或编辑。 若此文所含内容侵犯了您的版权或隐私,请立即通知第壹文秘(点击联系客服),我们立即给予删除!

    温馨提示:如果因为网速或其他原因下载失败请重新下载,重复下载不扣分。




    关于我们 - 网站声明 - 网站地图 - 资源地图 - 友情链接 - 网站客服 - 联系我们

    copyright@ 2008-2023 1wenmi网站版权所有

    经营许可证编号:宁ICP备2022001189号-1

    本站为文档C2C交易模式,即用户上传的文档直接被用户下载,本站只是中间服务平台,本站所有文档下载所得的收益归上传人(含作者)所有。第壹文秘仅提供信息存储空间,仅对用户上传内容的表现方式做保护处理,对上载内容本身不做任何修改或编辑。若文档所含内容侵犯了您的版权或隐私,请立即通知第壹文秘网,我们立即给予删除!

    收起
    展开