欢迎来到第壹文秘! | 帮助中心 分享价值,成长自我!
第壹文秘
全部分类
  • 幼儿/小学教育>
  • 中学教育>
  • 高等教育>
  • 研究生考试>
  • 外语学习>
  • 资格/认证考试>
  • 论文>
  • IT计算机>
  • 法律/法学>
  • 建筑/环境>
  • 通信/电子>
  • 医学/心理学>
  • ImageVerifierCode 换一换
    首页 第壹文秘 > 资源分类 > DOCX文档下载
    分享到微信 分享到微博 分享到QQ空间

    机械制图与典型零部件测绘 习题答案 第2章习题答案.docx

    • 资源ID:1035825       资源大小:734.31KB        全文页数:18页
    • 资源格式: DOCX        下载积分:5金币
    快捷下载 游客一键下载
    账号登录下载
    三方登录下载: 微信开放平台登录 QQ登录
    下载资源需要5金币
    邮箱/手机:
    温馨提示:
    快捷下载时,如果您不填写信息,系统将为您自动创建临时账号,适用于临时下载。
    如果您填写信息,用户名和密码都是您填写的【邮箱或者手机号】(系统自动生成),方便查询和重复下载。
    如填写123,账号就是123,密码也是123。
    支付方式: 支付宝    微信支付   
    验证码:   换一换

    加入VIP,免费下载
     
    账号:
    密码:
    验证码:   换一换
      忘记密码?
        
    友情提示
    2、PDF文件下载后,可能会被浏览器默认打开,此种情况可以点击浏览器菜单,保存网页到桌面,就可以正常下载了。
    3、本站不支持迅雷下载,请使用电脑自带的IE浏览器,或者360浏览器、谷歌浏览器下载即可。
    4、本站资源下载后的文档和图纸-无水印,预览文档经过压缩,下载后原文更清晰。
    5、试题试卷类文档,如果标题没有明确说明有答案则都视为没有答案,请知晓。

    机械制图与典型零部件测绘 习题答案 第2章习题答案.docx

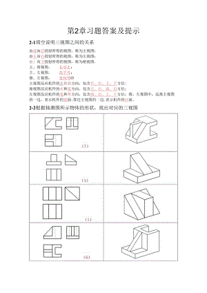
    第2章习题答案及提示2-1填空说明三视图之间的关系由前向后投射所得的视图,称为主视图;由左向右投射所得的视图,称为左视图;由向下投射所得的视图,称为俯视图。主、俯视图,长对正;主、左视图,高平齐;俯、左视图,宽相等O主视图反应机件的长和高方向,包含左、右、上、下方位:俯视图反应机件的长和宽方向,包含左、右、前、后方位;左视图反应机件的宽和鼻方向,包含前、后、上、下方位;俯、左视图中,远离主视图的一边,表示机件的前面;靠近主视图的一边,表示机件的后面。2-2根据轴测图所示物体的形状,找出对应的三视图2-3根据给出的轴测图,补画三视图中缺少的图线2-4根据轴测图绘制三视图作图要点提示:D首先要确定出主视方向.通常选择比较大的尺寸作为左右方向(即长度):2)按照主视方向画出主视图的轮廓线(看到的可见形状),尺寸从轴测图中直接量取;3)按照三视图的三等关系画出俯视图和左视图的轮廓线;4)再考虑内部结构和被遮住的结构,补画虚线;注意:对称的图形应画出对称线;孔的圆投影应画出中心线,非圆投影应画出轴线。(1)(4)(5)或者将右部方槽视为仅通到内部即可:(12)将后面和下面的方槽视为同尺寸(以测量为准):或者将后面和下面的方槽槽宽尺寸视为不同(以测量为准):2-5点、线、面、体的投影(1)(相交)(平行)第四小题的第二种判断方法:(交叉)线线线线线线(4)SA是一一般位置直SB是侧平SC是一一股信置宜.AB是水平BC是一水平AC是侧垂(6)(7)2-7已知回转体被平面截切,求作截切后的三面投影(1)(2)2-8求作相贯线,要求保留作图辅助线作图思路提示:1、先做特殊点:最高、最低、最左、最右点;2、再做几个中间点:应用辅助平面法,根据圆柱投影的积聚性找出两圆柱表面的共有点;3、判断可见:性,光滑连接各点。作图思路提示:1、先做特殊点:最高、最低、最左、最右点(最大轮廓交点);2、再做几个中间点:应用辅助平而法,找出圆柱表面素线与圆锥上纬圆的交点,即为两表面的共有点;3、判断可见性,光滑连接各点。作图思路与上题类似,适当多做几个中间点。简化画法提示:根据圆柱之间的直径关系判断相贯线形状,两直径相同时相贯线投影为直线,连接轮廓交点即可;直径不同时,相贯线为曲线,并向大圆柱的轴线弯曲。2-9已知主、俯视图,选择正确的左视图2-10根据三视图绘制正等轴测图或斜二测轴测图(1)(2)2-11用AutoCAD抄画给出的视图并补画出第三个视图;用AutoCAD绘制出正等轴测图(1)(2)

    注意事项

    本文(机械制图与典型零部件测绘 习题答案 第2章习题答案.docx)为本站会员(p**)主动上传,第壹文秘仅提供信息存储空间,仅对用户上传内容的表现方式做保护处理,对上载内容本身不做任何修改或编辑。 若此文所含内容侵犯了您的版权或隐私,请立即通知第壹文秘(点击联系客服),我们立即给予删除!

    温馨提示:如果因为网速或其他原因下载失败请重新下载,重复下载不扣分。




    关于我们 - 网站声明 - 网站地图 - 资源地图 - 友情链接 - 网站客服 - 联系我们

    copyright@ 2008-2023 1wenmi网站版权所有

    经营许可证编号:宁ICP备2022001189号-1

    本站为文档C2C交易模式,即用户上传的文档直接被用户下载,本站只是中间服务平台,本站所有文档下载所得的收益归上传人(含作者)所有。第壹文秘仅提供信息存储空间,仅对用户上传内容的表现方式做保护处理,对上载内容本身不做任何修改或编辑。若文档所含内容侵犯了您的版权或隐私,请立即通知第壹文秘网,我们立即给予删除!

    收起
    展开