欢迎来到第壹文秘! | 帮助中心 分享价值,成长自我!
第壹文秘
全部分类
  • 幼儿/小学教育>
  • 中学教育>
  • 高等教育>
  • 研究生考试>
  • 外语学习>
  • 资格/认证考试>
  • 论文>
  • IT计算机>
  • 法律/法学>
  • 建筑/环境>
  • 通信/电子>
  • 医学/心理学>
  • ImageVerifierCode 换一换
    首页 第壹文秘 > 资源分类 > DOCX文档下载
    分享到微信 分享到微博 分享到QQ空间

    “两区三厂”标识标牌参照表.docx

    • 资源ID:1033495       资源大小:19.83KB        全文页数:6页
    • 资源格式: DOCX        下载积分:5金币
    快捷下载 游客一键下载
    账号登录下载
    三方登录下载: 微信开放平台登录 QQ登录
    下载资源需要5金币
    邮箱/手机:
    温馨提示:
    快捷下载时,如果您不填写信息,系统将为您自动创建临时账号,适用于临时下载。
    如果您填写信息,用户名和密码都是您填写的【邮箱或者手机号】(系统自动生成),方便查询和重复下载。
    如填写123,账号就是123,密码也是123。
    支付方式: 支付宝    微信支付   
    验证码:   换一换

    加入VIP,免费下载
     
    账号:
    密码:
    验证码:   换一换
      忘记密码?
        
    友情提示
    2、PDF文件下载后,可能会被浏览器默认打开,此种情况可以点击浏览器菜单,保存网页到桌面,就可以正常下载了。
    3、本站不支持迅雷下载,请使用电脑自带的IE浏览器,或者360浏览器、谷歌浏览器下载即可。
    4、本站资源下载后的文档和图纸-无水印,预览文档经过压缩,下载后原文更清晰。
    5、试题试卷类文档,如果标题没有明确说明有答案则都视为没有答案,请知晓。

    “两区三厂”标识标牌参照表.docx

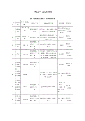
    “两区三厂”标识标牌参照表表B.1驻地建设主要标识、标牌制作标准序号标识牌名称尺寸(长X宽,cm)颜色、字体标识内容及要求设置位置使用单位1指路标志牌300×120(竖牌)蓝框白底蓝字,反光标明方向、(通往XX总监办或XX经理部)、里程等内容通往总监办或经理部的主要路口处总监办、经理部2项目名称牌25O×35(竖牌)白底黑字、宋体建设项目名称及标段名称(与公章相同),党支部的规格与上相同,红字驻地大门总监办、经理部3组织机构图120×150标题栏蓝色、白底黑字、不小于40号、宋体组织机构、各级负责人职务、姓名会议室总监办、经理部4公示牌250×200标题栏蓝色、白底黑字、不小于40号、宋体项目简介、项目管理单位、设计单位、监理单位、施工单位、监督机构名称及联系电话,质量目标、工期目标等驻地院内总监办、经理部5驻地平面布置图、项目平面图250×200标题栏蓝色、白底黑字、宋体驻地院内总监办、经理部6各专项领导小组组织机构图80×60主要包括(十二公开、综合治理、劳务工工资管理、矛盾排解、安全等)会议室或办公室总监办、经理部7管理制度牌、岗位职责牌、廉政制度、操作规程80×60标题栏蓝色、白底黑字、宋体要求在牌底部有单位名称办公室(经理部);办公室、试验室(总监办)。总监办、经理部8质量、安全、环保保证体系120×150标题栏蓝色、白底黑字、不小于40号、宋体组织结构、各级负责人职务、姓名会议室或办公室总监办、经理部序号标识牌名称尺寸(长X宽,Cm)颜色、字体标识内容及要求设置位置使用单位9路线平纵面图475×150彩绘应标识出总监办、项目经理部、拌和厂、预制厂、主要施工便道位置(总监办);应标识出项目经理部、拌和厂、预制厂、主要施工便道位置(经理部)。会议室总监办、经理部10工程形象进度图500×120标题栏蓝色、白底黑字、宋体形象进度图应细化至每一结构部位会议室或工程部总监办、经理部11晴雨表60x80白底黑字、宋体购买成品的不限于此工程部总监办、经理部12工程管理曲线80x120标题栏蓝色、白底黑字、宋体工程部总监办、经理部13网络计划图、总体工期目标120×200标题栏蓝色、白底黑字、宋体工程部总监办、经理部14安全警示牌购买国家统一的标准警示牌经辨识评价的危险设备和区域内总监办、经理部15胸牌12×8标题栏蓝色、白底黑字、宋体标题栏标明项目名称,下贴照片,再下注明标段、姓名、职务、编号。总监办、经理部16桌牌15×10标题栏蓝色、白底黑字、宋体标题栏标明项目名称,下贴照片,再下注明标段、姓名、职务、编号。办公桌总监办17门牌12×28白底黑字、宋体-各办公室门上总监办、经理部18宣传栏120×240(单窗)根据内容可设置多窗,离地80cm,采用不锈钢制作,设遮雨棚驻地院内总监办、经理部19消防保卫牌250×200蓝底白字底部应标有火警电话会议室或驻地院内总监办、经理部表B.2钢筋加工厂标识标牌标准标识名称尺寸(长X宽,Cm)颜色、字体要求标识内容及要求设置位置加工厂标识牌2()0X120黑字、宋体项目名称及标段名称(与公章相同)+第XX号钢筋加工厂驻地大门立柱安全警告警示牌按国标制作相应位置分区标识牌60X90各功能区的醒目位置加工厂简介牌200X150蓝底白字钢筋加工的数量、供应主要构造物情况及质量、安全保障体系等场地入口处材料标识牌60X90蓝底白字材料名称、产地、规格型号、生产日期、出产批号、进场日期、检验状态、进场数量等原材料堆放区操作规程标识牌60X90蓝底白字各机械设备操作要求机械设备旁钢筋大样图60X90蓝底白字各种型号钢筋大样图钢筋制作区检验标识牌60X90蓝底白字材料名称、使用部位、检验状态等半成品、成品堆放区醒目位置注1:本表中各标识标牌的尺寸、字体、颜色、标识内容以及设置位置仅做参考,各项目可作相应调整。表B.3拌和厂标识标牌标准标识名称尺寸(长X宽,Cm)颜色、字体要求标识内容及要求设置位置拌和厂简介牌200×150蓝底白字拌和的数量、供应主要构造物情况及质量、安全保障体系等场地入口处混凝土配合比牌150×120蓝底白字混凝土设计与施工配合比(含外加剂)、各种材料的每盘使用量等拌和楼旁材料标识牌40X30蓝底白字材料名称、产地、规格型号、生产日期、生产批号、进场日期、检验状态、检验单编号、进场数量、使用单位等水泥罐、储料仓、库房等处操作规程60X90蓝底白字各机械设备操作要求机械设备旁配料斗标识牌40X30蓝底白字配料斗编号、规格型号各个配料斗安全警告警示牌按国标制作相应位置八牌一图250X200注1:本表中各标识标牌的尺寸、字体、颜色、标识内容以及设置位置仅做参考,各项目可作相应调整。表B.4预制厂1标识标牌标准标识名称尺寸(长X宽,Cm)颜色、字体要求标识内容及要求设置位置预制厂标识牌200X120黑字、宋体项目名称及标段名称(与公章相同)+第XX号预制梁厂驻地大门立柱预制厂简介牌200X150蓝底白字预制梁板的数量、供应主要构造物情况及质量、安全保障体系等场地入口处施工平面布置图80X60蓝底白字场内工艺流程图80X60蓝底白字预制、张拉、压浆工艺流程相应操作处操作规程80X60蓝底白字各机械设备操作要求机械设备旁材料标识牌60X50蓝底白字材料堆放处混凝土配合比牌150×120蓝底白字拌和楼旁钢筋大样图60X90蓝底白字所有加工钢筋的尺寸、型号及使用部位等钢筋(半)成品旁安全警告警示牌按国标制作各作业点喷涂标识红色油漆部位编号、施工单位、监理单位、浇筑日期、张拉日期、压浆日期等信息半成品、成品侧面八牌一图250X200注1:本表中各标识标牌的尺寸、字体、颜色、标识内容以及设置位置仅做参考,各项目可作相应调整。表B.5九牌一图标准标识名称尺寸(长X宽,cm)颜色、字体要求标识内容及要求设置位置工程概况牌250X200项目简介、主要生产任务醒目位置管理人员名单及监督电话牌25O×2OO项目组织机构和相关负责人员醒目位置质量保证牌250X200结合工点施工内容,质量管理措施等醒目位置安全生产牌250×200安全管理制度或措施等醒目位置消防保卫牌250X200消防、保卫管理制度或措施等醒目位置文明施工牌250X200结合工点施工内容,文明施工制度或措施等醒目位置风险告知牌250×200现场及作业工种存在的危害因素和预控措施等醒目位置安全警示牌250×200安全警告、禁止、指令标牌图片、定义等醒目位置施工现场布置图250×200施工现场的布置图示,注明位置、面积、功能醒目位置项目文化理念250X200项目管理理念、经营理念、核心理念醒目位置表B.6工程施工告示牌XX工程XX合同施工告示牌工程名称项目管理理念起讫桩号建设单位设计单位施工单位监理单位监督单位工程工期项目经理技术负责人安全负责人试验负责人监督电话工程建设期间,欢迎社会各界予以监督

    注意事项

    本文(“两区三厂”标识标牌参照表.docx)为本站会员(p**)主动上传,第壹文秘仅提供信息存储空间,仅对用户上传内容的表现方式做保护处理,对上载内容本身不做任何修改或编辑。 若此文所含内容侵犯了您的版权或隐私,请立即通知第壹文秘(点击联系客服),我们立即给予删除!

    温馨提示:如果因为网速或其他原因下载失败请重新下载,重复下载不扣分。




    关于我们 - 网站声明 - 网站地图 - 资源地图 - 友情链接 - 网站客服 - 联系我们

    copyright@ 2008-2023 1wenmi网站版权所有

    经营许可证编号:宁ICP备2022001189号-1

    本站为文档C2C交易模式,即用户上传的文档直接被用户下载,本站只是中间服务平台,本站所有文档下载所得的收益归上传人(含作者)所有。第壹文秘仅提供信息存储空间,仅对用户上传内容的表现方式做保护处理,对上载内容本身不做任何修改或编辑。若文档所含内容侵犯了您的版权或隐私,请立即通知第壹文秘网,我们立即给予删除!

    收起
    展开