欢迎来到第壹文秘! | 帮助中心 分享价值,成长自我!
第壹文秘
全部分类
  • 幼儿/小学教育>
  • 中学教育>
  • 高等教育>
  • 研究生考试>
  • 外语学习>
  • 资格/认证考试>
  • 论文>
  • IT计算机>
  • 法律/法学>
  • 建筑/环境>
  • 通信/电子>
  • 医学/心理学>
  • ImageVerifierCode 换一换
    首页 第壹文秘 > 资源分类 > DOCX文档下载
    分享到微信 分享到微博 分享到QQ空间

    工资提成 2017~2018.docx

    • 资源ID:1016160       资源大小:12.43KB        全文页数:3页
    • 资源格式: DOCX        下载积分:5金币
    快捷下载 游客一键下载
    账号登录下载
    三方登录下载: 微信开放平台登录 QQ登录
    下载资源需要5金币
    邮箱/手机:
    温馨提示:
    快捷下载时,如果您不填写信息,系统将为您自动创建临时账号,适用于临时下载。
    如果您填写信息,用户名和密码都是您填写的【邮箱或者手机号】(系统自动生成),方便查询和重复下载。
    如填写123,账号就是123,密码也是123。
    支付方式: 支付宝    微信支付   
    验证码:   换一换

    加入VIP,免费下载
     
    账号:
    密码:
    验证码:   换一换
      忘记密码?
        
    友情提示
    2、PDF文件下载后,可能会被浏览器默认打开,此种情况可以点击浏览器菜单,保存网页到桌面,就可以正常下载了。
    3、本站不支持迅雷下载,请使用电脑自带的IE浏览器,或者360浏览器、谷歌浏览器下载即可。
    4、本站资源下载后的文档和图纸-无水印,预览文档经过压缩,下载后原文更清晰。
    5、试题试卷类文档,如果标题没有明确说明有答案则都视为没有答案,请知晓。

    工资提成 2017~2018.docx

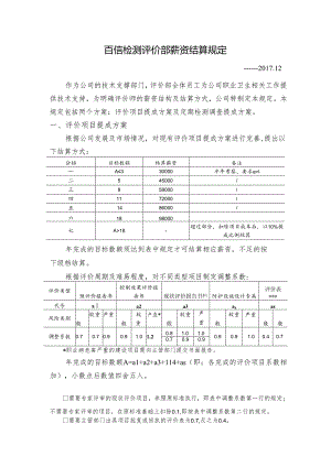
    百信检测评价部薪资结算规定2017.12作为公司的技术支撑部门,评价部全体员工为公司职业卫生相关工作提供技术支持,为明确评价师的薪资结构及结算方式,公司特制定本规定。本规定包括两个方案:评价项目提成方案及定期检测调查提成方案。一、评价项目提成方案根据公司发展及市场情况,对现有评价项目提成方案进行完善,提出以下结算方式:分档目标数额结算薪资备注A330000半年考察,要求a>l二545000/三858000/四1172000/五1486000/六1898000七A>18-超过部分,扣除项目成本后,以10%提成比例结算年完成的目标数额须达到表中规定才可结算相应薪资,不足的按下级档结算。根据评价周期及难易程度,对不同类型项目制定调整系数:评价类型预评价报告书控制效果评价报告书现状评价报告书需要专家评审的现状评价项目,参照原标准执行,即表中调整系数第一行的规定;不需要专家评审的项目,在原标准基础上扣除0.1,即按表中调整系数第二行的规定。需要主管部门出具项目批复或回执的评价表为0.7,反之为0.4。防护设施设计专篇评价表*代号aa2a3a4as风险类别般较重严重般较重产直*般较重严重般较重严重般般调整系数0.70.70.90.91.01.20.81.01.00.90.91.00.40.70.70.90.9*职业病危害严重的建设项目需向主管部门提交书面报告。年完成的目标数额A=a1+a2+a3+114+as(即:各完成的评价项目系数相加),小数点后数值四舍五入。项目完成情况以项目合同相应条款的规定为准。二、定期检测调查提成方案根据江苏省工作场所职业病危害因素检测工作规范(苏安监规(2017)4号)等相关法律法规的要求,职业病危害定期检测工作日趋规范化,为保证职业病危害因素辨识的针对性、全面性,定期检测调查工作需要由具备一定专业知识能力的专业技术人员来承担,因此本着按劳分配的原则,对于评价师开展的定期检测调查工作,公司制定以下提成方案:1、检测合同/协议金额3000人民币,由项目负责人独立完成调查工作;2、检测合同/协议金额3000人民币,项目负责人通知评价主任,由评价主任安排评价师开展全面定期检测调查。项目合同额去除虚有部分,按0.5%提成给参与调查的评价师;如所调查的项目以往已开展过全面定期检测,该次定期检测仅有部分岗位/检测项目变动,按1%提成给参与调查的评价师。

    注意事项

    本文(工资提成 2017~2018.docx)为本站会员(p**)主动上传,第壹文秘仅提供信息存储空间,仅对用户上传内容的表现方式做保护处理,对上载内容本身不做任何修改或编辑。 若此文所含内容侵犯了您的版权或隐私,请立即通知第壹文秘(点击联系客服),我们立即给予删除!

    温馨提示:如果因为网速或其他原因下载失败请重新下载,重复下载不扣分。




    关于我们 - 网站声明 - 网站地图 - 资源地图 - 友情链接 - 网站客服 - 联系我们

    copyright@ 2008-2023 1wenmi网站版权所有

    经营许可证编号:宁ICP备2022001189号-1

    本站为文档C2C交易模式,即用户上传的文档直接被用户下载,本站只是中间服务平台,本站所有文档下载所得的收益归上传人(含作者)所有。第壹文秘仅提供信息存储空间,仅对用户上传内容的表现方式做保护处理,对上载内容本身不做任何修改或编辑。若文档所含内容侵犯了您的版权或隐私,请立即通知第壹文秘网,我们立即给予删除!

    收起
    展开