欢迎来到第壹文秘! | 帮助中心 分享价值,成长自我!
第壹文秘
全部分类
  • 幼儿/小学教育>
  • 中学教育>
  • 高等教育>
  • 研究生考试>
  • 外语学习>
  • 资格/认证考试>
  • 论文>
  • IT计算机>
  • 法律/法学>
  • 建筑/环境>
  • 通信/电子>
  • 医学/心理学>
  • ImageVerifierCode 换一换
    首页 第壹文秘 > 资源分类 > DOCX文档下载
    分享到微信 分享到微博 分享到QQ空间

    35KV开关试验综合项目.docx

    • 资源ID:1014488       资源大小:40.24KB        全文页数:11页
    • 资源格式: DOCX        下载积分:5金币
    快捷下载 游客一键下载
    账号登录下载
    三方登录下载: 微信开放平台登录 QQ登录
    下载资源需要5金币
    邮箱/手机:
    温馨提示:
    快捷下载时,如果您不填写信息,系统将为您自动创建临时账号,适用于临时下载。
    如果您填写信息,用户名和密码都是您填写的【邮箱或者手机号】(系统自动生成),方便查询和重复下载。
    如填写123,账号就是123,密码也是123。
    支付方式: 支付宝    微信支付   
    验证码:   换一换

    加入VIP,免费下载
     
    账号:
    密码:
    验证码:   换一换
      忘记密码?
        
    友情提示
    2、PDF文件下载后,可能会被浏览器默认打开,此种情况可以点击浏览器菜单,保存网页到桌面,就可以正常下载了。
    3、本站不支持迅雷下载,请使用电脑自带的IE浏览器,或者360浏览器、谷歌浏览器下载即可。
    4、本站资源下载后的文档和图纸-无水印,预览文档经过压缩,下载后原文更清晰。
    5、试题试卷类文档,如果标题没有明确说明有答案则都视为没有答案,请知晓。

    35KV开关试验综合项目.docx

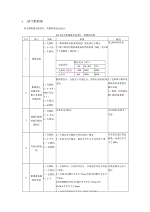
    5. 3真空断路器真空断路器实验项目、周期和原则见表5-3表5-3真空断路器实验项目、周期和原则序号项目周期原则阐明1绝缘电阻1)交接时;2)13年;3)大修后;1)整体绝缘电阻参照制造厂规定或自行规定2)断口和有机物制成提高杆绝缘电阻(MQ)不应低于下表数值(20tC时):用250OV兆欧表实验类别额定电压(KV)<242440.572.5交接时大修后120030005000运营中300100030002断路器主回路对地、断口及相间交流耐压1)交接时;2)13年(35KV及如下);3)大修后;4)必要时断路器在分、合状态下分别进行,实验电压值按G规定值1)更换或干燥后绝缘提高杆必要进行耐压实验2)相间、相对地及断口耐压值相似3辅助回路和控制回路交流耐压1)交接时;2)13年;3)大修后;实验电压为IKV可用500V兆欧表代替4导电回路电阻1)交接时;2)13年3 )大修后;4 )必要时;1)大修后及交接时应符合制造厂规定2)运营中自行规定,建议不不不大于1.2倍出厂值应采用直流压降法测量,电流应不不大于1005断路器机械特性实验1)交接时;2 )大修后;3 )必要时;4)131)合闸时间、分闸时间及分、合闸速度应符合制造厂规定。2)分闸不同期不不不大于2ms,合闸不同期不不不大于3ms«3和闸弹跳时间对于12KV不不不大于2ms,对于40.5KV不不不大于3mso4)分闸反弹幅值不不不大于触头开距20%在额定操作电压下进行年;6灭弧室触头开距及超行程1)交接时;2)13年;3)大修后;应符合制造厂规定7操动机构合闸接角器及分、合闸电磁铁最低动作电压1)交接时:2)13年;3)大修后:1)并联合闸脱扣器应能在其交流额定电压85%110%范畴或直流额定电压80%110舟范畴内可匏动作;并联分闸脱扣器应能在其额定电源电压65%120%范畴内可靠动作,当电源电压低至额定值30%或更低时不应脱扣。2)在使用电磁机构时,合闸电磁铁线圈端电压为操作电压额定值80%(关合电流峰值不不大于50kA时为85%)时应可靠动作采用突然加压法8合闸接角器和分、合闸电磁铁线圈直流电阻和绝缘电阻1)交接时;2)更换线圈后:3)必要时;1)直流电阻应符合制造厂规定2)绝缘电阻不不大于IMQ用1000V兆欧表9灭孤室真空度测试1)交接时;2)13年;3)大修后;灭孤室真空度应符合制厂规定有条件时进行5.2高压开关柜5.3高压开关柜实验项目、周期和原则见表54。表54高压开关柜实验项目、周期和原则序号项目周期原则1辅助回路和控制回路绝缘电阻1)交接时:2)13年;3)大修后:绝缘电阻不低于IMQ用1000V兆欧表测量2辅助回路和控制回路交流耐压1)交接时;2)大修后:实验电压为IkV可用250OV兆欧表测绝缘电阻代替3操动机构合闸接触器及分合闸电磁铁最低动作电压1)交接时;2)机构大修后D并联合闸脱扣器应能在其交流额定电压80"110%范畴内或直流额定电压80%110%范畴内可靠动作;并联分闸脱扣器应能在其额定电源电压65%120%范畴内可靠动作,当电源电压低至额定值30%或更低时不应脱扣2)在使用电磁机构时,合闸电磁铁线圈端电压为操作电压额定值80%(关合峰值电流不不大于50KA时为85%)时应可靠动作。采用突然加压法4合闸接触器和分、合闸电磁铁线圈直流电阻和绝缘电阻1)交接时;2)13年;3)大修后;1)电阻应符合制造厂规定2)绝缘电阻不不大于IM用100OV兆欧表测绝缘电阻5断路器速度特性、时间特性及其他规定1)交接时;2)大修后3)必要时依照断路型式,应分别符合5.1、5.2、5.3条中关于规定6绝缘电阻1)交接时;2)13年;(12kV及如下):3)大修后应符合制造厂规定在交流耐压实验前、分别进行7交流耐压1)交接时:2)13年;(12kV及如下):3)大修后实验电压值按附录G规定1)施加方式;合闸时各相对地及相间,分闸时各断口间2)相间、相对地及断口间实验电压值8检查电压抽取(带电显示)装置1)交接时;2)大修后;3)必要时;应符合行业原则D1./T583-93高压带电显示装置技术条件9灭孤室真空度测试1)交接时;2)13年;3)大修后;灭孤室真空度应符合制造厂规定有条件时进行10开关柜中断路器、隔离1)交接时;1)交接时和大修后应符合制造厂规定2)运营中不应不不大于制造厂规定值1.5倍。隔离开关和隔离插头回路电阻在有条开关及隔离插头导电回路电阻2)13年;3)大修后;件时进行测量11五防性能检查1)交接时;2)13年;3)大修后;应符合制造厂规定五防指:防止误分、误合断路器;防止带负荷拉合隔离开关;防止带电(挂)合接地(线)开关;防止带接地(线)开关合断路器;防止误入带电间隔12高压开关柜中电流互感器1)交接时;2)大修后:3)必要时;见第4章4.1电流互感器4.1电流互感曙4.1.1电流互感器实验项目、周期和原则见表4一1。表4-1电流互感器实验项目、周期和原则序号项目周期原则阐明1绕组及末屏绝缘电阻D交接时、投运前:2)13年;3)大修后;4)必要时1)绕组绝缘电阻不应低于出厂值或初始值60%2)电容型电流互感器末屏对地绝缘电阻普通不低于100OMQ1)用250OV兆欧表2)测量时非被试绕组(或末屏)、外壳应接地3)500KV电流互感器具备二个一次绕组时,尚应测量一次绕组间绝缘电阻2tg及电容量1)交接时、投运前:2)13年;3)大修后;4)必要时1)主绝缘(%)不应不不大于下表中数值,且与历年数据比较,不应有明显变化:1)主绝缘实验电压为10KV,末屏对地tg实电压级别KV351102205盼II压为2KV.h纸电容型tg普:进行温度换算,当值与出厂值或上交接大修后油纸电容型充油型一0.80.6通彳充油型3.02.0tgt一次实验值比较有明胶纸电容型2.52.0显坤i长时,应综合分析与温度电压关系,.gB随温度明显变i实验电压由IOKVIUm/3Bt,tg:超过±0.3乐不应滋营。团体绝缘电流互感Z通不进行tg测运营中油纸电容型1.00.8。当化身充油型3.53.5升至胶纸电容型3.02.5继自2)电容型电流互感器主绝缘电容量与出厂值或初始值差别超过±5%时应查明因素3)当电容型电流互感器末屏对地绝缘电阻不大于100OMQ时,应测量末屏对地lg6,其值不应不不大于2%OZ器电量3UOKV及以上电流互感器油中溶解气体色谱分析1)交接时、投运前:2)13年;3)大修后:4)必要时1)交接时与制造厂实验值比较应无明显变化,且不应具有C2H22)运营中油中溶解气体组合分含量超过下列任一值时应引起注意总烧:10OPI/I比:150I/IC:2I/I(IIOKV级)1I/I(220500KV级)全密封电流互感器按制造厂规定进行4IlOKV级以上电流互感器油中含水量1)交接时;2)大修后;3)必要时油中微量水含量不应不不大于下表中物值:全密封电流互感按制造厂规定进行电压级别KV110220500水份mg/12015105交流耐压1)交接时(35KV及如下)2)15年一次(35KV如下);3)大修后4)必要时1)一次绕组交流耐压原则见附表G2)二次绕组之间及对地为2KV3)所有更换绕组绝缘后,应按出厂值进行二次绕组交流耐压可用250OV兆欧表测绝缘电阻代替6局部放电1) 35KV固体绝缘电流互感器:a)交接时:b)投运后3年内;C)必要时。2) IlOKV及以上油侵电流互感器a)交接时:b)大修后;C)必要时:1)固体绝缘电流互感器在电压为1.2UmJ3时放电量:交接时不不不大于20pC°在电压为1.2Um时放电量:交接时不不不大于50pC2)IlOKV及以上油浸式电流互感器在电压为1.2Um3时放电时,放电量不不不大于5pC,在电压1.2Um时放电量不不不大于IOpC1)实验接线按GB55831995进行。2)IlOKV及以上油浸电流互感器交接时若有出厂实验值可不进行或只进行个别抽试。3)预加电压为出厂工频耐压值80%。测量电压在两值中任选其一进行7极性1)交接时:与铭牌标志相符2)大修后:3)必要时8各分接头变化D交接时:2)大修后:3)必要时与铭牌标志相符计量有规定期和更换绕组后应测量角、比误差,角、比误差应符合级别规定9励磁特性曲线1)交接时:2)大修后;3)必要时1)与同类型电流互感器特性曲线或制造厂特性曲线比较,应无明显差别2)多抽头电流互感器可在使用抽头或最大抽头测量测量在继电保护有规定期进行。应在曲线拐点附近至少测量56个点,对于拐点电压较高绕组,现场实验电压不超过2KV10绕组直流电阻1)交接时;2)大修后;3)必要时与出厂值或初始值比较,应无明显差别11绝缘油击穿电压D交接时(35KV及以上);2)大修后3)必要时见第10章全密封电流互感器按制造厂规定进行12绝缘油tg%1)交接时(IlOKV及1)当电流互感器Ig6较大但绝缘油其她性能正常时应进行该项实验。2)全密封电流互感器按制造厂规定进行投入运营前油运营油注入前:0.5注入后:220KV及如下1:500KV0.7213密封梅什D交接时:2)大修后:3)必要时应无渗漏油现象11避雷器11.1 阀式避雷器实验项目、周期和原则(见表IlT)表I1.I阀式避雷实验项目、周期和原则序号项目周期原则阐明1绝缘电阻D交接时;2)大修后;3)发电厂、变电所避雷器每年雷雨季前:4)35KV及1) FZ(PBC,1.D)、FCZ和FCD型避雷器绝缘电阻自行规定,但与前一次及同类测量数据进行比较,不应有明显变化。2) FS型避雷器绝缘电阻应不低于2500MQ1)用250OV及以上兆欧表。2)FZsFCZ和FCD型重要检查并联电阻通断和接触状况以上线路上避雷器13年;5)IOKV及如下线路上避雷器自行规定6)必要时2电导电流及

    注意事项

    本文(35KV开关试验综合项目.docx)为本站会员(p**)主动上传,第壹文秘仅提供信息存储空间,仅对用户上传内容的表现方式做保护处理,对上载内容本身不做任何修改或编辑。 若此文所含内容侵犯了您的版权或隐私,请立即通知第壹文秘(点击联系客服),我们立即给予删除!

    温馨提示:如果因为网速或其他原因下载失败请重新下载,重复下载不扣分。




    关于我们 - 网站声明 - 网站地图 - 资源地图 - 友情链接 - 网站客服 - 联系我们

    copyright@ 2008-2023 1wenmi网站版权所有

    经营许可证编号:宁ICP备2022001189号-1

    本站为文档C2C交易模式,即用户上传的文档直接被用户下载,本站只是中间服务平台,本站所有文档下载所得的收益归上传人(含作者)所有。第壹文秘仅提供信息存储空间,仅对用户上传内容的表现方式做保护处理,对上载内容本身不做任何修改或编辑。若文档所含内容侵犯了您的版权或隐私,请立即通知第壹文秘网,我们立即给予删除!

    收起
    展开