欢迎来到第壹文秘! | 帮助中心 分享价值,成长自我!
第壹文秘
全部分类
  • 幼儿/小学教育>
  • 中学教育>
  • 高等教育>
  • 研究生考试>
  • 外语学习>
  • 资格/认证考试>
  • 论文>
  • IT计算机>
  • 法律/法学>
  • 建筑/环境>
  • 通信/电子>
  • 医学/心理学>
  • ImageVerifierCode 换一换
    首页 第壹文秘 > 资源分类 > DOCX文档下载
    分享到微信 分享到微博 分享到QQ空间

    30高级铸造工职业技能鉴定题库试卷资料.docx

    • 资源ID:1014416       资源大小:29.83KB        全文页数:13页
    • 资源格式: DOCX        下载积分:5金币
    快捷下载 游客一键下载
    账号登录下载
    三方登录下载: 微信开放平台登录 QQ登录
    下载资源需要5金币
    邮箱/手机:
    温馨提示:
    快捷下载时,如果您不填写信息,系统将为您自动创建临时账号,适用于临时下载。
    如果您填写信息,用户名和密码都是您填写的【邮箱或者手机号】(系统自动生成),方便查询和重复下载。
    如填写123,账号就是123,密码也是123。
    支付方式: 支付宝    微信支付   
    验证码:   换一换

    加入VIP,免费下载
     
    账号:
    密码:
    验证码:   换一换
      忘记密码?
        
    友情提示
    2、PDF文件下载后,可能会被浏览器默认打开,此种情况可以点击浏览器菜单,保存网页到桌面,就可以正常下载了。
    3、本站不支持迅雷下载,请使用电脑自带的IE浏览器,或者360浏览器、谷歌浏览器下载即可。
    4、本站资源下载后的文档和图纸-无水印,预览文档经过压缩,下载后原文更清晰。
    5、试题试卷类文档,如果标题没有明确说明有答案则都视为没有答案,请知晓。

    30高级铸造工职业技能鉴定题库试卷资料.docx

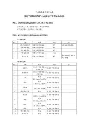
    职业技能鉴定题库试卷铸造工高级技师操作技能考核打算通知单(考场)试题I、碱性炉衬返回吹氧法熔炼ZGlCrI8Mnl3Mo2CuN工艺编制(1)考生每人一桌,考位统一编号,考生对号入座。(2)考场内通风、照明良好,设施齐全。试题H、碱性炉衬不氧化法熔炼ZG40Cr25Ni20示范操作(1)设备打算:序号名称规格数量的注1碱性炉或酸性炉依据实际状况确定1台包括配套协助设备2原材料烘烤炉依据实际状况确定1台3铁合金烘烤炉依据实际状况确定1台4炉前化验设备依据实际状况确定自定5测温仪器依据实际状况确定1台热电偶测温仪测温头不少于5个(2)材料打算:序号名称规格数量备注1返回料长度小于熔炉直径1/2的废碳素钢依据炉子容量确定2低碳废钢长度小于熔炉直径1/2的回炉料依据炉子容量确定3石灰块度2060mm,CaO85%依据炉子容量确定4萤石块度550nunCaFa285%依据炉子容量确定5硅铁粉块度1mm,Si70%依据炉子容量确定6硅钙粉或铝粉指定依据炉子容量确定7焦炭粉块度0.51mm,080%依据炉子容量确定8锌铁块度50150mm,Mn>55%依据炉子容量确定9硅铁块度20150mm,Si275%依据炉子容量确定10辂铁指定依据炉子容量确定11稀土硅铁合金指定依据炉子容量确定12硅钙合金指定依据炉子容量确定13铝Al>99.5%依据炉子容量确定(3)工具、量具打算:序号名称规格数量备注1电子秤依据状况自定1台称炉料用2磅秤依据状况自定1台称合金用3铁锹自定2把大炉35把4样勺自定2把5铁耙自定2个6撬杠自定1根7大锤自定1把(4)考场打算:a)考场面积应满意实际操作须要。b) 考前应对主要工装、工位统一编号,使工装与工位编号相对应。c) 考场内必需有良好的通风设施,照明良好,平安设施齐全。d)还应由鉴定机构打算银板。试题111.推广应用类论文答辩B5纸打印的论文、演示工具、试样、图样等,不小于20一的教室或会议室。职业技能鉴定题库试卷铸造工高级技师操作技能考核打算通知单(考生)姓名:,准考证号:单位:试题I、碱性炉衬返回吹氧法熔炼ZGICrI8Mnl3Mo2CuN工艺编制序号名称规格数量备注I铸造手册第2卷1册2钢笔或圆珠笔自定1支3计算器自定1个试题H、碱性炉衬不氧化法熔炼ZG40Cr25Ni20示范操作(由考场打算)试题111.推广应用类论文答辩(由考场打算)铸造工高级技师操作技能考核评分记录表抽签号:总成绩表序号试题名称配分(权重)得分备注1碱性炉衬返回吹氧法熔炼ZGlCrl8Mnl3Mo2CuN工艺编制252碱性炉衬不氧化法熔炼ZG40Cr25Ni20示范操作403推广应用类论文答辩35合计100统分人:年月日铸造工高级技师操作技能考核评分记录表抽签号:试题I、碱性炉衬返回吹氧法熔炼ZGICrI8Mnl3Mo2CuN工艺编制序号考试内容考试要点配分评分标准检测结果扣分得分备注1钢种的特点及要求编写熔炼钢种的特点及易出现的质量问题和防范措施10对编制钢种特点不清晰扣5分;冶炼易出现的质量问题未有留意事项或措施扣5分对熔炉要求5熔炼钢种未规定熔炉状态或炉况条件要求扣5分2熔炼标准执行标准及内控要求5未规定执行标准或内控标准要求或规定的成分和性能有错误均不得分3配料炉料配比及要求10未对炉料提出有关要求扣4分;未规定配料组成及配料比例或规定错误一项扣10分4原材料造渣材料、还原剂、铁合金、氧气等明细及要求10对各种材料、块度、粒度干燥程度未作要求或规定错误一项扣5分;对合金含量、烘烤温度未作要求或规定错误扣5分5冶炼工艺操作要点氧化期吹氧操作25未规定吹氧温度、吹氧脱碳量或规定错误一项扣5分;未规定吹氧压力及方法扣5分;未规定吹氧终点碳含量及温度或规定错误一项扣5分还原期操作25脱氧方法规定不正确扣5分;未规定铁合金加入方法、步骤、收得率或规定错误扣5分;未规定取样炉渣及白渣保持时间一项扣5分出钢条件10未规定出钢温度、炉渣、脱氧、成分要求的一项扣5分;规定错误i项扣5分6时间定额考试时间每超2min从总分中扣1分合计100评分人:年月日核分人:年月日铸造工高级技师操作技能考核评分记录表抽签号:试题n、碱性炉衬不氧化法熔炼ZG40Cr25Ni20示范操作序号考试内容考试要点配分评分标准检测结果扣分得分备注1熔炼打算造渣材料、铁合金、还原剂块度(粒度)、干燥程度符合要求10不符合要求一项扣3分2熔炼讲解还原先造电石渣后造白渣要点20造电石渣缘由讲解不清晰扣10分;讲解操作要点错误不得分3熔炼操作取熔清样正确10炉料未化取清样扣5分;取样不搅拌或样勺粘钢每一项扣5分温度合适换渣5温度合适换渣40%扣2分;温度不合适换渣扣3分;不换渣不得分还原起先造电石渣10未形成电石渣扣8分;电石渣保持时间<10Inin扣6分取还原样5电石渣下或不搅拌取样一项扣2分;黄渣取样扣1分;灰渣取样扣2分;黑渣不得分炉渣及脱氧要求10脱氧样收缩较平扣3分;脱氧不良不得分;炉渣FeO含量20.6%扣5分;1.0%不得分出钢温度合适10依据各单位实际,温度超差±10扣4分;±10±20扣6分;±20以上不得分4化学成分及力学性能试验化学成分合格10化学成分不合格不得分力学性能试验10力学性能试验不合格不得分5平安文明生产现场整齐,操作有序,劳保用品穿戴符合要求现场杂乱无章扣2分;操作过程无序扣2分;劳保用品穿戴不符合要求扣2分从总分中扣除6时间定额考试时间每超10min从总分中扣1分合计100否定项说明:因操作缘由造成整炉报废,该项不得分。评分人:年月日核分人:年月日铸造工高级技师操作技能考核评分记录表抽签号:试题111.推广应用类论文答辩序号考试内容考试要点配分评分标准检测结果扣分得分备注1答辩打算论文的打算5达不到打算要求规定的内容,缺一项扣1分;论文未按规定纸型打印扣1分2论文结构论文格式5格式不符合技术论文的写作规范,不规范一处扣2分论文条目5条目中的题名、作者姓名及工作单位、提要、关键词、状况介绍或立题依据、论述过程、结果等是否齐全缺一项扣1分3论述内容状况介绍或立题依据5未写不得分;阐述不清或文题不符扣3分项目的先进性5未写不得分;未表述其先进点或先进性不强扣3分项目的好用性5未写不得分;好用性论述不充分或好用性不强扣3分项目的试验10试验程序不正确扣3分;,试验不全面扣5分推广应用10推广应用范围太小扣3分;应用中出现的问题未解决扣5分推广应用成果及机理分析20未取得明显的技术、质量经济效果扣10分机理分析不正确扣10分;分析不全面、不透彻扣5分项目的难易程度5项目难度达不到该级别应达到的水平扣3分相关学问及四新学问5相关学问及四新学问应用不恰当、不相关扣3分4答辩回答问题及分析15回答不正确不得分;回答不全面、不准确扣6分;分析不正确扣5分;分析不全面、不准确扣3分语言表达5语言表达不精练、不清晰扣3分5时间定额考试时间每超Imin从总分中扣2分合计100否定项说明:论文中和答辩时出现错误观点和理论,该项不得分。评分人:年月日核分人:年月日职业技能鉴定题库试卷铸造工高级技师操作技能考核试卷抽签号:试题I、碱性炉衬返回吹氧法熔炼ZGlerI8Mnl3Mo2CuN工艺编制(1)本题分值:100分(2)考核时间:150mino(3)详细考核要求:a)编制ZGlCrl8Mnl3Mo2CuN冶炼特点、应留意事项及对熔炉的要求。b)编制本钢种执行标准或化学成分、力学性能要求或内控质量标准。c)规定炉料要求并制定配料的比例及技术条件。d)编制造渣材料、还原剂、铁合金等原材料的细目和要求。e)重点编制返回吹氧法冶炼工艺操作要点(给出详细规定及参数)。试题H、碱性炉衬不氧化法熔炼ZG40Cr25Ni20示范操作(1)本题分值:100分(2)考核时间:180mine(3)详细考核要求:a)熔炼ZG40Cr25Ni20钢执行GB/T84921987标准。1 .化学成分:CO.35%0.45%;Si1.75%;Mnl.50%;Cr23.0%27.成;Ni19.0%22.0%;Mo0.5%;P0.040%;SW0.040%。2 .力学性能:0,2235MPa;/2440MPa;b)熔炼前应检查配料状况,示范操作由装料起先计时,到出钢停炉为止。c)炉料较差加石灰石形成钢液沸腾或低压吹氧沸腾。d)示范操作的同时讲解还原起先造电石渣后期造白渣的要点,Fe0W0.50%oe)还原脱氧良好,出钢温度限制在1530-1560范围(依据各单位生产实际可适当调整)。f)成品分析试样应以盛钢桶或浇铸中途取样为准。g)力学性能试样应以单独铸出的梅花试棒或基尔试棒为准,在浇铸钢件中途浇铸。职业技能鉴定题库试卷铸造工高级技师操作技能考核试卷抽签号:试题山、推广应用类论文答辩(1)本题分值:100分(2)考核时间:30mi11o(3)详

    注意事项

    本文(30高级铸造工职业技能鉴定题库试卷资料.docx)为本站会员(p**)主动上传,第壹文秘仅提供信息存储空间,仅对用户上传内容的表现方式做保护处理,对上载内容本身不做任何修改或编辑。 若此文所含内容侵犯了您的版权或隐私,请立即通知第壹文秘(点击联系客服),我们立即给予删除!

    温馨提示:如果因为网速或其他原因下载失败请重新下载,重复下载不扣分。




    关于我们 - 网站声明 - 网站地图 - 资源地图 - 友情链接 - 网站客服 - 联系我们

    copyright@ 2008-2023 1wenmi网站版权所有

    经营许可证编号:宁ICP备2022001189号-1

    本站为文档C2C交易模式,即用户上传的文档直接被用户下载,本站只是中间服务平台,本站所有文档下载所得的收益归上传人(含作者)所有。第壹文秘仅提供信息存储空间,仅对用户上传内容的表现方式做保护处理,对上载内容本身不做任何修改或编辑。若文档所含内容侵犯了您的版权或隐私,请立即通知第壹文秘网,我们立即给予删除!

    收起
    展开