欢迎来到第壹文秘! | 帮助中心 分享价值,成长自我!
第壹文秘
全部分类
  • 幼儿/小学教育>
  • 中学教育>
  • 高等教育>
  • 研究生考试>
  • 外语学习>
  • 资格/认证考试>
  • 论文>
  • IT计算机>
  • 法律/法学>
  • 建筑/环境>
  • 通信/电子>
  • 医学/心理学>
  • ImageVerifierCode 换一换
    首页 第壹文秘 > 资源分类 > DOCX文档下载
    分享到微信 分享到微博 分享到QQ空间

    石料质量评定表.docx

    • 资源ID:1010008       资源大小:13.93KB        全文页数:2页
    • 资源格式: DOCX        下载积分:5金币
    快捷下载 游客一键下载
    账号登录下载
    三方登录下载: 微信开放平台登录 QQ登录
    下载资源需要5金币
    邮箱/手机:
    温馨提示:
    快捷下载时,如果您不填写信息,系统将为您自动创建临时账号,适用于临时下载。
    如果您填写信息,用户名和密码都是您填写的【邮箱或者手机号】(系统自动生成),方便查询和重复下载。
    如填写123,账号就是123,密码也是123。
    支付方式: 支付宝    微信支付   
    验证码:   换一换

    加入VIP,免费下载
     
    账号:
    密码:
    验证码:   换一换
      忘记密码?
        
    友情提示
    2、PDF文件下载后,可能会被浏览器默认打开,此种情况可以点击浏览器菜单,保存网页到桌面,就可以正常下载了。
    3、本站不支持迅雷下载,请使用电脑自带的IE浏览器,或者360浏览器、谷歌浏览器下载即可。
    4、本站资源下载后的文档和图纸-无水印,预览文档经过压缩,下载后原文更清晰。
    5、试题试卷类文档,如果标题没有明确说明有答案则都视为没有答案,请知晓。

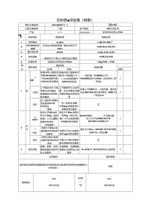
    石料质量评定表.docx

    石料质评定表(例表)取位工程名称XX水廊防护工3ft×M,分部工程名称二境生产的位XXX工S公司产地×××t4HIX年X月X日至乂月XliEJ保证项目质录标准检验记录1天然索也>2.4Xn,n-fi.24280工”2饱卬做IU抗压旗慢价合出计观定的双值(帔计抗反大干K40in=8fi.40.55O.IlTa3最大吸水率W10%n=8ia.4.0%9.8%4扰化系数一股岩石大丁等ro.?或符合设计要求n>8fi,0.8-0.855抗麻标号达到设计标号|设计PlOOJnQg.FIO0、F160项次基本项目旗标准检验记票合格优良合格I状SW检用分明,六面双本平整.IW-HDift炭小于IontU检测©数中有70%符合要求检角分明,六面跳本平攀同一刑高是小于(n,校测总数中fi90%符合标准一角分物,R-WW差小于1。-,ttH300M,其中才230生(叩加.6%)将合标a块石上下阳皿半行.大效平整.无尖向薄边.检潮楼故中有70%符合要求上下阴刚平行,大Ja平整,无尖向薄边.杭穗总数中有go%符合标准夹角上下两IB平行,大致平蔓,基本无1»边.MH150A.其中有130关(W87%)符合标Jt毛石无一定形状.块赋水生检泅总Ik中有70%符合要求无一定彩状.块戴T25kg.检酒总效中有90%符合要求Z2尺寸JSlttTi块长大于50Cm块币大尸25kg(块K/块高)小于3,检测总数中有70%符合要求块长大于50m,块用大于25kg(块长/块禽小于3,检测总数中有90%符合察求ittfcttT50c大干2傲长/3)小于3,ttWW(.其中有220*(W73.3H)WJ?*块石块厚大于20cn.检测总数中在70%符合要求块厚大于20e.检测总数中qgo%符合要求象从大于20c三.ttlH160*.其中常125铁旧83.3%)符合JMt毛石中厚大ri5cn,检测总数中有70%符合安求中黑人15m.检测总数中有90%符件要求Z3石料所地坚硬、新鲜、无剁落层或裂蚊.盛本符合上述要求生使新鲜、无黑落层或裂校.必须符合上述要求K«.tt*M.无“JS"tt.S本符合上述央求评定遇见明业等统保证匈日全部符合质疑标准;压本项目全全令格,其中形状符全格M准,尺寸符合标一合格就X用位XXXX年X月X日比JS-*位XXXX年X月X日填表说明填表时必须遵守“填表基本规定”,并符合以下要求.1 .本次是中间产品质疑评定表.灰头产地,填写石料开产地名.数家:填写本批检验试样所代表的石料数依Gn')。生产单位:填写石料的生产单位全株,2 .检验日期:埴局本批石料检脸的开始及终止日期.3 .项次2质量标准有“设计现定限值”要求,本例在栏内填写设计抗汽强度大于等于40OMPa.基本项目形状、尺寸,本例为粗条石、块石,应在机条石、块石栏用7'、标明.1-检测数收:保证项目,年生产500m'石料抽(S一组,当料场有变动或同一料场品质有变化时,应抽直一组,但戢少每生产2000m?石料抽筐一组。基本项目,现场检宣和尺量。砌筑甫每Iom'抽检-mo块35 .保证项目检验记录:各项填写:检验组数n,实测仪葩困(最小伯最大伯),合格组数(本示例因全部合格,故未填组数)。基本项目检验记录;填写实际测法检育结果.6 .质量标准。合格:保证项目符合质豉标准:基本项目合格.优良:保证项目符合质at标准:基本项目中形状、尺寸必须优良,另1项合格(威优良).

    注意事项

    本文(石料质量评定表.docx)为本站会员(p**)主动上传,第壹文秘仅提供信息存储空间,仅对用户上传内容的表现方式做保护处理,对上载内容本身不做任何修改或编辑。 若此文所含内容侵犯了您的版权或隐私,请立即通知第壹文秘(点击联系客服),我们立即给予删除!

    温馨提示:如果因为网速或其他原因下载失败请重新下载,重复下载不扣分。




    关于我们 - 网站声明 - 网站地图 - 资源地图 - 友情链接 - 网站客服 - 联系我们

    copyright@ 2008-2023 1wenmi网站版权所有

    经营许可证编号:宁ICP备2022001189号-1

    本站为文档C2C交易模式,即用户上传的文档直接被用户下载,本站只是中间服务平台,本站所有文档下载所得的收益归上传人(含作者)所有。第壹文秘仅提供信息存储空间,仅对用户上传内容的表现方式做保护处理,对上载内容本身不做任何修改或编辑。若文档所含内容侵犯了您的版权或隐私,请立即通知第壹文秘网,我们立即给予删除!

    收起
    展开