欢迎来到第壹文秘! | 帮助中心 分享价值,成长自我!
第壹文秘
全部分类
  • 幼儿/小学教育>
  • 中学教育>
  • 高等教育>
  • 研究生考试>
  • 外语学习>
  • 资格/认证考试>
  • 论文>
  • IT计算机>
  • 法律/法学>
  • 建筑/环境>
  • 通信/电子>
  • 医学/心理学>
  • ImageVerifierCode 换一换
    首页 第壹文秘 > 资源分类 > DOCX文档下载
    分享到微信 分享到微博 分享到QQ空间

    地下防水工程施工质量监理实施细则2.docx

    • 资源ID:1003434       资源大小:39.53KB        全文页数:11页
    • 资源格式: DOCX        下载积分:5金币
    快捷下载 游客一键下载
    账号登录下载
    三方登录下载: 微信开放平台登录 QQ登录
    下载资源需要5金币
    邮箱/手机:
    温馨提示:
    快捷下载时,如果您不填写信息,系统将为您自动创建临时账号,适用于临时下载。
    如果您填写信息,用户名和密码都是您填写的【邮箱或者手机号】(系统自动生成),方便查询和重复下载。
    如填写123,账号就是123,密码也是123。
    支付方式: 支付宝    微信支付   
    验证码:   换一换

    加入VIP,免费下载
     
    账号:
    密码:
    验证码:   换一换
      忘记密码?
        
    友情提示
    2、PDF文件下载后,可能会被浏览器默认打开,此种情况可以点击浏览器菜单,保存网页到桌面,就可以正常下载了。
    3、本站不支持迅雷下载,请使用电脑自带的IE浏览器,或者360浏览器、谷歌浏览器下载即可。
    4、本站资源下载后的文档和图纸-无水印,预览文档经过压缩,下载后原文更清晰。
    5、试题试卷类文档,如果标题没有明确说明有答案则都视为没有答案,请知晓。

    地下防水工程施工质量监理实施细则2.docx

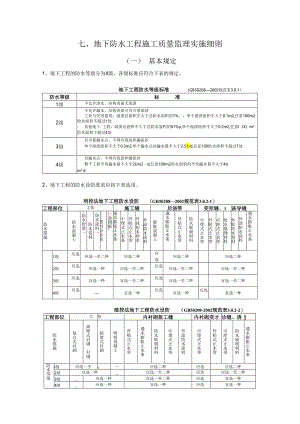
    七、地下防水工程施工质量监理实施细则(一)基本规定1、地下工程的防水等级分为4级,各级标准应符合下表的规定。地下工程防水等级标准(GB502082002规范表3.0.1)防水等级标准1级不允许渗水,结构表面无湿渍2级不允许漏水,结构表面可有少量湿渍工业与民用建筑:湿渍总面积不大于总防水面积的1%。,单个湿渍面积不大于0.1m2,任意100m2防水面积不超过1处其他地卜.工程:湿渍总面积不大于总防水面积的61%o,单个湿渍面积不大于0.2m2,任意I(X)m2防水面积下超过4处3级有少量漏水点,不得有线流和漏泥砂单个湿渍面积不大于03m2,单个漏水点的漏水量不大于251.d,任意100防水面积不超过7处4级有漏水点,不得有线流和漏泥砂整个工程平均漏水量不大于2Um2d,任意100m2防水面积的平均漏水量不大于4Um2d2、地下工程的防水设防要求应按下表选用。明挖法地下工程防水设防(GR502082002规范表3.0.2-1)工程部位主体施工缝后浇带变形缝、1诙导缝防水措施防水混凝土-防水砂浆一防水卷材-防水涂料一塑料防水板一金属板.遇水膨胀止水条中埋式止水条外贴式止水带外抹防水砂浆外涂防水涂料膨胀混凝土遇水膨胀止水条外贴式止水带防水嵌缝材料中埋式止水带外贴式止水带可卸式止水带防水嵌缝材料外贴防水卷材外涂防水涂料遇水膨胀止水条1级应选应选一至二种应选二种应选应选二种应选二种2级应选应选一种应选一至二种应选应选一至二种应选一至二种3级应选宜选一种宜选一至二种应选宜选一至二种宜选一至二种4级应选宜选一种应选宜选一种应选直选一种暗挖法地下工程防水设防(GB50208-2002规范表3.0.2-2)工程部位主,体内衬砌旅工缝内衬砌变才诊缝、诱导身t防水措施复合式衬砌离壁式衬砌、衬砌贴壁式衬砌喷射混凝土外贴式止水带遇水膨胀止水条防水嵌缝材料中埋式止水带外涂防水涂料中埋式止水带外贴式止水带可卸式止水带防水嵌缝材料遇水膨胀止水条防水等级I级应选一手1应选二种应选应选二种2级应选一种应选一至二种应选应选一至二种3级应选一种宜选一至二种应选宜选一种4级应选一种宜选一种应选宜选一种3、地下防水工程施工前,施工单位应进行图纸会审,掌握工程主体及细部构造的防水技术要求,并编制防水工程的施工方案。4、地下防水工程必须由相应资质的专业防水队伍进行施工;主要施工人员应持有建设行政主管部门或其指定单位颁发的执业资格证书。5、地下防水工程所使用的防水材料,应有产品的合格证书各性能检测报告,材料的品种、规格、性能等应符合现行国家产品标准和设计要求。对进场的防水材料应按GB50208-2002规范附录A和附录B的规定抽样复验,并提出试验报告;不合格的材料不得在工程中使用。6、地下防水工程施工期间,明挖法的基坑以及暗挖法的竖井、洞口、必须保持地下水位稳定在基底0.5m以下,必要时应采取降水措施。7、地下防水工程的防水层,严禁在雨天、雪天和五级风及其以上时施工,其施工环境气温条件宜符合下表的规定。防水层施工环境气温条件(GB502082002规范表3.0.8)防水层材料施工环境气温高聚物改性沥青防水卷材冷粘法不低于5七,热熔法不低于一I(TC合成高分子防水卷材冷粘法不低于5C,热风焊接法不低于一IOC有机防水涂料溶剂型一535,水溶性535C无机防水涂料535tC防水混凝土、水泥砂浆535C8、地下防水工程是一个子分部工程,其分项工程的划分应符合下表要求。地下防水工程的分项工程(GB502082002规范表3.0.9)子分部工程分项工程地下防水工程地卜建筑防水工程:防水混凝土,水泥砂浆防水层,卷材防水层,涂料防水层,塑料板防水层,金属板防水层,细部构造特殊施工法防水工程:锚喷支护,地卜连续墙,复合式衬砌,盾构法隧道排水工程:渗排水、盲沟排水,隧道、坑道排水注浆工程:预注浆、后注浆,衬砌裂缝注浆(二)地下建筑防水工程1、防水混凝土项目项次内容检验方法主控项目1防水混凝土的原材料、配合比及坍落度必须符合设计要求。检查出厂合格证、质量检验报告、计量措施和现场抽样试验报告。2防水混凝土的抗压强度和抗渗压力必须符合设计要求。检查混凝土抗压、抗渗试验报告。3防水混凝土的变形缝、施工缝、后浇带、穿墙管道、埋设件等设置和构造,均须符合设计要求,严禁有渗漏。观察检查和检查隐蔽工程验收记录。一般项目1防水混凝土结构表面应坚实、平整,不得有露筋、蜂窝等缺陷;埋设件位置应正确。观察和尺量检查2防水混凝土结构表面的裂缝宽度不应大于0.2mm,并不得贯通。用刻度放大镜检查。3防水混凝土结构厚度不应小于250mm,其允许偏差为+15mm,-10mm;迎水面钢筋保护厚度不应小于50mm»其允许偏差为±10mm。尺量检查和检查隐蔽工程验收记录。2、水泥砂浆防水层项目项次内容检验方法主控项目1水泥砂浆防水层的原材料及配合比必须符合设计要求。检查出厂合格证、质量检验报告、计量措施和现场抽样试验报各。2水泥砂浆防水层各层之间必须结合牢固,无空鼓现象。观察和用小锤轻击检查。一般项目1水泥砂浆防水层表面应密实、平整,不得有裂纹、起砂、麻面等缺陷;阴阳角处应做成圆弧形。观察检查。2水泥砂浆防水层施工缝留槎位置应正确,接槎应按层次顺序操作,层层搭接紧密。观察检查和检查隐蔽工程验收记录。3水泥砂浆防水层的平均厚度应符合设计要求,最小厚度不得小于设计值的85%。观察和尺量检查。3、卷材防水层项目项次内容检验方法主控项目1卷材防水层所用卷材及主要配套材料必须符合设计要求。检查出厂合格证、质量检验报告和现场抽样试验报告。2卷材防水层及其转角处、变形缝、穿墙管道等细部做法均须符合设计要求。观察检查和检查隐蔽工程验收记录一般项目1卷材防水层的基层应牢固,基面应洁净、平整,不得有空鼓、松动、起砂和脱皮现象:基层阴阳角处应做成圆弧形。观察检查和检查隐蔽工程验收记录2卷材防水层的搭拉缝应粘(焊)结牢固,密封严密,不得有皱折、翘边和鼓泡等缺陷。观察检查3侧墙卷材防水层的保护层与防水层应粘结牢固,结合紧密、厚度均匀一致。观察检查4卷材搭接宽度的允许偏差为-Iomm。观察和尺量检查。4、涂料防水层项目项次内容检验方法主控项目1涂料防水层所用材料及配合比必须符合设计要求检查出厂合格证、质量检验报告、计量措施和现场抽样试验报告。2涂料防水层及其转角处、变形缝、穿墙管道等细部做法均须符合设计要求。观察检查和检查隐蔽工程验收记录一般项目I涂料防水层的基层应牢固,基面应洁净、平整,不得有空鼓、松动、起砂和脱皮现象;基层阴阳角处应做成圆弧形。观察检查和检查隐蔽工程验收记录2涂料防水层的应与基层粘结牢固,表面平整、涂刷均匀,不得有流淌、皱折、鼓泡、露治体和翘边等缺陷。观察检查3涂料防水层的平均厚度应符合设计要求,最小厚度不得小于设计厚度的80%。针测法或割取20mmX20mm实样用卡尺测量。4侧墙涂料防水层的保护层与防水层粘结牢固,结合紧密,厚度均匀一致。观察检查。5、塑料板防水层项目项次内容检验方法主控项目1防水层所用塑料板及配套材料必须符合设计要求。检查出厂合格证、质量检验报告、计量措施和现场抽样试验报告。2塑料板的搭接缝必须采用热风焊接,不得有渗漏。双焊缝间空腔内充气检查。一般1塑料板防水层的基面应坚实、平整、圆顺,无漏水现象;阴阳角处应做成圆弧形。观察和尺量检查项目2塑料板的铺设应平顺并与基层固定牢固,不得有下垂、绷紧和破损现象。观察检查3塑料板撒拉宽度的允许偏差为-Iomm。尺理检查。6、金属板防水层项目项次内容检验方法主控项目1金属防水层所采用的金属板材和焊条(剂)必须符合设计要求。检查出厂合格证或质量检验报告和现场抽样试验报告。2焊工必须经考试合格并取得相应的执业资格证书。检查焊工执业资格证书和考核日期。一般项目1金属板表面不得有明显凹面和损伤。观察检查2焊适不得有裂纹、未熔合、夹液、焊痛、咬边、烧穿、弧坑、针状气孔等缺陷。观察检查和无损检查。3焊缝的焊波应均匀,焊液和飞溅物应清除干净;保护涂层不得有漏涂、脱皮的反锈现象。观察检查。7、细部构造项目项次内容检验方法主控项目1细部构造所用止水带、遇水膨胀橡胶腻子止水条和接缝密封材料必须符合设计要求。检查出厂合格证、质量检验报告和进场抽样试验报告。2变形缝、施工缝、后浇带、穿墙管道、埋设件等细部构造作法,均须符合设计要求,严禁有渗漏。观察检查和检杳隐蔽工程验收记录。一般项目1中埋式止水带中心线应与变形缝中心线重合,止水带应固定牢靠、平直,不得有扭曲现象。观察检瓷和检查隐蔽工程验收记录。2穿墙管止环与主管或翼环与套管应连续满焊,并做防腐处理。观察检查和检查隐蔽工程验收记录。3接颖处混凝土表面应密实、洁净、干燥:密封材料成嵌填严密、粘结牢固,不得有开裂、鼓沟和卜.塌现象。观察检查。(三)特殊施工法防水工程1、锚喷支护项目项次内容检验方法主控项目1喷射混凝土所用原材料及钢筋网、锚杆必须符合设计要求。检查出厂合格证、质量检验报告和现场抽样试验报告。2喷射混凝土抗压强度、抗渗压力及锚杆抗拔力必须符合设计要求。检查混凝土抗压、抗渗试验报告和锚杆抗拔力试验报告。一般项目1喷层与围岩及喷层之间应粘结紧密,不得有空鼓现象,用锤击法检查。2喷厚度有60%不小于设计厚度,平均厚度不得小于设计厚度,最小厚度不得小于设计厚度的50%。用针探或钻孔检查。3喷射混凝土应密实、平整,无裂缝、脱落、漏喷、露筋、空鼓和渗漏水。观察检查。4喷射混凝土表面平整度的允许偏差为30mm,且矢弦比不得大于l6o尺量检查。2、地下连续墙项目项次内容检验方法主控项目I防水混凝土所用原材料、配合比以及其他防水材料必须符合设计要求。检查出厂合格证、质量检验报告、计量措施和现场抽样试验报告。2地下连续墙混凝土抗压强度和抗渗压力必须符合设计要求。检查混凝土抗压、抗渗试脸报告。一般1地下连续墙的槽段接缝以及墙体与内衬结构接缝应符合设计要求。观察检查和检查隐蔽工程验收记录。项目2地下连续墙墙面的露筋部分应小于1%墙面面积,且不得有露石和夹泥现象。观察检查。3地下连续墙墙体表面平整度的允许偏差:临时支护墙体为50mm,单一或复合墙体为

    注意事项

    本文(地下防水工程施工质量监理实施细则2.docx)为本站会员(p**)主动上传,第壹文秘仅提供信息存储空间,仅对用户上传内容的表现方式做保护处理,对上载内容本身不做任何修改或编辑。 若此文所含内容侵犯了您的版权或隐私,请立即通知第壹文秘(点击联系客服),我们立即给予删除!

    温馨提示:如果因为网速或其他原因下载失败请重新下载,重复下载不扣分。




    关于我们 - 网站声明 - 网站地图 - 资源地图 - 友情链接 - 网站客服 - 联系我们

    copyright@ 2008-2023 1wenmi网站版权所有

    经营许可证编号:宁ICP备2022001189号-1

    本站为文档C2C交易模式,即用户上传的文档直接被用户下载,本站只是中间服务平台,本站所有文档下载所得的收益归上传人(含作者)所有。第壹文秘仅提供信息存储空间,仅对用户上传内容的表现方式做保护处理,对上载内容本身不做任何修改或编辑。若文档所含内容侵犯了您的版权或隐私,请立即通知第壹文秘网,我们立即给予删除!

    收起
    展开