欢迎来到第壹文秘! | 帮助中心 分享价值,成长自我!
第壹文秘
全部分类
  • 幼儿/小学教育>
  • 中学教育>
  • 高等教育>
  • 研究生考试>
  • 外语学习>
  • 资格/认证考试>
  • 论文>
  • IT计算机>
  • 法律/法学>
  • 建筑/环境>
  • 通信/电子>
  • 医学/心理学>
  • ImageVerifierCode 换一换
    首页 第壹文秘 > 资源分类 > DOCX文档下载
    分享到微信 分享到微博 分享到QQ空间

    深圳市塔式起重机自查表.docx

    • 资源ID:1001926       资源大小:19.80KB        全文页数:5页
    • 资源格式: DOCX        下载积分:5金币
    快捷下载 游客一键下载
    账号登录下载
    三方登录下载: 微信开放平台登录 QQ登录
    下载资源需要5金币
    邮箱/手机:
    温馨提示:
    快捷下载时,如果您不填写信息,系统将为您自动创建临时账号,适用于临时下载。
    如果您填写信息,用户名和密码都是您填写的【邮箱或者手机号】(系统自动生成),方便查询和重复下载。
    如填写123,账号就是123,密码也是123。
    支付方式: 支付宝    微信支付   
    验证码:   换一换

    加入VIP,免费下载
     
    账号:
    密码:
    验证码:   换一换
      忘记密码?
        
    友情提示
    2、PDF文件下载后,可能会被浏览器默认打开,此种情况可以点击浏览器菜单,保存网页到桌面,就可以正常下载了。
    3、本站不支持迅雷下载,请使用电脑自带的IE浏览器,或者360浏览器、谷歌浏览器下载即可。
    4、本站资源下载后的文档和图纸-无水印,预览文档经过压缩,下载后原文更清晰。
    5、试题试卷类文档,如果标题没有明确说明有答案则都视为没有答案,请知晓。

    深圳市塔式起重机自查表.docx

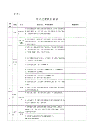
    附件1塔式起重机自查表序号项类项目重点项目、内容及要求检查结果1结构遽询结构件塔机主要承载结构件及其焊缝应无可见裂纹,结构件应无整体或局部塑性变形,销孔应无塑性变形。连接件的轴、孔应无严重磨损。结构件母材不应出现严重腐蚀或磨损。2信息标识与信号结构(牛可½塔机主要结构件(包括标准节和附着装置)应有可追溯制造日期的唯一性识别标志。同一塔机的不同规格的塔身标准节应具有永久性的区分标志。3应在塔身易于观察的位置固定产品标牌,产品标牌应采用耐用金属,其内容应至少包括:产品名称和型号规格;产品制造编号和出厂日期;制造厂名称;制造许可证号。塔机主要零部件铭牌内容齐全,标识清楚;其与整机产品标牌的出厂日期应具一致性(Wl年)塔机公称起重力矩不得小于800kNm:塔机公称起重力矩大于或者等于800kNm且小于1250kNm的,出厂使用年限不得超过10年;塔机公称起重力矩大于或者等于1250kNm且小于3150kNm的,出厂使用年限不得超过15年;塔机公称起重力矩大于或者等于3150kNm,出厂使用年限不得超过20年。4爬升系统液!血顶升液压缸必须具有平衡阀或液压锁,平衡阀或液压锁与液压缸之间不得用软管连接。5爬升结构件顶升支承梁、爬爪、爬升支承座应无变形、可见裂纹等缺陷。进入台风季节,爬升套架应按制造商塔机使用补充说明书的规定降至基础面或最上一道附着处6作业环境与躅嬲安第离塔机的尾部与周围构筑物及外围施工设施之间的安全距离应20.6m。在非工作状态下,塔机的回转部分应能在360。范围内无隙碍地自由旋转。塔身到洞口边缘或障碍物的距离S应满足要求:S1.48*1.34h100+50»项类项目重点项目、内容及要求检查结果7两喘11间架物隅低位塔机的臂架端部与另一台塔机塔身之间的水平距离应22叱高位塔机的最低位置部件与低位塔机中处于最高位置部件之间的垂直距离应力2m。8安邕糜塔机任何部位与架空输电线的距离应符合规定,否则必须采取有效安全防护措施。9基础固定娜地脚黔塔机的预埋节或者固定支腿应由原制造厂制造,并由合格证明;特殊情况另行制造的,应有专业制造厂的制造证明,且其资质等级不应低于原制造厂塔机的地脚螺栓应由有资质的专业制造厂制造,且应有合格证明10基醐乍实际制作的混凝土基础应与方案或使用说明书的规定一致。塔机基础应平整,有排水措施11平衡重及压重平衡重、压重应有准确、清晰的重量标识,其安装位置及数量应与起重臂臂长组合设计要求相符,并保证在其规定位置上不移位、不脱落,平衡重块之间不得互相撞击°当使用散粒物料作平衡重时应使用平衡重箱,平衡重箱应防水。12结构件安装与连接任何状态下塔机的安装高度不得超过设计允许的最大高度。进入台风季节,塔机最大独立塔身高度或悬臂塔身高度应符合制造商塔机使用补充说明书的规定。独立状态下,塔身轴心线的侧向垂直度偏差应於4%。附着状态下最高附着点以上塔身轴心线的侧向垂直度偏差应W4%。;附着状态下最高附着点以下塔身轴心线的侧向垂直度偏差应W2%。13销阚接结构件采用销轴连接时,其规格及数量应符合使用说明书或设计方案的要求。销轴不得有缺件、可见裂纹、严重磨根等缺陷,其轴向定位装置应规范、可靠14高强度三i三主要受力结构件的螺栓连接部位应采用高强度螺栓,高强度螺栓应有性能等级标志,其型号、规格及数量应符合塔机使用说明书的要求,且无缺件、裂纹等缺陷。高强度螺栓连接时,应采用扭矩扳手或专用扳手按装配技术要求拧紧,螺杆螺纹露出部分应为23扣。»项类项目重点项目、内容及要求检查结果15部f件只有经过制造厂的正式书面许可,不同型号塔机间的结构部件才可替换使用。不同制造厂的塔机结构部件禁止擅自替换使用。16附着装置附着方案塔机需要附着,必须根据防御台风专版安装使用说明书或者专项技术文件的要求制定方案,并按方案进行附着。附着方案应包括下列内容:(1)附着距离;(2)各道附着装置之间的距离;(3)附着杆系的布置方式;(4)与建筑物的连接形式;(5)塔身高出最高附着点的悬臂高度;(6)附着结构和附着物的承载能力校核;(7)附着结构与附着物各连接件、预埋件大样图;(8)其它特殊要求。对附着水平距离达1.5倍及以上制造商设计最大值的,应制定附着专项施工方案,且经施工单位组织专家论证通过。17附着装置制幽朝在塔机上安装的附着框架、附着杆应有原制造厂的制造证明。特殊情况,需要另行制造时,应有专业制造厂开具的制造证明,且其资质等级不应低于原制造厂。18附着装置与塔身节和附着物的安装连接必须安全可靠,各连接件如螺栓、销轴等必须齐全,不应缺件或松动,与附着杆相连接的附着物不应有裂纹或损坏。附着杆与附着物之间不应采用膨胀螺栓连接。附着杆与附着物之间不宜采用焊接连接的方式,当采用焊接连接时,必须提供下列资料:(1)焊工资格证书;(2)焊接工艺要求;(3)焊缝尺寸要求;(4)焊缝外观质量及无损探伤检验结果。塔机附着后应由制作单位、安装单位、使用单位及监理单位进行验收。19机构及零部件睇缺陷吊钩严禁补焊,不得使用铸造吊钩,吊钩不得存有下列缺陷:(1)表面有裂纹;(2)钩尾和螺纹部分等危险截面或钩筋有永久性变形;(3)挂绳处截面磨损量超过原高度的5%;(4)开口度比原尺寸增加10%;(5)钩身明显扭转变形;(6)心轴严重磨损。20钢丝绳缺陷钢丝绳不得编织接长使用,且不得存有下列缺陷:(1)绳股断裂;(2)扭结;(3)压扁;(4)弯折;(5)波浪形变形;(6)笼状畸变;(7)绳股挤出;(8)钢丝挤出;(9)绳径局部增大;(10)绳径减小,钢丝绳直径相对公称直径减小3%(对于抗扭钢丝绳)或减小10%(对于其他钢丝绳)时;(11)外部腐蚀;(12)严重断丝。»项类项目重点项目、内容及要求检查结果21制动器设置塔机的起升、回转、变幅、行走机构都应配备制动器。起升机构、变幅机构、运行机构应采用常闭制动器。制动器应调整适宜,制动平稳可靠。动臂变幅的塔机,应设有维修变幅机构时能防止卷筒转动的可靠装置,如附加制动器。22制动器缺陷制动器零部件不得存有下列缺陷:(1)可见裂纹;(2)制动块摩擦衬垫过度磨损;(3)制动轮表面过度磨损;(4)弹簧出现塑性变形;(5)电磁铁杠杆系统空行程超过其额定行程的10%;(6)缺件;(7)液压制动器漏油。23安全装置及其性能力矩限制器塔机必须安装起重力矩限制器,且动作准确、可靠。力矩限制器控制定码变幅的触点和控制定幅变码的触点应分别设置,且能分别调整。24起重量限制器塔机应安装起重量限制器,且经安装单位调试合格。25限位器塔机应安装吊钩上极限位置的起升高度限位器。当吊钩装置起升到规定极限位置时,应能停止吊钩起升,但吊钩应能作下降方向运动。26安全装置及其性能幅度限位装置对小车变幅塔机,应设置小车行程限位开关和终端缓冲装置,限位开关应动作准确、可靠。对动臂变幅塔机,应设置臂架低位置和臂架高位置的幅度限位开关,且动作准确、可靠。对动臂变幅塔机,应设置臂架极限位置的限制装置,该装置应有效、可靠。27行走限位装置对于轨道式塔机,每个运行方向应设置行程限位装置,其中包括限位开关、缓冲器和终端止挡。限位开关动作后塔机停车时其端部距缓冲器最小距离为1m,缓冲器距终端止挡最小距离为Imo塔机在与止挡装置或与同一轨道上其他塔机相距大于IIn处能完全停住,此时电缆还有足够的富余长度。28夹轨器轨道式塔机必须安装夹轨器,其零件应无缺损,且工作有效、可靠。29车频俯瞰小车变幅的塔机,变幅的双向均应设置小车断绳保护装置,且动作有效、可靠。30小车防小车变幅的塔机,应设置小车防坠落装置。即使车轮失效,小车也不得脱离臂架坠落。31整机性能9W操作系统、控制系统和联锁装置应动作准确、灵活。各安全装置应动作灵敏、可靠。各机构应运转正常,制动可靠。序号项类项目重点项目、内容及要求检查结果32资料合格证产品出厂合格证、产权备案证明、附着装置制造合格证明、预埋地脚螺栓(或预埋支腿、预埋基础节)合格证明(每次安装时均应提供)等。33说明书安装使用及维修说明书、建筑起重机械产品使用补充说明书(深圳版),即建筑起重机械防御台风专版安装使用说明书或者专项技术文件。34方案专项施工方案。35记录基础隐蔽工程施工验收记录、验收记录。36报告上一次检验检测报告、混凝土基础强度试验报告37防风塔身是否落实降节等防台风措施参加检查人员安装维保单位安全员:项目负责人:检查日期:年月日(盖章)施工单位设备管理员:项目经理:检查日期:年月日(盖章)监理单位安全专监:项目总监:检查日期:年月日(盖章)

    注意事项

    本文(深圳市塔式起重机自查表.docx)为本站会员(p**)主动上传,第壹文秘仅提供信息存储空间,仅对用户上传内容的表现方式做保护处理,对上载内容本身不做任何修改或编辑。 若此文所含内容侵犯了您的版权或隐私,请立即通知第壹文秘(点击联系客服),我们立即给予删除!

    温馨提示:如果因为网速或其他原因下载失败请重新下载,重复下载不扣分。




    关于我们 - 网站声明 - 网站地图 - 资源地图 - 友情链接 - 网站客服 - 联系我们

    copyright@ 2008-2023 1wenmi网站版权所有

    经营许可证编号:宁ICP备2022001189号-1

    本站为文档C2C交易模式,即用户上传的文档直接被用户下载,本站只是中间服务平台,本站所有文档下载所得的收益归上传人(含作者)所有。第壹文秘仅提供信息存储空间,仅对用户上传内容的表现方式做保护处理,对上载内容本身不做任何修改或编辑。若文档所含内容侵犯了您的版权或隐私,请立即通知第壹文秘网,我们立即给予删除!

    收起
    展开